Philips 37PF7321/98 cannot turn on

Collapse
X
 
  • Time
  • Show
Clear All
new posts
  • john_doe
    Senior Member
    • Apr 2013
    • 192
    • Malaysia

    #201
    Re: Philips 37PF7321/98 cannot turn on

    7102 in the circuit diagram indicates STP6NK60Z. But the actual component on the board is STP3N60ZFP.

    Which should I get, the 3 or the 6?
    Attached Files
    Last edited by john_doe; 06-22-2014, 07:34 PM.

    Comment

    • budm
      Badcaps Legend
      • Feb 2010
      • 40746
      • USA

      #202
      Re: Philips 37PF7321/98 cannot turn on

      "there seems to be a polyester 100pf 5% 1kv in line on the 12 volt line and just out of the transformer" Are you talking about C2507 (100p) connected to transformer T5500 PIN 6?
      The 11V in the SCH generated by D6140 (connected to transformer pin 7) that is showing 80V, is that the one?
      Last edited by budm; 06-22-2014, 07:52 PM.
      Never stop learning
      Basic LCD TV and Monitor troubleshooting guides.
      http://www.badcaps.net/forum/showthr...956#post305956

      Voltage Regulator (LDO) testing:
      http://www.badcaps.net/forum/showthr...999#post300999

      Inverter testing using old CFL:
      http://www.badcaps.net/forum/showthr...er+testing+cfl

      Tear down pictures : Hit the ">" Show Albums and stories" on the left side
      http://s807.photobucket.com/user/budm/library/

      TV Factory reset codes listing:
      http://www.badcaps.net/forum/showthread.php?t=24809

      Comment

      • stj
        Great Sage 齊天大聖
        • Dec 2009
        • 31187
        • Albion

        #203
        Re: Philips 37PF7321/98 cannot turn on

        use the 6, it has half the on-resistance so it will generate much less heat aswell as handling more power.

        Comment

        • bammbammfran
          Badcaps Veteran
          • Apr 2014
          • 476
          • USA

          #204
          Re: Philips 37PF7321/98 cannot turn on

          Originally posted by john_doe
          7102 in the circuit diagram indicates STP6NK60Z. But the actual component on the board is STP3N60ZFP.

          Which should I get, the 3 or the 6?

          either will work depending on availability
          the 6 is rated at higher watts so it should be a bit tougher

          Comment

          • bammbammfran
            Badcaps Veteran
            • Apr 2014
            • 476
            • USA

            #205
            Re: Philips 37PF7321/98 cannot turn on

            Originally posted by budm
            "there seems to be a polyester 100pf 5% 1kv in line on the 12 volt line and just out of the transformer" Are you talking about C2507 (100p) connected to transformer T5500 PIN 6?
            The 11V in the SCH generated by D6140 (connected to transformer pin 7) that is showing 80V, is that the one?

            yes, that is the capacitor I mentioned
            D6140 is an SOD-57 2a 600v avalanche diode (We do not know if the 80v is there or in the other line yet) have to wait till power gets back up to check this

            I am thinking the voltage is in the other line because it looks like the D6140 circuit is running to the cathode end of a diode at 6148 ??

            PS: this is probably only the second time that I have actually had a schematic to work with, so I could be reading something wrong ??
            I have done over 1000 boards, but all old school
            Last edited by bammbammfran; 06-22-2014, 08:21 PM.

            Comment

            • budm
              Badcaps Legend
              • Feb 2010
              • 40746
              • USA

              #206
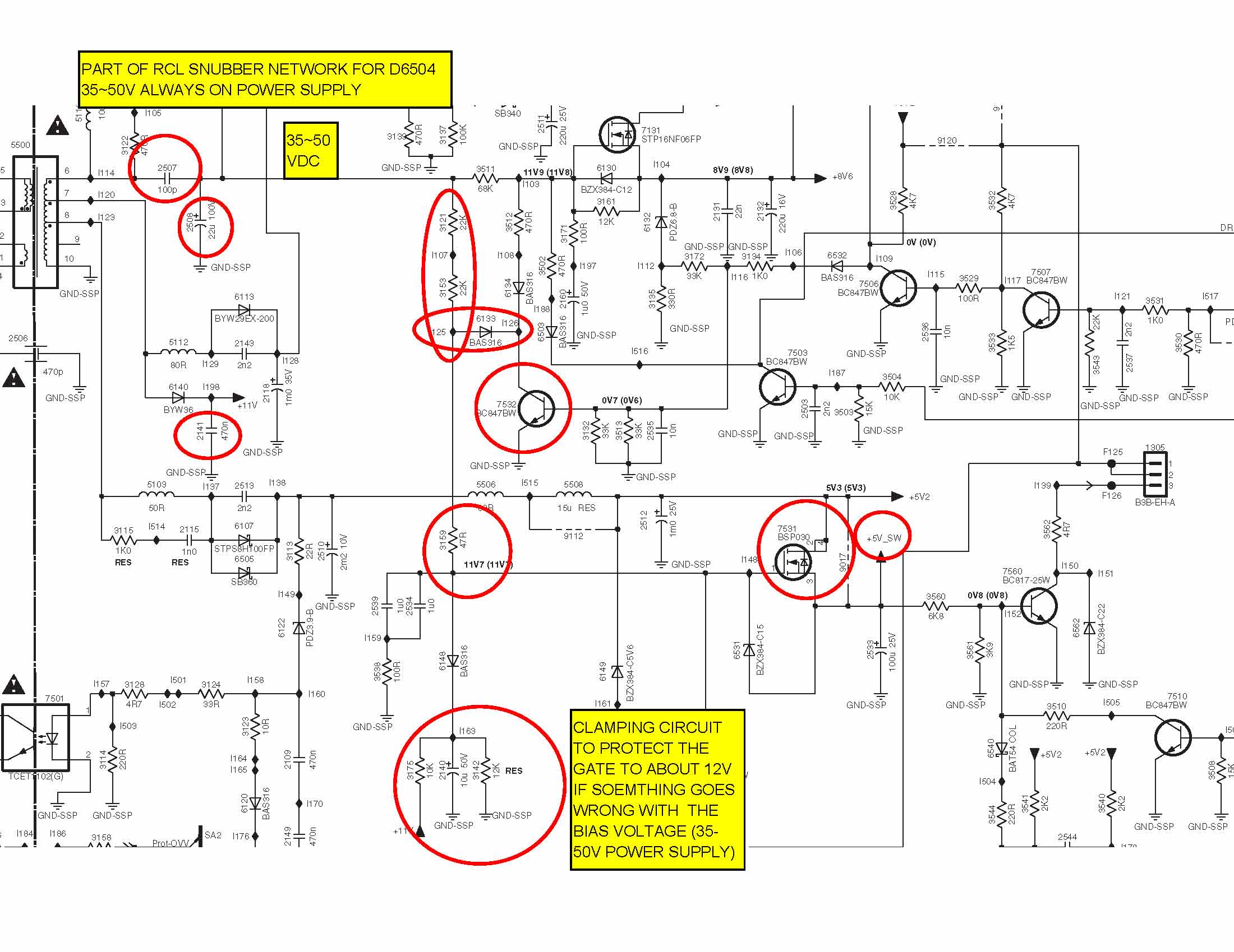
              Re: Philips 37PF7321/98 cannot turn on

              On that 11V line right at the Cathode of D6140, it only has 470nF filter so it will be very high frequency pulsing DC, it is not filter to steady DC unil it passes through 10K R3175 and filtered with C2140 10uF, so his meter will not show correct reading at the Cathode when he tries to measure that point.
              Q7531 +5_SW MOSFET is turn on and off by Q7532 whis is part or the PS_ON/OFF circuit Q7506, Q7507.
              Q7532 is normally on (it is OFF when TV is ON) when TV is OFF which will route the bias voltage through resistor R3121, 3153 for Q7531 through ground through D6133.
              THE 100PF 1KV cap is part of the RCL snubber network for D6504 which is for 35~50VDC (I do not exact value) which is used for Tuner.
              Attached Files
              Never stop learning
              Basic LCD TV and Monitor troubleshooting guides.
              http://www.badcaps.net/forum/showthr...956#post305956

              Voltage Regulator (LDO) testing:
              http://www.badcaps.net/forum/showthr...999#post300999

              Inverter testing using old CFL:
              http://www.badcaps.net/forum/showthr...er+testing+cfl

              Tear down pictures : Hit the ">" Show Albums and stories" on the left side
              http://s807.photobucket.com/user/budm/library/

              TV Factory reset codes listing:
              http://www.badcaps.net/forum/showthread.php?t=24809

              Comment

              • budm
                Badcaps Legend
                • Feb 2010
                • 40746
                • USA

                #207
                Re: Philips 37PF7321/98 cannot turn on

                If you redraw the circuit, then you will see the function of that C2507 100p 1KV cap, it is part of the snubber circuit.
                Attached Files
                Last edited by budm; 06-22-2014, 08:45 PM.
                Never stop learning
                Basic LCD TV and Monitor troubleshooting guides.
                http://www.badcaps.net/forum/showthr...956#post305956

                Voltage Regulator (LDO) testing:
                http://www.badcaps.net/forum/showthr...999#post300999

                Inverter testing using old CFL:
                http://www.badcaps.net/forum/showthr...er+testing+cfl

                Tear down pictures : Hit the ">" Show Albums and stories" on the left side
                http://s807.photobucket.com/user/budm/library/

                TV Factory reset codes listing:
                http://www.badcaps.net/forum/showthread.php?t=24809

                Comment

                • john_doe
                  Senior Member
                  • Apr 2013
                  • 192
                  • Malaysia

                  #208
                  Re: Philips 37PF7321/98 cannot turn on

                  How I wish I can understand what you guys are talking about.

                  Comment

                  • john_doe
                    Senior Member
                    • Apr 2013
                    • 192
                    • Malaysia

                    #209
                    Re: Philips 37PF7321/98 cannot turn on

                    Replaced 7101 and 7102. Fuse 1315 still popped.

                    The voltage at 1306 on main power board is 140vDC on pin 1 and -140vDC on pin 2. Negative probe to negative pin on big Cap.

                    But from post #37, it used to be 140vDC and -80vDC.

                    Looks like 7102 survive. Gate to Source is 9.35Kohm, Gate to Drain is 1Mohm, Source to Drain is 2Mohm.

                    7101 also looks ok.

                    What is wrong?
                    Last edited by john_doe; 06-23-2014, 07:02 AM.

                    Comment

                    • bammbammfran
                      Badcaps Veteran
                      • Apr 2014
                      • 476
                      • USA

                      #210
                      Re: Philips 37PF7321/98 cannot turn on

                      Something else in that area must have gone
                      Did you check all the resistors and diodes in that area before you reinstalled the parts ?

                      Comment

                      • bammbammfran
                        Badcaps Veteran
                        • Apr 2014
                        • 476
                        • USA

                        #211
                        Re: Philips 37PF7321/98 cannot turn on

                        check to see if 2152 is showing shorted

                        Comment

                        • bammbammfran
                          Badcaps Veteran
                          • Apr 2014
                          • 476
                          • USA

                          #212
                          Re: Philips 37PF7321/98 cannot turn on

                          a thought
                          if you bought the power mosfet with a bare metal large tab instead of a all black plastic one, Did you install an insulator behind it ?

                          like this
                          http://www.ebay.com/itm/100Pcs-TO-22...-/161076565624
                          Last edited by bammbammfran; 06-23-2014, 05:49 PM.

                          Comment

                          • john_doe
                            Senior Member
                            • Apr 2013
                            • 192
                            • Malaysia

                            #213
                            Re: Philips 37PF7321/98 cannot turn on

                            Originally posted by bammbammfran
                            a thought
                            if you bought the power mosfet with a bare metal large tab instead of a all black plastic one, Did you install an insulator behind it ?

                            like this
                            http://www.ebay.com/itm/100Pcs-TO-22...-/161076565624
                            Yes, there is a bare metal large tab behind the mosfet. I did not install an insulator behind it. So this is causing the short.

                            I have checked the 2 resistors and they are 470 ohm. The diode's resistance 10 Kohm only showed in 1 direction.
                            Attached Files

                            Comment

                            • bammbammfran
                              Badcaps Veteran
                              • Apr 2014
                              • 476
                              • USA

                              #214
                              Re: Philips 37PF7321/98 cannot turn on

                              Yes that is a big problem and hopefully the only one
                              Slide a piece of thin cardboard behind it for now

                              Comment

                              • john_doe
                                Senior Member
                                • Apr 2013
                                • 192
                                • Malaysia

                                #215
                                Re: Philips 37PF7321/98 cannot turn on

                                Originally posted by bammbammfran
                                Yes that is a big problem and hopefully the only one
                                Slide a piece of thin cardboard behind it for now
                                We got the power!

                                What can I say, you are the genius!

                                Ok. 7531 mosfet pin1 is 6v, pin 2 is 5v and pin 3 is 5v. The pad on the right of the trace cut is now 96vDC. The ground ref is the black circle in post #56.

                                7501 optocoupler's pin1 is 1v and pin 2 is 0v.
                                Last edited by john_doe; 06-24-2014, 07:23 AM.

                                Comment

                                • bammbammfran
                                  Badcaps Veteran
                                  • Apr 2014
                                  • 476
                                  • USA

                                  #216
                                  Re: Philips 37PF7321/98 cannot turn on

                                  I assume that 7531 was the original ?
                                  That should not have power to all pins with the gate wire disconnected
                                  SO, As I mentioned, when you grounded that to check it, you probably managed to get it to stick like the last one (right now it is stuck to on so your power supply relay probably won't turn off with the switch)
                                  This is why I said you should order another

                                  on the 96v !
                                  Start checking red circles for voltage
                                  greens are ground
                                  Attached Files

                                  Comment

                                  • john_doe
                                    Senior Member
                                    • Apr 2013
                                    • 192
                                    • Malaysia

                                    #217
                                    Re: Philips 37PF7321/98 cannot turn on

                                    Originally posted by bammbammfran
                                    I assume that 7531 was the original ?
                                    That should not have power to all pins with the gate wire disconnected
                                    SO, As I mentioned, when you grounded that to check it, you probably managed to get it to stick like the last one (right now it is stuck to on so your power supply relay probably won't turn off with the switch)
                                    This is why I said you should order another

                                    on the 96v !
                                    Start checking red circles for voltage
                                    greens are ground
                                    All red circles are 95v except one 125v.

                                    I have replaced a new 7531. Pin 1 is 6v, pin 2 is 5v and pin 3 is 5v. Same as old 7531.
                                    Attached Files
                                    Last edited by john_doe; 06-24-2014, 08:26 AM.

                                    Comment

                                    • bammbammfran
                                      Badcaps Veteran
                                      • Apr 2014
                                      • 476
                                      • USA

                                      #218
                                      Re: Philips 37PF7321/98 cannot turn on

                                      125 is too high since the 2508 cap is only rated for 100

                                      but I do not know why it is that high
                                      try checking the 5110 resistor

                                      5110 is not a resistor-- It is a 10Uh inductor or choke so you won't be able to read it for ohms
                                      Last edited by bammbammfran; 06-24-2014, 09:10 AM.

                                      Comment

                                      • bammbammfran
                                        Badcaps Veteran
                                        • Apr 2014
                                        • 476
                                        • USA

                                        #219
                                        Re: Philips 37PF7321/98 cannot turn on

                                        Originally posted by john_doe
                                        All red circles are 95v except one 125v.

                                        I have replaced a new 7531. Pin 1 is 6v, pin 2 is 5v and pin 3 is 5v. Same as old 7531.
                                        silly question
                                        are you sure it is 125 and 95 or did you maybe not see a decimal point which might make it 12.5 and 9.5 ?

                                        Comment

                                        • john_doe
                                          Senior Member
                                          • Apr 2013
                                          • 192
                                          • Malaysia

                                          #220
                                          Re: Philips 37PF7321/98 cannot turn on

                                          Originally posted by bammbammfran
                                          125 is too high since the 2508 cap is only rated for 100

                                          but I do not know why it is that high
                                          try checking the 5110 resistor

                                          5110 is not a resistor-- It is a 10Uh inductor or choke so you won't be able to read it for ohms
                                          Is the supply coming from the transformer?

                                          Comment

                                          Related Topics

                                          Collapse

                                          • JorKsX
                                            Philips 47pfl6008s wont turn on
                                            by JorKsX
                                            Hello. Got my hands on Philips 47pfl6008s/12.
                                            Problem is that it does not turn on. Last owner said the problem came slowly.
                                            One day did not respond to remote, had to unplug from AC and then back and it worked. next day had to disconnect 3-4 times before it turned on.
                                            And then it went into hours of unplugging and replugging until it turned on.
                                            When I plug AC into tv, it does not respond to "turn on" button or anything else.

                                            After 10-15minutes the TV starts blinking red LED twice.
                                            So it blinks twice, then waits 3 seconds, then again twice...
                                            02-13-2022, 03:36 PM
                                          • pajdek
                                            Lenovo Y700-17ISK turn on and off
                                            by pajdek
                                            Hello, i have some issues with my laptop Lenovo Y700-17ISK (motherboard BY511 NM-A541), it started when i turn on the laptop, but the lcd wont turn on, i then connected it via hdmi to tv and screen was ok. So i thought maybe lcd stripe is faulty, i removed the bottom cover, disconnected main battery, reset the cmos by disconnecting battery for 1 min, then slighty move the lcd stripe. Conncted power supply and tuned on my laptop, the lcd turn on, it started to load os, then it turn off, after a second it turn on, then after like 3 seconds turn off again, and so on. Removed power supply, waited...
                                            09-20-2023, 02:49 AM
                                          • ovrax
                                            Philips 55PUS6804/12 turn on & off (probably backlight issue)
                                            by ovrax
                                            Hello everyone,

                                            First of all, please excuse me as I'm quite new to this field.

                                            I have a Philips 55PUS6804/12 TV. It turns on and off instantly (backlight flash). I personally think it's a backlight issue (faulty LEDs). Could you help me confirm my diagnosis?

                                            I've checked and the T-CON seems to be fine. I disconnected one ribbon cable at a time at the bottom, but the problem persists.
                                            The Ambilight works perfectly and stays on.

                                            No sounds.

                                            Thanks in advance.
                                            08-25-2024, 04:33 AM
                                          • RdeveLabs
                                            MSI GF63 THIN 11UCX (MS-16R6) LAPTOP WON'T TURN ON AFTER RESTARTING
                                            by RdeveLabs
                                            To all the members here...

                                            Let me tell you a little bit about what happened to my laptop (MSI GF63 THIN 11UCX model: MS-16R6) that “maybe” you know how to solve this problem.

                                            So before this problem happened, my laptop was running smoothly. When I wanted to restart my laptop, it looked fine at first. But after I waited for this restart process to take a long time, until finally I panicked (because the restart process did not finish plus the laptop screen only showed a black screen), I immediately pressed and held the power button to force the laptop to turn off. But...
                                            05-05-2025, 04:59 AM
                                          • robante15
                                            Acer Aspire 4520 won't turn on after reboot
                                            by robante15
                                            Hello, I have an Acer Aspire 4520 from a couple of decades ago and I want to repair it solely for nostalgia.

                                            It happens that when I turn it on after having been disconnected for a long time, it turns on without problems, it tells me that the BIOS has been reset and that it will load the factory settings, if I tell it to continue, the computer turns on and everything works fine.

                                            The moment I turn it off and want to turn it back on a second time, or restart it and try to start it again, it no longer gives an image, and it no longer responds.

                                            If I remove the...
                                            04-06-2024, 06:50 PM
                                          • Loading...
                                          • No more items.
                                          Working...