I have a 7-year old Panasonic inverter refrigerator model NR-BY602XS that went from working normally to completely not cold air overnight (both freezer and refrigerator compartments...
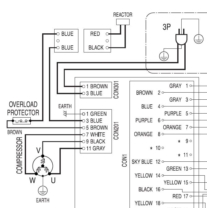
The service manual instruction on Self Diagnostic Test seems to indicated Compressor faulty or locked. But the compressor seems to be working with humming sound and vibrating at variable speed and noise level..
Everything else seems to be working normally - power cycled a few times has no effect. All the interior lights, and fan are working. I dismantled the interior panel to expose the evaporator and fan (the condenser unit is concealed). The fan runs continuously, but the evaporator does not feel cold at all.
I did a quick visual check on the controller board - nothing looked obviously bad. I check all the capacitors and all tested OK around the capacitance value.
After reading some online postings, one of the test I did was checking the temperature sensor - one attached at the evaporator coil, and the other at the ice-maker compartment. Both sensor read around 1.5kOhm at room temperature (around 26-28c). I dipped one of them into a cup ice-water, and the reading went up quickly, and stabilized at 5.8kOhm, after a minute or so.
I can't find the specs for this particular temperature sensor (see pic), but most the I found online indicate should be around 5kOhm at 25c and 16kOhm at 0c.
Could these temperature sensors be faulty and causing the fridge not cold completely?
Any other test to find out way it stopped cooling completely?
The service manual instruction on Self Diagnostic Test seems to indicated Compressor faulty or locked. But the compressor seems to be working with humming sound and vibrating at variable speed and noise level..
Everything else seems to be working normally - power cycled a few times has no effect. All the interior lights, and fan are working. I dismantled the interior panel to expose the evaporator and fan (the condenser unit is concealed). The fan runs continuously, but the evaporator does not feel cold at all.
I did a quick visual check on the controller board - nothing looked obviously bad. I check all the capacitors and all tested OK around the capacitance value.
After reading some online postings, one of the test I did was checking the temperature sensor - one attached at the evaporator coil, and the other at the ice-maker compartment. Both sensor read around 1.5kOhm at room temperature (around 26-28c). I dipped one of them into a cup ice-water, and the reading went up quickly, and stabilized at 5.8kOhm, after a minute or so.
I can't find the specs for this particular temperature sensor (see pic), but most the I found online indicate should be around 5kOhm at 25c and 16kOhm at 0c.
Could these temperature sensors be faulty and causing the fridge not cold completely?
Any other test to find out way it stopped cooling completely?
Comment