TCL 65S517 No Backlight, Picture and Sound OK

Collapse
X
 
  • Time
  • Show
Clear All
new posts
  • budm
    Badcaps Legend
    • Feb 2010
    • 40746
    • USA

    #21
    Re: TCL 65S517 No Backlight, Picture and Sound OK

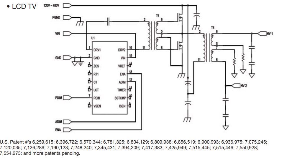
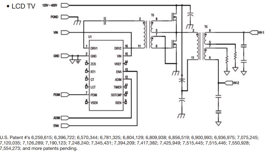
    TS3 is the Gate drive transformer for driving the MOSFET's QW3, 4.
    The primary side of TS3 is driven by that LED driver IC U601. I would not remove TS3 at this point.

    Need to look up the specsheet of U601 to locate the VCC pin and ENA pins to find out what Voltage it has on those pins.
    Never stop learning
    Basic LCD TV and Monitor troubleshooting guides.
    http://www.badcaps.net/forum/showthr...956#post305956

    Voltage Regulator (LDO) testing:
    http://www.badcaps.net/forum/showthr...999#post300999

    Inverter testing using old CFL:
    http://www.badcaps.net/forum/showthr...er+testing+cfl

    Tear down pictures : Hit the ">" Show Albums and stories" on the left side
    http://s807.photobucket.com/user/budm/library/

    TV Factory reset codes listing:
    http://www.badcaps.net/forum/showthread.php?t=24809

    Comment

    • rebelkustoms
      Senior Member
      • Sep 2015
      • 150
      • USA

      #22
      Re: TCL 65S517 No Backlight, Picture and Sound OK

      Originally posted by budm
      TS3 is the Gate drive transformer for driving the MOSFET's QW3, 4.
      The primary side of TS3 is driven by that LED driver IC U601. I would not remove TS3 at this point.

      Need to look up the specsheet of U601 to locate the VCC pin and ENA pins to find out what Voltage it has on those pins.
      OK will do, I checked the pins LED driver pins at the plug and with the set on and showing picture but no backlight I am getting no voltage on any of those pins. I am going to look up the sheet on U601 and check those pins

      Comment

      • nomoresonys
        Badcaps Legend
        • Jan 2013
        • 12306
        • U.S.

        #23
        Re: TCL 65S517 No Backlight, Picture and Sound OK

        It's going well, looks like you have isolated the issue to the powerboard.

        Comment

        • rebelkustoms
          Senior Member
          • Sep 2015
          • 150
          • USA

          #24
          Re: TCL 65S517 No Backlight, Picture and Sound OK

          Originally posted by budm
          TS3 is the Gate drive transformer for driving the MOSFET's QW3, 4.
          The primary side of TS3 is driven by that LED driver IC U601. I would not remove TS3 at this point.

          Need to look up the specsheet of U601 to locate the VCC pin and ENA pins to find out what Voltage it has on those pins.
          I pulled the spec sheet. I see the ENA pin, but which would be considered the VCC pins? Would it be one or both of those top driver pins? Sorry I dont read a ton of schematics. Mostly only on Pinball Machines.
          Attached Files

          Comment

          • budm
            Badcaps Legend
            • Feb 2010
            • 40746
            • USA

            #25
            Re: TCL 65S517 No Backlight, Picture and Sound OK

            So what is the P/N of the IC?
            Vin = vcc
            Last edited by budm; 10-12-2020, 01:38 PM.
            Never stop learning
            Basic LCD TV and Monitor troubleshooting guides.
            http://www.badcaps.net/forum/showthr...956#post305956

            Voltage Regulator (LDO) testing:
            http://www.badcaps.net/forum/showthr...999#post300999

            Inverter testing using old CFL:
            http://www.badcaps.net/forum/showthr...er+testing+cfl

            Tear down pictures : Hit the ">" Show Albums and stories" on the left side
            http://s807.photobucket.com/user/budm/library/

            TV Factory reset codes listing:
            http://www.badcaps.net/forum/showthread.php?t=24809

            Comment

            • rebelkustoms
              Senior Member
              • Sep 2015
              • 150
              • USA

              #26
              Re: TCL 65S517 No Backlight, Picture and Sound OK

              OZ9976AGN
              Intelligent Lighting
              Offline LCD Controller

              Comment

              • rebelkustoms
                Senior Member
                • Sep 2015
                • 150
                • USA

                #27
                Re: TCL 65S517 No Backlight, Picture and Sound OK

                Originally posted by budm
                So what is the P/N of the IC?
                Vin = vcc
                So if I am testing this right as per the picture i drew on, neither of those pin have voltage. I was guessing that 1 on the board denotes 1st pin on that IC.
                Attached Files

                Comment

                • R_J
                  Badcaps Legend
                  • Jun 2012
                  • 9607
                  • Canada

                  #28
                  Re: TCL 65S517 No Backlight, Picture and Sound OK

                  If you follow the trace from pin 15, it connects to J5 & J43, that is ground. I would check pin3 for VCC and pin4 for enable (BL_on)
                  Check the voltage between hot ground (L602) and VBUS+ (L601)
                  Last edited by R_J; 10-12-2020, 08:44 PM.

                  Comment

                  • rebelkustoms
                    Senior Member
                    • Sep 2015
                    • 150
                    • USA

                    #29
                    Re: TCL 65S517 No Backlight, Picture and Sound OK

                    Originally posted by R_J
                    If you follow the trace from pin 15, it connects to J5 & J43, that is ground. I would check pin3 for VCC and pin4 for enable (BL_on)
                    So if I read that right I get P3-12v and P4-3.2V. The pins I tested are noted on the pic.
                    Attached Files

                    Comment

                    • R_J
                      Badcaps Legend
                      • Jun 2012
                      • 9607
                      • Canada

                      #30
                      Re: TCL 65S517 No Backlight, Picture and Sound OK

                      I think I spotted your problem... R649 (22Ω?) is blown/missing, it should be the same as R652. I suspect QW4 could be damaged as well

                      So you have good vcc and the enable is also ok, Check the VBUS voltage, careful this is the hot side of the power supply.
                      Attached Files
                      Last edited by R_J; 10-12-2020, 09:02 PM.

                      Comment

                      • rebelkustoms
                        Senior Member
                        • Sep 2015
                        • 150
                        • USA

                        #31
                        Re: TCL 65S517 No Backlight, Picture and Sound OK

                        Originally posted by R_J
                        I think I spotted your problem... R649 (22Ω?) is blown/missing, it should be the same as R652. I suspect QW4 could be damaged as well

                        So you have good vcc and the enable is also ok, Check the VBUS voltage, careful this is the hot side of the power supply.
                        Sorry the pic was kinda bad I guess. R649 is present and reads 22 ohm just like R652. I am not really sure where to check the VBUS voltage at and where to put my ground probe, Iam doing a few things I have never done yet here. Lead me there and I can test them.
                        Attached Files

                        Comment

                        • R_J
                          Badcaps Legend
                          • Jun 2012
                          • 9607
                          • Canada

                          #32
                          Re: TCL 65S517 No Backlight, Picture and Sound OK

                          ok, it was just the picture. you can check the VBUS voltage between hot ground (L602) and VBUS+ (L601) But I suspect it is ok.

                          Then have a good look at C620 (or check it if you have a cap tester) This cap when bad usually bulges, but might not and could still be open, if it is open the circuit will not work because it is the ground return for TS2

                          One thing to check is the LED1+ voltage going to the led's, You must monitor this voltage as you turn ON the tv and see if there is any voltage present. If the led string is open, this voltage will come up fast and then drop to 0v due to the protection circuit. If you tried to check it once the tv was on and it check 0 volts, it may be due to open led's
                          Last edited by R_J; 10-12-2020, 09:51 PM.

                          Comment

                          • rebelkustoms
                            Senior Member
                            • Sep 2015
                            • 150
                            • USA

                            #33
                            Re: TCL 65S517 No Backlight, Picture and Sound OK

                            Originally posted by R_J
                            ok, it was just the picture. you can check the VBUS voltage between hot ground (L602) and VBUS+ (L601) But I suspect it is ok.

                            Then have a good look at C620 (or check it if you have a cap tester) This cap when bad usually bulges, but might not and could still be open, if it is open the circuit will not work because it is the ground return for TS2

                            One thing to check is the LED1+ voltage going to the led's, You must monitor this voltage as you turn ON the tv and see if there is any voltage present. If the led string is open, this voltage will come up fast and then drop to 0v due to the protection circuit. If you tried to check it once the tv was on and it check 0 volts, it may be due to open led's
                            Checked the Vbus voltage and I get 396V between those 2. I desoldered the C620 cap. Im not really sure how to test one of these, I usually test the round electrolytics. I do have an ESR meter and a Klein DMM with capacitance but there is no farad values on the top of this cap. It doesnt look bulged but I cant find a video on how to test these that is in english.
                            Attached Files

                            Comment

                            • rebelkustoms
                              Senior Member
                              • Sep 2015
                              • 150
                              • USA

                              #34
                              Re: TCL 65S517 No Backlight, Picture and Sound OK

                              I think I found the Data Sheet. I decoded the cap to this line and it looks as if it should read .027uf. In capacitance mode on the meter it reads 26.96 nf so am I safe to assume it may be good?
                              Attached Files
                              Last edited by rebelkustoms; 10-12-2020, 11:21 PM.

                              Comment

                              • nomoresonys
                                Badcaps Legend
                                • Jan 2013
                                • 12306
                                • U.S.

                                #35
                                Re: TCL 65S517 No Backlight, Picture and Sound OK

                                That capacitance is ok.

                                Comment

                                • rebelkustoms
                                  Senior Member
                                  • Sep 2015
                                  • 150
                                  • USA

                                  #36
                                  Re: TCL 65S517 No Backlight, Picture and Sound OK

                                  Originally posted by R_J
                                  ok, it was just the picture. you can check the VBUS voltage between hot ground (L602) and VBUS+ (L601) But I suspect it is ok.

                                  Then have a good look at C620 (or check it if you have a cap tester) This cap when bad usually bulges, but might not and could still be open, if it is open the circuit will not work because it is the ground return for TS2

                                  One thing to check is the LED1+ voltage going to the led's, You must monitor this voltage as you turn ON the tv and see if there is any voltage present. If the led string is open, this voltage will come up fast and then drop to 0v due to the protection circuit. If you tried to check it once the tv was on and it check 0 volts, it may be due to open led's
                                  I soldered that good cap back on the board today and checked voltage at the LED1+ when powering on. Voltage bobs around in the MV range a little then settles on 0.7 V. So not really any voltage spike to speak of.

                                  Comment

                                  • budm
                                    Badcaps Legend
                                    • Feb 2010
                                    • 40746
                                    • USA

                                    #37
                                    Re: TCL 65S517 No Backlight, Picture and Sound OK

                                    Hi RJ, Do you have the link to that good clear pictures of the power supply board?
                                    It is strange that the VCC pin does not match the app schematic of the IC.
                                    At this point it looks like the IC is not driving the TS3 Gate drive transformer.
                                    Never stop learning
                                    Basic LCD TV and Monitor troubleshooting guides.
                                    http://www.badcaps.net/forum/showthr...956#post305956

                                    Voltage Regulator (LDO) testing:
                                    http://www.badcaps.net/forum/showthr...999#post300999

                                    Inverter testing using old CFL:
                                    http://www.badcaps.net/forum/showthr...er+testing+cfl

                                    Tear down pictures : Hit the ">" Show Albums and stories" on the left side
                                    http://s807.photobucket.com/user/budm/library/

                                    TV Factory reset codes listing:
                                    http://www.badcaps.net/forum/showthread.php?t=24809

                                    Comment

                                    • rebelkustoms
                                      Senior Member
                                      • Sep 2015
                                      • 150
                                      • USA

                                      #38
                                      Re: TCL 65S517 No Backlight, Picture and Sound OK

                                      Originally posted by budm
                                      Hi RJ, Do you have the link to that good clear pictures of the power supply board?
                                      It is strange that the VCC pin does not match the app schematic of the IC.
                                      At this point it looks like the IC is not driving the TS3 Gate drive transformer.
                                      Budm, Not sure if this will help but here is a link to the board on the web, and I have included new photos of my board that are about as bright and resolute as I can get them. Let me know if you I can help in any other way.

                                      https://www.shopjimmy.com/tcl-08-l17...-supply-board/
                                      Attached Files
                                      Last edited by rebelkustoms; 10-13-2020, 06:37 PM.

                                      Comment

                                      • rebelkustoms
                                        Senior Member
                                        • Sep 2015
                                        • 150
                                        • USA

                                        #39
                                        Re: TCL 65S517 No Backlight, Picture and Sound OK

                                        Here is a better photo if you are trying to follow traces from the IC
                                        Attached Files

                                        Comment

                                        • rebelkustoms
                                          Senior Member
                                          • Sep 2015
                                          • 150
                                          • USA

                                          #40
                                          Re: TCL 65S517 No Backlight, Picture and Sound OK

                                          I think we may have run out of road on this one. I am out of ideas I may hunt around for a PS on ebay or something.

                                          Comment

                                          Related Topics

                                          Collapse

                                          • Tr0ll
                                            T-con suspect issue. Both ribbon cables no picture. One ribbon cable ok. (58pus8545)
                                            by Tr0ll
                                            Hi guys! I realized you have a lot of knowledge here so i am hoping you could point me in right direction with my odd issue.

                                            The Tv is a Philips 58PUS8545/12, it had no picture but working backlights.

                                            Original T-con:
                                            Opened the Tv and tested to unplug one ribbon cable at a time. With this test i could see that i got fine picture on both halves as long as there was only one ribbon cable connected, with two connected picture were gone.

                                            First replacement T-con:

                                            I thought it might be t-con and ordered new t-con from china(supposedly tested)...
                                            10-07-2023, 07:48 PM
                                          • Mgiffune
                                            Samsung UN60EH6000F Black Screen, Backlight and Sound Good. Power Cycle Returns Picture
                                            by Mgiffune
                                            I have a 60 inch Samsung UN60EH6000F flatscreen TV. The screen went black a few months ago Sound is good, backlight is good, no menu. I replaced the TCon board with a used board purchased from Ebay. It worked fine for a 3-4 months, then the screen started ‘fading' back. Once again, sound is good, backlight is good, no menu. However, this time the picture looks fine for about 10-15 minutes, then fades back. If I power cycle the TV, the display reappears, for another 10-15 minutes, then fades black again. Repeatable ever time.

                                            I ordered a supposedly ‘new' Tcon board this time, and
                                            ...
                                            06-09-2024, 10:28 AM
                                          • Ierwin
                                            Samsung UE60KU6079 backlight okay mainboard responsive, no picture, no sound
                                            by Ierwin
                                            Hello everyone,
                                            Ive got a UE60KU6079 on the workbench that is giving me some headaches trying to troubleshoot.
                                            The previous owner stated that there had been white dots on the screen which from the description sounded like some lenses fell of the backlight LEDs.
                                            He had opened the TV from the back, trying to get to the backlight, supposedly gave up, reassebled everything and gave the TV to me.
                                            I expected the worst like ripped COF cables or a cracked panel but could not find anything like that yet.
                                            Anyway I still fully expect that there has been something seriously damaged...
                                            05-13-2025, 03:31 PM
                                          • ChaosLegionnaire
                                            what i went through dealing with my mobo with dead onboard sound!
                                            by ChaosLegionnaire
                                            so i took out one of my spare gigabyte ep35-ds3r mobos from storage for use to do some cpu, ram and video card testing of stuff i bought from ebay and got for free from momaka. he bought 50 e8400 cpus for cheap from ebay some years ago and i decided to help him relieve him of some of his supply since he had waaaay too many!! what did we say about hoarding too much stuff and depriving others of them?! *cough* socialism *cough* lol!

                                            i had to blow some dust off the board and heatsinks with the datavac as i didnt clean it up before putting it in storage. after finishing...
                                            09-13-2022, 09:02 AM
                                          • JohnML1975
                                            Samsung UA50TU8000W no picture and no sound
                                            by JohnML1975
                                            Hello All

                                            have seen posts on this model in here but my problem sounded different so thought i would create a thread

                                            TV will not turn on
                                            There is no standby light
                                            When I press ON button for remote the red standby light does flash but no picture and no sound
                                            From the back of the TV I can see the red light on the back of the mother board
                                            Holding torch to the screen I cannot see a picture

                                            I removed the back cover
                                            Observing the boards I cannot see any damage
                                            I disconnected the main board from the power supply
                                            the back...
                                            08-30-2025, 09:40 PM
                                          • Loading...
                                          • No more items.
                                          Working...