Re: Panasonic Inverter Refrigerator model NR-BY602XS - suddenly not cold overnight
Some info I found about Panasonic Inverter compressor:
http://web.mit.edu/parmstr/Public/x/...onsumption.htm
Panasonic Inverter Refrigerator model NR-BY602XS - suddenly not cold overnight
Collapse
X
-
Re: Panasonic Inverter Refrigerator model NR-BY602XS - suddenly not cold overnight
i doubt most meters will give decent readings on a high frequency drive.Leave a comment:
-
Re: Panasonic Inverter Refrigerator model NR-BY602XS - suddenly not cold overnight
I see a couple of problem with the power to the compressor
The compressor data label clearly state that the voltage is 240 volts
Why are you only getting 160 volts number one
Why is your amperage look low to me this might be issues number 2
Issues number 3 is you say that when the compressor run it is not very cool and the heat comes from the condenser coil is not very hot I being to think that something might be wrong with the compressor or your meter device or you might have a gas leak
Does this unit have a data plate on it if it does can you post a picture of itLast edited by sam_sam_sam; 04-26-2020, 09:22 AM.Leave a comment:
-
Re: Panasonic Inverter Refrigerator model NR-BY602XS - suddenly not cold overnight
The MIP414MD is a good part number but it a some kind-a power switching power supply regulator
You have not found something like a IGBT module module mount in the case some whereLeave a comment:
-
Re: Panasonic Inverter Refrigerator model NR-BY602XS - suddenly not cold overnight
Here's the link for 1 such pic that caused this error: https://we.tl/t-lLIq3zXP41
** I just did a resized from 15mb to 4mb, then it loads OK.
I tested with your linked picture and it works fine now.
But this one was 4MB, does the 15MB version upload fine too now or does it still error out?Leave a comment:
-
-
Re: Panasonic Inverter Refrigerator model NR-BY602XS - suddenly not cold overnight
How bright do the light bulb get this amperage seems a little low
Can you do this test with 100 watt bulbs if possibleLeave a comment:
-
Re: Panasonic Inverter Refrigerator model NR-BY602XS - suddenly not cold overnight
Now you need to know if the amperage is the same on three legs with the lights bulbs and with the compressor
Not all amp probes are the same when it comes to reading VFD drive output because of the waveform that a VFD drive has some of can not read it
But if your amp probe can read it there should not be more than 10% different between legs
If the test results are very close to the same then it could be that the compressor has issues or you have a seal system fault of some kind
Or
You could have a problem with the inverter not working correctly
_______________start-up_____1-minute later
Pin 7(W):_______~0.265A_____~0.235A
Pin 9(V): _______~0.258A_____~0.223A
Pin11(U):_______~0.276A_____~0.210A
So all the pins started a little higher, and lowered down a little bit after a minute or so.
Are these readings valid? And of so do they look normal?Last edited by beetle1303; 04-25-2020, 09:11 AM.Leave a comment:
-
Re: Panasonic Inverter Refrigerator model NR-BY602XS - suddenly not cold overnight
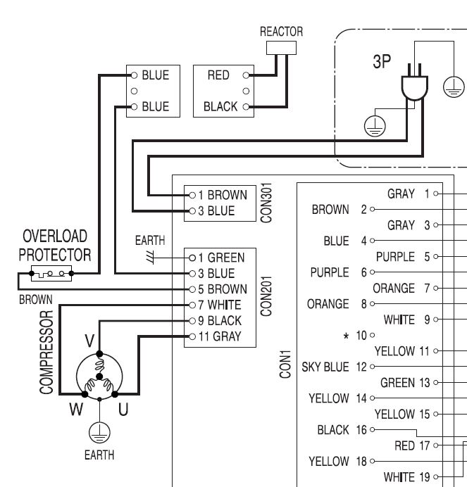
Thank you for confirming the wiring diagram.
I have done the reading across each leg:
1) 1 & 2: 160.x vac
2) 1 & 3: 160.x vac
3) 2 & 3: 160.x vac
I did it once only but taken a few readings over a few minutes. Each time the readings are about the same.
Just to be sure:
I inserted a straighten paper-clip each into pin 7, 9 and 11, and measure the voltages across 7 & 9, 7 & 11, 9 & 11. Hope this is correct way to measure them.
Not all amp probes are the same when it comes to reading VFD drive output because of the waveform that a VFD drive has some of can not read it
But if your amp probe can read it there should not be more than 10% different between legs
If the test results are very close to the same then it could be that the compressor has issues or you have a seal system fault of some kind
Or
You could have a problem with the inverter not working correctlyLast edited by sam_sam_sam; 04-24-2020, 11:11 AM.Leave a comment:
-
Re: Panasonic Inverter Refrigerator model NR-BY602XS - suddenly not cold overnight
the lamps are in series-pair so you would need more than 480v to damage them.Leave a comment:
-
Re: Panasonic Inverter Refrigerator model NR-BY602XS - suddenly not cold overnight
Yes you could do that way as long as the voltage rating on light bulbs is above what the voltage of compressor would see
I would still read the voltage across each leg
1 and 3 / 2 and 3 / 1 and 2 the voltages should be no more than 10% different from each other unless there is a high leg
I have done the reading across each leg:
1) 1 & 2: 160.x vac
2) 1 & 3: 160.x vac
3) 2 & 3: 160.x vac
I did it once only but taken a few readings over a few minutes. Each time the readings are about the same.
Just to be sure:
I inserted a straighten paper-clip each into pin 7, 9 and 11, and measure the voltages across 7 & 9, 7 & 11, 9 & 11. Hope this is correct way to measure them.Last edited by beetle1303; 04-24-2020, 07:49 AM.Leave a comment:
-
Re: Panasonic Inverter Refrigerator model NR-BY602XS - suddenly not cold overnight
Yes you could do that way as long as the voltage rating on light bulbs is above what the voltage of compressor would see
I would still read the voltage across each leg
1 and 3 / 2 and 3 / 1 and 2 the voltages should be no more than 10% different from each other unless there is a high legLeave a comment:
-
Re: Panasonic Inverter Refrigerator model NR-BY602XS - suddenly not cold overnight
Thank you.Leave a comment:
-
Re: Panasonic Inverter Refrigerator model NR-BY602XS - suddenly not cold overnight
you could wire them so one end of each lamp is joined, and the other end is hooked to the V,W & U signals like in the diagram,
that would be pins 7,9 & 11Leave a comment:
-
Re: Panasonic Inverter Refrigerator model NR-BY602XS - suddenly not cold overnight
I should expect to see these bulbs flickering indicating varying power driving the compressor?Leave a comment:
-
Re: Panasonic Inverter Refrigerator model NR-BY602XS - suddenly not cold overnight
maybe you could use 3 lamp bulbs in parallel to the compressor coils to see if all 3 are being driven.Leave a comment:
-
Re: Panasonic Inverter Refrigerator model NR-BY602XS - suddenly not cold overnight
The only one with heatsink is this giant one labelled IMP301 on the board. The only IGBT I can see but without heatsink is MIP414MD.
The 3 compressor pins all has resistance of 9.4 ohm between them. When powered up, all has around 160.3-5 between them.
I have powered up the fridge, and turned on the quick freeze function, and the freezer control to max. The compressor started up with normal low temperature, low vibration and low humming sound. After about 30 minutes, it became quite hot (but not too hot to touch) with medium pitch whining sound, but vibration remained low.
The inlet and outlet tubes to and fro the compressor both feel slightly hot and slightly cold respectively. Evaporator fan is running. Can feel the refrigerant flowing through when placing fingers onto the evaporator coil, but not cold at all.
I gave the compressor a few bangs with a gloved fist, the whining pitch seemed to have lowered, then returned to same level after a short while.Leave a comment:
-
Re: Panasonic Inverter Refrigerator model NR-BY602XS - suddenly not cold overnight
OK
I have repaired VFD drive before
This has to have a IGBT module some where on that board more than likely there is a heat sink on top of it post the part number of it
Try reading the voltage on terminals 1 and 3 / 2 and 3 / 1 and 2 on the compressor terminals
The voltage readings should be very close to each other
If you can not get a stable reading then try read the input voltage at board if you do not get a stable reading there then you have some problem at IGBT moduleLeave a comment:
-
-
Re: Panasonic Inverter Refrigerator model NR-BY602XS - suddenly not cold overnight
or fix the board?Leave a comment:
Related Topics
Collapse
-
by SuperAmanHi, I have a Hitachi Refrigerator R-Z270AUN7KV. The fridge is on the bottom and the freezer is on the top. My problem is no matter what setting (1-9) the freezer is, the fridge is not getting cold but the freezer is always cold. I have tried all combination of settings for the fridge (Min, Mid, Max) but nothing. Fridge is always hot now. Before it would sometimes do this but now always fridge is hot. I believe the service center peeled some of the foil from the thermostat and that seemed to help a few years back. I replaced the thermostat recently and it worked off and on for a few weeks but now...
-
by x_orange90_xI just got this tv today and it appeared to have no backlight on. After taking off the rear cover and checking again in the dark I can see that MAYBE one quadrant is lit.. But still it's quite dim. I was going to check the LEDs with my tester, and I found LED 1 and LED 2 + pins on the wire from the inverter, but I couldn't identify a ground. Nonetheless I tried using a mounting screw on the inverter board and also the chassis as ground but regardless my tester reads 300 which is what it reads when there is no voltage draw.
I don't know how exactly to test the inverter itself. Is it... -
by GentianI have a tripp-lite aspint 3636vr inverter charger which blow some of mosfet transistors. I replaced them repaired also the driver circuit and tested but the mosfets burn again.
It work very well as inverter and also as charger if I let the rear switch in auto mode (inverter) and charger only(charging) but in auto when I connect the feed line 220V AC first time it pass ok to line and start charging the batteries but when I remove the feed line it pass to inverter mode and if I do it again the second time when passing from charging to inverter the Main transformer start making a...03-06-2023, 07:07 AM -
by valvashonFor some reason I'm just not going to let this 19" TV defeat me. I guess because I have a schematic to work from I feel like I'm oh so close.
History- while adding a turn-on circuit I let a small screw roll under the power board. Worked through all of that circuitry, probably replacing a MOSFET and PWM controller that were not bad but I was following the service manual. Finally figured out that the power supply is in working order when the inverter section (for the backlights) is disconnected. When the +12 supply to the inverter is disconnected the +12 and +5 will come up...1 Photo -
by eccerr0rIf I had a solar fed grid tie inverter (GTI), a modified sine wave inverter, and a power outage occurred, what would happen if you disconnected mains, backfed the modified sinewave inverter (MSI) into house power, and hooked up the GTI to the output of the MSI, would it work?
Next thing is trying to charge the batteries using solar power, but that's another issue ... - Loading...
- No more items.
Leave a comment: