Sony KDL-55EX620 10 blinks

Collapse
X
 
  • Time
  • Show
Clear All
new posts
  • Diah
    Badcaps Legend
    • Feb 2013
    • 6594
    • Germany

    #21
    Re: Sony KDL-55EX620 10 blinks

    Originally posted by neilc6
    S24cs0?
    okay we get it... please wait and don't do any things until i write back for you again..

    Comment

    • neilc6
      Badcaps Legend
      • Nov 2015
      • 1550
      • Canada

      #22
      Re: Sony KDL-55EX620 10 blinks

      Two sets of 4 wires going to the edge lit backlights from the middle board. With my LED tester figured out the wiring and measured 191V on each of the 4 pairs and they lit up as well.

      Comment

      • Diah
        Badcaps Legend
        • Feb 2013
        • 6594
        • Germany

        #23
        Re: Sony KDL-55EX620 10 blinks

        give me please the exact link you downloaded before the update you run on the set--

        Comment

        • nomoresonys
          Badcaps Legend
          • Jan 2013
          • 12331
          • U.S.

          #24
          Re: Sony KDL-55EX620 10 blinks

          So your sticker numbers match on both mainboards?

          Comment

          • Diah
            Badcaps Legend
            • Feb 2013
            • 6594
            • Germany

            #25
            Re: Sony KDL-55EX620 10 blinks

            Originally posted by nomoresonys
            So your sticker numbers match on both mainboards?
            please don't disturbed conversation we want to to solve this 10 blinking error..

            Originally posted by neilc6
            S24cs0?
            resolder the 2EPROM from your old ( original ) board to the replacement one

            Comment

            • neilc6
              Badcaps Legend
              • Nov 2015
              • 1550
              • Canada

              #26
              Re: Sony KDL-55EX620 10 blinks

              Both boards are A184571B.

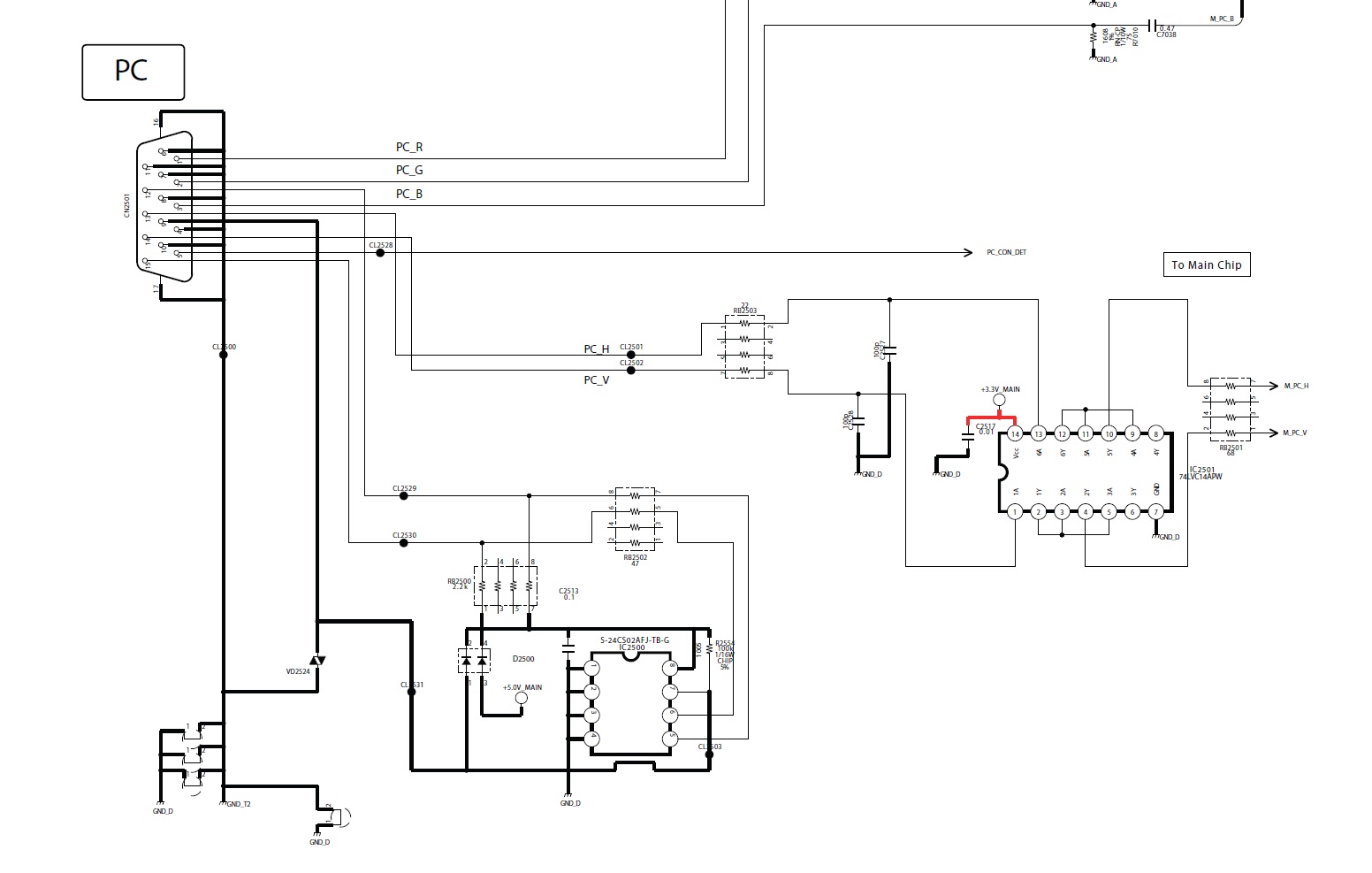
              I have a CH341A programmer with clips but there is no profile for IC2500 S-24CS02AFJ-TB-G listed in the service manual. Tried something close but couldn't read anything off the old board.

              The schematic shows this chip interfacing only to the VGA connector. Little hesitant on swapping this IC since I may want to return the replacement board.
              Attached Files

              if you find these attachements useful please consider making a small donation to the site

              Last edited by neilc6; 12-28-2019, 06:19 PM.

              Comment

              • nomoresonys
                Badcaps Legend
                • Jan 2013
                • 12331
                • U.S.

                #27
                Re: Sony KDL-55EX620 10 blinks

                Good call, I think diah's on the wrong path yet again. If the boards are a match there's no need to change out IC.
                Last edited by nomoresonys; 12-28-2019, 06:26 PM.

                Comment

                • budm
                  Badcaps Legend
                  • Feb 2010
                  • 40746
                  • USA

                  #28
                  Re: Sony KDL-55EX620 10 blinks

                  Originally posted by neilc6
                  Both boards are A184571B.

                  I have a CH341A programmer with clips but there is no profile for IC2500 S-24CS02AFJ-TB-G listed in the service manual. Tried something close but couldn't read anything off the old board.

                  The schematic shows this chip interfacing only to the VGA connector. Little hesitant on swapping this IC since I may want to return the replacement board.
                  It is for the EDID info so the source can tell what the capability of the TV is.
                  https://www.extron.com/article/uedid
                  Never stop learning
                  Basic LCD TV and Monitor troubleshooting guides.
                  http://www.badcaps.net/forum/showthr...956#post305956

                  Voltage Regulator (LDO) testing:
                  http://www.badcaps.net/forum/showthr...999#post300999

                  Inverter testing using old CFL:
                  http://www.badcaps.net/forum/showthr...er+testing+cfl

                  Tear down pictures : Hit the ">" Show Albums and stories" on the left side
                  http://s807.photobucket.com/user/budm/library/

                  TV Factory reset codes listing:
                  http://www.badcaps.net/forum/showthread.php?t=24809

                  Comment

                  • neilc6
                    Badcaps Legend
                    • Nov 2015
                    • 1550
                    • Canada

                    #29
                    Re: Sony KDL-55EX620 10 blinks

                    I strongly suspect you need to match the model/panel type since this board is used in multiple models. The supplier I bought this from (they had 5 in stock) just groups them together since they have the same part number. It's a crap shoot if you get a compatible one.

                    From the service/training manual, 6 blinks is backlight error and there are 24 different panel options in the service menu. For my model, there are still two different panels.

                    On another note - Netflix is no longer supported on this model from Dec 1 2019 adding to the list of removed apps which includes both YouTube and Amazon Prime.
                    Attached Files

                    if you find these attachements useful please consider making a small donation to the site

                    Last edited by neilc6; 12-28-2019, 07:00 PM.

                    Comment

                    • budm
                      Badcaps Legend
                      • Feb 2010
                      • 40746
                      • USA

                      #30
                      Re: Sony KDL-55EX620 10 blinks

                      https://www.badcaps.net/forum/attach...8&d=1577566778
                      So what P/N number did you go by, the P/N PCB assembly as printed on the sticker?
                      Never stop learning
                      Basic LCD TV and Monitor troubleshooting guides.
                      http://www.badcaps.net/forum/showthr...956#post305956

                      Voltage Regulator (LDO) testing:
                      http://www.badcaps.net/forum/showthr...999#post300999

                      Inverter testing using old CFL:
                      http://www.badcaps.net/forum/showthr...er+testing+cfl

                      Tear down pictures : Hit the ">" Show Albums and stories" on the left side
                      http://s807.photobucket.com/user/budm/library/

                      TV Factory reset codes listing:
                      http://www.badcaps.net/forum/showthread.php?t=24809

                      Comment

                      • neilc6
                        Badcaps Legend
                        • Nov 2015
                        • 1550
                        • Canada

                        #31
                        Re: Sony KDL-55EX620 10 blinks

                        Part number on sticker is A184571B.

                        Didn't order from shopjimmy but they only show one main board part number.

                        https://www.shopjimmy.com/sony-a-181...e-required.htm

                        What worked for me upgrading the firmware was turning on the TV, confirm green and amber flash, and then plugging in the USB drive. Flashed red and amber when complete after a couple of minutes but then the red led blinked instead of restarting.
                        Last edited by neilc6; 12-28-2019, 08:21 PM.

                        Comment

                        • nomoresonys
                          Badcaps Legend
                          • Jan 2013
                          • 12331
                          • U.S.

                          #32
                          Re: Sony KDL-55EX620 10 blinks

                          Your panel number matches one of the two in your sj link?

                          Comment

                          • budm
                            Badcaps Legend
                            • Feb 2010
                            • 40746
                            • USA

                            #33
                            Re: Sony KDL-55EX620 10 blinks

                            I still cannot find error code for 10-blink in the service manual or the training manual for this chassis.
                            Never stop learning
                            Basic LCD TV and Monitor troubleshooting guides.
                            http://www.badcaps.net/forum/showthr...956#post305956

                            Voltage Regulator (LDO) testing:
                            http://www.badcaps.net/forum/showthr...999#post300999

                            Inverter testing using old CFL:
                            http://www.badcaps.net/forum/showthr...er+testing+cfl

                            Tear down pictures : Hit the ">" Show Albums and stories" on the left side
                            http://s807.photobucket.com/user/budm/library/

                            TV Factory reset codes listing:
                            http://www.badcaps.net/forum/showthread.php?t=24809

                            Comment

                            • Davi.p
                              Hobbist Tech
                              • Sep 2009
                              • 4542
                              • Italy - Milan

                              #34
                              Re: Sony KDL-55EX620 10 blinks

                              Sony led TVs goes in protection with leds problems...

                              Comment

                              • neilc6
                                Badcaps Legend
                                • Nov 2015
                                • 1550
                                • Canada

                                #35
                                Re: Sony KDL-55EX620 10 blinks

                                Originally posted by nomoresonys
                                Your panel number matches one of the two in your sj link?
                                Panel is LTY550HJ0301. The shopjimmy link has 46" panels.


                                Originally posted by budm
                                I still cannot find error code for 10-blink in the service manual or the training manual for this chassis.
                                Yeah, the service manual only goes up to 8 blinks.
                                Attached Files

                                if you find these attachements useful please consider making a small donation to the site

                                Last edited by neilc6; 12-28-2019, 11:57 PM.

                                Comment

                                • Diah
                                  Badcaps Legend
                                  • Feb 2013
                                  • 6594
                                  • Germany

                                  #36
                                  Re: Sony KDL-55EX620 10 blinks

                                  Originally posted by neilc6
                                  Both boards are A184571B.

                                  I have a CH341A programmer with clips but there is no profile for IC2500 S-24CS02AFJ-TB-G listed in the service manual. Tried something close but couldn't read anything off the old board.

                                  The schematic shows this chip interfacing only to the VGA connector. Little hesitant on swapping this IC since I may want to return the replacement board.
                                  exact this chip 24CS0 are used as EEPROM on many samsung tvs. and it was responsible for fault blinking no turn on. standby ok. also the diagram close as pin 1-4 goes to GND as address 0
                                  i used method of resetting it by make bridge wire on pin 5 & 6. plug the tv on count 1 2 plug out - remove the bridge from standby go direct to service menu.
                                  for this we don't use the knob switch on/off on the TV. just use RC

                                  Comment

                                  • nomoresonys
                                    Badcaps Legend
                                    • Jan 2013
                                    • 12331
                                    • U.S.

                                    #37
                                    Re: Sony KDL-55EX620 10 blinks

                                    Seems that you need to reconfigure thru service menu, did you try display,5,volume down,power?

                                    Comment

                                    • Davi.p
                                      Hobbist Tech
                                      • Sep 2009
                                      • 4542
                                      • Italy - Milan

                                      #38
                                      Re: Sony KDL-55EX620 10 blinks

                                      I don't know where Diah wants to go, how can a VGA edid eprom to block the picture from appearing and end in protection? Don't seems logical, the screen config can't be bad as you have seen a picture for short. With the help of connector's markings or srv man. force the backlight on so we see if i' m wrong. And members please use commas, the reading is too difficult whithout...

                                      Comment

                                      • neilc6
                                        Badcaps Legend
                                        • Nov 2015
                                        • 1550
                                        • Canada

                                        #39
                                        Re: Sony KDL-55EX620 10 blinks

                                        The tv won't stay on to enter the service menu. Will flash for a second and blink error code with on button or service mode sequence. Get the same error code even with the backlights disconnected. Before the firmware upgrade, I was able to have the backlights stay on for 10 to 15 seconds after the startup Sony logo but it never completed booting. After the update, it shuts down right away.
                                        Last edited by neilc6; 12-29-2019, 04:33 PM.

                                        Comment

                                        • Davi.p
                                          Hobbist Tech
                                          • Sep 2009
                                          • 4542
                                          • Italy - Milan

                                          #40
                                          Re: Sony KDL-55EX620 10 blinks

                                          Why don't you do the test that i've said?

                                          Comment

                                          Related Topics

                                          Collapse

                                          • jason123
                                            Sony XR-55A80J OLED TV 5 blinks - Troubleshooting steps
                                            by jason123
                                            Hi there,
                                            I see a couple of posts related to the troubleshooting of similar TV. The one I have is acting slightly differently and I'd love your help.

                                            So it has the 5 blinks. Previous owner got a TCON, no luck. Got a new Main board (though he didn't do the USB firmware update), again, no improvements.

                                            I see 2 posts that are relevant:
                                            https://www.badcaps.net/forum/troubl...j-oled-5-blink
                                            https://www.badcaps.net/forum/troubl...g-hardware-dev...
                                            10-29-2025, 02:01 PM
                                          • shahnld
                                            Sony kdl 65xg9505 green amber blinking
                                            by shahnld
                                            Good Day.

                                            I just replaced tcon on my sony kdl 65xg9505 and getting green amber leds blinking. all voltages are ok according to working sequence.

                                            i downloaded firmware from sony and there is no .pkg fike.. after extracting it gives another file which contains multiple files like inf, payload.bin and 3, 4 other files. i just did that usb but did not worked. anyone knows anything how to do it..?

                                            green amber blinking stops after while and then starts again. tv responds to remote control on off etc. before installing new tcon backlite was coming on without backlite...
                                            01-03-2024, 03:05 PM
                                          • matwan
                                            Sony XR-55X90J 5 blinks
                                            by matwan
                                            Hello,

                                            I have problem with SONY 55X90J. After several check status is as below;
                                            1. Running power board as stand alone:

                                            TCON_12V =~ 12.6V
                                            EVDD V On Max 24V= 19V.

                                            2.
                                            Running power board with TCON as stand alone:

                                            Effect as below, attched.

                                            3. When bottom LVDS cable is disconnected no blinks, but of course no TCON 12V and EVDD.
                                            "I'm almost sure it's a defective panel, but maybe someone has encountered a similar issue on their screen.

                                            Best regards....
                                            09-28-2025, 04:26 AM
                                          • GoodCapDude
                                            Sony XBR-75X940E intermittent 6 blinks error code
                                            by GoodCapDude
                                            Hi everyone. First post on Badcaps!

                                            I am trying to fix a Sony 940E from 2017 that either starts normally (and works perfectly until turned off) or goes straight to the 6 blinks error code without showing anything on the screen. It is frustrating to know that it can still work perfectly but is barely usable because of the difficulty starting it up. I am willing to try to short the BL_ERR but I would like to avoid that if possible. Does anyone have a view on this? Thanks a lot....
                                            09-20-2025, 06:07 AM
                                          • Nicktronic
                                            Sony XBR-65X850D 2 Red Blinks
                                            by Nicktronic
                                            Hi all,

                                            I have the subject TV and it will work normally sometimes but suddenly go black and give the 2 red blinks blink code. When this happens, I check the power supply board voltages and all I have is the Standby 3.3V and BL_ERR 2.2V. When it's working normally, all power supply board voltages look normal and stable. I've checked the backlights with a tester and they all test good. I've also read that the 2 red blinks is a faulty power supply board, so could it be throwing up an erroneous BL_ERR?

                                            Any Sony experts out there that can help??...
                                            11-19-2023, 06:51 AM
                                          • Loading...
                                          • No more items.
                                          Working...