Viewsonic VT2430 fluctuating 5V rail

Collapse
X
 
  • Time
  • Show
Clear All
new posts
  • rddube
    Aspiring Expert
    • Jun 2013
    • 957
    • Canada

    #41
    Re: Viewsonic VT2430 fluctuating 5V rail

    It did disable the audio, I couldn't hear anything but had my meter on the 5V rail and saw it was pulsing. R_J do you think I should test a load on the 12v rail without the main board attached to see if it has any effect on the 5V rail?

    When I did the load test on the 5V rail it wasn't fluctuating, but maybe it still comes from the power supply when there is a load on the 12V rail. What do you think?

    Or could it be one of the caps on the main board? I am tempted in trying to change them (there are quite a few) but there are some 16V caps, 35V caps and 50V caps on the main board. Some are 1uf 50V, wonder if that could be a source? I checked all of them with the transistor tester ESR function, but a lot of them are in parallell so I don't really get good readings.
    Last edited by rddube; 07-25-2018, 05:48 PM.

    Comment

    • R_J
      Badcaps Legend
      • Jun 2012
      • 9627
      • Canada

      #42
      Re: Viewsonic VT2430 fluctuating 5V rail

      You could try loading the 12 volts, but like the 5 volts, how much load? 1 amp, 2 amps? 5 amps?
      I guess you could try adding another 470µf - 1000µf across c823 and see if the 12 volts and 5 volts are more steady.
      as far as those 1µf caps go I don't think they are the problem.
      What you can do is solder another cap across any you suspect and see if has any effect, sometimes all that is required is half the capacity to make a diference.

      Comment

      • rddube
        Aspiring Expert
        • Jun 2013
        • 957
        • Canada

        #43
        Re: Viewsonic VT2430 fluctuating 5V rail

        A question: I've been checking those small 10uf 16v caps on the main board, there are 21 of them. Brand is Lelon. They all measure out of circuit ok on the uf side, but average 4.2 ohms (some 4.5, some 3.9). Doesn't that mean that there is about 80 ohms resistance in total?

        I have some Panasonic 10uf 16v caps, that measure .9 to 1.2 ohms. Could that change something if I changed them all?

        The other thing is, what if I measure amps being pulled by the main board on the 5v and the 12v rail, and then do load tests without the main board at the level of amperage I will have measured? Not sure how to do it yet besides disconnecting indidual pins or cutting on wire on the cable, but could that tell us anything?

        I will try what you suggest R_J about adding a cap to C823 and see what that gives.

        Comment

        • budm
          Badcaps Legend
          • Feb 2010
          • 40746
          • USA

          #44
          Re: Viewsonic VT2430 fluctuating 5V rail

          If you check the resistance between 5V pin and the GND pin of the main board without having the board connecting to anything else, what resistance do you get in both directions of the meter?
          Never stop learning
          Basic LCD TV and Monitor troubleshooting guides.
          http://www.badcaps.net/forum/showthr...956#post305956

          Voltage Regulator (LDO) testing:
          http://www.badcaps.net/forum/showthr...999#post300999

          Inverter testing using old CFL:
          http://www.badcaps.net/forum/showthr...er+testing+cfl

          Tear down pictures : Hit the ">" Show Albums and stories" on the left side
          http://s807.photobucket.com/user/budm/library/

          TV Factory reset codes listing:
          http://www.badcaps.net/forum/showthread.php?t=24809

          Comment

          • R_J
            Badcaps Legend
            • Jun 2012
            • 9627
            • Canada

            #45
            Re: Viewsonic VT2430 fluctuating 5V rail

            If you can measure the current on each of the 5 & 12 volt lines that might help, If you know the current being drawn by the 12 volt line, you could then load it without the 12 volts connected to the main and see if the 5 still pulses. adding the extra capacity should change the pulsing (make it slower) if it is on that line

            I'm still thinking about when you replaced those low esr caps and the tv did not work at all. that seems to point at the power supply, you should havechanged them one at a time, maybe that would have given a clue as to which line had a problem.

            Comment

            • rddube
              Aspiring Expert
              • Jun 2013
              • 957
              • Canada

              #46
              Re: Viewsonic VT2430 fluctuating 5V rail

              Gentlemen, sorry just got back from a business trip, which is why I didn't reply earlier.

              BUDM: In one direction, I get 250 ohms that climbs to 3.08K and stops at around that, in the other direction I get 3.9K ohms.

              R_J: Before doing the amp test (which will require me to cut the cables), I'll wait to see what Budm may suggest with the resistance test. As for when I changed the caps and the TV didn't power at all, I think it was because of my soldering. Because when I removed them again and resoldered them it came back to normal.

              Comment

              • budm
                Badcaps Legend
                • Feb 2010
                • 40746
                • USA

                #47
                Re: Viewsonic VT2430 fluctuating 5V rail

                The resistance reading on the 5V line is fine. Is 12V also fed to the main board also? if it is the check the resistance on the 12V also.
                There is possibility that the heavy load may be at the Voltage regulator output so you should also check the resistance on the output of the Voltage regulator IC.
                Since the 12V may be used for the T-CON board, you may also want to disconnect the T-CON cable from the main board to see if the power supply will become steady or not.
                Can I see the pictures of the whole main board?
                Last edited by budm; 07-26-2018, 09:50 PM.
                Never stop learning
                Basic LCD TV and Monitor troubleshooting guides.
                http://www.badcaps.net/forum/showthr...956#post305956

                Voltage Regulator (LDO) testing:
                http://www.badcaps.net/forum/showthr...999#post300999

                Inverter testing using old CFL:
                http://www.badcaps.net/forum/showthr...er+testing+cfl

                Tear down pictures : Hit the ">" Show Albums and stories" on the left side
                http://s807.photobucket.com/user/budm/library/

                TV Factory reset codes listing:
                http://www.badcaps.net/forum/showthread.php?t=24809

                Comment

                • rddube
                  Aspiring Expert
                  • Jun 2013
                  • 957
                  • Canada

                  #48
                  Re: Viewsonic VT2430 fluctuating 5V rail

                  Originally posted by budm
                  The resistance reading on the 5V line is fine. Is 12V also fed to the main board also? if it is the check the resistance on the 12V also.
                  There is possibility that the heavy load may be at the Voltage regulator output so you should also check the resistance on the output of the Voltage regulator IC.
                  Since the 12V may be used for the T-CON board, you may also want to disconnect the T-CON cable from the main board to see if the power supply will become steady or not.
                  Can I see the pictures of the whole main board?
                  Hi Budm,

                  Yes the 12V feeds the main board (I actually get 13.1V steady when connected) and powered on. The resistance on the 12V rail is in megaohms, so I suspect it is ok.

                  Which voltage regulator should I measure I103 or I104?

                  I tried it with the Tcon disconnected, same result i.e. pulsing of the 5V rail.

                  Here is a photo of the board, not mine actually but identical. On my board, I have installed a small video card fan in the center of it so it is hiding most of the components - it hasn't been connected however to do these tests as I didn't want to add any load to what is already there. If you need me to, I can remove it (it is only held by some hot glue on the silkscreen) and take an actual photo of my board. Note that I have changed caps on the top left of the board from C110 to C131 down to C291 with panasonic or nichicon low esr caps, but it hasn't changed anything. The brand of the caps the bigger ones are Hermei and the smaller ones 10uf are Lelon.

                  The brands of caps on the power supply are Elite and I'm thinking although I did check the output caps for the 5V rail and they were fine, but maybe I should recap the whole power supply board, as I'm not sure I can trust Elite caps? Also, when I measure voltage on the big cap, I get fluctuation. Anyhow, I'll listen to your advice (or R_J'S). Thanks again to both of you for walking me through this, it's an incredible feeling to have experts looking over your shoulder!

                  What a wonderful forum, the best on the net!
                  Attached Files

                  if you find these attachements useful please consider making a small donation to the site

                  Comment

                  • rddube
                    Aspiring Expert
                    • Jun 2013
                    • 957
                    • Canada

                    #49
                    Re: Viewsonic VT2430 fluctuating 5V rail

                    Ok, so I just ordered a set of caps for the power supply, including the 150uf 400v which is an Elite brand. Chose Panasonic and Nichicon caps. Should have them on Monday.

                    Comment

                    • budm
                      Badcaps Legend
                      • Feb 2010
                      • 40746
                      • USA

                      #50
                      Re: Viewsonic VT2430 fluctuating 5V rail

                      What Voltage does the fan run on?
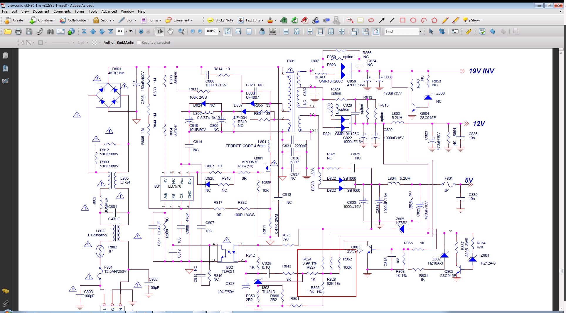
                      The POWER monitors outputs of all 3 power supply via R824, 825, 862. So if one is fluctuating then the other will be affect as well.
                      Regulator IC I103, 104, 204, 205 Output pin resistance should be checked against GND.
                      I also see at least 4 switching power supplies on that main board.
                      Attached Files

                      if you find these attachements useful please consider making a small donation to the site

                      Last edited by budm; 07-27-2018, 10:10 AM.
                      Never stop learning
                      Basic LCD TV and Monitor troubleshooting guides.
                      http://www.badcaps.net/forum/showthr...956#post305956

                      Voltage Regulator (LDO) testing:
                      http://www.badcaps.net/forum/showthr...999#post300999

                      Inverter testing using old CFL:
                      http://www.badcaps.net/forum/showthr...er+testing+cfl

                      Tear down pictures : Hit the ">" Show Albums and stories" on the left side
                      http://s807.photobucket.com/user/budm/library/

                      TV Factory reset codes listing:
                      http://www.badcaps.net/forum/showthread.php?t=24809

                      Comment

                      • rddube
                        Aspiring Expert
                        • Jun 2013
                        • 957
                        • Canada

                        #51
                        Re: Viewsonic VT2430 fluctuating 5V rail

                        Wow Budm, you're a genius!

                        The fan runs on 12V, but I don't have it connected to run the tests.

                        Ok, I took the resistance readings with everything disconnected from the main board.

                        I103 output one way measures 454 ohm climbing, the other way 326 ohm steady
                        I104 output one way measures 175 ohm steady, the other way 174.4 steady
                        I204 output one way measures 2 ohms and the other way 2ohms, looks shorted
                        I205 one way measures 90 ohms steady the other way 85 ohms steady

                        Comment

                        • budm
                          Badcaps Legend
                          • Feb 2010
                          • 40746
                          • USA

                          #52
                          Re: Viewsonic VT2430 fluctuating 5V rail

                          Originally posted by rddube
                          Wow Budm, you're a genius!

                          The fan runs on 12V, but I don't have it connected to run the tests.

                          Ok, I took the resistance readings with everything disconnected from the main board.

                          I103 output one way measures 454 ohm climbing, the other way 326 ohm steady
                          I104 output one way measures 175 ohm steady, the other way 174.4 steady
                          I204 output one way measures 2 ohms and the other way 2ohms, looks shorted
                          I205 one way measures 90 ohms steady the other way 85 ohms steady
                          OK, lets see good close up of that I204 to able to see what components are connected to the output pin, I hope it is just bad MLCC.
                          I see LYTICS cap C250, MLCC C251.
                          I also see D207 and L210 are connected to the output pin.
                          BTW, you did verify the pinout of the IC to make sure we are looking at the correct Output pin, correct?
                          BTW, what is the P/N as printed on I204?
                          Last edited by budm; 07-27-2018, 01:23 PM.
                          Never stop learning
                          Basic LCD TV and Monitor troubleshooting guides.
                          http://www.badcaps.net/forum/showthr...956#post305956

                          Voltage Regulator (LDO) testing:
                          http://www.badcaps.net/forum/showthr...999#post300999

                          Inverter testing using old CFL:
                          http://www.badcaps.net/forum/showthr...er+testing+cfl

                          Tear down pictures : Hit the ">" Show Albums and stories" on the left side
                          http://s807.photobucket.com/user/budm/library/

                          TV Factory reset codes listing:
                          http://www.badcaps.net/forum/showthread.php?t=24809

                          Comment

                          • rddube
                            Aspiring Expert
                            • Jun 2013
                            • 957
                            • Canada

                            #53
                            Re: Viewsonic VT2430 fluctuating 5V rail

                            Here is the photo. Part no is 1084-33. I103 is also a 1084-33 while the other 2 are just written 1084.

                            As for your question about the output pin, I got the datasheet to make sure I was measuring the right thing. Tks Budm.
                            Attached Files

                            if you find these attachements useful please consider making a small donation to the site

                            Last edited by rddube; 07-27-2018, 04:09 PM.

                            Comment

                            • budm
                              Badcaps Legend
                              • Feb 2010
                              • 40746
                              • USA

                              #54
                              Re: Viewsonic VT2430 fluctuating 5V rail

                              OK, that is a fixed 3.3V output regulator IC.
                              So something on the 3.3V line is shorted out, I would try lifting the Caps connected to the output pin first to see if the low resistance will go away.
                              Never stop learning
                              Basic LCD TV and Monitor troubleshooting guides.
                              http://www.badcaps.net/forum/showthr...956#post305956

                              Voltage Regulator (LDO) testing:
                              http://www.badcaps.net/forum/showthr...999#post300999

                              Inverter testing using old CFL:
                              http://www.badcaps.net/forum/showthr...er+testing+cfl

                              Tear down pictures : Hit the ">" Show Albums and stories" on the left side
                              http://s807.photobucket.com/user/budm/library/

                              TV Factory reset codes listing:
                              http://www.badcaps.net/forum/showthread.php?t=24809

                              Comment

                              • rddube
                                Aspiring Expert
                                • Jun 2013
                                • 957
                                • Canada

                                #55
                                Re: Viewsonic VT2430 fluctuating 5V rail

                                Ok, took out C250, still there. Took off C251 still there. What should I do next?

                                Should I try and lift the ground leg of the regulator?
                                Last edited by rddube; 07-27-2018, 04:42 PM.

                                Comment

                                • budm
                                  Badcaps Legend
                                  • Feb 2010
                                  • 40746
                                  • USA

                                  #56
                                  Re: Viewsonic VT2430 fluctuating 5V rail

                                  See if inductor L210 is connected to the output, it is then lift it also.

                                  "Should I try and lift the ground leg of the regulator?" Yes you can.
                                  Last edited by budm; 07-27-2018, 04:56 PM.
                                  Never stop learning
                                  Basic LCD TV and Monitor troubleshooting guides.
                                  http://www.badcaps.net/forum/showthr...956#post305956

                                  Voltage Regulator (LDO) testing:
                                  http://www.badcaps.net/forum/showthr...999#post300999

                                  Inverter testing using old CFL:
                                  http://www.badcaps.net/forum/showthr...er+testing+cfl

                                  Tear down pictures : Hit the ">" Show Albums and stories" on the left side
                                  http://s807.photobucket.com/user/budm/library/

                                  TV Factory reset codes listing:
                                  http://www.badcaps.net/forum/showthread.php?t=24809

                                  Comment

                                  • rddube
                                    Aspiring Expert
                                    • Jun 2013
                                    • 957
                                    • Canada

                                    #57
                                    Re: Viewsonic VT2430 fluctuating 5V rail

                                    I found L210, but it doesn't seem to be connected to it. Looking at the schematic, I see it elsewhere connected to the tuner section? I'll wait for your reply before lifting anything. Tks Budm.

                                    Comment

                                    • rddube
                                      Aspiring Expert
                                      • Jun 2013
                                      • 957
                                      • Canada

                                      #58
                                      Re: Viewsonic VT2430 fluctuating 5V rail

                                      Oops, I guess I took my readings wrong, it is connected to the output. Still don't see it in the schematics, but then I'm probably cross-eyed!

                                      So Budm, should I lift L210 first and see and then the regulator leg, or both at the same time? L210 is the easier part
                                      Last edited by rddube; 07-27-2018, 05:59 PM.

                                      Comment

                                      • rddube
                                        Aspiring Expert
                                        • Jun 2013
                                        • 957
                                        • Canada

                                        #59
                                        Re: Viewsonic VT2430 fluctuating 5V rail

                                        Budm, while waiting for your reply I measured C322, and I get .5 ohm across it's legs. I didn't remove it, but it is near L210. I'm getting confused on what to do!
                                        Last edited by rddube; 07-27-2018, 06:11 PM.

                                        Comment

                                        • budm
                                          Badcaps Legend
                                          • Feb 2010
                                          • 40746
                                          • USA

                                          #60
                                          Re: Viewsonic VT2430 fluctuating 5V rail

                                          It may be easier to lift L210 first to see what happen. Right now it is a matter of finding which component that is connected to the output is shorted out. At least we are getting close to solve the problem.
                                          Never stop learning
                                          Basic LCD TV and Monitor troubleshooting guides.
                                          http://www.badcaps.net/forum/showthr...956#post305956

                                          Voltage Regulator (LDO) testing:
                                          http://www.badcaps.net/forum/showthr...999#post300999

                                          Inverter testing using old CFL:
                                          http://www.badcaps.net/forum/showthr...er+testing+cfl

                                          Tear down pictures : Hit the ">" Show Albums and stories" on the left side
                                          http://s807.photobucket.com/user/budm/library/

                                          TV Factory reset codes listing:
                                          http://www.badcaps.net/forum/showthread.php?t=24809

                                          Comment

                                          Related Topics

                                          Collapse

                                          • keepread
                                            Dell monitor PSU vs Dell laptop PSU
                                            by keepread
                                            Hi there!
                                            Someone gave me their old monitor, it's Dell S2715ht.
                                            The owner was using it when his PSU began to smell and then to smoke. It literally began to melt. He turned the monitor off, pulled the PSU, and ditched it because it was smelly even after it cooled. So I got the monitor but not the plug.
                                            Now, I tried to bring the monitor back to life, by plugging one of my many Dell laptop PSUs. They are of the same 19.5V, and the wattage of the laptop PSU is higher than that which the monitor is rated for. Visually, the socket on the monitor seems compatible, and the plug plugs...
                                            10-30-2025, 04:45 PM
                                          • Nagy Daniel
                                            Lowest possible resistance on laptop motherboard rail - Guide Table request
                                            by Nagy Daniel
                                            Hi, I'm Daniel, and I'm new to the world of repairing motherboards.

                                            I would like to create a table, or more likely a guideline about the voltage rails and their possible resistance rail.

                                            I know that the motherboard design has a very big depend on the rail's resistance, but I would like to know what is the smallest value for a rail that can be acceptable. For example, I heard that some new gaming motherboards can have 0,5 Ohm resistance on the GPU rail, but on an older type, it could be a sign of a shorted GPU rail.

                                            So, I generated a table with AI so I can...
                                            03-04-2025, 08:24 AM
                                          • madan1
                                            DALI SUB E-12F class D, fluctuating power rail
                                            by madan1
                                            Good day everyone.

                                            I have on the bench an amp board from DALI SUB E-12F. It is class D amp with a smps on the same board.
                                            The issue is that it powers off way before the rated power is reached (the protection circuit kicks in). It has an independent standby power supply, which stays on after the main power supply is turned off via a relay on the primary side (thus there is no reason to believe that the protection is triggered from the smps IC on the primary side).

                                            The normal value of the positive and negative power rails is +/- 43V.
                                            The positive rail stays...
                                            10-15-2025, 10:33 AM
                                          • momaka
                                            HannStar Hanns-G HC194d LCD monitor repair
                                            by momaka
                                            Normally, I never post repairs this quick after I do them, because… I am usually very slow. But today, I’m making an exception here. Why? No idea. Perhaps only because the repair details are still “fresh” in my head… which is ironic, given this is a 16 year old monitor that hardly anyone will care about today. It is new to me, though. I picked it up last November from someone on my local Craigslist. It wasn’t very close to where I live, but was close to a family friend that I had to go visit anyways. So after watching the posting on Craigslist for a few weeks and seeing it getting...
                                            03-15-2023, 10:17 PM
                                          • wattage
                                            AOC AG493UCX 49-inch monitor - Firmware request
                                            by wattage
                                            Hello Badcaps Community,

                                            I purchased a preowned AOC monitor that is not working and out of warranty. It was sold as not working. I am looking for guidance on self-repair. In particular, I am after the firmware for the monitor. At the end, I have included monitor model information and links to pics and vids of the issue.

                                            The problem is that it will not display a picture on any of its inputs. And the on-screen menu does not appear. The power button works properly. It powers on with the remote as well. But the on-screen menu does not appear, even when not connected to any...
                                            07-13-2025, 04:41 PM
                                          • Loading...
                                          • No more items.
                                          Working...