Inverter mod for Philips 47PFL7422 to disable dynamic backlight?

Collapse
X
 
  • Time
  • Show
Clear All
new posts
  • Agent24
    I see dead caps
    • Oct 2007
    • 5035
    • New Zealand

    #1

    Inverter mod for Philips 47PFL7422 to disable dynamic backlight?

    A friend of mine has a Philips 47PFL7422 LCD TV and it includes some kind of dynamic backlight feature which automatically dims the backlight when the image onscreen is dark, probably to save power.
    Unfortunately, it seems too aggressive and can do it during dark scenes in films which creates a horribly jarring effect when the backlight level changes suddenly.The problem is also described here: http://www.geekzone.co.nz/forums.asp?topicid=22737

    In any case, for this model there is no service menu adjustment to turn the feature off, nor were Philips ever forthcoming with a firmware update, apparently. Which is stupid, since the brightness control in the main user menu doesn't do a thing to adjust the backlights either - it simply adjusts what seems to be the picture gamma. That's two things they should have fixed. Anyway....


    The TV has two inverter boards, a CMO I420H1-20B-MASTER and a CMO I420H1-20B-SLAVE. Since these aren't made by Philips, they don't appear in the schematic, of course. They're based on the OZ9928SN.

    From what I measured, however, the Master inverter board receives at its "E-PWM" pin, a PWM signal from the mainboard which is about 3.3v p-p and has a duty cycle of I guess about 99% (see first scope shot, DSC02108.JPG). The duty cycle of this signal does NOT change when lowering the "Brightness" control in the main menu, although you can see the image get duller as it appears the gamma or such is changed.
    At ~3 divs and 0.5ms per div, this seems to be about 666Hz.

    The inverter also receives 3.3v from the T-CON board, to a pin labelled "DIM-IN", and this appears on the pin "DIM-OUT" as well, which seems to go back to the T-CON board. This signal does not appear to be a PWM signal - if it is, it's at 100% duty cycle or so close to it that I cannot see where it goes to 0v at any point. This signal also does not change when the brightness value in the menu is changed.


    When the backlight dimming feature kicks in, both the "E-PWM" and "DIM-IN" lines change to a square wave with much lower duty cycle, around 30%, and the frequency seems to drop to 166Hz (3 divs at 2ms per div). The "DIM-OUT" line also changes, with a slower falling edge.

    See:
    DSC02108 for E-PWM normal brightness
    DSC02110 E-PWM dimmed
    DSC02111 DIM-IN dimmed
    DSC02112 DIM-OUT dimmed


    My original idea was to disconnect the "E-PWM" line from the mainboard and attach my own PWM generator using a microcontroller to give a constant PWM signal that would not be affected by the TV software. However, this was before I found that the T-CON is also involved. Now I am not so sure what to do.
    I could of course disconnect both E-PWM and DIM-IN, and feed them the same signal (probably from separate pins on the microcontroller or using an optoisolator so they are not tied together directly), but I wonder if the T-CON would not be impressed that the DIM-OUT signal would no longer match up with what DIM-IN was.

    It doesn't help that there seem to be no good datasheets for the OZ9928, and the inverter schematic seems nonexistent (as usual). I did find http://wenku.baidu.com/view/d58277c4...6bcebbc4c.html and a few similar websites which claim to have the schematic but you have to pay to download it and I don't speak Chinese!



    Does anyone have any ideas or experience with this kind of thing?
    Attached Files
    "Tantalum for the brave, Solid Aluminium for the wise, Wet Electrolytic for the adventurous"
    -David VanHorn
  • budm
    Badcaps Legend
    • Feb 2010
    • 40746
    • USA

    #2
    Re: Inverter mod for Philips 47PFL7422 to disable dynamic backlight?

    It is one of those Dynamic Contrast so they can claim that the TV has contrast ratio of 100K: 1 or more which is a phony number.
    There should be a small cables from the T-COn that has control output signal to tell the backlights circuit to dim down the backlights in certain scene of the image such as when you watch space movie so the dark will be really dark.
    You can see that white flat ribbon cable between the T-CON and the inverter board. You can look up the LCD panel so you can get the pinout of the inverter board. You shoulld be able to disable the function in the user manual, or may be not in certain TV.
    A lot of people complain about this function.

    http://www.cnet.com/news/just-whats-...-ratio-anyway/
    http://lcdtvbuyingguide.com/hdtv/dynamic-contrast.html
    Last edited by budm; 09-20-2015, 06:58 PM.
    Never stop learning
    Basic LCD TV and Monitor troubleshooting guides.
    http://www.badcaps.net/forum/showthr...956#post305956

    Voltage Regulator (LDO) testing:
    http://www.badcaps.net/forum/showthr...999#post300999

    Inverter testing using old CFL:
    http://www.badcaps.net/forum/showthr...er+testing+cfl

    Tear down pictures : Hit the ">" Show Albums and stories" on the left side
    http://s807.photobucket.com/user/budm/library/

    TV Factory reset codes listing:
    http://www.badcaps.net/forum/showthread.php?t=24809

    Comment

    • Agent24
      I see dead caps
      • Oct 2007
      • 5035
      • New Zealand

      #3
      Re: Inverter mod for Philips 47PFL7422 to disable dynamic backlight?

      I found the panel datasheet, will read it later.
      Attached Files
      "Tantalum for the brave, Solid Aluminium for the wise, Wet Electrolytic for the adventurous"
      -David VanHorn

      Comment

      • mmartell
        Badcaps Legend
        • Oct 2013
        • 3189
        • Canada

        #4
        Re: Inverter mod for Philips 47PFL7422 to disable dynamic backlight?

        Where is the panel lookup ?

        Comment

        • Agent24
          I see dead caps
          • Oct 2007
          • 5035
          • New Zealand

          #5
          Re: Inverter mod for Philips 47PFL7422 to disable dynamic backlight?

          Originally posted by mmartell
          Where is the panel lookup ?
          Not sure what you mean
          "Tantalum for the brave, Solid Aluminium for the wise, Wet Electrolytic for the adventurous"
          -David VanHorn

          Comment

          • ReeceyBurger123
            Never Give Up !
            • May 2014
            • 7325
            • Britain

            #6
            Re: Inverter mod for Philips 47PFL7422 to disable dynamic backlight?

            Also just to 'chirp in' you might want to consider recapping that psu noticed capxons on there, them power boards if the caps fail will kill the Pfc and cause a failure of chirping sound psu which is hard to repair.
            Last edited by ReeceyBurger123; 09-21-2015, 05:53 AM.
            Please Do Not PM My Page Asking For Help Badcaps Is The Place For Advise, Page Linked For Business Reasons Only. Anyone Doing So Will Be Banned Instantly !

            https://www.facebook.com/Telford-Tel...7894576335359/

            Comment

            • budm
              Badcaps Legend
              • Feb 2010
              • 40746
              • USA

              #7
              Re: Inverter mod for Philips 47PFL7422 to disable dynamic backlight?

              See page 15, LVDS connector pin 11 (NOTES 6) is for Dynamic contrast, HIGH = ENABLE, LOW = DISABLE.
              So that means you may be able to disable this function in the user setup menu since this pin goes to the main board so it is can be set by the main board to turn it on or off.
              http://assets.shopjimmy.com/media/ca...0223-top_2.jpg

              There is no info of the CON1 of the T-CON board which goes to the Inverter board, you can see the pins DIM_I, and DIM_0.
              Never stop learning
              Basic LCD TV and Monitor troubleshooting guides.
              http://www.badcaps.net/forum/showthr...956#post305956

              Voltage Regulator (LDO) testing:
              http://www.badcaps.net/forum/showthr...999#post300999

              Inverter testing using old CFL:
              http://www.badcaps.net/forum/showthr...er+testing+cfl

              Tear down pictures : Hit the ">" Show Albums and stories" on the left side
              http://s807.photobucket.com/user/budm/library/

              TV Factory reset codes listing:
              http://www.badcaps.net/forum/showthread.php?t=24809

              Comment

              • Agent24
                I see dead caps
                • Oct 2007
                • 5035
                • New Zealand

                #8
                Re: Inverter mod for Philips 47PFL7422 to disable dynamic backlight?

                Originally posted by budm
                See page 15, LVDS connector pin 11 (NOTES 6) is for Dynamic contrast, HIGH = ENABLE, LOW = DISABLE.
                So that means you may be able to disable this function in the user setup menu since this pin goes to the main board so it is can be set by the main board to turn it on or off.
                According to my friend, and others who posted on Geekzone, there is no option to turn the dynamic backlight control off in software, with either the user or service menu. I can check it out myself but I'm pretty sure that's the case.

                But, I wonder if I could just disconnect Pin 11 to the T-CON from the mainboard and tie it to ground instead? I suspect though that there would also need to be a change in the E-PWM signal from the mainboard as well, unless one can override the other. Perhaps I should try that and see what happens...

                If that doesn't work, I suppose I could float E-PWM and use I-PWM instead (datasheet says to use one, float the other), but it looks like the timing would need to be taken into account. Seems either E\I-PWM signal has to come up before BLON does, go low before BLON goes low, and BLON has to wait at least 1ms after VBL comes up or before power down.
                I'd probably have to use the PWM signal from the mainboard to switch the output to I-PWM via some custom circuitry to keep the timing somewhat correct.
                Or am I over-thinking this?

                Originally posted by budm
                http://assets.shopjimmy.com/media/ca...0223-top_2.jpg

                There is no info of the CON1 of the T-CON board which goes to the Inverter board, you can see the pins DIM_I, and DIM_0.
                Does anyone else have a problem with that link? I'm getting this error:
                Code:
                Access Denied
                You don't have permission to access "http://assets.shopjimmy.com/media/catalog/product/cache/1/image/f8f28dc4a19c21aeb55ee5774693fb5d/s/h/shopjimmy-35-d020223-top_2.jpg" on this server.
                
                Reference #18.737e1cb8.1442871383.f9ca5f9
                "Tantalum for the brave, Solid Aluminium for the wise, Wet Electrolytic for the adventurous"
                -David VanHorn

                Comment

                • Agent24
                  I see dead caps
                  • Oct 2007
                  • 5035
                  • New Zealand

                  #9
                  Re: Inverter mod for Philips 47PFL7422 to disable dynamic backlight?

                  Originally posted by ReeceyBurger123
                  Also just to 'chirp in' you might want to consider recapping that psu noticed capxons on there, them power boards if the caps fail will kill the Pfc and cause a failure of chirping sound psu which is hard to repair.
                  Are they? I didn't notice!
                  "Tantalum for the brave, Solid Aluminium for the wise, Wet Electrolytic for the adventurous"
                  -David VanHorn

                  Comment

                  • fzabkar
                    Badcaps Veteran
                    • Mar 2009
                    • 772
                    • Australia

                    #10
                    Re: Inverter mod for Philips 47PFL7422 to disable dynamic backlight?

                    Originally posted by Agent24
                    Does anyone else have a problem with that link? I'm getting this error:
                    Code:
                    Access Denied
                    You don't have permission to access "http://assets.shopjimmy.com/media/catalog/product/cache/1/image/f8f28dc4a19c21aeb55ee5774693fb5d/s/h/shopjimmy-35-d020223-top_2.jpg" on this server.
                    
                    Reference #18.737e1cb8.1442871383.f9ca5f9
                    Works OK for me.

                    Comment

                    • tom66
                      EVs Rule
                      • Apr 2011
                      • 32560
                      • UK

                      #11
                      Re: Inverter mod for Philips 47PFL7422 to disable dynamic backlight?

                      ShopJimmy seem to be adopting the rather bizarre practice of blocking non-US IP addresses. I guess they see us as non-customers, but it's bad because I can no longer recommend them on this forum.
                      Please do not PM me with questions! Questions via PM will not be answered. Post on the forums instead!
                      For service manual, schematic, boardview (board view), datasheet, cad - use our search.

                      Comment

                      • budm
                        Badcaps Legend
                        • Feb 2010
                        • 40746
                        • USA

                        #12
                        Re: Inverter mod for Philips 47PFL7422 to disable dynamic backlight?

                        What happen if you remove the flat ribbon cable from the T-CON? That cable is for the control signals to control the inverter board.
                        Otherwise you can try GND that control pin.
                        Never stop learning
                        Basic LCD TV and Monitor troubleshooting guides.
                        http://www.badcaps.net/forum/showthr...956#post305956

                        Voltage Regulator (LDO) testing:
                        http://www.badcaps.net/forum/showthr...999#post300999

                        Inverter testing using old CFL:
                        http://www.badcaps.net/forum/showthr...er+testing+cfl

                        Tear down pictures : Hit the ">" Show Albums and stories" on the left side
                        http://s807.photobucket.com/user/budm/library/

                        TV Factory reset codes listing:
                        http://www.badcaps.net/forum/showthread.php?t=24809

                        Comment

                        • fzabkar
                          Badcaps Veteran
                          • Mar 2009
                          • 772
                          • Australia

                          #13
                          Re: Inverter mod for Philips 47PFL7422 to disable dynamic backlight?

                          Some resources ...

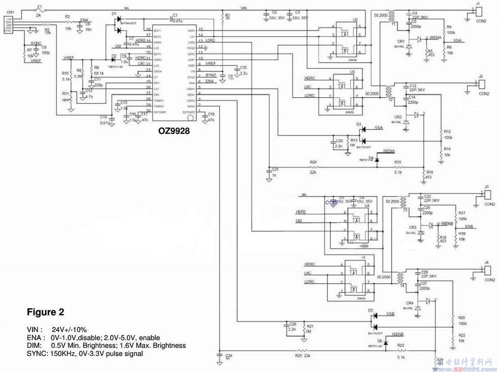
                          OZ9928SN application circuit and datasheet (?):
                          http://www.520101.com/html/circuitry/153257993.html
                          http://www.docin.com/p-259604310.html
                          http://webcache.googleusercontent.co...259604310.html

                          OZ9928SN application circuit (poor quality, but readable):
                          http://www.520101.com/files/otherima...5324052476.jpg

                          OZ9938GN datasheet and application circuit (some similarity to OZ9928SN):


                          Code:
                          OZ9928SN PIN DESCRIPTION 
                          
                          Pin Name   Description 
                          
                          1  SSTCMP2  Soft start and compensation for controller 2
                          2  ISEN2   Lamp current sense for controller 2 
                          3  VSEN2   Transformer output voltage and over-current detection for controller 2 
                          4  ISEN1   Lamp current sense input for controller 1 
                          5  VSEN1   Transformer output voltage and over-current detection for controller 1 
                          6  ENA    OZ9928 on/off control 
                          7  SYNC   Operation frequency sync signal input 
                          8  VIN    Power 
                          9  VREF   Reference voltage 
                          10 LDR1   Low side driver for controller 1 
                          11 LDRC   Low side driver for controllers 1 and 2 
                          12 PGND   Power GND 
                          13 LDR2   Low driver for controller 2 
                          14 LX1    High side N-Channel power MOSFET source for controller 1 
                          15 HDR1   High side power MOSFET driver for controller 1 
                          16 BST1   High side driver boost voltage for HDR1 
                          17 BST2   High side driver boost voltage for HDR2 
                          18 HDR2   High side power MOSFET driver for controller 2 
                          19 LX2    High side N-Channel power MOSFET source for controller 2 
                          20 BSTC   High side driver boost voltage (HDRC) for controllers 1 and 2 
                          21 HDRC   High side power MOSFET driver for controller 1 and 2 
                          22 LXC    High side N-Channel power MOSFET source for controllers 1 and 2 
                          23 GNDA   Signal GND 
                          24 CT    Timing capacitor and resistor setting for operation and striking frequency 
                          25 RPT    Sync signal output for master mode. Connect to GND for slave mode. 
                          26 LCT    Timing capacitor and resistor setting for low frequency oscillator 
                                  or external PWM pulse input. 
                          27 DIM    DC voltage for PWM dimming or analog dimming. 
                          28 TIMER1  Striking and shutdown delay timer for controller 1 
                          29 TIMER2  Striking and shutdown delay timer for controller 2 
                          30 SSTCMP1  Soft start and compensation for controller 1
                          Attached Files

                          Comment

                          • tom66
                            EVs Rule
                            • Apr 2011
                            • 32560
                            • UK

                            #14
                            Re: Inverter mod for Philips 47PFL7422 to disable dynamic backlight?

                            The T-con signal, I believe, is used only to flash the backlight at the same rate as the T-con updates, this helps reduce motion blur by making the LCD black during updates, the eye only sees complete images (in theory.) The T-con does not control dimming on these sets. I would try just wiring E-PWM to 100% permanently (e.g. to BL ON/OFF) with a resistor, say 100 ohms or so, and see if that works.
                            Please do not PM me with questions! Questions via PM will not be answered. Post on the forums instead!
                            For service manual, schematic, boardview (board view), datasheet, cad - use our search.

                            Comment

                            • budm
                              Badcaps Legend
                              • Feb 2010
                              • 40746
                              • USA

                              #15
                              Re: Inverter mod for Philips 47PFL7422 to disable dynamic backlight?

                              This TV uses Global dimming topology.
                              "Backlight global dimming method dims the whole
                              backlight by a universal factor in each frame, Figure 1(a).
                              This method is mainly used to reduce power
                              consumption [1] or improve dynamic contrast"
                              Never stop learning
                              Basic LCD TV and Monitor troubleshooting guides.
                              http://www.badcaps.net/forum/showthr...956#post305956

                              Voltage Regulator (LDO) testing:
                              http://www.badcaps.net/forum/showthr...999#post300999

                              Inverter testing using old CFL:
                              http://www.badcaps.net/forum/showthr...er+testing+cfl

                              Tear down pictures : Hit the ">" Show Albums and stories" on the left side
                              http://s807.photobucket.com/user/budm/library/

                              TV Factory reset codes listing:
                              http://www.badcaps.net/forum/showthread.php?t=24809

                              Comment

                              • mmartell
                                Badcaps Legend
                                • Oct 2013
                                • 3189
                                • Canada

                                #16
                                Re: Inverter mod for Philips 47PFL7422 to disable dynamic backlight?

                                Originally posted by Agent24
                                Not sure what you mean
                                I'm looking for the resource or website that contains panel specifications for many makes and models.

                                Comment

                                • Agent24
                                  I see dead caps
                                  • Oct 2007
                                  • 5035
                                  • New Zealand

                                  #17
                                  Re: Inverter mod for Philips 47PFL7422 to disable dynamic backlight?

                                  I don't know if there is one. I just Googled the part number that was on the LCD panel's sticker. It was the first result as a PDF file.

                                  Might be able to try some of the ideas and check more things on the TV this weekend.
                                  "Tantalum for the brave, Solid Aluminium for the wise, Wet Electrolytic for the adventurous"
                                  -David VanHorn

                                  Comment

                                  • budm
                                    Badcaps Legend
                                    • Feb 2010
                                    • 40746
                                    • USA

                                    #18
                                    Re: Inverter mod for Philips 47PFL7422 to disable dynamic backlight?

                                    Originally posted by mmartell
                                    I'm looking for the resource or website that contains panel specifications for many makes and models.
                                    This is one of them:
                                    http://www.beyondinfinite.com/library.html

                                    Or just search the web using the panel number, that is what I do.
                                    Never stop learning
                                    Basic LCD TV and Monitor troubleshooting guides.
                                    http://www.badcaps.net/forum/showthr...956#post305956

                                    Voltage Regulator (LDO) testing:
                                    http://www.badcaps.net/forum/showthr...999#post300999

                                    Inverter testing using old CFL:
                                    http://www.badcaps.net/forum/showthr...er+testing+cfl

                                    Tear down pictures : Hit the ">" Show Albums and stories" on the left side
                                    http://s807.photobucket.com/user/budm/library/

                                    TV Factory reset codes listing:
                                    http://www.badcaps.net/forum/showthread.php?t=24809

                                    Comment

                                    • Agent24
                                      I see dead caps
                                      • Oct 2007
                                      • 5035
                                      • New Zealand

                                      #19
                                      Re: Inverter mod for Philips 47PFL7422 to disable dynamic backlight?

                                      I've got a basic idea from the photos, I think. Need to confirm and see where the rest of it goes, but it looks like I can probably just disable the TCON dynamic control with the LVDS connector Pin 11 and then put in my own analog signal on I-PWM, switched on only when the E-PWM signal is present from the mainboard to keep the timing right.

                                      I think I might try checking those signals with a logic analyser to see what turns up, but I reckon I just need a pulse stretcher fed by the mainboard's PWM signal which will mean a constant high output as long as the PWM signal exists, then drive an adjustable resistor divider and output my own, adjustable analog voltage to the inverter's I-PWM pin. (easier than making my own PWM signal)
                                      Attached Files
                                      "Tantalum for the brave, Solid Aluminium for the wise, Wet Electrolytic for the adventurous"
                                      -David VanHorn

                                      Comment

                                      • budm
                                        Badcaps Legend
                                        • Feb 2010
                                        • 40746
                                        • USA

                                        #20
                                        Re: Inverter mod for Philips 47PFL7422 to disable dynamic backlight?

                                        I believe if you disable on pin 11, the dimming function on the user menu backlights setup level will still work.
                                        Never stop learning
                                        Basic LCD TV and Monitor troubleshooting guides.
                                        http://www.badcaps.net/forum/showthr...956#post305956

                                        Voltage Regulator (LDO) testing:
                                        http://www.badcaps.net/forum/showthr...999#post300999

                                        Inverter testing using old CFL:
                                        http://www.badcaps.net/forum/showthr...er+testing+cfl

                                        Tear down pictures : Hit the ">" Show Albums and stories" on the left side
                                        http://s807.photobucket.com/user/budm/library/

                                        TV Factory reset codes listing:
                                        http://www.badcaps.net/forum/showthread.php?t=24809

                                        Comment

                                        Related Topics

                                        Collapse

                                        • brotank
                                          Lenovo C861 Ryzen 5 disable 4GB samsung onboard ram
                                          by brotank
                                          I quiet struggling with board lenovo c681 to disable 4gb samsung onboard ram because they're faulty, I followed the instruction on the schematic to disable them with resistor codes but still not detecting the ram on the slot.

                                          can someone disable onboard ram from my dumped bios, please 🙏

                                          I tried the other bios on this forum with disabled onboard ram, but no success

                                          my final try is to find someone that can help disable onboard ram in my dumped bios attached in this post.

                                          after that I officially give up 😂

                                          thanks for awesome jobs 😊...
                                          03-16-2025, 12:51 PM
                                        • x_orange90_x
                                          Vizio E55-E1 bad backlights or bad inverter?
                                          by x_orange90_x
                                          I just got this tv today and it appeared to have no backlight on. After taking off the rear cover and checking again in the dark I can see that MAYBE one quadrant is lit.. But still it's quite dim. I was going to check the LEDs with my tester, and I found LED 1 and LED 2 + pins on the wire from the inverter, but I couldn't identify a ground. Nonetheless I tried using a mounting screw on the inverter board and also the chassis as ground but regardless my tester reads 300 which is what it reads when there is no voltage draw.

                                          I don't know how exactly to test the inverter itself. Is it...
                                          01-29-2025, 09:24 PM
                                        • alro7779
                                          Philips 32PFL4901/F8 BA4GF0F0102 2 Not getting standby led
                                          by alro7779
                                          Hello, guys!

                                          The same 32" Philips TV I was having video issues, but now I don't have standby led at all. Someone here shared with me the schematic of the power supply, and checking the voltages, I see right after the resistor R604 I'm getting 1.6 v which is too low for enabling the Gate of the Q601 mosfet (the diagram says 4.2). On the R614 resistor I'm getting 181 V in and 117 V out, then through R603 I'm getting the same 117 V in and 59.9 V out, finally getting the latter voltage in the R604 BUT getting just 1.6 V out, which is the voltage that goes on to the Gate of the Q601...
                                          09-14-2025, 12:25 AM
                                        • G33RT
                                          Philips 8200 series 65PUS8204/12 stuck at Philips Logo
                                          by G33RT
                                          Philips 8200 series 65PUS8204/12 stuck at Philips Logo, it does not reboot it just stays on the logo.

                                          It does power up when pressing the power button.

                                          I already try the power button while plugin the plug with no result.
                                          Also put the latest firmware autorun-TPM191E_R.001.004.100.000.upg on a MBR/FAT32 USB stick at USB port2 with no result either.

                                          Could this be an PSU or eMMC issue ?
                                          07-19-2025, 03:43 AM
                                        • Gentian
                                          APSINT3636VR 3600W APS INT Series 36V DC 230V AC Inverter/Charger schematic
                                          by Gentian
                                          I have a tripp-lite aspint 3636vr inverter charger which blow some of mosfet transistors. I replaced them repaired also the driver circuit and tested but the mosfets burn again.

                                          It work very well as inverter and also as charger if I let the rear switch in auto mode (inverter) and charger only(charging) but in auto when I connect the feed line 220V AC first time it pass ok to line and start charging the batteries but when I remove the feed line it pass to inverter mode and if I do it again the second time when passing from charging to inverter the Main transformer start making a...
                                          03-06-2023, 07:07 AM
                                        • Loading...
                                        • No more items.
                                        Working...