Sharp LC-47SB57UT will not power on

Collapse
X
 
  • Time
  • Show
Clear All
new posts
  • johnboy1313
    Badcaps Legend
    • Nov 2012
    • 1959
    • USA

    #41
    Re: Sharp LC-47SB57UT will not power on

    Originally posted by selldoor
    Ok SMD means surface mounted device 8 pins - 8 legs- 8 solder contacts
    See pic - what is the part number SMD in the cream square
    According to the parts list, that is IC902 part# "IC LD7522PS SOP-8". I could just make out D7522PS. The other is IC901 part# "IC ICE2PCS02G PG-DSO-8". According to Google Images, it looks like it is supposed to have a crater in it.

    Comment

    • selldoor
      Slow Learner
      • Dec 2010
      • 7870

      #42
      Re: Sharp LC-47SB57UT will not power on

      Data sheet is here http://www.datasheetdir.com/LD7522PS+PWM-Controllers

      Crater probably signifies the position of pin1


      Pfc controller http://www.google.co.uk/url?sa=t&rct...,d.d2k&cad=rja
      Last edited by selldoor; 12-17-2012, 07:08 AM.
      Please upload pictures using attachment function when ask for help on the repair
      http://www.badcaps.net/forum/showthread.php?t=39740

      Comment

      • johnboy1313
        Badcaps Legend
        • Nov 2012
        • 1959
        • USA

        #43
        Re: Sharp LC-47SB57UT will not power on

        Originally posted by selldoor
        Data sheet is here http://www.datasheetdir.com/LD7522PS+PWM-Controllers

        Crater probably signifies the position of pin1


        Pfc controller http://www.google.co.uk/url?sa=t&rct...,d.d2k&cad=rja
        Do you suspect one or both of these to be bad?

        Comment

        • budm
          Badcaps Legend
          • Feb 2010
          • 40746
          • USA

          #44
          Re: Sharp LC-47SB57UT will not power on

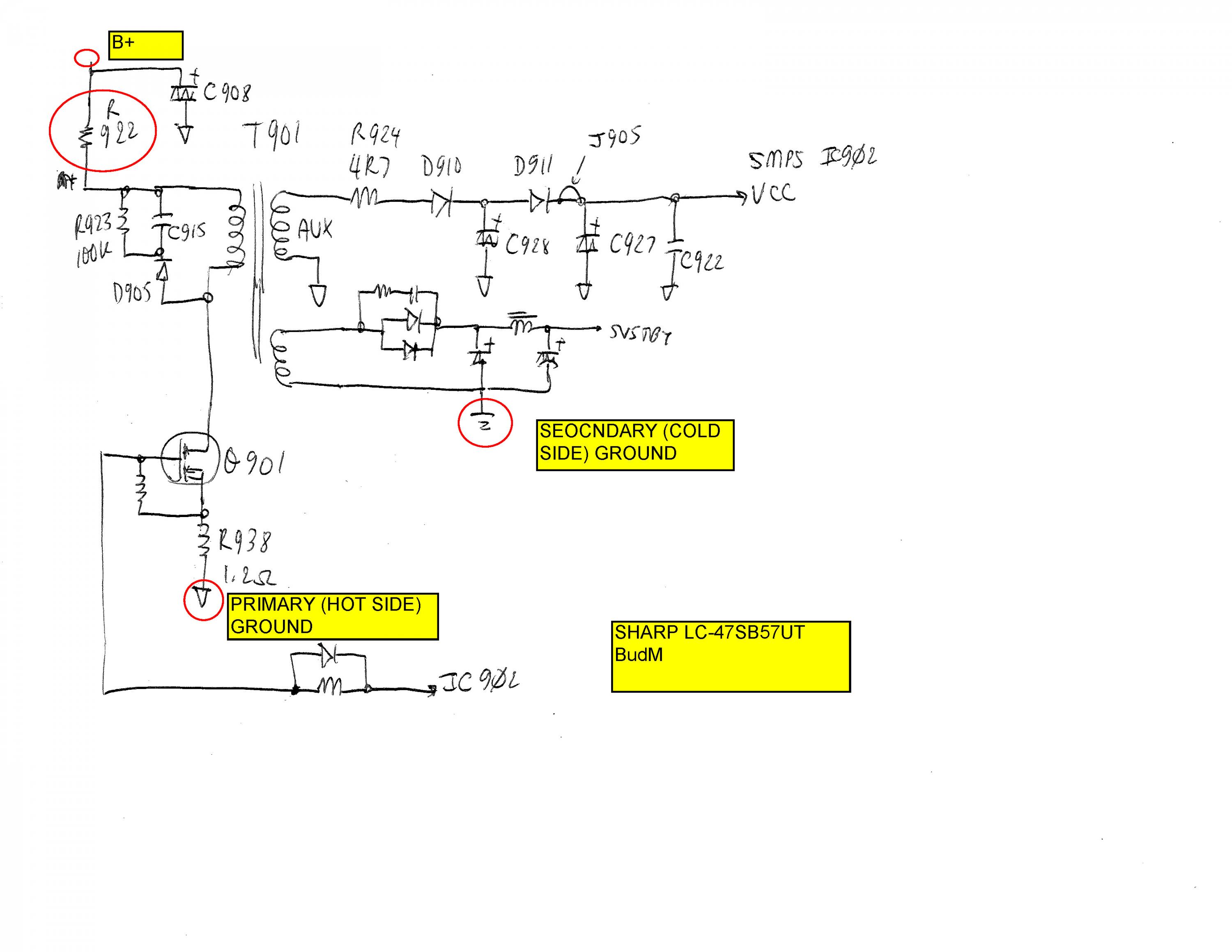
          Check fusible resistor R922, R938, R924 to see if they are open.
          Attached Files
          Never stop learning
          Basic LCD TV and Monitor troubleshooting guides.
          http://www.badcaps.net/forum/showthr...956#post305956

          Voltage Regulator (LDO) testing:
          http://www.badcaps.net/forum/showthr...999#post300999

          Inverter testing using old CFL:
          http://www.badcaps.net/forum/showthr...er+testing+cfl

          Tear down pictures : Hit the ">" Show Albums and stories" on the left side
          http://s807.photobucket.com/user/budm/library/

          TV Factory reset codes listing:
          http://www.badcaps.net/forum/showthread.php?t=24809

          Comment

          • johnboy1313
            Badcaps Legend
            • Nov 2012
            • 1959
            • USA

            #45
            Re: Sharp LC-47SB57UT will not power on

            None of those three resistors are open.

            Comment

            • budm
              Badcaps Legend
              • Feb 2010
              • 40746
              • USA

              #46
              Re: Sharp LC-47SB57UT will not power on

              Then I would try replacing those two startup caps we have mentions to see what happen.
              Never stop learning
              Basic LCD TV and Monitor troubleshooting guides.
              http://www.badcaps.net/forum/showthr...956#post305956

              Voltage Regulator (LDO) testing:
              http://www.badcaps.net/forum/showthr...999#post300999

              Inverter testing using old CFL:
              http://www.badcaps.net/forum/showthr...er+testing+cfl

              Tear down pictures : Hit the ">" Show Albums and stories" on the left side
              http://s807.photobucket.com/user/budm/library/

              TV Factory reset codes listing:
              http://www.badcaps.net/forum/showthread.php?t=24809

              Comment

              • johnboy1313
                Badcaps Legend
                • Nov 2012
                • 1959
                • USA

                #47
                Re: Sharp LC-47SB57UT will not power on

                Will do, I have to look at my wife's van immediately after work while it's still light out, I'll post back with results after 6:00 central time. Thanks to everyone that has offered advice.

                Comment

                • johnboy1313
                  Badcaps Legend
                  • Nov 2012
                  • 1959
                  • USA

                  #48
                  Re: Sharp LC-47SB57UT will not power on

                  By the way, the capacitor's that were suggested to be changed are
                  10uf 50V
                  100uf 50V

                  Locally, I can get
                  10uf 100V
                  220uf 50V

                  I was told that these would work. Is that true? If not, I can scavenge from a working power supply or order new and wait.

                  Comment

                  • tom66
                    EVs Rule
                    • Apr 2011
                    • 32560
                    • UK

                    #49
                    Re: Sharp LC-47SB57UT will not power on

                    The 100V is fine but you should try to find a 100uF cap.
                    Please do not PM me with questions! Questions via PM will not be answered. Post on the forums instead!
                    For service manual, schematic, boardview (board view), datasheet, cad - use our search.

                    Comment

                    • johnboy1313
                      Badcaps Legend
                      • Nov 2012
                      • 1959
                      • USA

                      #50
                      Re: Sharp LC-47SB57UT will not power on

                      ok

                      Comment

                      • johnboy1313
                        Badcaps Legend
                        • Nov 2012
                        • 1959
                        • USA

                        #51
                        Re: Sharp LC-47SB57UT will not power on

                        Got the van taken care of early. I put the 10uf 100v cap in and swapped 100uf 50v caps from another working psu. The other psu still works. This one still does not. Same exact symptoms.

                        Comment

                        • tom66
                          EVs Rule
                          • Apr 2011
                          • 32560
                          • UK

                          #52
                          Re: Sharp LC-47SB57UT will not power on

                          Wait, where did the second PSU come into it?
                          I'm really lost...
                          Please do not PM me with questions! Questions via PM will not be answered. Post on the forums instead!
                          For service manual, schematic, boardview (board view), datasheet, cad - use our search.

                          Comment

                          • johnboy1313
                            Badcaps Legend
                            • Nov 2012
                            • 1959
                            • USA

                            #53
                            Re: Sharp LC-47SB57UT will not power on

                            It came from an lg 37lg30 with a cracked screen.

                            Comment

                            • tom66
                              EVs Rule
                              • Apr 2011
                              • 32560
                              • UK

                              #54
                              Re: Sharp LC-47SB57UT will not power on

                              They are compatible???
                              Since when has LG used Unihan parts???
                              Please do not PM me with questions! Questions via PM will not be answered. Post on the forums instead!
                              For service manual, schematic, boardview (board view), datasheet, cad - use our search.

                              Comment

                              • johnboy1313
                                Badcaps Legend
                                • Nov 2012
                                • 1959
                                • USA

                                #55
                                Re: Sharp LC-47SB57UT will not power on

                                I pulled a capacitor off of each psu with the same 100uf 50v rating and swapped them. I then put each psu back into their respective tvs. The lg still powers up, the sharp still doesn't.

                                Comment

                                • tom66
                                  EVs Rule
                                  • Apr 2011
                                  • 32560
                                  • UK

                                  #56
                                  Re: Sharp LC-47SB57UT will not power on

                                  Oh, ok.
                                  Time to look elsewhere.

                                  You have fluctuating 5V standby?
                                  So, do you have other fluctuating rails?
                                  We had a 50" LG plasma here with fluctuating 5V, dead 12V. Turned out 12V diode was dead short.
                                  Please do not PM me with questions! Questions via PM will not be answered. Post on the forums instead!
                                  For service manual, schematic, boardview (board view), datasheet, cad - use our search.

                                  Comment

                                  • johnboy1313
                                    Badcaps Legend
                                    • Nov 2012
                                    • 1959
                                    • USA

                                    #57
                                    Re: Sharp LC-47SB57UT will not power on

                                    I'm not sure what fluctuating rails are, but no other pins fluctuate. If I knew what was driven from the PSU to the main and from the main to the PSU, I could probably temporarily retrofit a known good PSU with the same outputs/inputs (if one exists and happens to be in my basement) to the chassis, just to confirm/disprove a PSU fault.

                                    I've been looking though the service manual, trying to find the answer but I'm not experienced enough to be able to spot it right away. Any chance one of you could browse these?
                                    Attached Files

                                    Comment

                                    • johnboy1313
                                      Badcaps Legend
                                      • Nov 2012
                                      • 1959
                                      • USA

                                      #58
                                      Re: Sharp LC-47SB57UT will not power on

                                      In the attached picture called "flags", what do the circled flags represent?
                                      Attached Files

                                      Comment

                                      • tom66
                                        EVs Rule
                                        • Apr 2011
                                        • 32560
                                        • UK

                                        #59
                                        Re: Sharp LC-47SB57UT will not power on

                                        Nets... they indicate connections to each other (with the same name) done to make the schematic a little clearer.
                                        Please do not PM me with questions! Questions via PM will not be answered. Post on the forums instead!
                                        For service manual, schematic, boardview (board view), datasheet, cad - use our search.

                                        Comment

                                        • johnboy1313
                                          Badcaps Legend
                                          • Nov 2012
                                          • 1959
                                          • USA

                                          #60
                                          Re: Sharp LC-47SB57UT will not power on

                                          That's what I figured. Thanks

                                          Comment

                                          Related Topics

                                          Collapse

                                          • advant
                                            Driving a Sharp TCON/panel with a universal main board
                                            by advant
                                            This thread is about trying to get an Universal Main Board to work with a Sharp TCON and panel.

                                            I have a Sharp LC-46D85UN TV that has had a main board issue. Since this model is from 2009, I am not able to find an exact replacement of the main board. Instead, I decided to see if I can future proof this tv by getting a Universal Main Board (T53U21.2) from China to work with the Sharp TCON (CPWBX4291TPZA) and panel. The universal main board supports a 8 bit dual channel LVDS interface whereas the TCON requires a 10 bit dual channel LVDS input. I have modded the LVDS connector to match...
                                            02-03-2020, 12:25 AM
                                          • sefoster
                                            Sharp Aquos Lc-80LE757U flashing Sharp on screen when plugged in
                                            by sefoster
                                            I have a Sharp Aquos LC-80LE757U that randomly made a loud popping noise when when watching TV one day. We found that the fuse blew and the thermistor. We ended up replacing the entire power supply board and have also replaced the TCON board. Now as soon as I plug the TV in it lights up and has the Sharp logo flashing on and off of the screen. If I unplug the ribbon cable from the TCON board to the main board I get the 2 long 5 short error code. Any ideas on where to go from here? We've tried resetting it but nothing has worked. If we plug it in and let it cycle through the flashing of the Sharp...
                                            11-20-2022, 09:29 AM
                                          • gavenb
                                            Sharp LC-80LE661U 80 inch
                                            by gavenb
                                            Hi folks!
                                            I have a LC-80LE661U that had some interesting issues.
                                            Initially, it would come on and show the sharp logo and would show normal static before shutting off.

                                            I started troubleshooting by disconnecting the led lighting strips and turning it on. It would do the same thing - come on, show the sharp logo and shut off. After reading, it was suggested to replace the main board. That was replaced and the same symptoms resulted. After this and some reading, the parts cannon got loaded up. I replaced the power board, same issue. Replaced the Tcon board and now it...
                                            11-12-2023, 02:05 PM
                                          • SONY_E-WASTER
                                            Help! Sharp LC-70UE30U 3 long flashes + 3 short flashes.
                                            by SONY_E-WASTER
                                            Hello, I'm new to this forum. I like to tinker with Sony electronics, I have been lucky trouble shooting sony stuff, But I can't find much info on this Sharp TV.

                                            The problem; plug to power>white led power indicator light is on>it turns on to the red Sharp logo>
                                            then the android logo is displayed, lit fine then the android logo brightness varies, then lit normal, then the tv restarts and does the same startup logos over and over for 5 times then it turns off and the power indicator light flashes the trouble code 3 long blinks plus 3 short blinks .

                                            does...
                                            12-26-2021, 05:46 PM
                                          • Superbee_dad
                                            Sharp 80” long short flash backlight error - Help
                                            by Superbee_dad
                                            Hello Sharp TV experts
                                            Our Sharp LC-80LE642U displays one short one long flash error code which is a backlight error. I went into service mode and there were 8 lamp error counts recorded. I reset the count to 0 and did a reset. The last monitor error cause was 16 B00014639:12. 16 is the code for backlight error. I tried to power the tv up but went back into error mode.

                                            > I checked voltages on the power supply board and they all check out .. including 3.28 volts at the error pin.
                                            > There is power to the cpu and T-CONN and no faults found there. The cpu has a flashing...
                                            01-24-2025, 11:51 PM
                                          • Loading...
                                          • No more items.
                                          Working...