Re: Sanyo DP46840
Yes I did that earlier:
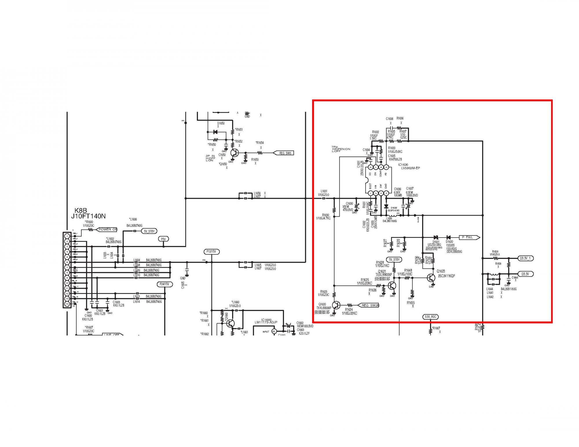
OK so going thru the service manual it shows 4 power failure circuits to check:
IC 1630 I'm getting a steady 3.1vdc not 3.3, is that an issue?
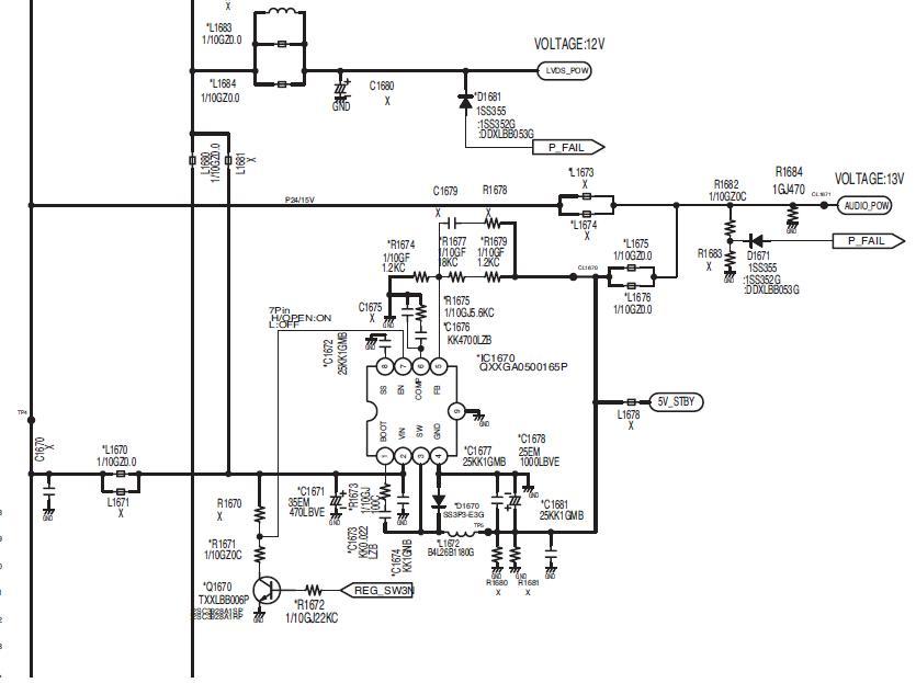
Audio.Pow IC1670 is where I think the problem is, gets 24v in, but out is sporatic, winds up at about 3vdc before shutdown.
IC 1660 is good, 9v
and 12V supply is good.
Had 3.1vdc at IC1630 instead of 3.3v
and also erraric readings and Audio Pow
So what can I check at about that low voltage at IC1630?
Yes I did that earlier:
OK so going thru the service manual it shows 4 power failure circuits to check:
IC 1630 I'm getting a steady 3.1vdc not 3.3, is that an issue?
Audio.Pow IC1670 is where I think the problem is, gets 24v in, but out is sporatic, winds up at about 3vdc before shutdown.
IC 1660 is good, 9v
and 12V supply is good.
Had 3.1vdc at IC1630 instead of 3.3v
and also erraric readings and Audio Pow
So what can I check at about that low voltage at IC1630?
Comment