Cyberpower PR1500 won't charge battery

Collapse
X
 
  • Time
  • Show
Clear All
new posts
  • elmo
    Member
    • Dec 2014
    • 21
    • USA

    #1

    Cyberpower PR1500 won't charge battery

    I have a Cyberpower PR1500 UPS that has been working well for about ten years. The other day we had a power outage. The UPS failed to supply power. When the power came back on, the unit failed to come back. It was absolutely dead. Pushing the "ON/OFF" button did nothing. When I found out that most UPS units will not operate if the battery voltage is too low, I checked the battery voltage. It was about 34 volts instead of 48. I removed the battery pack and charged it up to about 46 volts. I put it back into the UPS and pushed the "ON/OFF" button. The unit came on and showed about half charge. After about two hours the unit was indicating only one quarter charge. This tells me that the battery charging circuit is not working. I removed the circuit board from the unit and gave it a good visual inspection but did not see anything that looked burned out. I thought I could trace the output to the battery back to some semiconductor that I could test, but I was not able to trace it far enough to do any good. There are a couple of diodes marked "HER305" that look heavy enough to carry some current, but they don't show any visual signs of distress. I don't have a schematic or know where I could get one. Does anyone have any suggestions?
  • stj
    Great Sage 齊天大聖
    • Dec 2009
    • 31246
    • Albion

    #2
    Re: Cyberpower PR1500 won't charge battery

    one idea is for you to understand the battery life - it's far less than 10 years.
    Attached Files

    Comment

    • budm
      Badcaps Legend
      • Feb 2010
      • 40746
      • USA

      #3
      Re: Cyberpower PR1500 won't charge battery

      10 years? you'll be lucky if get 3~5 years.
      What DC Voltage do you get at the wires (red and black) to the batteries without batteries connected, around 55VDC?
      Never stop learning
      Basic LCD TV and Monitor troubleshooting guides.
      http://www.badcaps.net/forum/showthr...956#post305956

      Voltage Regulator (LDO) testing:
      http://www.badcaps.net/forum/showthr...999#post300999

      Inverter testing using old CFL:
      http://www.badcaps.net/forum/showthr...er+testing+cfl

      Tear down pictures : Hit the ">" Show Albums and stories" on the left side
      http://s807.photobucket.com/user/budm/library/

      TV Factory reset codes listing:
      http://www.badcaps.net/forum/showthread.php?t=24809

      Comment

      • elmo
        Member
        • Dec 2014
        • 21
        • USA

        #4
        Re: Cyberpower PR1500 won't charge battery

        Thanks for your replies. I understand that batteries don't last forever. However, they seem to be taking a charge and holding up fairly well. I now have them charged to 48 volts. I don't want to invest in new batteries if the UPS won't work. If I can get the UPS back to working, I will consider buying new batteries.

        Comment

        • budm
          Badcaps Legend
          • Feb 2010
          • 40746
          • USA

          #5
          Re: Cyberpower PR1500 won't charge battery

          So what is the charging Voltage you are getting? That Voltage should be present the minute you have the ups plugged into the AC outlet. I will not be surprised if you do have bad caps in the switching power supply for the charging circuits.
          Open load voltage of 48 does not indicate batteries are OK unless it is tested under load, the ESR of the batteries is probably high right now for 10 years old batteries.
          Last edited by budm; 01-04-2015, 01:55 PM.
          Never stop learning
          Basic LCD TV and Monitor troubleshooting guides.
          http://www.badcaps.net/forum/showthr...956#post305956

          Voltage Regulator (LDO) testing:
          http://www.badcaps.net/forum/showthr...999#post300999

          Inverter testing using old CFL:
          http://www.badcaps.net/forum/showthr...er+testing+cfl

          Tear down pictures : Hit the ">" Show Albums and stories" on the left side
          http://s807.photobucket.com/user/budm/library/

          TV Factory reset codes listing:
          http://www.badcaps.net/forum/showthread.php?t=24809

          Comment

          • kc8adu
            Super Moderator
            • Nov 2003
            • 8832
            • U.S.A!

            #6
            Re: Cyberpower PR1500 won't charge battery

            do those batteries hold up under a load?even a car headlight on each?
            chances are NO.
            48v unloaded is nearly dead.
            those are way past replacement time.

            Comment

            • budm
              Badcaps Legend
              • Feb 2010
              • 40746
              • USA

              #7
              Re: Cyberpower PR1500 won't charge battery

              Please up load good clear pictures of the whole unit with boards in place and then good clear pictures of the boards.
              Never stop learning
              Basic LCD TV and Monitor troubleshooting guides.
              http://www.badcaps.net/forum/showthr...956#post305956

              Voltage Regulator (LDO) testing:
              http://www.badcaps.net/forum/showthr...999#post300999

              Inverter testing using old CFL:
              http://www.badcaps.net/forum/showthr...er+testing+cfl

              Tear down pictures : Hit the ">" Show Albums and stories" on the left side
              http://s807.photobucket.com/user/budm/library/

              TV Factory reset codes listing:
              http://www.badcaps.net/forum/showthread.php?t=24809

              Comment

              • elmo
                Member
                • Dec 2014
                • 21
                • USA

                #8
                Re: Cyberpower PR1500 won't charge battery

                Will do as soon as I can. I don't know how to do that yet.

                Comment

                • Agent24
                  I see dead caps
                  • Oct 2007
                  • 5059
                  • New Zealand

                  #9
                  Re: Cyberpower PR1500 won't charge battery

                  How to upload photos: https://www.badcaps.net/forum/showthread.php?t=1868
                  "Tantalum for the brave, Solid Aluminium for the wise, Wet Electrolytic for the adventurous"
                  -David VanHorn

                  Comment

                  • tester272001
                    Senior Member
                    • Apr 2011
                    • 91
                    • USA

                    #10
                    Re: Cyberpower PR1500 won't charge battery

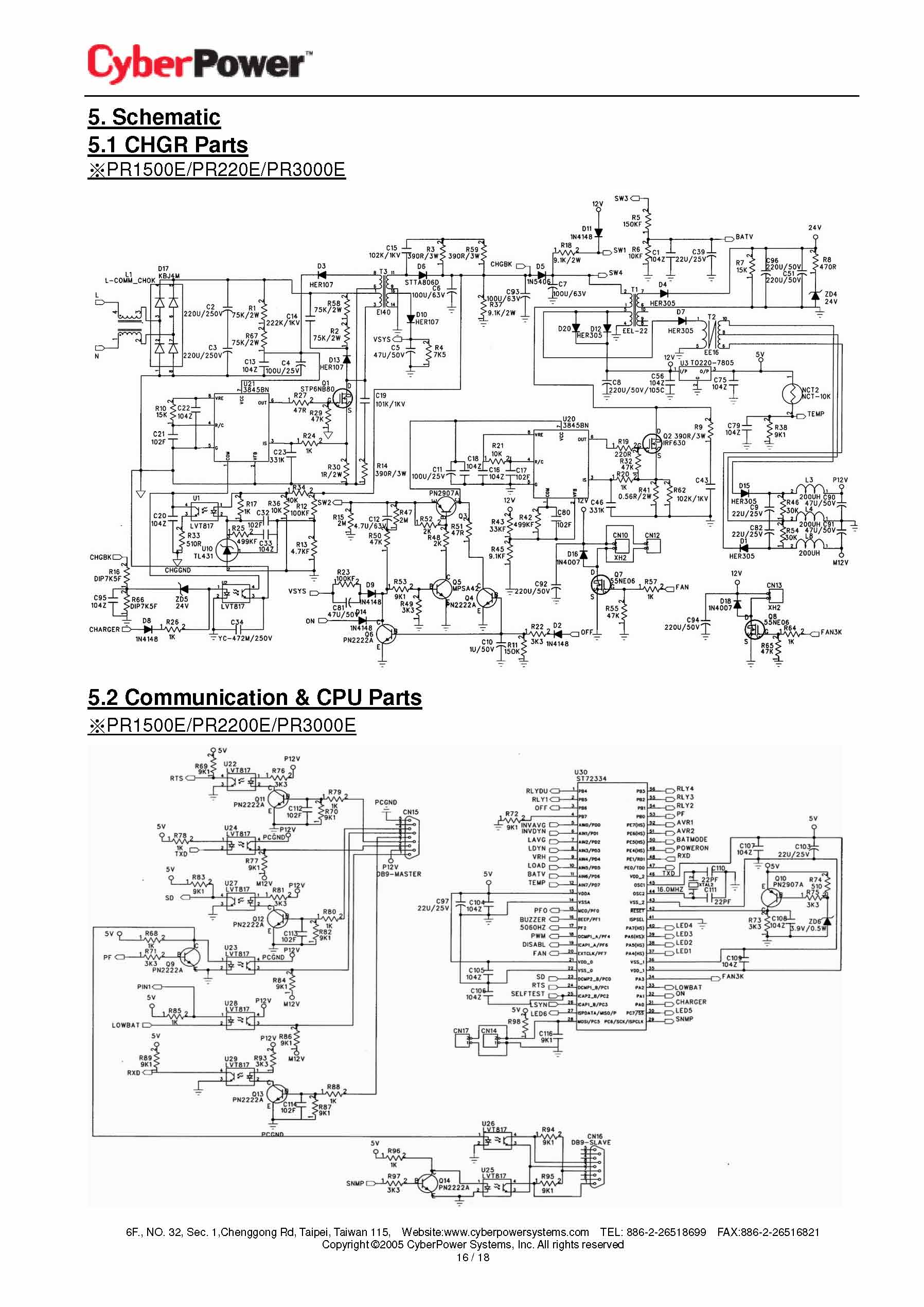
                    OK here is something you can try. Some of these Cyberpower have a FUSE under the transformer. I had the same thing happen with one and I traced the power backwards and when it hit the traces for the transformer area it was dead. I had no schematic and the PCB said nothing about a fuse. Once I pulled the transformer I saw it (hidden under xfmr)! I replaced the fuse and I was back in business charging battery Mine happened after a power outage as well, I think a lightning strike or surge.
                    Oh I found a copy of the service manual for you and the schematic is in there too! Good luck man!
                    Attached Files
                    Last edited by tester272001; 01-08-2015, 09:51 PM. Reason: add pic and explain

                    Comment

                    • budm
                      Badcaps Legend
                      • Feb 2010
                      • 40746
                      • USA

                      #11
                      Re: Cyberpower PR1500 won't charge battery

                      If that service manual is correct, then you need to check and see if the charger diagrams matches your chassis.
                      Attached Files
                      Never stop learning
                      Basic LCD TV and Monitor troubleshooting guides.
                      http://www.badcaps.net/forum/showthr...956#post305956

                      Voltage Regulator (LDO) testing:
                      http://www.badcaps.net/forum/showthr...999#post300999

                      Inverter testing using old CFL:
                      http://www.badcaps.net/forum/showthr...er+testing+cfl

                      Tear down pictures : Hit the ">" Show Albums and stories" on the left side
                      http://s807.photobucket.com/user/budm/library/

                      TV Factory reset codes listing:
                      http://www.badcaps.net/forum/showthread.php?t=24809

                      Comment

                      • elmo
                        Member
                        • Dec 2014
                        • 21
                        • USA

                        #12
                        Re: Cyberpower PR1500 won't charge battery

                        Thanks for all your helpful replies. I especially appreciated the schematics. However, my UPS is a PR1500, no suffix. It is designed for 120VAC input and has 6 NEMA 5-15R outlets. I don't know if the schematic is the same. I have been studying the schematic for the charger parts but could not figure out how the 55 Volt charging voltage is generated. 120 VAC input should generate about 168 VDC across C2 and C3. I couldn't figure out what happens after that. After a lengthy search of my circuit board I was not able to find D17. C1, which is across the line input does not show on the schematic either. I have attached three photos of the UPS and the circuit board as requested. I labeled some of the parts since you probably can't read much in the photo. So, I am still stuck as to how to test my board for a malfunction. Any further suggestions would be greatly appreciated.

                        Comment

                        • elmo
                          Member
                          • Dec 2014
                          • 21
                          • USA

                          #13
                          Re: Cyberpower PR1500 won't charge battery

                          It appears that the photos did not get attached. I will try again
                          Attached Files

                          Comment

                          • tester272001
                            Senior Member
                            • Apr 2011
                            • 91
                            • USA

                            #14
                            Re: Cyberpower PR1500 won't charge battery

                            Ok, try a simple approach. Use DMM to check continuity, starting from the positive lead of the batter and follow back as far as you can. If there is a defective component you will eventually get an open circuit.
                            Oh, i looked at pics. Definately look under tge transformers for a possible FUSE. You can tell under the pcb (under transformers) if there are pads in the middle. Might be hard ti see tge fuse from the top.
                            Last edited by tester272001; 01-10-2015, 03:06 PM. Reason: add suggestion

                            Comment

                            • elmo
                              Member
                              • Dec 2014
                              • 21
                              • USA

                              #15
                              Re: Cyberpower PR1500 won't charge battery

                              tester

                              Thanks for all your suggestions. I, too, thought I could trace the battery charger circuit back from the output to find the malfunction. However, I only got as far as the output capacitors. There was only one small trace from there, leading to a small transformer which didn't make any sense. This is a difficult board to trace because all the traces are covered by a protective layer and covered on top by components. And, no, there was no fuse under the transformer. I didn't find any sign of a fuse under any transformer.

                              I worked with the schematic for quite a while and finally came to the conclusion that it isn't the correct one for the PR1500. I will probably need the correct schematic or someone who has had experience with this model, to be able to repair it. It might help if I had some idea of what the various sections of the board do; like where is the 55 volt charging voltage generated. If anyone has any suggestions please let me know.

                              Comment

                              • budm
                                Badcaps Legend
                                • Feb 2010
                                • 40746
                                • USA

                                #16
                                Re: Cyberpower PR1500 won't charge battery

                                FYI: I am still looking at the board layout.
                                Never stop learning
                                Basic LCD TV and Monitor troubleshooting guides.
                                http://www.badcaps.net/forum/showthr...956#post305956

                                Voltage Regulator (LDO) testing:
                                http://www.badcaps.net/forum/showthr...999#post300999

                                Inverter testing using old CFL:
                                http://www.badcaps.net/forum/showthr...er+testing+cfl

                                Tear down pictures : Hit the ">" Show Albums and stories" on the left side
                                http://s807.photobucket.com/user/budm/library/

                                TV Factory reset codes listing:
                                http://www.badcaps.net/forum/showthread.php?t=24809

                                Comment

                                • budm
                                  Badcaps Legend
                                  • Feb 2010
                                  • 40746
                                  • USA

                                  #17
                                  Re: Cyberpower PR1500 won't charge battery

                                  OK, replace C40 (100uF 25V) startup cap, you should also replace the output filter caps C44, C47 (100uF 63V), C45 (47uf 50V) at the same time.
                                  Replace C40 will make the charger circuit work again.
                                  Use good caps such as Panasonic FM/FC/FR series from Mouser or Digikey.
                                  Attached Files
                                  Last edited by budm; 01-15-2015, 12:39 PM.
                                  Never stop learning
                                  Basic LCD TV and Monitor troubleshooting guides.
                                  http://www.badcaps.net/forum/showthr...956#post305956

                                  Voltage Regulator (LDO) testing:
                                  http://www.badcaps.net/forum/showthr...999#post300999

                                  Inverter testing using old CFL:
                                  http://www.badcaps.net/forum/showthr...er+testing+cfl

                                  Tear down pictures : Hit the ">" Show Albums and stories" on the left side
                                  http://s807.photobucket.com/user/budm/library/

                                  TV Factory reset codes listing:
                                  http://www.badcaps.net/forum/showthread.php?t=24809

                                  Comment

                                  • elmo
                                    Member
                                    • Dec 2014
                                    • 21
                                    • USA

                                    #18
                                    Re: Cyberpower PR1500 won't charge battery

                                    budm

                                    I got the replacement capacitors for Digi-key yesterday and started replacing them today. I first removed C40. After removing it from the board I checked it with an ohmmeter. It seemed to check OK. The resistance first measured a short and then climbed toward infinity (>2Mohm). Could it still be bad or could something else be wrong?

                                    Comment

                                    • budm
                                      Badcaps Legend
                                      • Feb 2010
                                      • 40746
                                      • USA

                                      #19
                                      Re: Cyberpower PR1500 won't charge battery

                                      Capacitor cannot be check by Ohm meter since if it still have capacitance but not the correct capacitance, it will still show that it is charging up on the meter, you need capacitance meter and ESR meter to verify the cap.
                                      For example, you can measure the 10uF and 47 uF, you will see both caps can be charged up by the meter so if the 47uF capacitance drop down to 10uF but the circuit requires 47uF to run, you meter will not show that. Then you have to verify the ESR of the cap also.
                                      So are you getting the 55VDC at the black and red wires to the batteries, batteries are not needed to be connected?
                                      Last edited by budm; 01-24-2015, 04:28 PM.
                                      Never stop learning
                                      Basic LCD TV and Monitor troubleshooting guides.
                                      http://www.badcaps.net/forum/showthr...956#post305956

                                      Voltage Regulator (LDO) testing:
                                      http://www.badcaps.net/forum/showthr...999#post300999

                                      Inverter testing using old CFL:
                                      http://www.badcaps.net/forum/showthr...er+testing+cfl

                                      Tear down pictures : Hit the ">" Show Albums and stories" on the left side
                                      http://s807.photobucket.com/user/budm/library/

                                      TV Factory reset codes listing:
                                      http://www.badcaps.net/forum/showthread.php?t=24809

                                      Comment

                                      • elmo
                                        Member
                                        • Dec 2014
                                        • 21
                                        • USA

                                        #20
                                        Re: Cyberpower PR1500 won't charge battery

                                        budm

                                        I have not replaced C40 yet. I wanted to make sure that that was still the right thing to do. I will go ahead and do that as well as C44, C45, and C47. This will take me a little time because the capacitors are hard to remove. I will get back to you as soon as I have replaced them and reinstalled the board in the UPS.

                                        Comment

                                        Related Topics

                                        Collapse

                                        • razenxd
                                          How can I charge that battery pack?
                                          by razenxd
                                          Hello,
                                          it's not a laptop/desktop related question but I figured that someone here will have the right knowledge.
                                          At work we use a few Aldebaran(now Softbank/United Robotics group) Nao Robots which they use some custom 6S li-on battery packs.
                                          Nao robots tends to draw from the battery even if they are shut down, and the BMS tends to be a little aggresive, if the pack stays on a turned off robot for 3 months it's gonna lock and will refuse to charge.

                                          Now, I have noticed a few things.
                                          The "dead" battery, while connected to charger and NOT Charging will...
                                          12-05-2024, 06:11 AM
                                        • ruletero
                                          Acer a515-43 low battery charge voltage
                                          by ruletero
                                          Hi

                                          Acer A515-43
                                          LA-H801P

                                          Fail: Does not charge battery, has low voltaje on connector.

                                          Laptop didn't want to turn on, only charge led blinked.

                                          I found PQB5 (mosfet high battery charger) in short, voltaje in +12.6V_BATT was 19 v ...

                                          I changed it, changed PQB6 too and now battery charger voltage is 4.4V but battery is 3 cell, 11.25v, then is very low to charging.

                                          Laptop turns on without battery and works fine, but with battery turns on and turns off inmediately, I suspect battery bad but I don't know...
                                          10-24-2022, 02:31 PM
                                        • Klevjetack
                                          Charge a L19D3PDA battery externally from the laptop
                                          by Klevjetack
                                          Is there a way to externally charge a L19D3PDA battery from the laptop. I have a broken charging port on my laptop and am trying to find a way to charge the battery for it. I have been doing some research and I have found that there is a module, TP4056, that can be used to charge Li-ion batteries. It says it is used to charge single cell Li-ion batteries. The L19D3PDA battery is a three cell battery. Is it possible to use the module to charge my battery and it would just be very slow? Or would that be a bad idea. Is there a different kind of module I can use to charge my Li-ion three cell battery?...
                                          03-05-2024, 07:26 AM
                                        • coasterghost
                                          Lenovo T14 Gen 2 Type 20XK Model 20XK0069US Odd Charging Issues
                                          by coasterghost
                                          For Badcaps Readers, Please note that I am hopefully going to present this same message to Lenovo to see if they have any insight to the matter as well and figured to share the entirety here for clarification. The System is out of warranty as it is but does have the option to have it extended.

                                          Model Information: T14 Gen 2 (Type 20XK, 20XL) Laptop (ThinkPad) - Type 20XK - Model 20XK0069US
                                          Board: T14 Gen 2 (Type 20XK, 20XL) - Type 20XK.

                                          System Hardware:
                                          Processor: AMD Ryzen 7 PRO 5850U
                                          Memory: 1x 16GB DDR4 3200 (Soldered on Board); 1x Crucial 32GB DDR4...
                                          09-08-2025, 10:46 PM
                                        • dclass-pro
                                          Latitude 3301 not charge battery
                                          by dclass-pro
                                          Hi guys I have this dell that with the battery charged it turns on correctly, but if I connect the charger I get the charging symbol but it doesn't charge the battery.
                                          I found the shorted charger PU4401 ISL9538h that had pins 14 and 15 shorted and I replaced it. but it still doesn't charge.
                                          I noticed 2 things:
                                          1) without the battery connected if I connect the power supply, on the SDA and SCL pins of the battery I have 0V I measured the resistance with ground and it is very high, if I connect the battery I have 3v on the 2 lines.
                                          2) if I try to turn it on without the battery...
                                          05-06-2025, 06:19 AM
                                        • Loading...
                                        • No more items.
                                        Working...