Hi everyone.
I have a Samsung TV with a BN44-00301A PS board. When plugged in the TV shows no signs of life what so ever. No red standby light, no clicking, no back light..nothing!!
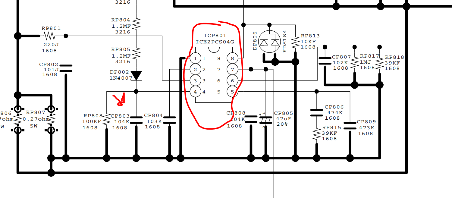
First, I can´t find the right schematic online, if anyone has a copy, or know where I can get one I would really appreciate it.
Second, I have checked the fuses, they are good. I have measured +/- 400VDC at the rectifier bridge.
I'm a noob at this so any help would be awesome.
Pics of the board are attached..no signs of heat of anything else.
Cheers.
I have a Samsung TV with a BN44-00301A PS board. When plugged in the TV shows no signs of life what so ever. No red standby light, no clicking, no back light..nothing!!
First, I can´t find the right schematic online, if anyone has a copy, or know where I can get one I would really appreciate it.
Second, I have checked the fuses, they are good. I have measured +/- 400VDC at the rectifier bridge.
I'm a noob at this so any help would be awesome.
Pics of the board are attached..no signs of heat of anything else.
Cheers.
Comment