Hi,
I am totally new in Audio/TV repair and Electronic in general, but keen to learn basic electronics in TV and Audio systems.
I have been investigating this Soundspace 5 system for a few weeks now, doing some very basic check but heading no way...
Here's what I know:
1) Main system is good - Radio and CD Changer works, and clear sound when using headphone, and volume control works.
2) Both powered speakers sound level very low - almost no sound at mid-level volume, and audible (but low) at full volume.
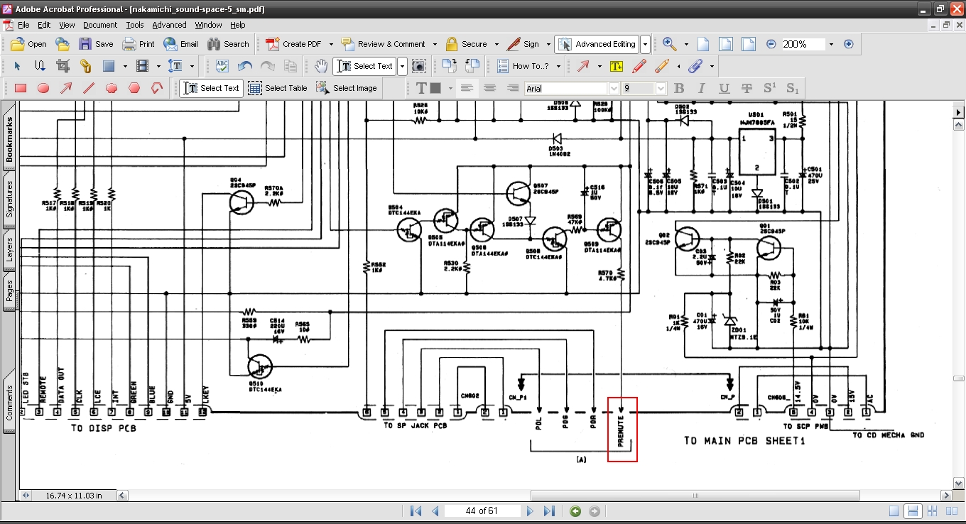
3) I have opened the main unit and powered speakers. Visually inspected and using DMM to check power and signal sources, resistors and capacitors values, and traced a few circuits, all appeared to be good. Where some resistors and capacitors seemed to be above/below specs, I have pulled them out of circuit and measured OK with DMM.
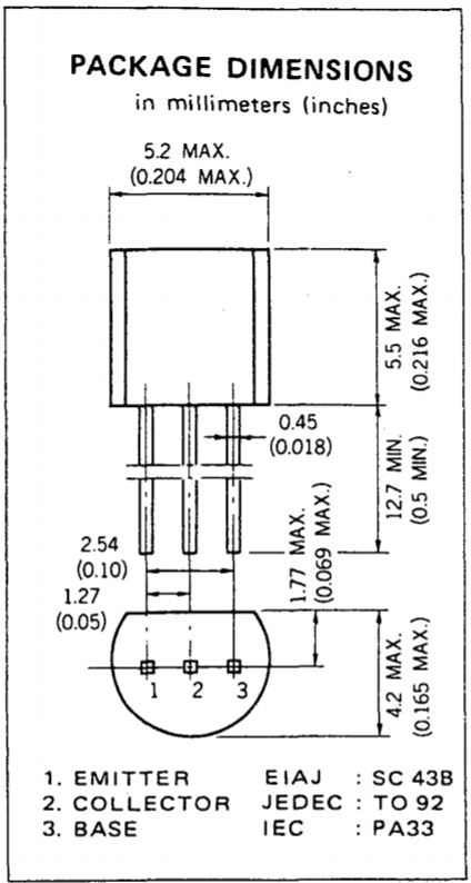
*soundspace 5 service manual here: https://elektrotanya.com/nakamichi_s.../download.html
I have been focusing on the powered speaker's AMP, simply because it's easy access.. The main board seems too complex to even try...
Any suggestion on where else to check and trouble shoot further?
Thank you.
I am totally new in Audio/TV repair and Electronic in general, but keen to learn basic electronics in TV and Audio systems.
I have been investigating this Soundspace 5 system for a few weeks now, doing some very basic check but heading no way...
Here's what I know:
1) Main system is good - Radio and CD Changer works, and clear sound when using headphone, and volume control works.
2) Both powered speakers sound level very low - almost no sound at mid-level volume, and audible (but low) at full volume.
3) I have opened the main unit and powered speakers. Visually inspected and using DMM to check power and signal sources, resistors and capacitors values, and traced a few circuits, all appeared to be good. Where some resistors and capacitors seemed to be above/below specs, I have pulled them out of circuit and measured OK with DMM.
*soundspace 5 service manual here: https://elektrotanya.com/nakamichi_s.../download.html
I have been focusing on the powered speaker's AMP, simply because it's easy access.. The main board seems too complex to even try...
Any suggestion on where else to check and trouble shoot further?
Thank you.
Comment