I got this the other day. The person that gave it to me said they plugged it in and got nothing. I chastised them for doing that. I am not sure what the model is. The part that said that on the sticker seems to have worn off. Initial inspection reveals that the 'ballast tube' (2ur-224) is hanging by a thread. Someone apparently thought it needed a 1 before the 2ur and drew it on with a pink pencil. I really love the foil shield replacement on the far left tube too. The next thing that I see is that the set has previously been worked over with the addition of another capacitor that is apparently connected in line with the originals (which were probably bad). There is also a suspect looking diode (marked ELM .56) that doesn't appear to be OEM either. The lead connecting it to the tube socket was poorly soldered and has come loose (but still wrapped around the other lead - so basically intermittent).
I have restored one other old radio previously be replacing all the caps and a bad speaker. So I am hoping to get this one going too.
Questions:
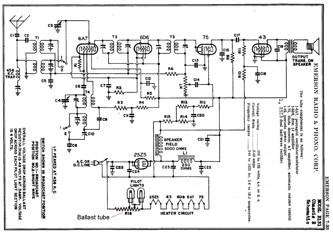
How can I find the exact model number? (it looks pretty close to this one http://www.wkinsler.com/radios/emerson.html)
Where can I get a replacement 2ur-224 ballast tube? According to this it crosses to a L49B.
Any tips on getting it going again? (besides using the dim bulb test and replacing all of the wax capacitors with ceramics and probably that hacked in replacement with 'lytics too)
I have restored one other old radio previously be replacing all the caps and a bad speaker. So I am hoping to get this one going too.
Questions:
How can I find the exact model number? (it looks pretty close to this one http://www.wkinsler.com/radios/emerson.html)
Where can I get a replacement 2ur-224 ballast tube? According to this it crosses to a L49B.
Any tips on getting it going again? (besides using the dim bulb test and replacing all of the wax capacitors with ceramics and probably that hacked in replacement with 'lytics too)
Comment