Help identify a Zener?

Collapse
X
 
  • Time
  • Show
Clear All
new posts
  • tester272001
    Senior Member
    • Apr 2011
    • 91
    • USA

    #1

    Help identify a Zener?

    I have been looking around for a xref to see what this zener might be. I think it might be a 5V zener but the markings are strange to me. Please see pic showing all sides. I cannot tell if the marking is Z05280029 or Z052B0029 or how to read this. Any help is appreciated.
    Attached Files
  • budm
    Badcaps Legend
    • Feb 2010
    • 40746
    • USA

    #2
    Re: Help identify a Zener?

    That is not 'Z', the the 'N' logo of National Semiconductor.
    https://en.wikipedia.org/wiki/National_Semiconductor

    You can find out if it is 5V Zener or not by connecting 470 Ohms resistor in series with the Zener in question then connected them to 9V battery in reverse bias then just use Volt meter to check the Voltage on the Zener in question.
    Never stop learning
    Basic LCD TV and Monitor troubleshooting guides.
    http://www.badcaps.net/forum/showthr...956#post305956

    Voltage Regulator (LDO) testing:
    http://www.badcaps.net/forum/showthr...999#post300999

    Inverter testing using old CFL:
    http://www.badcaps.net/forum/showthr...er+testing+cfl

    Tear down pictures : Hit the ">" Show Albums and stories" on the left side
    http://s807.photobucket.com/user/budm/library/

    TV Factory reset codes listing:
    http://www.badcaps.net/forum/showthread.php?t=24809

    Comment

    • tester272001
      Senior Member
      • Apr 2011
      • 91
      • USA

      #3
      Re: Help identify a Zener?

      Bud, thanks for the feedback! N makes sense! I've seen the test procedure before and I can try that. But I suspect this device as bad. So measuring the voltage might not give me the voltage it is SUPPOSE to be but the defective one. That is why I wanted to lookup the device. Maybe now that I know is National Semiconductor I can look it up! THANKS!

      Comment

      • eccerr0r
        Solder Sloth
        • Nov 2012
        • 8704
        • USA

        #4
        Re: Help identify a Zener?

        seems to be a custom part number, what/where did it come out of?

        Comment

        • tester272001
          Senior Member
          • Apr 2011
          • 91
          • USA

          #5
          Re: Help identify a Zener?

          this is from an Emitter board of a garage door safety sensor. The IR led seems a little dim. It is proprietary by Liftmaster. No exact schematic around and of course no parts list. I cannot seem to cross reference this part. Even knowing it is National it seems TI does not provide any backward lookup for diodes, mainly I see other active components. If you have any TIPS I all all ears! thanks!

          Comment

          • stj
            Great Sage 齊天大聖
            • Dec 2009
            • 31264
            • Albion

            #6
            Re: Help identify a Zener?

            probably just the led failing

            Comment

            • tester272001
              Senior Member
              • Apr 2011
              • 91
              • USA

              #7
              Re: Help identify a Zener?

              Agreed. Is likely the LED. I see there are 2 primary LIGHT frequencies for IR leds (unless I can find a marking on teh IR LED) so I need to either try both wavelengths or see which one the IR receiver uses. it is a TPMS5380 receiver (38khz). I did have to replace a 6.2V zener on the supply so I wanted to check this one for proper voltage.

              Comment

              • redwire
                Badcaps Legend
                • Dec 2010
                • 3912
                • Canada

                #8
                Re: Help identify a Zener?

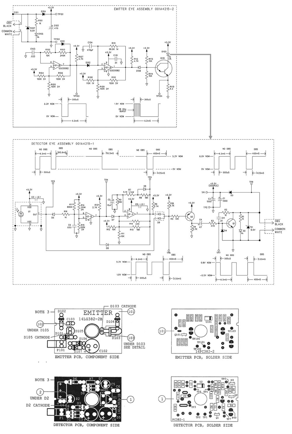
                Post pics of the board. I did schematics for a couple generations of Liftmaster/Chamberlain/Sears garage door sensors. It's a 150Hz pulse train of 38kHz bursts from an LM2903.
                It's usually the IR receiver module that fails in cold weather.
                Original is TSOP1238 and I've heard a TSOP33338 works for a replacement.
                D106 is a 1N4148.

                Liftmaster 14LG472-2B, 14LG472-1B, 14LG372-1B; did not finish a 14SR472-1B schematic.

                Comment

                • tester272001
                  Senior Member
                  • Apr 2011
                  • 91
                  • USA

                  #9
                  Re: Help identify a Zener?

                  here is the front and back of the EMITTER
                  14LG47S-2C
                  I put a temporary DIODE in ther,e the original was shorted. This was flashover lightning/strike.
                  Attached Files
                  Last edited by tester272001; 09-18-2020, 03:45 PM.

                  Comment

                  • tester272001
                    Senior Member
                    • Apr 2011
                    • 91
                    • USA

                    #10
                    Re: Help identify a Zener?

                    the only schematic I found was darn close but older for sure. Doe snot identify actual part VALUES for some components.
                    Attached Files

                    Comment

                    • eccerr0r
                      Solder Sloth
                      • Nov 2012
                      • 8704
                      • USA

                      #11
                      Re: Help identify a Zener?

                      Thank you so much for this schematic, this will go a long way for me to figure out my garage door even if it's not the same. Looks like it too has a bad cap in these units. But anyway the schematic exposes quite a bit of information for me.

                      But it looks like D104 - if that's the unit that's having problem - appears to be a generic diode and you can replace it with anything. Looks like you have a 1N4001 or something like that, it should be fine... is it working?

                      Agreed that the LED itself may be damaged now, quite possibly as a result for D104 shorting, so watch for that.

                      Also it seems that there are no zeners on the board. D107 is the only zener in the schematic, and it looks like the PCB was designed for it, but not silkscreened on the front. It looks like there's a spot for it where "D104" is printed but there's no marking for the true D107. If you want to put in a 6V zener you can, and it might save you from it zapping again and having to fix it again in the future.
                      Last edited by eccerr0r; 09-18-2020, 07:38 PM.

                      Comment

                      • redwire
                        Badcaps Legend
                        • Dec 2010
                        • 3912
                        • Canada

                        #12
                        Re: Help identify a Zener?

                        Here is my schematic for older very similar 14LG472, yours is 14LG479. Same basic circuit as the other. The diode is not a zener but is a 1N4002 in series with power to the board.
                        Very hard to kill a 1N4002 there, it must have been a -ve spike that hopefully found no path to arc.
                        Attached Files

                        Comment

                        • tester272001
                          Senior Member
                          • Apr 2011
                          • 91
                          • USA

                          #13
                          Re: Help identify a Zener?

                          Ecc, Glad to help ! And Red thanks for the schematic. When I saw the red and black casing on the diode it definitely reminded me of a Zener. The silkscreen does not show it as one! When I did a diode test is shows good. So next I will hunt down my IR LED and give it a try!

                          Comment

                          • stj
                            Great Sage 齊天大聖
                            • Dec 2009
                            • 31264
                            • Albion

                            #14
                            Re: Help identify a Zener?

                            Originally posted by tester272001
                            the only schematic I found was darn close but older for sure. Doe snot identify actual part VALUES for some components.
                            but it shows the zener voltages.

                            Comment

                            • tester272001
                              Senior Member
                              • Apr 2011
                              • 91
                              • USA

                              #15
                              Re: Help identify a Zener?

                              Yes the D106 in the schematic I posted has 2 resistors with +5.3V off them and 4.3K Ohm resistor feeds D106. It also does not depict as ZENER (as it does for D107) - so is my diode a 1n4001 or a 5V zener ? Even the schematic Red posted does not show as Zener.

                              Comment

                              • eccerr0r
                                Solder Sloth
                                • Nov 2012
                                • 8704
                                • USA

                                #16
                                Re: Help identify a Zener?

                                In your PCB, there are no zener diodes at all. All are regular diodes. If any of them were actually zeners, the behavior would be weird.

                                However in your PCB, physically where the label "D104" stands on top of (not the actual component that it's currently pointing to), you can see two holes to either side, where there's no component there. Those two holes probably used to be for D107 but is not labeled as such anymore. That position used to be a zener diode - 6 volts according to the schematic. You can put a 6 or 6.2V zener diode there if you wish, but make sure you get the polarity right.

                                Comment

                                • redwire
                                  Badcaps Legend
                                  • Dec 2010
                                  • 3912
                                  • Canada

                                  #17
                                  Re: Help identify a Zener?

                                  The emitter does not care so much about it's operating voltage, the IC is good to 36V. The receiver module is a 5V part though so a zener there would be needed.

                                  Since these (emitter, detector, light switch) are all on the same two-wire (sorta constant current) bus, I have to wonder if the receiver survived the lightning surge.
                                  Attached Files

                                  Comment

                                  • tester272001
                                    Senior Member
                                    • Apr 2011
                                    • 91
                                    • USA

                                    #18
                                    Re: Help identify a Zener?

                                    Until I get the emitter pulsing the 38K frequency I won't know for certain. I suspect the receiver may have gotten zapped as well. I did not detect any pulsing on the U1 device when I put the output on a scope. I thought that maybe the emitter was not strong enough to make the receiver pulse.

                                    Comment

                                    • redwire
                                      Badcaps Legend
                                      • Dec 2010
                                      • 3912
                                      • Canada

                                      #19
                                      Re: Help identify a Zener?

                                      Try a TV remote pointed at the receiver, sometimes the pulse pattern will fool them for a bit.

                                      Comment

                                      • tester272001
                                        Senior Member
                                        • Apr 2011
                                        • 91
                                        • USA

                                        #20
                                        Re: Help identify a Zener?

                                        Originally posted by eccerr0r
                                        In your PCB, there are no zener diodes at all. All are regular diodes. If any of them were actually zeners, the behavior would be weird.

                                        However in your PCB, physically where the label "D104" stands on top of (not the actual component that it's currently pointing to), you can see two holes to either side, where there's no component there. Those two holes probably used to be for D107 but is not labeled as such anymore. That position used to be a zener diode - 6 volts according to the schematic. You can put a 6 or 6.2V zener diode there if you wish, but make sure you get the polarity right.
                                        The D107 in later models was MOVED to the Main board and is called D10. it is a 6.2V Zener. That was blown on the logic board. Replaced that and a few SOT23 transistors and that board is FINE

                                        Comment

                                        Related Topics

                                        Collapse

                                        • caspian
                                          What Zener Diodes on a Linear Power Supply
                                          by caspian
                                          Dear members,

                                          I have a linear variable power supply with unknown brand name that I used for voltage injection.
                                          Then it failed. I discovered that its transistors (Q1 and Q2) are shorted.
                                          In addition, I discovered that its zener diodes are defective.
                                          I can replace the burned transistors.
                                          But I do not know the model of the zener diodes. the model number is not marked on the zener diodes.
                                          Therefore, I cannot replace the zener diodes.
                                          I do not want to test the zener diodes in a test circuit to discover their model or value.
                                          no schematics are available...
                                          05-26-2025, 12:38 PM
                                        • Dvsr
                                          On M-Audio AV40 active studio speaker's two zener diodes get really hot.
                                          by Dvsr
                                          Hi. I need help from wiser guys. I am amateur in electronics and can't figure this out by myself.
                                          I bought faulty speakers, M-Audio AV40's. Other speaker has all the electronics in it and the other speaker is just passive one powered by the other speaker's amp. Original problem with the speakers was loud buzzing. I figured out that there is something wrong with the capacitors. I went ahead and replaced every electrolytic capacitor on the PCB. The caps are good quality and have the same values as the original ones.
                                          After replacing the caps I started testing out the speaker. It seemed...
                                          09-10-2025, 10:20 AM
                                        • hobostove
                                          Corsair RM1000e - Help identify 5VSB Zener diode
                                          by hobostove
                                          Hey there guys. I've got a Corsair power supply that's come across my bench dead. I usually don't mess with power supplies, but it's a slow week so I'm giving it a whirl.

                                          Taking it apart I heard a screw rattling around inside, and when I got it apart I found a couple blown components near what I think is the 5VSB area.

                                          There's a 22ohm resistor that's melted and open, but it still has the bands.

                                          The other part is a zener diode and it's top went to jesus, so I can't read the marking.

                                          It looks like the diode connects the source and drain of a TNY284...
                                          03-27-2025, 02:25 PM
                                        • nev1001
                                          What zener diode might fix the sound on Maestro Mayhem gaming chair?
                                          by nev1001
                                          Hi, I'm looking for a bit of help trying to fix the audio unit from a Maestro Mayhem 4.1 gaming chair please.

                                          The chair has a few speakers and vibration motors. All was well, for a while, but now the sound is gone.

                                          It may be significant that I discovered my son was powering it with a 19V laptop charger when it should run on 12V - it did fully work, for bit.

                                          I think an issue could be a zener diode (or capacitor) which has shorted out.

                                          The board's bluetooth input still works, the vibration motors are working, so is the line out socket but not the...
                                          04-17-2025, 05:09 PM
                                        • sam_sam_sam
                                          NTE Electronics “NTE5251K” Zener Diode 9.1V @ 50W Do-5.5% Want to build a 9.1 output from a 9.6 lipo4 battery pack
                                          by sam_sam_sam
                                          I have bought this Zener Diode for this project what size and wattage resistor value do I need to use to get near 50 watt output
                                          I bought this from an eBay seller but unfortunately they only had one

                                          I bought three from Vetco Electronics these are Sylvania ECG5185A 9.1@10w A to Stud what size and watt resistor do I need to use to get near 10 watt output
                                          I bought three of from them to also make battery packs with this output power limit in mind

                                          I want to use this battery pack and turn it into a 9.1 output battery pack output to eliminate using 9 volt battery...
                                          04-23-2025, 05:50 AM
                                        • Loading...
                                        • No more items.
                                        Working...