Good day folks. I've had this cheap and nasty adjustable power supply in the shop for about a year now. It's called "Bakku" (obviously a take on Hakko), though it's not the least bit important, because I've seen this exact same product under many different names and appearances.
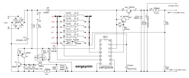
Anyway...less than 2 days ago, this thing dies on me: my colleague tried charging some laptop cells on it but forgot about them and left them connected for more than an hour. The little transformer inside got extremely hot and the primary shorted out, blowing the fuse and rendering the whole thing useless. I took it apart and tried replacing the transformer with a laptop power supply at 24v DC which matched the original voltage of the transformer. It worked to a degree, the voltage adjusted up and down and I was ready to leave it like this, except when I tried charging the laptop cells again, I had to increase the voltage A LOT before the current started going up and when it finally did so, it jumped to around 2a, then something died again and everything dropped to 0. Now I can't figure out what went wrong and why it failed, since it's never failed under heavy loads with its original transformer. The voltage now stays at 0v all the time, so I suspect the output transistor died, despite not showing any shorts. The thing is based on an LM723 although I can't fully understand how it operates in this case. The output transistor is a 2n3055 fed by a B647 PNP. Although I get 22v out of the collector of the B647 and into the base of 2n3055, I get nothing on the ouput (the emitter) of 2n3055....I started drawing the schematic of the thing (though it's far from complete and doesn't include the current sensing side) and I kinda get how it's SUPPOSED to work, although I don't understand why the B647 transistor is not driven by pin 10 Vout, but is instead connected to pin 11 Vc of the LM327...how does such a thing work ? Actually pin 10 is floating :| Let me know if you need any clarifications on the schematic - it's rather messy and not to scale. Don't worry about those breakout connectors - they go to the voltmeter and ammeter on the front panel, which do come on, so I don't think there are any issues there.
Trying to fix it first and then perhaps increase its current capacity a bit by employing a larger transformer, as that's its main limitation at the moment - the build itself seems stable enough.
Anyway...less than 2 days ago, this thing dies on me: my colleague tried charging some laptop cells on it but forgot about them and left them connected for more than an hour. The little transformer inside got extremely hot and the primary shorted out, blowing the fuse and rendering the whole thing useless. I took it apart and tried replacing the transformer with a laptop power supply at 24v DC which matched the original voltage of the transformer. It worked to a degree, the voltage adjusted up and down and I was ready to leave it like this, except when I tried charging the laptop cells again, I had to increase the voltage A LOT before the current started going up and when it finally did so, it jumped to around 2a, then something died again and everything dropped to 0. Now I can't figure out what went wrong and why it failed, since it's never failed under heavy loads with its original transformer. The voltage now stays at 0v all the time, so I suspect the output transistor died, despite not showing any shorts. The thing is based on an LM723 although I can't fully understand how it operates in this case. The output transistor is a 2n3055 fed by a B647 PNP. Although I get 22v out of the collector of the B647 and into the base of 2n3055, I get nothing on the ouput (the emitter) of 2n3055....I started drawing the schematic of the thing (though it's far from complete and doesn't include the current sensing side) and I kinda get how it's SUPPOSED to work, although I don't understand why the B647 transistor is not driven by pin 10 Vout, but is instead connected to pin 11 Vc of the LM327...how does such a thing work ? Actually pin 10 is floating :| Let me know if you need any clarifications on the schematic - it's rather messy and not to scale. Don't worry about those breakout connectors - they go to the voltmeter and ammeter on the front panel, which do come on, so I don't think there are any issues there.
Trying to fix it first and then perhaps increase its current capacity a bit by employing a larger transformer, as that's its main limitation at the moment - the build itself seems stable enough.

Comment