Re: Oscilloscope CRT problem
>>Oh man I get it (2) 25V caps are in series. Are you fricking kidding me?<<
&
>>The problem here is if one cap is slightly leaky it will transfer it's voltage to the other cap which could exceed its voltage destroying it in a cascading fashion. This is why this setup annoys me.<<
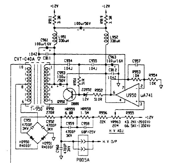
hmmmm... not really. Look at the ground connection. One cap filters the +12v & +5v, the other the -12v. The center tap on that winding is ground too, so only about 15v presented to each cap.
Toast
>>Oh man I get it (2) 25V caps are in series. Are you fricking kidding me?<<
&
>>The problem here is if one cap is slightly leaky it will transfer it's voltage to the other cap which could exceed its voltage destroying it in a cascading fashion. This is why this setup annoys me.<<
hmmmm... not really. Look at the ground connection. One cap filters the +12v & +5v, the other the -12v. The center tap on that winding is ground too, so only about 15v presented to each cap.
Toast

Comment