Oscilloscope CRT problem

Collapse
X
 
  • Time
  • Show
Clear All
new posts
  • i4004
    Badcaps Legend
    • Oct 2006
    • 2029

    #21
    Re: Oscilloscope CRT problem

    scavenging?
    hehe...

    well, it defenitely won't work without mv950...
    to that extent this malfunction is not fun(not fun to repair something with missing parts..)

    first see if something can be done via ebay to return it...as toast says
    (scope with no hv is not worth the dime, let alone 120$...but given that you knew there was no guarante...well, you should of find one with some sort of return policy etc.)

    if it can't, start searching for mv950, i guess....

    Comment

    • xtraelectronics
      Member
      • Apr 2009
      • 49

      #22
      Re: Oscilloscope CRT problem

      I might have overlooked the part about MV950. The 2120 has no such component, or a typical HV anode lead. All connections are made via the end socket on this tube. Hope I didn't cause confusio!

      Comment

      • Toasty
        Badcaps Legend
        • Jul 2007
        • 4171

        #23
        Re: Oscilloscope CRT problem

        @xtraelectronics: You may be correct. The part may not be in his unit either. Until we see the "whole" picture, we can't be sure.

        @etnietering: Also, pull the board where the MV950 looks to be missing and see if the solder pads look like it was removed.

        @Krankshaft: The pic of the scope working was my fault. It's the wrong auction. His auction was the other one and he linked it. I was attempting to have him set all the knobs the same as the picture I posted to see if he got a trace.

        Toast
        veritas odium parit

        Comment

        • etnietering
          Badcaps Veteran
          • Apr 2009
          • 379
          • USA

          #24
          Re: Oscilloscope CRT problem

          Ok I sent a message this morning to the seller through the ebay messaging system - haven't gotten a response yet. I'll keep everybody posted.

          Toast: Here's the pictures:

          front half:


          back half:


          close up of HV part:


          same picture, outlined in red is approximately where MV950 is supposed to go, and the blue line is the approximate path of the trace coming from pin 10 of the transformer.


          The HV anode cable is usually the one that looks like it has a suction cup on it, going into the top of the tube, right? Well this tube doesn't have one, nor does it appear to have a place for one. The solder pads don't look like they have ever been messed with.

          xtraelectronics: I don't see any really big resistors (1/2W tops), but I'll check them anyway. This tube, like yours, doesn't appear to have a place for the usual suction cup type anode connection (if indeed that is what it is). What is the model number of the tube in yours? Mine is D14-363GY/123 made by CRT Heerlen B.V. in the netherlands. Thanks for the info!

          i4004: I hope I don't have to scrap it and start over...I sent a message to the seller to see what I can do about it. I did a quick google search for MV950, and everything that came up were things that ran at 950 mV or other non-helpful things.

          Also, I did find a cap that is ever so slightly bulging. It's C808, the smaller stamped cap in the fist picture. I only noticed because it doesn't reflect my flashlight beam the same way as something flat would. It's a 2.2uF 250V part, unfortunately not something I stock...could this be causing the problems? It is connected to the HV circuitry that's used to control the CRT interface.

          Thanks so much everybody for all your help! I really appreciate it! Hopefully we'll get this sorted out soon...
          Attached Files

          Comment

          • xtraelectronics
            Member
            • Apr 2009
            • 49

            #25
            Re: Oscilloscope CRT problem

            Unfortunatly I have reassembled my scope. Don't remember the tube #, but it was manufactured by Toshiba. Your scope is very different from mine. I would check the smaller value rsistors near the HV, and def. replace that bulging cap. A circuit tester, that electricians use contains a neon lamp. This is what I used to check fo high voltage @ the flyback. Just hold it close the the transformer, if there is high voltage, it will glow. Good luck. I'll check in again tomorrow to see if you made any progress.
            Dan

            Comment

            • i4004
              Badcaps Legend
              • Oct 2006
              • 2029

              #26
              Re: Oscilloscope CRT problem

              >The HV anode cable is usually the one that looks like it has a suction cup on it, going into the top of the tube, right? Well this tube doesn't have one, nor does it appear to have a place for one. The solder pads don't look like they have ever been messed with.

              in that case we were looking at wrong schematic diagram and were drawing wrong conclusions about missing parts.

              so forget that, back to usual troubleshooting.

              >Also, I did find a cap that is ever so slightly bulging. It's C808, the smaller stamped cap in the fist picture. I only noticed because it doesn't reflect my flashlight beam the same way as something flat would. It's a 2.2uF 250V part, unfortunately not something I stock...could this be causing the problems? It is connected to the HV circuitry that's used to control the CRT interface.

              i wonder could you help lazier members of this board like plainbill and me? hehe...
              now if i could input c808 in acrobat to find me that cap, i would, but as is that's not working..so could you attach image that shows that cap in the diagram?
              then again, if we've established diagrams are not for your scope, what's there to look at all?
              so try to establish is this diagram is really thing you have on your desk first.

              about the cap; if it's bulging, it can't be good for the circuit.
              it it REALLY is bulging...but sometimes it's hard to say if it is bulging or not...
              only way to know for sure is to measure it with esr meter.

              if you don't need/wan't esr meter as you wouldn't find a use for it(beside this problem) then just buy new cap and replace it.
              but expect it's not it...hehe...murphy's law...

              if xtraelectronics has same thing he should be most helpfull to you.
              you can compare voltages on important places and that should be usefull to investigate why you don't seem to have HV supply to the tube.

              edit/scrap that, seems he has different scope.

              oh yeah, be carefull....don't touch any metal parts of scope while it's plugged in.
              better safe...
              Last edited by i4004; 09-09-2009, 04:01 PM.

              Comment

              • Toasty
                Badcaps Legend
                • Jul 2007
                • 4171

                #27
                Re: Oscilloscope CRT problem

                WOW! Them's some big pics! Just attach them from now on, don't link them in the page. Page is really hard to read now...

                Did some digging with the new info. Apparently, you're only dealing with 2kV for the acceleration voltage, not the 12kV as thought (or shown by that "almost-kinda-like-this" schematic). The circuit board is probably used in a variety of scopes, so that's why the space for that MV950 is there.

                Ran into HAMEG scopes which currently use this tube: (PDF Catalog)


                ...and this site in the Netherlands: http://www.professionaldisplaysystems.com/crt.htm

                From what I gather from that last site, this CRT just uses the 2kV. If you look at the chart there are others that use the 2kV AND 12kV. Those seem to be higher speed and/or brightness models.

                Please also note, that in the right hand pic there, there is a tube with an obvious spot for an anode connection.

                I would restart this process by unplugging the unit and discharging all connections to the tube. Then carefully go over each connector on every board and make sure they were all tight. Then start looking for bad solder joints or cracks in the board(s) that could have happened in shipping. NONE of the shippers are kind in any way in package handling. Look for broken wires where they connect to boards and switches. Look for cold solder joints near the transformers(s) and where the boards are screwed to the frame.

                I doubt the little cap is bad, but checking it can't hurt.

                Toast
                Last edited by Toasty; 09-09-2009, 04:19 PM. Reason: 'nother thought
                veritas odium parit

                Comment

                • etnietering
                  Badcaps Veteran
                  • Apr 2009
                  • 379
                  • USA

                  #28
                  Re: Oscilloscope CRT problem

                  well for the lazy bums I've attached the picture again, with the capacitor in question circled and labeled.

                  I did find a 2.2uF 350v cap in an old CRT monitor I took apart. It's a SAMWHA, and the wrong size, but I can give it a shot. I don't have an ESR meter, I would like one, but I was going to spend at least a few weeks with the oscilloscope first...

                  toast: I made the pictures big to retain more of the detail - I thought it might be important. Next time I'll only attach them....On that site, I don't see anything in the picture on the right that looks like the anode connection. The picture on the left however has some wires sticking out of the middle. I think these are for the focusing coils or something. My unit has them, and the plug into connector P482, labeled 'T.R' On the picture, this is the small white connector 3 inches down and about half an inch right from the capacitor. There are two there, it is the bottom one, with the red and white wires.

                  So begins the search for bad solder joints....


                  EDIT: scratch the part about not seeing the anode connection - I see it now. It really helps to look at things My tube has no such connection.

                  edit2: my inspection of the bottom hasn't yet yielded any broken solder joints, but I did notice that there's no pin 10 coming from that transformer, so yes I'm now 100% confident that MV950 shouldn't be there.
                  Attached Files
                  Last edited by etnietering; 09-09-2009, 04:49 PM.

                  Comment

                  • Toasty
                    Badcaps Legend
                    • Jul 2007
                    • 4171

                    #29
                    Re: Oscilloscope CRT problem

                    I can see it and I'm old.

                    Here. I blew it up a bit and pointed to it...

                    Attached Files
                    veritas odium parit

                    Comment

                    • ratdude747
                      Black Sheep
                      • Nov 2008
                      • 17136
                      • USA

                      #30
                      Re: Oscilloscope CRT problem

                      this sounds too stoop!d, but are old tv's turned into scopes worth anything?
                      sigpic

                      (Insert witty quote here)

                      Comment

                      • Krankshaft
                        Badcaps Legend
                        • Jan 2007
                        • 2328
                        • USA

                        #31
                        Re: Oscilloscope CRT problem

                        The scan rates on a TV would be too low so it's use would be limited.

                        The fixed horizontal and vertical deflection rates wouldn't help either.
                        Elements of the past and the future combining to make something not quite as good as either.

                        Comment

                        • ratdude747
                          Black Sheep
                          • Nov 2008
                          • 17136
                          • USA

                          #32
                          Re: Oscilloscope CRT problem

                          no, i mean the kind where you take out vert/hor cable from the gun and lenthen them, then a d a sweep generator.
                          sigpic

                          (Insert witty quote here)

                          Comment

                          • etnietering
                            Badcaps Veteran
                            • Apr 2009
                            • 379
                            • USA

                            #33
                            Re: Oscilloscope CRT problem

                            Progress! (maybe)
                            Well I replaced that capacitor with the 2.2uF 350v samwha I had, and now I can get something very miniscule to show up on the screen sometimes. I have to have the intensity and focus knobs cranked all the way to the right, and the var sweep all the way to the left, and I get a very small blob that starts on the left side and moves to the right side, moving up slowly in the process. The speed in which it moves changes with the TIME/DIV knob, as would be expected. However, the frequency with which it appears also changes. At 50ms/div it shows up about every 1.2 seconds. At 100ms/div it shows up about every 5 seconds. At 20ms/div, it shows up 2.5 times per second.
                            To see them, I have to shut off all my computer monitors and wait a few seconds for my eyes to adjust, and then I can barely see it.
                            So it seems that the tube is working, it's just not being fed the correct signal. Unfortunately, I never tested it in as dark a room as this before I replaced the cap, so I don't know if that helped or not.
                            Any thoughts/advice? Thanks!


                            edit: oh I forgot to mention, this is only when there's nothing plugged into the inputs, and with them on 'add' mode.
                            Last edited by etnietering; 09-09-2009, 07:55 PM.

                            Comment

                            • i4004
                              Badcaps Legend
                              • Oct 2006
                              • 2029

                              #34
                              Re: Oscilloscope CRT problem

                              >well for the lazy bums I've attached the picture again, with the capacitor in question circled and labeled.

                              i ment in the electric diagram(ie schematic) you linked earlier....

                              details like this:


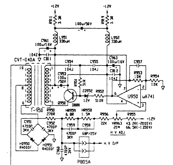
                              where's that focus voltage coming from again?
                              to work on this schematic one would need it printed, this way it's too torturing.

                              it seems it comes via P-803 connector, but i can't find matching stuff on power section...uh...

                              the circuit next to mv950 should be the one producing HV (page 6 of pdf, p-805a is connecter that carries HV)..but where is it plugged in?
                              huh...


                              either way, after checking cnnections like toasty said you'll need to trace back the HV and see where does it dissapear.
                              or gets so damped that you only get such a faint trace...
                              Unfortunately, I never tested it in as dark a room as this before I replaced the cap, so I don't know if that helped or not.
                              yeah, i doubt it helped.
                              darkness did, though..heh...
                              Attached Files
                              Last edited by i4004; 09-09-2009, 08:10 PM.

                              Comment

                              • etnietering
                                Badcaps Veteran
                                • Apr 2009
                                • 379
                                • USA

                                #35
                                Re: Oscilloscope CRT problem

                                Well I found the wire that's supposed to have the -1.9kV on it, which I assume is to drive the anode. It comes straight from the power transformer, apparently. That's where the wire comes from, and where the schematic says it should come from....weird.
                                Also, I think I do in fact have a neon bulb. I bought an ion ray gun from amazing1 last year, and it came with one, to use as a test to see if your gun is working. How would I go about using this to test the circuit?

                                Thanks!

                                Comment

                                • etnietering
                                  Badcaps Veteran
                                  • Apr 2009
                                  • 379
                                  • USA

                                  #36
                                  Re: Oscilloscope CRT problem

                                  Well guys, I had an idea. I'm thinking I should just forget about this one, and try to get a different one that actually works. All this one will do is frustrate me, and chances are I'll never end up with a working scope....which doesn't do me any good. I'm still going to try to get my money back, and I'll either scavenge it for parts (although I won't get many), or sell it as 'needs repair'

                                  What do you guys think about this one instead? http://cgi.ebay.com/Tektronix-2213A-...d=p3286.c0.m14

                                  Comment

                                  • i4004
                                    Badcaps Legend
                                    • Oct 2006
                                    • 2029

                                    #37
                                    Re: Oscilloscope CRT problem

                                    about further prospects: you need something to measure that 1.9kV voltage, and that trick with bulb that xtra mentioned i doubt would work here as you don't have typicall flyback trafo, but it seems HV is derived from mains trafo...

                                    also, i don't know if that method would work when secondary of the trafo is open, ie you would have magnetization, and lamp maybe lit, but that wouldn't mean trafo is ok.

                                    are you sure HV is coming from mains trafo, and there is no other trafo there?
                                    inspect pages 6(power) and 11(crt section) of pdf.

                                    about the outlook for repair; well yeah, if the trafo itself is not producing HV then it could be a problem to find such trafo elsewhere...

                                    as for this "new" scope on ebay, well it surely is better as it has some return policy..heh...
                                    but i dislike that housing, no legs etc.
                                    i would get something that wasn't taken out of some industrial rack....

                                    Comment

                                    • Krankshaft
                                      Badcaps Legend
                                      • Jan 2007
                                      • 2328
                                      • USA

                                      #38
                                      Re: Oscilloscope CRT problem

                                      I don't think the HV is from the mains transformer look at that yellow high frequency switching transformer in one of the pics.

                                      To the right of the transformer is probably it's switching FET. The socketed IC nearby probably delivers the pulses to gate of the FET.

                                      This is probably how the HV is developed.

                                      Devleoping HV at 60Hz would require more copper and a bigger transformer.
                                      Last edited by Krankshaft; 09-10-2009, 08:50 AM.
                                      Elements of the past and the future combining to make something not quite as good as either.

                                      Comment

                                      • xtraelectronics
                                        Member
                                        • Apr 2009
                                        • 49

                                        #39
                                        Re: Oscilloscope CRT problem

                                        The circuit boards are different in the 2120. The circuit itself is very similar. Test for voltage @ the IC, then check the device on the heatsink for voltage. It may trace back to a resistor elsewhere on the board that supplies this circuit. That bulging cap could have caused a failure upstream. Just my 2 cents.
                                        Dan

                                        Comment

                                        • i4004
                                          Badcaps Legend
                                          • Oct 2006
                                          • 2029

                                          #40
                                          Re: Oscilloscope CRT problem

                                          >I don't think the HV is from the mains transformer look at that yellow high frequency switching transformer in one of the pics.
                                          To the right of the transformer is probably it's switching FET. The socketed IC nearby probably delivers the pulses to gate of the FET.
                                          This is probably how the HV is developed.
                                          Devleoping HV at 60Hz would require more copper and a bigger transformer.


                                          yes, that's what i think too, but indeed in the el.diagram there is "from pwr trafo" caption.
                                          and pwr trafo is just the mains trafo.
                                          that other trafo has different "name".

                                          .
                                          wait...ah yes...i see it now
                                          https://www.badcaps.net/forum/attach...chmentid=11561
                                          small trafo under the mains socket. where his blue line ends.

                                          yes, that's where HV should be coming from and that circuit should be checked.

                                          that voltage is probably missing or heavilly dampened.

                                          that circuit itself shouldn't be too hard to check...
                                          it has + and -12V supply that feeds op.amp and then that drives the transistor and the trafo primary...



                                          page6
                                          Attached Files

                                          Comment

                                          Related Topics

                                          Collapse

                                          Working...