Digihome 32DLed906

Collapse
X
 
  • Time
  • Show
Clear All
new posts
  • vinceroger69
    Badcaps Legend
    • Mar 2012
    • 6714
    • uk

    #141
    Re: Digihome 32DLed906

    just a thought as ron has got this far in repairing this set what about seeing if we can adjust the under voltage/over voltage protection so maybe budm etc can advise if this safe to do and can even be done.
    http://www.rohm.com/web/eu/datasheet/BD9285F/bd9285f-e
    https://www.badcaps.net/forum/showthread.php?t=61722

    Comment

    • ronhayes
      TV Engineer
      • Mar 2014
      • 458
      • UK

      #142
      Re: Digihome 32DLed906

      Hi All
      Just updating on this set!
      I decided to go ahead and order some replacement Led strips thought well I have come this far I might as well carry on (as they say don't let it beat you)
      They arrived today so when I returned from work I decided to install them.
      Well when installed I switched on the set and would you believe it I still have the same issue backlights come on after about five seconds they go off again in a couple of seconds, I have tried both driver boards and I get the same results with both boards.
      Now I know these are not new Led strips they are used, but on inspection they look to be in good order and not had any Led's changed they also came with the connection board and the connecting lead, also they all light up when they come on.
      Does any one have any thoughts on what else could be the issue with this set ?

      Comment

      • budm
        Badcaps Legend
        • Feb 2010
        • 40746
        • USA

        #143
        Re: Digihome 32DLed906

        Did you verify that the BL-ON and the Dimming control signals are still present when the backlights go off?
        Never stop learning
        Basic LCD TV and Monitor troubleshooting guides.
        http://www.badcaps.net/forum/showthr...956#post305956

        Voltage Regulator (LDO) testing:
        http://www.badcaps.net/forum/showthr...999#post300999

        Inverter testing using old CFL:
        http://www.badcaps.net/forum/showthr...er+testing+cfl

        Tear down pictures : Hit the ">" Show Albums and stories" on the left side
        http://s807.photobucket.com/user/budm/library/

        TV Factory reset codes listing:
        http://www.badcaps.net/forum/showthread.php?t=24809

        Comment

        • ronhayes
          TV Engineer
          • Mar 2014
          • 458
          • UK

          #144
          Re: Digihome 32DLed906

          Can these signals be measured with a dmm or do I need to use a scope?

          Comment

          • budm
            Badcaps Legend
            • Feb 2010
            • 40746
            • USA

            #145
            Re: Digihome 32DLed906

            They are just DCV, so DMM will do.
            BL-ON is usually <1VDC = OFF, > 2~2.5VDC = ON
            PWM = 1V ~3V range.
            Never stop learning
            Basic LCD TV and Monitor troubleshooting guides.
            http://www.badcaps.net/forum/showthr...956#post305956

            Voltage Regulator (LDO) testing:
            http://www.badcaps.net/forum/showthr...999#post300999

            Inverter testing using old CFL:
            http://www.badcaps.net/forum/showthr...er+testing+cfl

            Tear down pictures : Hit the ">" Show Albums and stories" on the left side
            http://s807.photobucket.com/user/budm/library/

            TV Factory reset codes listing:
            http://www.badcaps.net/forum/showthread.php?t=24809

            Comment

            • ronhayes
              TV Engineer
              • Mar 2014
              • 458
              • UK

              #146
              Re: Digihome 32DLed906

              Unfortunately i am on the dreaded afternoon shift this week so can only work on this set on the evening after 10pm for a few hours !
              I will check these volts tonight and see what is happening and post my findings then.

              Comment

              • vinceroger69
                Badcaps Legend
                • Mar 2012
                • 6714
                • uk

                #147
                Re: Digihome 32DLed906

                budm on these sets is it possible to disconnect the main board to rule out it being faulty, and jump the psu with resistors so he can just test the backlight circuit? i know dick-barton was trying this earlier on in the thread but wasnt certain about what pins to jump using resistors as vsetel psu s dont always match schematics.

                Comment

                • budm
                  Badcaps Legend
                  • Feb 2010
                  • 40746
                  • USA

                  #148
                  Re: Digihome 32DLed906

                  Originally posted by vinceroger69
                  budm on these sets is it possible to disconnect the main board to rule out it being faulty, and jump the psu with resistors so he can just test the backlight circuit? i know dick-barton was trying this earlier on in the thread but wasnt certain about what pins to jump using resistors as vsetel psu s dont always match schematics.
                  Yes, the power supply/LED driver board can be tested by itself, just need to know the pin labels/name, and if it is Active high or Active low.
                  But at this point since he did get the backlights to come on then all he has to do is to leave the meter connected before turning on the TV and watch the reading when the baklights come on and when they go off.
                  Never stop learning
                  Basic LCD TV and Monitor troubleshooting guides.
                  http://www.badcaps.net/forum/showthr...956#post305956

                  Voltage Regulator (LDO) testing:
                  http://www.badcaps.net/forum/showthr...999#post300999

                  Inverter testing using old CFL:
                  http://www.badcaps.net/forum/showthr...er+testing+cfl

                  Tear down pictures : Hit the ">" Show Albums and stories" on the left side
                  http://s807.photobucket.com/user/budm/library/

                  TV Factory reset codes listing:
                  http://www.badcaps.net/forum/showthread.php?t=24809

                  Comment

                  • vinceroger69
                    Badcaps Legend
                    • Mar 2012
                    • 6714
                    • uk

                    #149
                    Re: Digihome 32DLed906

                    budm im still learning myself so bear with me, ive just been looking at the schematic
                    it has bl-on/off listed on pin 12 pl804 connector on the psu and also bl-on on pin 8 of pl805 connector on the psu so i was just wondering why it has two bl-on/off connections on the psu.

                    Comment

                    • budm
                      Badcaps Legend
                      • Feb 2010
                      • 40746
                      • USA

                      #150
                      Re: Digihome 32DLed906

                      I will have to look at the schematic, your post #2, right.
                      Never stop learning
                      Basic LCD TV and Monitor troubleshooting guides.
                      http://www.badcaps.net/forum/showthr...956#post305956

                      Voltage Regulator (LDO) testing:
                      http://www.badcaps.net/forum/showthr...999#post300999

                      Inverter testing using old CFL:
                      http://www.badcaps.net/forum/showthr...er+testing+cfl

                      Tear down pictures : Hit the ">" Show Albums and stories" on the left side
                      http://s807.photobucket.com/user/budm/library/

                      TV Factory reset codes listing:
                      http://www.badcaps.net/forum/showthread.php?t=24809

                      Comment

                      • vinceroger69
                        Badcaps Legend
                        • Mar 2012
                        • 6714
                        • uk

                        #151
                        Re: Digihome 32DLed906

                        Originally posted by budm
                        I will have to look at the schematic, your post #2, right.
                        yes but as we know vestel psu schematics are not the best at times
                        Attached Files

                        if you find these attachements useful please consider making a small donation to the site

                        Comment

                        • ronhayes
                          TV Engineer
                          • Mar 2014
                          • 458
                          • UK

                          #152
                          Re: Digihome 32DLed906

                          Hi All
                          Sorry I am late tonight but did not get out of work until late.
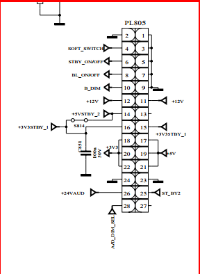
                          Firstly in answer to vinceroger69 the question you asked budm why is there two bl-on/off listed one on pin 12 pl804 and pin 8 pl805 I can clear this one pl804 is the connection plug to the backlight driver board and pl805 is the connection plug to main board.
                          Now I have tried testing volts on pin 8 of pl805 on st/by the reading is 0.40v and when you press on button on remote the reading goes to 0.20v readings taken in 20v range and what is strange is the backlights fail to flash on . If you remove the probe they fash on after 6 or 7 seconds when pressing on from remote.
                          Last edited by ronhayes; 11-09-2017, 06:14 PM.

                          Comment

                          • vinceroger69
                            Badcaps Legend
                            • Mar 2012
                            • 6714
                            • uk

                            #153
                            Re: Digihome 32DLed906

                            Thanks ron, budm i think also needed b-dim reading too pin 10 on pl 805 can you test that voltage as well
                            I think as dick-barton was suggesting, we may need to start by just testing all the psu output voltages without the main board connected maybe budm will advise which pins to jump with resistors.
                            Last edited by vinceroger69; 11-10-2017, 04:44 AM.

                            Comment

                            • vinceroger69
                              Badcaps Legend
                              • Mar 2012
                              • 6714
                              • uk

                              #154
                              Re: Digihome 32DLed906

                              Originally posted by vinceroger69
                              Thanks ron, budm i think also needed b-dim reading too pin 10 on pl 805 can you test that voltage as well
                              I think as dick-barton was suggesting, we may need to start by just testing all the psu output voltages without the main board connected maybe budm will advise which pins to jump with resistors.
                              added picture of mainboard connector
                              Attached Files

                              if you find these attachements useful please consider making a small donation to the site

                              Comment

                              • ronhayes
                                TV Engineer
                                • Mar 2014
                                • 458
                                • UK

                                #155
                                Re: Digihome 32DLed906

                                Vince
                                I have just measured pin 10 pl805 and I get 0.00v in ST/BY and goes to 3.42v when powered up when back lights come on it drops to 3.02v then just before the backlights go out it slowly goes down to 0.00v again it seems when this voltage starts to drop out it switches the backlights off ?

                                Comment

                                • vinceroger69
                                  Badcaps Legend
                                  • Mar 2012
                                  • 6714
                                  • uk

                                  #156
                                  Re: Digihome 32DLed906

                                  its got to be too do with the bl-on voltage being so low if we can force on the psu we can see if the faults on the psu

                                  Comment

                                  • ronhayes
                                    TV Engineer
                                    • Mar 2014
                                    • 458
                                    • UK

                                    #157
                                    Re: Digihome 32DLed906

                                    Yes it seems that the bl-on volts are turning them back off. I think when I find what is causing it and hopefully cure it I will then try the strip lights I repaired back in to see if they work, As this fault put me doubting that I had repaired them correctly ?

                                    Comment

                                    • vinceroger69
                                      Badcaps Legend
                                      • Mar 2012
                                      • 6714
                                      • uk

                                      #158
                                      Re: Digihome 32DLed906

                                      ron ive just read the whole thread and noticed you have changed the original main board was it at fault as the mainboard i think sends the signal to turn the back lights on, thats why i was trying too get you help on how we can force the psu on and test the backlight circuit without the mainboard being involved.

                                      Comment

                                      • ronhayes
                                        TV Engineer
                                        • Mar 2014
                                        • 458
                                        • UK

                                        #159
                                        Re: Digihome 32DLed906

                                        Yes I think it was as the original fault was blinking st/by light set would not power on .
                                        But you saying that I do have a couple of boards so I will have a look through them and see if I have another board to try ?

                                        Comment

                                        • ronhayes
                                          TV Engineer
                                          • Mar 2014
                                          • 458
                                          • UK

                                          #160
                                          Re: Digihome 32DLed906

                                          Vince I just found the original board and tried that back in again, and got original fault st/by light blinking and nothing happening when you press power button.
                                          I also found another board that looked similar but not exact tried that one and nothing not even st/by light.

                                          Comment

                                          Related Topics

                                          Collapse

                                          Working...