Sharp LC-42SB48UT-a no standby voltage

Collapse
X
 
  • Time
  • Show
Clear All
new posts
  • jts1957
    Member
    • Dec 2008
    • 38

    #61
    Re: Sharp LC-42SB48UT-a no standby voltage

    Originally posted by dick_barton
    Service manual attached with power supply schematic, hopefully
    Be sure to look at 42", there is also a 32".

    AcGeorgiegirl: 1st attachment wrong PS.

    Comment

    • AcGeorgiegirl
      Badcaps Veteran
      • Jun 2013
      • 203
      • USA

      #62
      Re: Sharp LC-42SB48UT-a no standby voltage

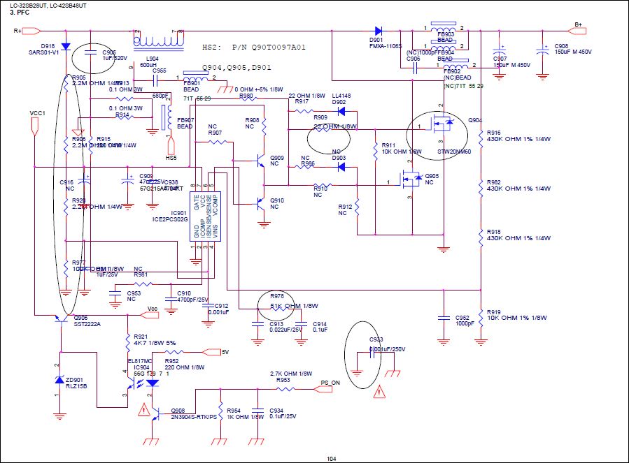
      Here are the PFC & Key Diagram, too.
      Attached Files

      if you find these attachements useful please consider making a small donation to the site

      Comment

      • budm
        Badcaps Legend
        • Feb 2010
        • 40746
        • USA

        #63
        Re: Sharp LC-42SB48UT-a no standby voltage

        I got it from ELEKTROTANYA and it does not match the OP diagram. See post 57
        Never stop learning
        Basic LCD TV and Monitor troubleshooting guides.
        http://www.badcaps.net/forum/showthr...956#post305956

        Voltage Regulator (LDO) testing:
        http://www.badcaps.net/forum/showthr...999#post300999

        Inverter testing using old CFL:
        http://www.badcaps.net/forum/showthr...er+testing+cfl

        Tear down pictures : Hit the ">" Show Albums and stories" on the left side
        http://s807.photobucket.com/user/budm/library/

        TV Factory reset codes listing:
        http://www.badcaps.net/forum/showthread.php?t=24809

        Comment

        • AcGeorgiegirl
          Badcaps Veteran
          • Jun 2013
          • 203
          • USA

          #64
          Re: Sharp LC-42SB48UT-a no standby voltage

          Originally posted by budm
          You have the schematic?
          OK, I download the service manual from ELEKTROTANYA.
          My manual show TNY277, your manual shows something else.
          Please look at what is actually printed on top of the IC903.
          Where did you get the manual from?
          Yes, it is printed on the ic as TNY277. My manual, pretty sure, came from ELEKTROTANYA. I'll post the manual here, too, if that helps.
          Attached Files

          if you find these attachements useful please consider making a small donation to the site

          Comment

          • budm
            Badcaps Legend
            • Feb 2010
            • 40746
            • USA

            #65
            Re: Sharp LC-42SB48UT-a no standby voltage

            OK, your manual does not match your TV version.
            The one I download is the 'A' version and seem to match your power supply board picture.
            But any way, it uses TNY277 none the less, so I still suspect the parts in the feedback regulation circuit.
            Try having the main board connected to the power supply board to see if it will go up to 5V in case the circuit does not like to work without the load.
            Attached Files

            if you find these attachements useful please consider making a small donation to the site

            Last edited by budm; 06-22-2016, 04:53 PM.
            Never stop learning
            Basic LCD TV and Monitor troubleshooting guides.
            http://www.badcaps.net/forum/showthr...956#post305956

            Voltage Regulator (LDO) testing:
            http://www.badcaps.net/forum/showthr...999#post300999

            Inverter testing using old CFL:
            http://www.badcaps.net/forum/showthr...er+testing+cfl

            Tear down pictures : Hit the ">" Show Albums and stories" on the left side
            http://s807.photobucket.com/user/budm/library/

            TV Factory reset codes listing:
            http://www.badcaps.net/forum/showthread.php?t=24809

            Comment

            • AcGeorgiegirl
              Badcaps Veteran
              • Jun 2013
              • 203
              • USA

              #66
              Re: Sharp LC-42SB48UT-a no standby voltage

              Yes, that's it, then, BUDM! Mine didn't have the "a" after model code, but I just looked again, and it's the one that I get from my search on ELEKTROTANYA.
              Last edited by AcGeorgiegirl; 06-22-2016, 04:54 PM.

              Comment

              • budm
                Badcaps Legend
                • Feb 2010
                • 40746
                • USA

                #67
                Re: Sharp LC-42SB48UT-a no standby voltage

                Originally posted by AcGeorgiegirl
                This is weird. ELEKTROTANYA is the only site that I've found that has the manual free, and I'm pretty sure mine came from there. Don't know if it matters, but my model has "A" after the name, and the manuals don't.
                There are two manuals at ELEKTROTANYA, the one I downloaded is for the 'A'.
                Never stop learning
                Basic LCD TV and Monitor troubleshooting guides.
                http://www.badcaps.net/forum/showthr...956#post305956

                Voltage Regulator (LDO) testing:
                http://www.badcaps.net/forum/showthr...999#post300999

                Inverter testing using old CFL:
                http://www.badcaps.net/forum/showthr...er+testing+cfl

                Tear down pictures : Hit the ">" Show Albums and stories" on the left side
                http://s807.photobucket.com/user/budm/library/

                TV Factory reset codes listing:
                http://www.badcaps.net/forum/showthread.php?t=24809

                Comment

                • AcGeorgiegirl
                  Badcaps Veteran
                  • Jun 2013
                  • 203
                  • USA

                  #68
                  Re: Sharp LC-42SB48UT-a no standby voltage

                  I am so sorry for causing all this confusion, while you guys are trying to help me. My translation app for Elektro- apparently mussed up my search, without me noticing. The "a" was left out.

                  Comment

                  • AcGeorgiegirl
                    Badcaps Veteran
                    • Jun 2013
                    • 203
                    • USA

                    #69
                    Re: Sharp LC-42SB48UT-a no standby voltage

                    Originally posted by budm
                    OK, your manual does not match your TV version.
                    The one I download is the 'A' version and seem to match your power supply board picture.
                    But any way, it uses TNY277 none the less, so I still suspect the parts in the feedback regulation circuit.
                    Try having the main board connected to the power supply board to see if it will go up to 5V in case the circuit does not like to work without the load.
                    I tested with psb connected to the main, and got a fluctuating voltage from around 2.8 to 3.8 or so.

                    Comment

                    • budm
                      Badcaps Legend
                      • Feb 2010
                      • 40746
                      • USA

                      #70
                      Re: Sharp LC-42SB48UT-a no standby voltage

                      OK, so it cannot even maintain the regulated 5V output.
                      I would try replacing C969 in the primary side and the 4 cap in the cold side by the connector that goes to the main board.
                      Last edited by budm; 06-23-2016, 08:40 AM.
                      Never stop learning
                      Basic LCD TV and Monitor troubleshooting guides.
                      http://www.badcaps.net/forum/showthr...956#post305956

                      Voltage Regulator (LDO) testing:
                      http://www.badcaps.net/forum/showthr...999#post300999

                      Inverter testing using old CFL:
                      http://www.badcaps.net/forum/showthr...er+testing+cfl

                      Tear down pictures : Hit the ">" Show Albums and stories" on the left side
                      http://s807.photobucket.com/user/budm/library/

                      TV Factory reset codes listing:
                      http://www.badcaps.net/forum/showthread.php?t=24809

                      Comment

                      • AcGeorgiegirl
                        Badcaps Veteran
                        • Jun 2013
                        • 203
                        • USA

                        #71
                        Re: Sharp LC-42SB48UT-a no standby voltage

                        Originally posted by budm
                        So it lookds like you meter is OK.
                        There are parts that are used for regulating the output of the 5VSTBY:
                        IC913 (Vref diode xx431??, IC911 (OPTO), Voltage divider for the IC913.
                        Originally posted by budm
                        OK, your manual does not match your TV version.
                        The one I download is the 'A' version and seem to match your power supply board picture.
                        But any way, it uses TNY277 none the less, so I still suspect the parts in the feedback regulation circuit.
                        Try having the main board connected to the power supply board to see if it will go up to 5V in case the circuit does not like to work without the load.
                        The IC's you suggest I test...can you give me some guidance on how to do this, if other than removing them completely from the board?

                        Comment

                        • budm
                          Badcaps Legend
                          • Feb 2010
                          • 40746
                          • USA

                          #72
                          Re: Sharp LC-42SB48UT-a no standby voltage

                          The IC is kind of working because you do have output Voltage, just not the right level as needed, there really no 100% test to verify that it is good or bad. You can try replacing it but I would try replacing the cap first.
                          This IC when it failed, it usually blew up badly due to shorted out internal Power MOSFET.
                          Never stop learning
                          Basic LCD TV and Monitor troubleshooting guides.
                          http://www.badcaps.net/forum/showthr...956#post305956

                          Voltage Regulator (LDO) testing:
                          http://www.badcaps.net/forum/showthr...999#post300999

                          Inverter testing using old CFL:
                          http://www.badcaps.net/forum/showthr...er+testing+cfl

                          Tear down pictures : Hit the ">" Show Albums and stories" on the left side
                          http://s807.photobucket.com/user/budm/library/

                          TV Factory reset codes listing:
                          http://www.badcaps.net/forum/showthread.php?t=24809

                          Comment

                          • AcGeorgiegirl
                            Badcaps Veteran
                            • Jun 2013
                            • 203
                            • USA

                            #73
                            Re: Sharp LC-42SB48UT-a no standby voltage

                            Originally posted by budm
                            The IC is kind of working because you do have output Voltage, just not the right level as needed, there really no 100% test to verify that it is good or bad. You can try replacing it but I would try replacing the cap first.
                            This IC when it failed, it usually blew up badly due to shorted out internal Power MOSFET.
                            Ok. You mention one IC....are you referring to the IC913? What about the IC911? And by "voltage divider" for the IC913, are you meaning a voltage regulator that I should find to check?

                            Comment

                            • budm
                              Badcaps Legend
                              • Feb 2010
                              • 40746
                              • USA

                              #74
                              Re: Sharp LC-42SB48UT-a no standby voltage

                              I am referring to the TNY277 IC.
                              Never stop learning
                              Basic LCD TV and Monitor troubleshooting guides.
                              http://www.badcaps.net/forum/showthr...956#post305956

                              Voltage Regulator (LDO) testing:
                              http://www.badcaps.net/forum/showthr...999#post300999

                              Inverter testing using old CFL:
                              http://www.badcaps.net/forum/showthr...er+testing+cfl

                              Tear down pictures : Hit the ">" Show Albums and stories" on the left side
                              http://s807.photobucket.com/user/budm/library/

                              TV Factory reset codes listing:
                              http://www.badcaps.net/forum/showthread.php?t=24809

                              Comment

                              • CapLeaker
                                Leaking Member
                                • Dec 2014
                                • 8352
                                • Canada

                                #75
                                Re: Sharp LC-42SB48UT-a no standby voltage

                                He means IC903 (TNY277)

                                Comment

                                • AcGeorgiegirl
                                  Badcaps Veteran
                                  • Jun 2013
                                  • 203
                                  • USA

                                  #76
                                  Re: Sharp LC-42SB48UT-a no standby voltage

                                  Ok. I mistook your previous post(I quoted it above) as the area you are now referring to. So, which cap to replace? Is it c969(one closest to TNY277), or do you mean the filter cap?
                                  Last edited by AcGeorgiegirl; 06-23-2016, 09:35 AM.

                                  Comment

                                  • CapLeaker
                                    Leaking Member
                                    • Dec 2014
                                    • 8352
                                    • Canada

                                    #77
                                    Re: Sharp LC-42SB48UT-a no standby voltage

                                    change c969 first.

                                    Comment

                                    • AcGeorgiegirl
                                      Badcaps Veteran
                                      • Jun 2013
                                      • 203
                                      • USA

                                      #78
                                      Re: Sharp LC-42SB48UT-a no standby voltage

                                      Replaced C969. No change.

                                      Comment

                                      • CapLeaker
                                        Leaking Member
                                        • Dec 2014
                                        • 8352
                                        • Canada

                                        #79
                                        Re: Sharp LC-42SB48UT-a no standby voltage

                                        Did you check the ESR of C955 and C934? What DC voltages do you get on all the pins of IC903?

                                        Comment

                                        • AcGeorgiegirl
                                          Badcaps Veteran
                                          • Jun 2013
                                          • 203
                                          • USA

                                          #80
                                          Re: Sharp LC-42SB48UT-a no standby voltage

                                          I don't have an esr meter, so I can't test the caps. The IC reads .06 on pin #4(the Mosfet drain connection). All others are between .04 and .05 BUT these are a negative(-) number. My DMM is set on 20 dc volts.

                                          Comment

                                          Related Topics

                                          Collapse

                                          • x_orange90_x
                                            Samsung UN55KU6300F no standby voltage
                                            by x_orange90_x
                                            I have no standby indicator light and no light on the optical port. I checked the standby voltage on the two mosfets in the top left and they both read 30mV. I checked the fuse and it has continuity. I also checked the voltage on the two large 450v caps they both read 153v. All of these voltages are the same with and without the main board connected as well as with backlights connected/disconnected.

                                            Nothing looks obvious like a burned ceramic disc cap or bulged electrolytic. No burned resistors, diodes, or anything like that....
                                            05-21-2025, 09:59 PM
                                          • Bad_IC
                                            Philips TV 37pfl5604h/12 no standby voltage
                                            by Bad_IC


                                            Hello,
                                            I have a problem with this TV, the standby voltage is not present. I have checked the components around the IC fsq510's area and they seem to work, also replaced this IC but the problem persists.
                                            These are the voltages in some pins of IC fsq510:
                                            Vcc=18v
                                            D=320v
                                            Vstr=154v
                                            Unfortunately, I couldn't find the schematic
                                            What else could I check?
                                            Is it possible to provide standby voltage from an external source to allow the TV to turn on?
                                            Thank you​...
                                            11-08-2024, 01:07 PM
                                          • brock-s
                                            Asus GL503GE 3.3 standby voltage low
                                            by brock-s
                                            An Asus GL503GE laptop arrived that had had a screw dropped on the motherboard while the battery was connected. This resulted in a physical damage to the 3.3v / 5v voltage controller RT6575DGQW (pu28 on schematic, page 40). Additionally, the trace to pin 12 (VIN 19v supply) was burnt.

                                            Replaced the RT6575DGQW with a new one, repaired the damaged trace. Only getting 0.7V instead of the expected 3.3v standby voltage (3V_S5 on schematic).

                                            Replaced the AON7408 PQ60 mosfet from a donor board as resistance was low on the gate (I did not write this value down, as I optimistically...
                                            07-13-2023, 03:43 PM
                                          • tvguy12012012120
                                            Zombie Samsung UN55NU6900F dead / no standby voltage - randomly came to life after hours of troubleshooting then died
                                            by tvguy12012012120
                                            This is my first attempt at troubleshooting a board like this, I know I could just buy a new board but I'm curious to figure out how this works. I've been testing different components in the evenings this week and I think the problem is with the IC failing to start up for some reason. When the board is plugged in there is no standby voltage.

                                            Then today it randomly sprung to life like a zombie but shortly died thereafter. I have no idea why it would have done that and its the first time I've seen it running. I discharged capacitors on the board last night, then it was sitting today....
                                            02-07-2025, 05:13 PM
                                          • Bloutix
                                            Ps5 edm-033 bios and southbridge standby voltage
                                            by Bloutix
                                            Hi all,

                                            i need your help for understanding if there is an issue around my bios on edm-033 and around southbridge pin P16 and P17.

                                            I have removed my Southbridge and when I check standby voltage on the bios, I’ve got this value:
                                            • pin 1: 0,16v
                                            • Pin 8: 3,3v
                                            • Pin 7: 3,3v

                                            I think there is an issue between 3,3v line and cs pin, but I don’t know where.

                                            then this are the values on SB P17 and P16: 0,93v, But I have 3,3v on L17.

                                            Thanks for your help....
                                            10-14-2025, 02:03 PM
                                          • Loading...
                                          • No more items.
                                          Working...