Samsung LE32M87BD - stuck in standby - blinking LED

Collapse
X
 
  • Time
  • Show
Clear All
new posts
  • noledud
    Badcaps Veteran
    • Dec 2013
    • 413
    • united kingdom

    #61
    Re: Samsung LE32M87BD - stuck in standby - blinking LED

    got a replacement main board and its still the same so looks like i was wrong in the first place, im now thinking it is the PS due to the strange low voltages. The seller has one and i will contact asking if i can exchange. Are you thinking it is the PS also as i don't want to swap and it not be that

    Comment

    • brandrade04
      New Member
      • May 2014
      • 3
      • Portugal

      #62
      Re: Samsung LE32M87BD - stuck in standby - blinking LED

      Hello,

      did you find de solution for this problem?? I have a TV with the same behavior!!

      Thk!!

      Comment

      • underbird
        New Member
        • Oct 2013
        • 5
        • romania

        #63
        Re: Samsung LE32M87BD - stuck in standby - blinking LED

        Man the solution its very simple ,i solved same problem with my samsung lcd le40r81bxxec.
        change capacitor on power board and after write memory dump all willl be fine

        Comment

        • underbird
          New Member
          • Oct 2013
          • 5
          • romania

          #64
          Re: Samsung LE32M87BD - stuck in standby - blinking LED

          Originally posted by underbird
          Man the solution its very simple ,i solved same problem with my samsung lcd le40r81bxxec.
          change capacitor on power board and after write memory 24c256 dump all willl be fine
          epp
          Attached Files

          Comment

          • brandrade04
            New Member
            • May 2014
            • 3
            • Portugal

            #65
            Re: Samsung LE32M87BD - stuck in standby - blinking LED

            Hello underbird,

            I am not a expert, could you explain it with more detail?? Which capacitor?? Write memory dump??

            Thank you!!

            Comment

            • senndogg
              Badcaps Veteran
              • Dec 2011
              • 383
              • Albania

              #66
              Re: Samsung LE32M87BD - stuck in standby - blinking LED

              Hello guys!
              I think i got the solution to this M87BD with this symptoms:
              -Constant rebooting.
              -Turning on after circa 30min with stripes and faulty image.

              Fortunately i have a similar one in my workshop with a faulty T-con, the infamous AS15, but thats another story. I started swapping boards. PSU was ok. i didnt want to remove the mainboard so next was the scaler bn41-00895b.
              This was the culprit. TV went on and picture was ok.
              My guess was reflowing and reballing the DNIe and the Micronas chips.
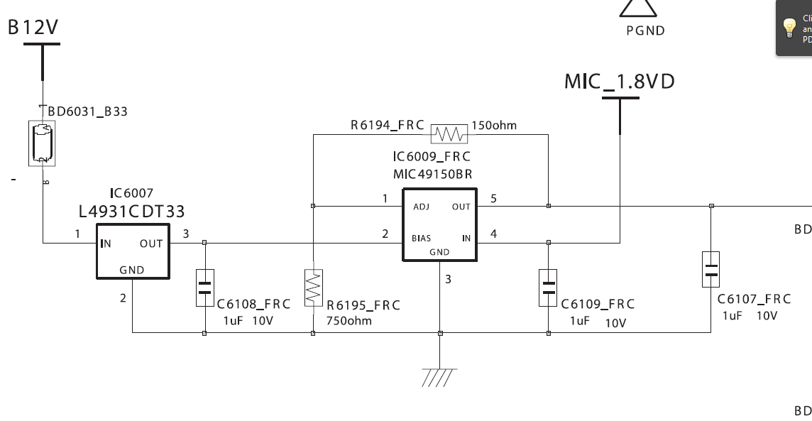
              But no luck. Anyway thanks to the fellows of the Polish site, i managed to succeed with removing the capacitor C6108_FRC (1uF/50V). I soldered another electrolytic similar one. TV is running flawless.

              I hope this helps. Credits go to the polish technician, i just used google translate.
              Attached Files

              Comment

              • cecherel
                New Member
                • Dec 2014
                • 3
                • Romania

                #67
                Re: Samsung LE32M87BD - stuck in standby - blinking LED

                Originally posted by senndogg
                Hello guys!
                I think i got the solution to this M87BD with this symptoms:
                -Constant rebooting.
                -Turning on after circa 30min with stripes and faulty image.

                Fortunately i have a similar one in my workshop with a faulty T-con, the infamous AS15, but thats another story. I started swapping boards. PSU was ok. i didnt want to remove the mainboard so next was the scaler bn41-00895b.
                This was the culprit. TV went on and picture was ok.
                My guess was reflowing and reballing the DNIe and the Micronas chips.
                But no luck. Anyway thanks to the fellows of the Polish site, i managed to succeed with removing the capacitor C6108_FRC (1uF/50V). I soldered another electrolytic similar one. TV is running flawless.

                I hope this helps. Credits go to the polish technician, i just used google translate.
                I have almost the same simptoms with this model (continous loop, only starts with heat blower on the scaler board, and after a while it displays some horizontal lines) i replaced the capacitor today and i hope it will work, i'm excited, i was looking for a solution for about 6 months.

                I'll get back with an answer.

                Comment

                • cecherel
                  New Member
                  • Dec 2014
                  • 3
                  • Romania

                  #68
                  Re: Samsung LE32M87BD - stuck in standby - blinking LED

                  It works !!! Thank you !!! Thanks also to the polish guy!

                  Comment

                  • budm
                    Badcaps Legend
                    • Feb 2010
                    • 40746
                    • USA

                    #69
                    Re: Samsung LE32M87BD - stuck in standby - blinking LED

                    Thanks for the tips, did you measure the cap to see what kind of failure it has?
                    Never stop learning
                    Basic LCD TV and Monitor troubleshooting guides.
                    http://www.badcaps.net/forum/showthr...956#post305956

                    Voltage Regulator (LDO) testing:
                    http://www.badcaps.net/forum/showthr...999#post300999

                    Inverter testing using old CFL:
                    http://www.badcaps.net/forum/showthr...er+testing+cfl

                    Tear down pictures : Hit the ">" Show Albums and stories" on the left side
                    http://s807.photobucket.com/user/budm/library/

                    TV Factory reset codes listing:
                    http://www.badcaps.net/forum/showthread.php?t=24809

                    Comment

                    • cecherel
                      New Member
                      • Dec 2014
                      • 3
                      • Romania

                      #70
                      Re: Samsung LE32M87BD - stuck in standby - blinking LED

                      I've measured the cap and it had 0.8 uF. I just tried heating the bad cap and when heated it goes at 1uF.

                      Comment

                      • tom66
                        EVs Rule
                        • Apr 2011
                        • 32560
                        • UK

                        #71
                        Re: Samsung LE32M87BD - stuck in standby - blinking LED

                        Probably more of an ESR thing than anything. Could cause a voltage regulator to become unstable.
                        Please do not PM me with questions! Questions via PM will not be answered. Post on the forums instead!
                        For service manual, schematic, boardview (board view), datasheet, cad - use our search.

                        Comment

                        • zipak
                          New Member
                          • Aug 2012
                          • 5
                          • Czech republic

                          #72
                          Re: Samsung LE32M87BD - stuck in standby - blinking LED

                          Thanks for info about 1uF cap. I changed this cap to new one and TV work again. Than I measured the Capacity and ESR of the original cap and measurement shows increased ESR value than expected. Once again thank for tip.

                          Bretislav

                          Comment

                          • johnkte
                            New Member
                            • Jun 2015
                            • 1
                            • Greece

                            #73
                            Re: Samsung LE32M87BD - stuck in standby - blinking LED

                            Hello,
                            have the same problem in a LE32M86BD. I was ready to try reflow cpu, but saw this post. Changed the 1uF capacitor and it simple worked. Capacitor seems to have very large ESR. Thank you guys !!!
                            P.S. Respect to polish guy !!

                            Comment

                            • ammarben
                              Senior Member
                              • May 2013
                              • 63
                              • algeria

                              #74
                              Re: Samsung LE32M87BD - stuck in standby - blinking LED

                              Thanks for the tips
                              Attached Files

                              Comment

                              • steviewonder
                                Senior Member
                                • Dec 2013
                                • 183
                                • england

                                #75
                                Re: Samsung LE32M87BD - stuck in standby - blinking LED

                                1000uf,10v under the screening can is faulty. a warm-up with a hairdrier should give results.there's two of them,but generally only the lower one of the two dries out.Located under the screening tin on the signals pcb.

                                Comment

                                • steviewonder
                                  Senior Member
                                  • Dec 2013
                                  • 183
                                  • england

                                  #76
                                  Re: Samsung LE32M87BD - stuck in standby - blinking LED

                                  oops, this only applies to the R87BD...but same symptoms

                                  Comment

                                  • brandrade04
                                    New Member
                                    • May 2014
                                    • 3
                                    • Portugal

                                    #77
                                    Re: Samsung LE32M87BD - stuck in standby - blinking LED

                                    Hello all,

                                    some days ago I visited this post and replaced the C6108_FRC (1uF/50V), that solved my problem too!!

                                    Thanks!!!

                                    Comment

                                    • Joun
                                      Senior Member
                                      • Jul 2011
                                      • 191
                                      • Greece

                                      #78
                                      Re: Samsung LE32M87BD - stuck in standby - blinking LED

                                      This is what internet is for..
                                      Replace that cap(it had ESR about 500 Ohms! ) and TV is working for some hours now..

                                      Thank you!
                                      Last edited by Joun; 11-02-2015, 02:09 PM.

                                      Comment

                                      • YeOldeGinge
                                        Member
                                        • Nov 2014
                                        • 30
                                        • Telford and Wrekin

                                        #79
                                        Re: Samsung LE32M87BD - stuck in standby - blinking LED

                                        I had something similar with one of my TV's I think it may be a short on one of the ccfl tubes (Back light) or a shorted back light led(Back light) depending on the type of back light it has.

                                        Hope this helps

                                        YeOldeGinge :P

                                        Comment

                                        Related Topics

                                        Collapse

                                        • Document Archive
                                          Samsung Galaxy Book 2 Notebook Specification for Upgrade or Repair
                                          by Document Archive
                                          This specification for the Samsung Galaxy Book 2 Notebook can be useful for upgrading or repairing a laptop that is not working. As a community we are working through our specifications to add valuable data like the Galaxy Book 2 boardview and Galaxy Book 2 schematic. Our users have donated over 1 million documents which are being added to the site. This page will be updated soon with additional information. Alternatively you can request additional help from our users directly on the relevant badcaps forum. Please note that we offer no warranties that any specification, datasheet, or download...
                                          09-07-2024, 05:50 AM
                                        • tvguy12012012120
                                          Zombie Samsung UN55NU6900F dead / no standby voltage - randomly came to life after hours of troubleshooting then died
                                          by tvguy12012012120
                                          This is my first attempt at troubleshooting a board like this, I know I could just buy a new board but I'm curious to figure out how this works. I've been testing different components in the evenings this week and I think the problem is with the IC failing to start up for some reason. When the board is plugged in there is no standby voltage.

                                          Then today it randomly sprung to life like a zombie but shortly died thereafter. I have no idea why it would have done that and its the first time I've seen it running. I discharged capacitors on the board last night, then it was sitting today....
                                          02-07-2025, 05:13 PM
                                        • Ukdigger
                                          Samsung UE46f5000AK Stuck on Standby
                                          by Ukdigger
                                          When the Main board is disconnected, the back lights are off but tapping on the chassis makes them light up and all voltages are then good. Connecting the main board up makes the TV work normally until moved. LED INERFACE STRIP BN41-01971A has a short on the first 2 pins on the left of the picture, the cable tests good. All the other pins and all LED strips test good. Is there an easy way to fix the short or do I need a new interface. Any help would welcome.

                                          PSU number bn44-00610A L46SF_dpn

                                          1 B13v 12.4
                                          3 B13v 12.4
                                          5 Vamp 12.4
                                          7 Vamp 12.4
                                          9 GND...
                                          08-08-2024, 09:17 AM
                                        • Rusenga
                                          Samsung UA39EH5003R Stuck on standby
                                          by Rusenga
                                          Hi techs, I have a Samsung ua39eh5003r which switches on and then goes to standby. I have to wait for a day or two for the tv to switch on again, all the time it is stuck on standby. I have checked the voltages on the power supply board on both occasions when it is on and off and these are my findings:

                                          Connector CNM803:
                                          TV ON
                                          Pin1,3,4,5(Vamp),7(Vamp)- 12.6V; Pin2(PWM_DIM)- 0.96v; Pin6(BLU_ON/OFF)- 4.41v; Pin8,9,10- grnd; Pin11,12,13- 5.16v; Pin14(Power ON/OFF)- 3.3v

                                          TV OFF
                                          Pin1,3,4,5(Vamp),7(Vamp)- 12.6V; Pin2(PWM_DIM)- 0.06v; Pin6(BLU_ON/OFF)-...
                                          09-18-2021, 11:51 AM
                                        • rju
                                          Samsung 60" Plasma TV, Blinking Standby LED
                                          by rju
                                          A sports bar/restaurant with ~40 Samsung Plasma TVs. This is the 2nd TV that has a blinking standby LED. I'd like to learn how to repair these TVs because I'd guess that over time more and more of them will develop this symptom. My hope is to repair the bad PCB, however if that's not realistic then I'd replace the bad PCB.

                                          Model PN60F5300AF, Type PN60F5300, Model Code PN60F5300AFXZA

                                          Upon applying power, the red standby is steady. When I tap the power button, the standby LED immediately blinks twice, then it blinks once ~ every 4 secs. Also, Upon applying power, the...
                                          07-21-2020, 05:23 AM
                                        • Loading...
                                        • No more items.
                                        Working...