Sylvania LC320SLX No Power-Dead

Collapse
X
 
  • Time
  • Show
Clear All
new posts
  • selldoor
    Slow Learner
    • Dec 2010
    • 7870

    #41
    Re: Sylvania LC320SLX No Power-Dead

    Originally posted by kevinm34232
    You said I should be getting 135v is something wrong if Im getting around 165v which is what Im getting off of large cap?

    No - nothing wrong -I think the earlier 135 may have been either a mis type or got the multiplier wrong and used 1.14.

    120 VAC rectified is 120* 1.41 = 160.2 VDC

    Your mains is likely less than 120 VAC so 165VDC is acceptable.
    Please upload pictures using attachment function when ask for help on the repair
    http://www.badcaps.net/forum/showthread.php?t=39740

    Comment

    • RON_CET
      Badcaps Veteran
      • Jun 2012
      • 217
      • USA

      #42
      Re: Sylvania LC320SLX No Power-Dead

      what your seeing @ that measurement @ this time of 165 volts DC is complete source voltage derived from your bridge rectifier network,once Q601 and its associated circuit start its operations you should see that 165 volt reduce down close to the 135 volt
      Ron Driver,BSEE,CET,ISCET,NESDA

      Comment

      • selldoor
        Slow Learner
        • Dec 2010
        • 7870

        #43
        Re: Sylvania LC320SLX No Power-Dead

        Originally posted by selldoor
        No - nothing wrong -..........
        120 VAC rectified is 120* 1.41 = 160.2 VDC WRONG

        Your mains is likely less than 120 VAC so 165VDC is acceptable.
        Probably confused you even more - sorry

        Should be 120*1.41 = 169.2VDC
        Please upload pictures using attachment function when ask for help on the repair
        http://www.badcaps.net/forum/showthread.php?t=39740

        Comment

        • kevinm34232
          Badcaps Legend
          • May 2012
          • 1884
          • USA

          #44
          Re: Sylvania LC320SLX No Power-Dead

          Ok going to replace the bad resistor and see what happens well let you know what happens..

          Comment

          • kevinm34232
            Badcaps Legend
            • May 2012
            • 1884
            • USA

            #45
            Re: Sylvania LC320SLX No Power-Dead

            Originally posted by RON_CET
            if no diodes are shorted ,then using pin 8 of T601 as ground read dc voltage @ Drain of Q601 should have 134 vols DC when set plug in if you do have the 134 v there then check for 5.3v on gate of Q601 those two voltages must be present to kick start Q601 into oscillation to get the power supply running
            I have not tested all the diodes yet but I replaced the one bad resistor and at Q601 I have 163v at drain and 2.0v at gate. Does that give any indication?

            Comment

            • kevinm34232
              Badcaps Legend
              • May 2012
              • 1884
              • USA

              #46
              Re: Sylvania LC320SLX No Power-Dead

              I know this is first thing to check but I removed main filter cap which is a 470uF200wv, it measures 414uF, ESR 0.07. Is it bad?
              I've checked all resistors and diodes on the "hot" side of the board now all seem good.

              Comment

              • RON_CET
                Badcaps Veteran
                • Jun 2012
                • 217
                • USA

                #47
                Re: Sylvania LC320SLX No Power-Dead

                did you use the same dvm you measure voltage with to measure the Capacitor? again how accurate is it? The 470uf most likely is rated @ +/-10% so if your reading 414uf i would replace the cap,the voltages on Q601 should be suffient to startup set if nothing else bad.I think you said in a prior post that Q601 gate had 0.00 volts due to a open R614 you replaced and now you have 2volts
                Ron Driver,BSEE,CET,ISCET,NESDA

                Comment

                • kevinm34232
                  Badcaps Legend
                  • May 2012
                  • 1884
                  • USA

                  #48
                  Re: Sylvania LC320SLX No Power-Dead

                  I have a Peak Atlas cap meter that I used to test it. That A33 voltage we were talking about I have 7.7v now, is that supposed to be 33v or 3.3v? Right on Q601 but I think I had 0v when the fuse blew so I'm not sure if I had voltage there before that.

                  Comment

                  • kevinm34232
                    Badcaps Legend
                    • May 2012
                    • 1884
                    • USA

                    #49
                    Re: Sylvania LC320SLX No Power-Dead

                    OK so I will replace C605 (do you think this would be the cause of the TV not coming on, i.e. replace before continuing?)

                    And according to SM, that leaves Q601, Q602, and T601 to check?
                    Attached Files

                    if you find these attachements useful please consider making a small donation to the site

                    Comment

                    • RON_CET
                      Badcaps Veteran
                      • Jun 2012
                      • 217
                      • USA

                      #50
                      Re: Sylvania LC320SLX No Power-Dead

                      yes your al33v should be al33 if your getting 7volts thats to low and will not work your al33 volts comes from diode D638 also your al3.3 comes from IC631 pin 2
                      Ron Driver,BSEE,CET,ISCET,NESDA

                      Comment

                      • RON_CET
                        Badcaps Veteran
                        • Jun 2012
                        • 217
                        • USA

                        #51
                        Re: Sylvania LC320SLX No Power-Dead

                        no i don't think the C605 cap is keeping set from coming on,remember now since your on the secondary side of T601 for measurement make sure your using ground from secondary side like i post early i think it's pin 15
                        Last edited by RON_CET; 07-22-2012, 10:05 AM.
                        Ron Driver,BSEE,CET,ISCET,NESDA

                        Comment

                        • kevinm34232
                          Badcaps Legend
                          • May 2012
                          • 1884
                          • USA

                          #52
                          Re: Sylvania LC320SLX No Power-Dead

                          OK should I check Q602 and T601 first and how?

                          Comment

                          • RON_CET
                            Badcaps Veteran
                            • Jun 2012
                            • 217
                            • USA

                            #53
                            Re: Sylvania LC320SLX No Power-Dead

                            you can check Q602 for b-e short or e-c short also voltage from Q602 with using pin8 of T601 for ground as for t601 possible issue thats very low possibility now back over on secondary side @D638 source for al33v being thats low @7volt with set unplugged make sure you have no low resistance short from cathode which is band side of diode to pin 15 of T601
                            Ron Driver,BSEE,CET,ISCET,NESDA

                            Comment

                            • kevinm34232
                              Badcaps Legend
                              • May 2012
                              • 1884
                              • USA

                              #54
                              Re: Sylvania LC320SLX No Power-Dead

                              OK so here's what happens, with my meter on 200k I put black probe to pin 15 of T601 and red probe to band side of D638 and the readings on the meter just keep going up until hits 200 then 0L.

                              FYI I have 3.3v on pin2 of IC631.

                              As for Q602 I have 2.0v on collector pin 2, 0.2v on emitter pin 1.
                              Last edited by kevinm34232; 07-22-2012, 04:51 PM.

                              Comment

                              • RON_CET
                                Badcaps Veteran
                                • Jun 2012
                                • 217
                                • USA

                                #55
                                Re: Sylvania LC320SLX No Power-Dead

                                D638 indicate no shorts now,using pin 15 ground of T601 go back to D638 cathode (band side) and reread your voltage there also since you have the 3.3volts on ic631 that now tells me things on primary side of T601 is working so when can forget now Q601,Q602 and associate circuit
                                Ron Driver,BSEE,CET,ISCET,NESDA

                                Comment

                                • kevinm34232
                                  Badcaps Legend
                                  • May 2012
                                  • 1884
                                  • USA

                                  #56
                                  Re: Sylvania LC320SLX No Power-Dead

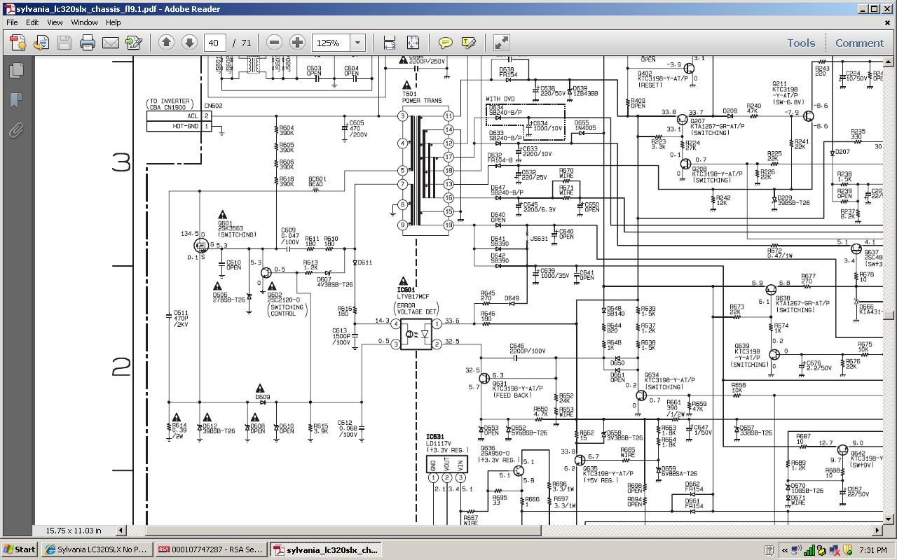
                                  Hey Ron can look at page 37 of SM Block Diagram pin 2 of IC601 is 7.7v same as D638 also see a feedback circuit, any relevance?

                                  Comment

                                  • kevinm34232
                                    Badcaps Legend
                                    • May 2012
                                    • 1884
                                    • USA

                                    #57
                                    Re: Sylvania LC320SLX No Power-Dead

                                    Same voltage reading using pin 15 and/or chassis and cathode/band side 7.7v.

                                    Comment

                                    • kevinm34232
                                      Badcaps Legend
                                      • May 2012
                                      • 1884
                                      • USA

                                      #58
                                      Re: Sylvania LC320SLX No Power-Dead

                                      IC601 voltages

                                      Pin 1 - 6.6v
                                      Pin 2 - 7.6v
                                      Pin 3 - 0.6v
                                      Pin 4 - 0.2v

                                      Assume using ground from each side of IC?
                                      Attached Files

                                      if you find these attachements useful please consider making a small donation to the site

                                      Comment

                                      • RON_CET
                                        Badcaps Veteran
                                        • Jun 2012
                                        • 217
                                        • USA

                                        #59
                                        Re: Sylvania LC320SLX No Power-Dead

                                        ok something sucking up our voltage on cathode D638 we need to start eliminating things on that 33volt line thats killing our 33v
                                        located R661 lift one side then read voltage again @ D638 see if come up
                                        Last edited by RON_CET; 07-22-2012, 05:45 PM.
                                        Ron Driver,BSEE,CET,ISCET,NESDA

                                        Comment

                                        • budm
                                          Badcaps Legend
                                          • Feb 2010
                                          • 40746
                                          • USA

                                          #60
                                          Re: Sylvania LC320SLX No Power-Dead

                                          Since the T601 transformer is used to generate more than one output voltages (multi output windings), are other output voltages OK beside the 33V supply?
                                          Never stop learning
                                          Basic LCD TV and Monitor troubleshooting guides.
                                          http://www.badcaps.net/forum/showthr...956#post305956

                                          Voltage Regulator (LDO) testing:
                                          http://www.badcaps.net/forum/showthr...999#post300999

                                          Inverter testing using old CFL:
                                          http://www.badcaps.net/forum/showthr...er+testing+cfl

                                          Tear down pictures : Hit the ">" Show Albums and stories" on the left side
                                          http://s807.photobucket.com/user/budm/library/

                                          TV Factory reset codes listing:
                                          http://www.badcaps.net/forum/showthread.php?t=24809

                                          Comment

                                          Related Topics

                                          Collapse

                                          • madan1
                                            Modding HPF filter
                                            by madan1
                                            Hi everyone.
                                            Recently scored a dead amp from a mackie srm1801 subwoofer and after fixing it, now I'm thinking about a home cinema/party subwoofer project.
                                            Most likely I will use a 15" JBL woofer, which I already have and a diy box.

                                            After reading the mackie user manual, I noticed that it has a 40hz HPF (labeled as "36Hz BUTTERWORTH HPF" in the SM) to protect the speaker from low frequencies. Indeed this seems to be good idea for the intended usage - professional music subwoofer, but bad for movies, where one would expect to "feel" the SUBwoofer....
                                            09-24-2025, 02:06 PM
                                          • Agent24
                                            Dick Smith Q-1760 linear power supply filter capacitor question
                                            by Agent24
                                            I have acquired a used Dick Smith Q-1760 power supply - although the OEM is Manson Industrial
                                            It has at least one problem.

                                            The voltage control potentiometer VR2, 50K is faulty - going high resistance / open circuit in the CCW end and leading to the output voltage jumping around.
                                            I have already ordered a replacement potentiometer, so that's not an issue.

                                            Now, I want to replace all three electrolytics on the PCB as they are CapXon and I don't trust them so much, I will replace them with something better while I've got the thing apart anyway.
                                            All are CapXon...
                                            10-21-2025, 05:39 PM
                                          • Francesc V.
                                            Christmas lights - Something I am doing wrong
                                            by Francesc V.
                                            Hi:

                                            i am trying to repair this Christmas lights from my parents. They are incandescent lights, no led lights.

                                            I have tried with 12V a 24V small lights that I found in Aliexpress but is obvious that are not the right ones. They last microseconds connected. Do they blow because of Amps or Volts?

                                            If I measure the Amps in the string........it's only 90mA. If I measure the Volts in the "green box"......it's between 0 and 190V, but doing a little bit of maths from the number of bulbs in series.......it's only about 6V per lamp.

                                            Could...
                                            03-11-2023, 07:38 AM
                                          • bialag
                                            Lenovo ThinkPad E14 Gen 5 - Not Powering On - 3 Blinking Lights - 20 volts 0.224 amps
                                            by bialag
                                            Hello,

                                            I have a Lenovo here that does not want to power on. The motherboard appears to be clean, no sign of corrosion or obvious fried components. When plugged in, I see 3 blinking lights and then off. It would cycle the 3 blinking lights every 10 seconds or so as long as I have the adapter plugged in. Amp meter shows 20 volts, 0.224 amps, no fan spin, red light indicator near the charge port.

                                            Thermal camera shows a section of the motherboard that is warmer than the rest. It is near the connector labels JRTC1 (CMOS battery). Diode measurement to ground for pin 1 = OL,...
                                            03-25-2025, 05:56 PM
                                          • gabrielA7
                                            IMAC A1418 / MB: 820-00430-a / does not turn on, Lights 3 of the 4 LEDs and turns off.
                                            by gabrielA7
                                            Does not turn on, lights 3 of the 4 LEDs and turns off and stays like this, presses the power and repeats.
                                            I saw that the room LED lights up only when the screen is connected, so quiet.

                                            We have all the power supplies, even processor, 1.8V
                                            One thing I found strange, it has a very low resistance in the Vcore is giving 1 Ohm , work with notes and such, I know that this is normal in some processors but with this resistance only take video card so found it strange.

                                            I suspect that there may be some leak in the processor.
                                            Anyway, when I press the power, it...
                                            10-29-2024, 06:48 AM
                                          • Loading...
                                          • No more items.
                                          Working...