Panasonic TX-26LXD8 stuck in standby.

Collapse
X
 
  • Time
  • Show
Clear All
new posts
  • py3m4n
    Senior Member
    • Jul 2011
    • 99
    • Scotland

    #1

    Panasonic TX-26LXD8 stuck in standby.

    This thread is a continuation of this thread - https://www.badcaps.net/forum/showthread.php?t=19620

    Model - Panasonic TX-26LXD8.

    Mainboard - TNP8EAL96.

    Link to service manual - http://elektrotanya.com/panasonic_tx.../download.html

    Fault - When turned on Standby light lights up then goes off immediately. PSU clicking.

    Testing - The PSU has been tested and it is outputting the correct voltages to the mainboard and inverter as shown in the service manual. I also have another PSU that belonged to the previous owner that I have tried and the symptoms are the same.

    On the mainboard I found that the voltage at SUB5V on connector A1 - pin 8 is unstable (page 19 service manual). Having bought this T.V to better my understanding of block diagrams, schematics etc. I started to investigate, here's what I have found so far.

    I traced back from A1 - pin 8. Which led me to IC8404 and IC8405. According to the SCH I should be reading 5v at pin 20 on both of these. I have no reading at both. Same goes for IC8401, no 5v reading at pin 33.

    Realising I might be going about this back to front I decided to trace back from connector A7 (PSU connector) pins 1 and 2. Which led me to IC5602, after checking I found that Vo on IC5602 is unstable (previous convo with budm I said no reading, I have found with all connectors connected it's unstable). Here is where the thread in the link at the top comes in.

    Now.

    @ budm.

    IC5602.

    Pin 1. Vc - Unstable
    Pin 2. Vin - 5v
    Pin 4. Vo - Unstable

    Vo ohm to ground - no short (no beep, does read 2K ohm on resistance setting on meter? interested as to why this is if you can be bothered explaining)

    So it looks like IC5602 is o.k like you mentioned, as it isn't getting a stable 2v at VC pin 1.

    I have begun tracing back from here, I will update my findings, lol. I am determined to find the fault with this board. It is slowly peeling back the curtains to my being able to use SCH and I admit it, I am thoroughly enjoying it!

    Relevant pictures below.
    Attached Files

    if you find these attachements useful please consider making a small donation to the site

  • py3m4n
    Senior Member
    • Jul 2011
    • 99
    • Scotland

    #2
    Re: Panasonic TX-26LXD8 stuck in standby.

    @budm

    It's looking like Q5610 could be the culprit.

    Q5610 - Markings TPC8105.

    Datasheet

    http://pdf1.alldatasheet.com/datashe...TPC8105-H.html

    From what I can work out I should have 5v at pin 1 and 5v at pin 8.

    Testing it I have 5v at Pin1 and unstable at Pin 8.

    Comment

    • budm
      Badcaps Legend
      • Feb 2010
      • 40746
      • USA

      #3
      Re: Panasonic TX-26LXD8 stuck in standby.

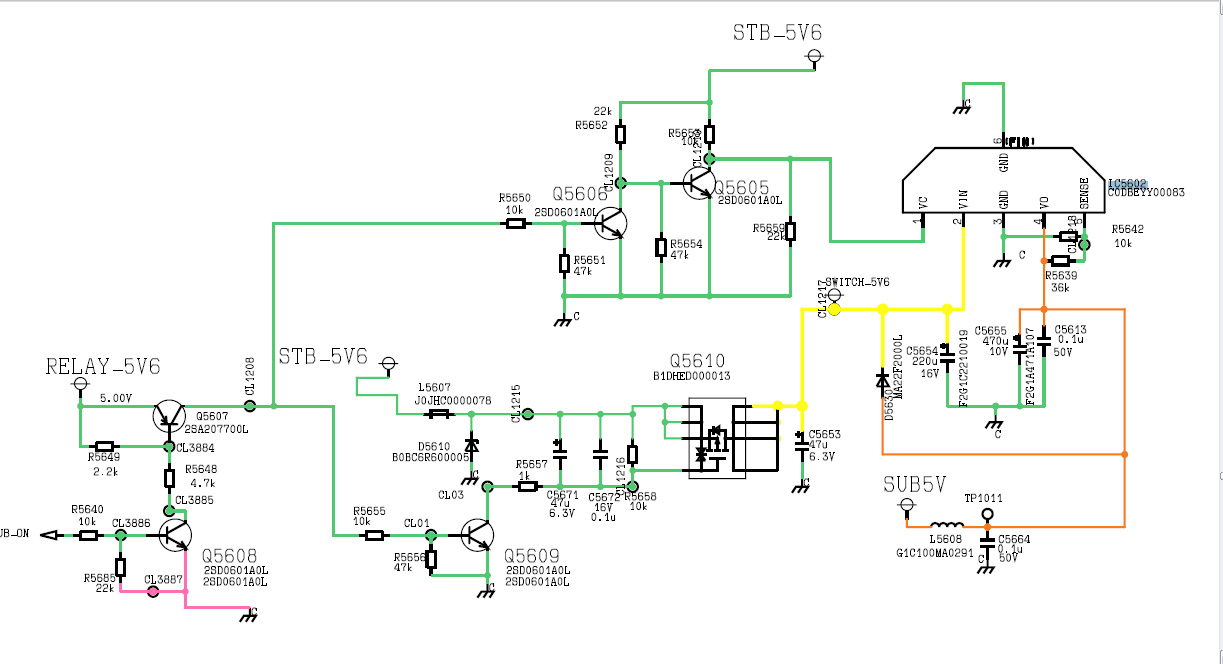
      Is the VIN stable? If it is, you can force the IC5602 to turn on by forcing Q5605 to turn OFF by short out R5654, this will cause the Collector voltage of Q5605 to go high toward 5V.
      The IC5602 is trun on when the following happens:
      Q5608 is turn on when 3~5 is applied to the resistor R5640 (left leg, I cannot read the lable on the SCH), which will turn on Q5607 whick will allow 5V on the Emitter of Q5607 to appear at the Collector or Q5607, this voltage will then turn on Q5606, hwich will turn off Q5605, so the Collector of Q5605 to go high and turn on IC5602 5V REGULATOR.
      at the same time the 5v from the Collector of Q5607 is also fed into Q5609 which will turn it on causes the Collector of Q5609 to go LO which in turn will tun on the P channel MOSFET Q5610 which will allow STB_5V6 to appear at the VIN of the IC5602.
      So for you to get 5vdc at the output of IC5602,the above actions have to happen.
      Attached Files

      if you find these attachements useful please consider making a small donation to the site

      Never stop learning
      Basic LCD TV and Monitor troubleshooting guides.
      http://www.badcaps.net/forum/showthr...956#post305956

      Voltage Regulator (LDO) testing:
      http://www.badcaps.net/forum/showthr...999#post300999

      Inverter testing using old CFL:
      http://www.badcaps.net/forum/showthr...er+testing+cfl

      Tear down pictures : Hit the ">" Show Albums and stories" on the left side
      http://s807.photobucket.com/user/budm/library/

      TV Factory reset codes listing:
      http://www.badcaps.net/forum/showthread.php?t=24809

      Comment

      • randtek
        Badcaps Veteran
        • Oct 2011
        • 280
        • US

        #4
        Re: Panasonic TX-26LXD8 stuck in standby.

        I'm curious what you mean by "unstable". How much is it varying, and how? Is it cycling? It would not be possible to have stable 5v at pin 2 of IC5602, and unstable at pin 8 of Q5610, as they are the same point electronically - connected directly together. I'm guessing you may have a bad test lead on your meter, or a poor ground connection to you rmeter, causing erroneous readings, because some of the readings you are posting are not making sense electronically.

        Comment

        • budm
          Badcaps Legend
          • Feb 2010
          • 40746
          • USA

          #5
          Re: Panasonic TX-26LXD8 stuck in standby.

          If VC is not stable and it is swinging hi and lo then the output will be unstable, he needs to look at why VC is unstable.
          Never stop learning
          Basic LCD TV and Monitor troubleshooting guides.
          http://www.badcaps.net/forum/showthr...956#post305956

          Voltage Regulator (LDO) testing:
          http://www.badcaps.net/forum/showthr...999#post300999

          Inverter testing using old CFL:
          http://www.badcaps.net/forum/showthr...er+testing+cfl

          Tear down pictures : Hit the ">" Show Albums and stories" on the left side
          http://s807.photobucket.com/user/budm/library/

          TV Factory reset codes listing:
          http://www.badcaps.net/forum/showthread.php?t=24809

          Comment

          • py3m4n
            Senior Member
            • Jul 2011
            • 99
            • Scotland

            #6
            Re: Panasonic TX-26LXD8 stuck in standby.

            @randtek

            Two different DMMs were used during testing (I considered this myself at the time) The readings fluctuate between 0v and 5v.

            It's possible I have not allocated the correct numbers to the pins. My assumption was pin 1 is where the green STB_5V6 is (left top) and pin 8 is the yellow SWITCH_5V6 going to the Vin of IC5602.

            @budm

            The Vin reading at IC5602 is stable, I will look into what you have explained tomorrow.

            Comment

            • py3m4n
              Senior Member
              • Jul 2011
              • 99
              • Scotland

              #7
              Re: Panasonic TX-26LXD8 stuck in standby.

              @budm

              Just to double check, is the resistor circled in the attached picture the correct one I want to short.
              Attached Files

              if you find these attachements useful please consider making a small donation to the site

              Comment

              • budm
                Badcaps Legend
                • Feb 2010
                • 40746
                • USA

                #8
                Re: Panasonic TX-26LXD8 stuck in standby.

                That is, great clear picture!
                Never stop learning
                Basic LCD TV and Monitor troubleshooting guides.
                http://www.badcaps.net/forum/showthr...956#post305956

                Voltage Regulator (LDO) testing:
                http://www.badcaps.net/forum/showthr...999#post300999

                Inverter testing using old CFL:
                http://www.badcaps.net/forum/showthr...er+testing+cfl

                Tear down pictures : Hit the ">" Show Albums and stories" on the left side
                http://s807.photobucket.com/user/budm/library/

                TV Factory reset codes listing:
                http://www.badcaps.net/forum/showthread.php?t=24809

                Comment

                • py3m4n
                  Senior Member
                  • Jul 2011
                  • 99
                  • Scotland

                  #9
                  Re: Panasonic TX-26LXD8 stuck in standby.

                  @budm

                  Shorted R5654, no change, still clicking going Hi-Lo.

                  Took voltage readings at the left and right pins of R5654.

                  Left pin - 0v
                  Right pin - 0.5 - 0.65 Hi-Lo.

                  Took some other V readings not sure how helpful they will be.

                  Q5608 -

                  0v - 5.55v Hi-Lo @ collector.

                  C5671 -

                  5.55v @ Top pin/Pos
                  0v @ Bot pin/Neg

                  Q5610 -

                  Pin 1/Source - 5v stable
                  Pin 4/Gate - Hi-Lo.
                  Pin 5/Drain - Hi-Lo.
                  Pin 8/Drain - Hi-Lo.
                  Last edited by py3m4n; 03-21-2012, 11:52 AM.

                  Comment

                  • budm
                    Badcaps Legend
                    • Feb 2010
                    • 40746
                    • USA

                    #10
                    Re: Panasonic TX-26LXD8 stuck in standby.

                    If that resistor is shorted out (both ends of the resistor are tied to ground when we short out this resistor) then there cannot be any voltage on it.
                    If Q5608 Collector is going Hi and LO then the Base must be driven HI-LO also, this Collector voltage sholud be 0.6vdc or less when Q5608 is on.
                    And If Q5608 Collector voltage is going up and down, then Colloector voltage of Q5607 must be going up and down also.
                    Are these voltages steady at the following points: RELAY_5V6, STB_5V6

                    You should use the ground points (such as the Emitter of Q5608, Q5609, or Q5605) as shown in the diagram as the ground ref for troubleshooting this section of the circuits.
                    It must be the way you are attaching the meter probes to the circuits.
                    Never stop learning
                    Basic LCD TV and Monitor troubleshooting guides.
                    http://www.badcaps.net/forum/showthr...956#post305956

                    Voltage Regulator (LDO) testing:
                    http://www.badcaps.net/forum/showthr...999#post300999

                    Inverter testing using old CFL:
                    http://www.badcaps.net/forum/showthr...er+testing+cfl

                    Tear down pictures : Hit the ">" Show Albums and stories" on the left side
                    http://s807.photobucket.com/user/budm/library/

                    TV Factory reset codes listing:
                    http://www.badcaps.net/forum/showthread.php?t=24809

                    Comment

                    • py3m4n
                      Senior Member
                      • Jul 2011
                      • 99
                      • Scotland

                      #11
                      Re: Panasonic TX-26LXD8 stuck in standby.

                      I have been using the screw in the top right of the mainboard as my ground point.

                      The readings I took on R5654 were after removing the short, same for the rest. The only reading I took whilst the short was in place was at the Vin of IC5602.

                      Q5605 is an NPN type transistors, is that right.

                      Having to differentiate between which transistors are NPN and PNP from the schematic and using the SCH in conjunction is hurting my head, but the only way I will learn is to persist!

                      Edit - I have just realised the Base, emitter, collector are in the same location whether it's NPN or PNP from the datasheets. I have been allowing myself to get confused by the SCH.

                      These are the two datasheets I am using for the transistors.



                      Last edited by py3m4n; 03-21-2012, 12:47 PM.

                      Comment

                      • budm
                        Badcaps Legend
                        • Feb 2010
                        • 40746
                        • USA

                        #12
                        Re: Panasonic TX-26LXD8 stuck in standby.

                        To make it easy, see PDF.
                        These voltage MUST be steady: RELAY_5V6, STB_5V6
                        Attached Files

                        if you find these attachements useful please consider making a small donation to the site

                        Never stop learning
                        Basic LCD TV and Monitor troubleshooting guides.
                        http://www.badcaps.net/forum/showthr...956#post305956

                        Voltage Regulator (LDO) testing:
                        http://www.badcaps.net/forum/showthr...999#post300999

                        Inverter testing using old CFL:
                        http://www.badcaps.net/forum/showthr...er+testing+cfl

                        Tear down pictures : Hit the ">" Show Albums and stories" on the left side
                        http://s807.photobucket.com/user/budm/library/

                        TV Factory reset codes listing:
                        http://www.badcaps.net/forum/showthread.php?t=24809

                        Comment

                        • py3m4n
                          Senior Member
                          • Jul 2011
                          • 99
                          • Scotland

                          #13
                          Re: Panasonic TX-26LXD8 stuck in standby.

                          Did as you said. I used the emitter of Q5609 as ground.

                          Q5608 Base and collector are both going Hi-Lo.

                          B - 0vdc - 0.4vdc
                          C - 0vdc - 5vdc

                          Collector of Q5607 is 0vdc - 2.7vdc.

                          Just as you described!

                          Now I see you have made it easy. I appreciate it, although I was kind of enjoying the brain pain, lol.

                          Cheers bud.

                          Comment

                          • budm
                            Badcaps Legend
                            • Feb 2010
                            • 40746
                            • USA

                            #14
                            Re: Panasonic TX-26LXD8 stuck in standby.

                            How about the DC Voltage on that Collector of Q605 when you shorted out the resistor? How about the two important DC voltages I ask to check: RELAY_5V6, STB_5V6 They have to be stable, I need that information. See the last PDF.
                            Never stop learning
                            Basic LCD TV and Monitor troubleshooting guides.
                            http://www.badcaps.net/forum/showthr...956#post305956

                            Voltage Regulator (LDO) testing:
                            http://www.badcaps.net/forum/showthr...999#post300999

                            Inverter testing using old CFL:
                            http://www.badcaps.net/forum/showthr...er+testing+cfl

                            Tear down pictures : Hit the ">" Show Albums and stories" on the left side
                            http://s807.photobucket.com/user/budm/library/

                            TV Factory reset codes listing:
                            http://www.badcaps.net/forum/showthread.php?t=24809

                            Comment

                            • py3m4n
                              Senior Member
                              • Jul 2011
                              • 99
                              • Scotland

                              #15
                              Re: Panasonic TX-26LXD8 stuck in standby.

                              Checked RELAY_5V6 using the test point from emitter of Q5607 (see pic)

                              RELAY_5V6 - 5.48vdc - 5.55vdc
                              STB_5V6 - 5.4vdc steady

                              With jumper in place. 3.5vdc @ collector of Q5605.

                              Here's the frustrating part, after I did this I retested the Vo of IC5602 and now it's going Hi-Lo ?!?! (jumper was removed)

                              Now has me wondering if I have done something to cause this.
                              Attached Files

                              if you find these attachements useful please consider making a small donation to the site

                              Comment

                              • budm
                                Badcaps Legend
                                • Feb 2010
                                • 40746
                                • USA

                                #16
                                Re: Panasonic TX-26LXD8 stuck in standby.

                                What do you get at the Vo when the jumper is in place since Vc is now steady, the on way that Vo is goinh HI/LO has be due to Vin is going up and down.
                                If Vin is going up and dopwn then that is because the first transistor (Q5608) which controls the circuits is switching on and off due the to signal feeding it is going HI and LO, we need to find out where that signal is coming from, if you put the meter on the point as shown in the diagram it will more likely to be going up and down.
                                By the way, is there any indicator lights on the front of the TV blinking?
                                I think your TV is in sfaety shutdown and it is try to start and restart due to fault some where.
                                What do you get at the Vo when the jumper is in place since Vc is now steady, the on way that Vo is goinh HI/LO has be due to Vin is going up and down.
                                Attached Files

                                if you find these attachements useful please consider making a small donation to the site

                                Last edited by budm; 03-21-2012, 02:49 PM.
                                Never stop learning
                                Basic LCD TV and Monitor troubleshooting guides.
                                http://www.badcaps.net/forum/showthr...956#post305956

                                Voltage Regulator (LDO) testing:
                                http://www.badcaps.net/forum/showthr...999#post300999

                                Inverter testing using old CFL:
                                http://www.badcaps.net/forum/showthr...er+testing+cfl

                                Tear down pictures : Hit the ">" Show Albums and stories" on the left side
                                http://s807.photobucket.com/user/budm/library/

                                TV Factory reset codes listing:
                                http://www.badcaps.net/forum/showthread.php?t=24809

                                Comment

                                • budm
                                  Badcaps Legend
                                  • Feb 2010
                                  • 40746
                                  • USA

                                  #17
                                  Re: Panasonic TX-26LXD8 stuck in standby.

                                  Let me explain further, that regulator IC has the Vc pin which will turn the output Vo pin on and off, if Vc is being switched on and off, then the out put will be going on and off, then you also have Vin pin, let says that we force Vc to be high by jumping the resistor but the Vin is also going up and down , then the result will be that Vo will begoing up and down even if the Vc is high.
                                  Never stop learning
                                  Basic LCD TV and Monitor troubleshooting guides.
                                  http://www.badcaps.net/forum/showthr...956#post305956

                                  Voltage Regulator (LDO) testing:
                                  http://www.badcaps.net/forum/showthr...999#post300999

                                  Inverter testing using old CFL:
                                  http://www.badcaps.net/forum/showthr...er+testing+cfl

                                  Tear down pictures : Hit the ">" Show Albums and stories" on the left side
                                  http://s807.photobucket.com/user/budm/library/

                                  TV Factory reset codes listing:
                                  http://www.badcaps.net/forum/showthread.php?t=24809

                                  Comment

                                  • py3m4n
                                    Senior Member
                                    • Jul 2011
                                    • 99
                                    • Scotland

                                    #18
                                    Re: Panasonic TX-26LXD8 stuck in standby.

                                    Vc is steady - 3.69vdc.

                                    At Vo with jumper in place - Hi-Lo.

                                    Meter at point shown in diagram is indeed going Hi-Lo.

                                    Indicator lights - I had hoped for this to be the case when I bought it because the service manual has the section covering it, no luck. The red standby light comes on and goes off immediately, no error codes to be had.

                                    I am currently working on tracing where the 10k resistor you mentioned leads us, I will update soon.

                                    Comment

                                    • budm
                                      Badcaps Legend
                                      • Feb 2010
                                      • 40746
                                      • USA

                                      #19
                                      Re: Panasonic TX-26LXD8 stuck in standby.

                                      How about the Vin? Is it jumping up and down? Pictures of the power supply board? The service manual does not give any info about the power supply.
                                      Never stop learning
                                      Basic LCD TV and Monitor troubleshooting guides.
                                      http://www.badcaps.net/forum/showthr...956#post305956

                                      Voltage Regulator (LDO) testing:
                                      http://www.badcaps.net/forum/showthr...999#post300999

                                      Inverter testing using old CFL:
                                      http://www.badcaps.net/forum/showthr...er+testing+cfl

                                      Tear down pictures : Hit the ">" Show Albums and stories" on the left side
                                      http://s807.photobucket.com/user/budm/library/

                                      TV Factory reset codes listing:
                                      http://www.badcaps.net/forum/showthread.php?t=24809

                                      Comment

                                      • py3m4n
                                        Senior Member
                                        • Jul 2011
                                        • 99
                                        • Scotland

                                        #20
                                        Re: Panasonic TX-26LXD8 stuck in standby.

                                        Path of 10k resistor circled in red on rear of board.

                                        Vin is Hi-Lo.
                                        Attached Files

                                        if you find these attachements useful please consider making a small donation to the site

                                        Comment

                                        Related Topics

                                        Collapse

                                        • BobbyMJ
                                          Panasonic TC-P60S30 - no standby voltage
                                          by BobbyMJ
                                          Hi All,
                                          Wanting to learn some electronics repair skills.
                                          I found a non working Panasonic TC-P60S30 and this is my first project / attempt.

                                          So far I have found a blown cap on the main power supply board.
                                          After replacing it there's still no standby power.

                                          Poked around and found a resistor on the PSUB power supply board that measures open.

                                          An online resistor calculator shows this is a 93k ohm resister.

                                          My questions:

                                          Is that correct, 93k ohms?
                                          Is it a fusible resistor?
                                          Lastly, how do I know what wattage?...
                                          05-14-2025, 06:42 PM
                                        • lepak06
                                          TV LED 4K Selecline 65S18 ( T.MS3458.U801) stuck in Standby mode
                                          by lepak06
                                          Hello

                                          I have an TV Led 4K Selecline 65s18 with mainboard T.MS3458.U801

                                          The TV is faulty with stuck in Standby RED LED. Can't power the TV.

                                          Before this problem , the TV stuck the picture with artefact , i unplug the AC cable and since the tv is stuck in standby .

                                          All voltage are OK on PSU and main board for regulator. I tried flash firmware 25Q64 with many dumps

                                          But the voltage on power button is 0.6V not 3.3V. When i press power button the voltage up to 0V. I tried to add 5V with Power Supply on 5V_STB and 3.3V on Power...
                                          01-12-2023, 01:43 AM
                                        • toty79
                                          Hisense LTDN50K220WSEU stuck in standby
                                          by toty79
                                          Hello to all friends of the forum and well found, here I am asking for your help and sorry for my translated English.



                                          As per Hisense tv title LTDN50K220WSEU stuck in standby
                                          PSU rsag.820.5687 HLL 4855WF
                                          Main rsag 7.820.5842
                                          I enclose the psu diagram, after the first routine checks I find myself with a regular standby voltage of 3.3v blue light on steady when the power button is pressed nothing happens, psu disassembled and bench checked ... forced ignition by sending a signal 3 , 3v on the SW and PWM2 pins the psu turns on and delivers all the voltages...
                                          05-01-2022, 04:39 PM
                                        • lego1234567
                                          LG 32LB1R - stuck in standby mode
                                          by lego1234567
                                          Hi. I have the following problem with my TV. After connecting to mains, the standby led (red) turns on, but TV is not responding to remote control or buttons on TV. After some measurements, I found out that +5 V standby voltage is present, but I dont have ON/OFF signal coming in to turn PSU on. It stays at zero volts. After looking at the schematic of the mainboard, I should get ON/OFF signal coming in at the R1402 resistor, but it stays around +3,5 V. So I removed it and I was able to turn on TV with buttons on TV, but not with remote control.

                                          What could be the problem ? Thanks...
                                          01-21-2024, 03:39 AM
                                        • Stunt
                                          Hp Laptop Stuck on Hp protected by hp sure start screen
                                          by Stunt
                                          Hi guys i've got an Hp laptop Zbook 17 g5 Stuck on Hp protected by hp sure start screen.
                                          I have tried almost every bios available on various platforms about this laptop but the problem is still the same.
                                          I even successfully build my own bios using the one from the Hp website but the problem the laptop still getting stuck there.
                                          Even if i try to press Esc key nothing happens. I tried f10 it doesn't go to bios still stuck there i just saw entering setup menu on the bottom left corner of the
                                          screen that's it and stuck there. I left it until the following day and i still...
                                          09-02-2025, 01:51 PM
                                        • Loading...
                                        • No more items.
                                        Working...