Good day folks. I've had this cheap and nasty adjustable power supply in the shop for about a year now. It's called "Bakku" (obviously a take on Hakko), though it's not the least bit important, because I've seen this exact same product under many different names and appearances.
Anyway...the thing's been dead for almost a full year now and I actually wrote a post back then too discussing what happened, and it's been sat on a shelf somewhere until recently when my buddy decided to dust it off and resurrect it.
The original cause of failure was the transformer became overloaded and went into meltdown. Not wanting to invest too much money in finding a replacement, I abandoned it and got myself one of those ebay modules which does a better job, but my buddy's been hooked on this old one ever since and wouldn't let it go for some reason and he managed to find what he thought is a suitable transformer. The original was pretty strange and hard to source: it had, if I remember correctly, a 10v winding and a 20v winding. The 20v one was used for the output and the 10v one was used to power the meters at the front.
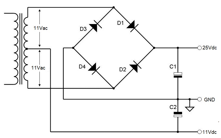
Now the transformer he got isn't quite a perfect match: it's a center-tapped transformer with two 11v windings, instead of two separate ones, so to work around that, I suggested connecting the outer "ends" to the rectifier to give us the 20v we needed for the output and then power the instruments with the center tap at 11v, as per the schematic attached (ok, the actual values are higher than that, but let's assume it's ideal). It works, the voltage adjusts up and down and it's within spec, but there's one problem: the ammeter doesn't read correctly. It's way off, by like half an amp, so if I load the output with 1a, the meter only reads like 0.34A !
The only thing I can think of is some sort of isolation problem between the meter and the output, since nothing else was changed otherwise. I did hook up a cooling fan though: it's in parallel with the instruments, so it's powered by the center tap as well (11v)....don't think that has any effect though. Managed to find the schematic as well, or at least one that seems close enough, since there may be some subtle differences, but the idea's the same. Have a look. What's going on here ?
Anyway...the thing's been dead for almost a full year now and I actually wrote a post back then too discussing what happened, and it's been sat on a shelf somewhere until recently when my buddy decided to dust it off and resurrect it.
The original cause of failure was the transformer became overloaded and went into meltdown. Not wanting to invest too much money in finding a replacement, I abandoned it and got myself one of those ebay modules which does a better job, but my buddy's been hooked on this old one ever since and wouldn't let it go for some reason and he managed to find what he thought is a suitable transformer. The original was pretty strange and hard to source: it had, if I remember correctly, a 10v winding and a 20v winding. The 20v one was used for the output and the 10v one was used to power the meters at the front.
Now the transformer he got isn't quite a perfect match: it's a center-tapped transformer with two 11v windings, instead of two separate ones, so to work around that, I suggested connecting the outer "ends" to the rectifier to give us the 20v we needed for the output and then power the instruments with the center tap at 11v, as per the schematic attached (ok, the actual values are higher than that, but let's assume it's ideal). It works, the voltage adjusts up and down and it's within spec, but there's one problem: the ammeter doesn't read correctly. It's way off, by like half an amp, so if I load the output with 1a, the meter only reads like 0.34A !
The only thing I can think of is some sort of isolation problem between the meter and the output, since nothing else was changed otherwise. I did hook up a cooling fan though: it's in parallel with the instruments, so it's powered by the center tap as well (11v)....don't think that has any effect though. Managed to find the schematic as well, or at least one that seems close enough, since there may be some subtle differences, but the idea's the same. Have a look. What's going on here ?
I don't think a separate supply can be obtained from a center tapped transformer as far as I know my basics...
Capacitive dropper power supply for the display!!!
Comment