Axle typhoon ax-p400l (400W) PSU Dead
Collapse
X
-
-
Re: Axle typhoon ax-p400l (400W) PSU Dead
Replace small electrolytic cap next to DM311 chip.
Check 5VSB rail output for short-circuit to ground (there may be a load resistor, so do not be alarmed if you see a low reading, but instead try to located that resistor to confirm if this is where the low resistance is coming from.)
If 5VSB still not present, check and/or replace 5VSB output capacitors.
If that doesn't work, replace opto-coupler for 5VSB, along with TL431 shunt regulator for 5VSB. And check if there is a Source resistor to primary-side ground for the DM311 chip and if it's still good (should be a low-value resistor likely of less than 4.7 Ohms... again, if there is even one)Comment
-
Re: Axle typhoon ax-p400l (400W) PSU Dead
Thank you very much for the reply.Replace small electrolytic cap next to DM311 chip.
Check 5VSB rail output for short-circuit to ground (there may be a load resistor, so do not be alarmed if you see a low reading, but instead try to located that resistor to confirm if this is where the low resistance is coming from.)
If 5VSB still not present, check and/or replace 5VSB output capacitors.
If that doesn't work, replace opto-coupler for 5VSB, along with TL431 shunt regulator for 5VSB. And check if there is a Source resistor to primary-side ground for the DM311 chip and if it's still good (should be a low-value resistor likely of less than 4.7 Ohms... again, if there is even one)
I forgot to tell you guys. Later I bought a cheap ESR meter and checked capacitors and did check the one you mentioned and it was good.
Optocouplter was also OK. Old one burned when I shorted the big capacitors so I already replaced this.
Anyway I will try again in few days and surely let you know the updates.Comment
-
Re: Axle typhoon ax-p400l (400W) PSU Dead
Hi,Replace small electrolytic cap next to DM311 chip.
Check 5VSB rail output for short-circuit to ground (there may be a load resistor, so do not be alarmed if you see a low reading, but instead try to located that resistor to confirm if this is where the low resistance is coming from.)
If 5VSB still not present, check and/or replace 5VSB output capacitors.
If that doesn't work, replace opto-coupler for 5VSB, along with TL431 shunt regulator for 5VSB. And check if there is a Source resistor to primary-side ground for the DM311 chip and if it's still good (should be a low-value resistor likely of less than 4.7 Ohms... again, if there is even one)
I did the checkups today. And same as before didn't find anything unusual.
Checked 5VSB rail and it showed around 95ohms. And I checked the resistors around there and they were all around 10ohms and were OK.
Last time I checked the Optocoupler so didn't check this time since it was OK. By the way I measured around 0.20v between Anode and Cathode and 0.04v between transistor pins of it.
Today I even tried using another PSU's 5v transformer and the pin layout was little different but I mapped it to match my one and as always no results with that too. Same voltages same thing. Also no power to the secondary side of the transformer as always.
I am attaching more photos of the circuit board and going nuts because of this since there seems no faulty components even the transformer seems OK. I've marked the DM311 IC area and also marked some pins.
I basically checked all the component of the 5v standby circuit and even the coils. I may have skipped little resistors but not much but everything else was checked and didn't find any problem.
As always DM311 getting around 7volts to its 5th Vstr pin. The problem as I understood is, the IC not getting its VCC power which should be around 20v to startup and that pin is coming from the primary winding of the transformer as the datasheet says of the IC.
I checked the original IC which I had when I shorted the circuit and played around with the multimeter and its VCC pin is shorted to the ground then I checked another IC which in circuit showed the same behaviors and voltages as the current soldered one it didn't show any shorts and when reversing the meter probes those pins worked as a diode and showed some readings.
Here are the components of the primary side.
Two J13009 transistors.
Secondary side.
Two SB3040PT Shottky diodes.
One 2040CT Shottky diode.
Any help would be really appreciated.Attached Filesif you find these attachements useful please consider making a small donation to the site
Comment
-
Re: Axle typhoon ax-p400l (400W) PSU Dead
Those are all for the main PS. You need not worry about them now. First, you need to get the 5VSB circuit running. Otherwise nothing else will work in the PSU. The SG6105 PWM chip is supplied power from the 5VSB circuit, so that's why it's important to fix the 5VSB first.
Most likely, there is a 100-Ohm "dummy load" resistor on the 5VSB rail to keep the circuit stable at light loads. But this reading could also be indicative of a partially shorted diode rectifier for the 5VSB. So to know for sure, check if there is a 100-Ohm resistor connected between the 5VSB rail and ground. I can't see too well from the pictures, but it looks like that might be R24. Double-check me on that, though.
0.04V? As in, 40 mV voltage drop? That doesn't sound right. Or maybe your multimeter is getting fooled. Try measuring the resistance instead (with the PSU Off, of course) and post it here. I think that would make a bit more sense as to what we are seeing.
So if you skipped the little resistors, that means you didn't check all the components in the 5VSB, then.
Since you are getting about 7V on pin 5 of the DM311 chip, that means at least the high-resistance resistor from primary side is not open-circuit. But there must be something else wrong in the circuit for the DM311 not to start. Since you tried several DM311 chips, I think we can safely say that rules out the chip as the problem (or does it? - we will see.)
Not that I don't trust you, but I think it always helps to post what values you got, especially for that start-up capacitor. Anything about 1-2 Ohms ESR, I would suggest you change.Originally posted by DesperateDudeLater I bought a cheap ESR meter and checked capacitors and did check the one you mentioned and it was good.Comment
-
Re: Axle typhoon ax-p400l (400W) PSU Dead
Wow!! Thank you very much for the great reply. Yes my main goal is also to get 5v running. I am going nuts not able to find any errors.Those are all for the main PS. You need not worry about them now. First, you need to get the 5VSB circuit running. Otherwise nothing else will work in the PSU. The SG6105 PWM chip is supplied power from the 5VSB circuit, so that's why it's important to fix the 5VSB first.....
I am getting some more DM311 chips soon. I will try with them also and will also do test test you said and surely post here the findings.
Thank you very much for the great help.Comment
-
Re: Axle typhoon ax-p400l (400W) PSU Dead
Tried with a new DM311 but still the same issue. Soon I'll test the rest and let you know.Those are all for the main PS. You need not worry about them now. First, you need to get the 5VSB circuit running. Otherwise nothing else will work in the PSU. The SG6105 PWM chip is supplied power from the 5VSB circuit, so that's why it's important to fix the 5VSB first.Comment
-
Re: Axle typhoon ax-p400l (400W) PSU Dead
Just now I did some more tests but no use.
Here are the things I found.
Main capacitors had less than 1ohm ESR so I think they are good.
I found something interesting today, which is. Ground and VCC pins of the DM311 seems short. I even tried without the IC but same. I get around 1ohm resistance both ways for these 2 pins. So I tested surrounding components again but didn't find anything. There is a 1ohm resistor between these 2 pins so I get the reading of this resistor but why I get for both sides? It should be normal to get only to a single side right? Because of the diodes?
When I removed the resistor I got around 330ohm resistance only for one side. That's what confuses me. It means if this resistor is in place it shorts the circuit?
I even tried removing the 5v transformer and the two J13009 transistors and the short was there even without them.
Anyway the other results.
DM311 5th pin gets around 160v without the IC upon placing the IC it reduced to around 7.6V
Checked optocoupler again and it's OK.
I even tried replacing the old SG6105DZ (Which should be burned as I suspect) and when it is in place I get 0.15v to the 3rd pin of DM311
I removed it and put the current one back and then that voltage stopped.
Resistance between optocoupler pins (When soldered to the circuit)
LED side - around 950ohms
Transistor side - Red probe on 3rd pin - 568ohms / Black probe on 3rd pin - 645ohms
Basically I have checked all the components in the primary side of the 5v standby circuit seems nothing is wrong and this is even with a new DM311.
Any ideas?
PS: Here is a video I found little similar to my one which is also using a DM311 and had somewhat similar issue (But mine is not this issue)
https://www.youtube.com/watch?v=SiO-tVI7eYo
Another circuit diagram mostly similar to mine with a DM311 and 817 optocoupler
https://**********/lfp/s46.*********...06fd42.gif/htmLast edited by DesperateDude; 02-23-2019, 04:18 AM.Comment
-
Re: Axle typhoon ax-p400l (400W) PSU Dead
Again, these components have nothing to do with the 5VSB, so don't waste your time removing them. Focus only on 5VSB.
That doesn't make sense at all. Either that resistor was placed by someone there incorrectly or you're not reading/following the circuit correctly.I found something interesting today, which is. Ground and VCC pins of the DM311 seems short. I even tried without the IC but same. I get around 1ohm resistance both ways for these 2 pins. So I tested surrounding components again but didn't find anything. There is a 1ohm resistor between these 2 pins so I get the reading of this resistor but why I get for both sides?
If you really got that "1-Ohm" reading between Source and Vcc -without- the DM311 IC in the circuit, then check the rectifying diode that supplies power to the Vcc pin and also the small electrolytic cap connected to the Vcc pin. The diode is connected to the primary aux. winding of the 5VSB transformer, and if it goes short-circuit, the DM311 chip won't get Vcc.
Can you draw the circuit you are seeing and upload it here? Something just doesn't make sense here with that 1-Ohm resistor.
That is normal. Pin 5 is Vstr, which takes the high voltage from the primary caps and uses it to charge the small cap connected to pin Vcc. Once that cap is charged enough, the DM311 chip will try to start switching... after which point, pri. aux. winding should provide the rest of the power on Vcc pin, and Vfb will provide the feedback.
Well, there has to be something wrong somewhere.
Again, run through these checks:
Check rectifying diode connected to Vcc pin of DM311 for short-circuit.
Check small electrolytic capacitor connected to Vcc pin of DM311 for short-circuit, bad ESR, and bad capacitance.
Check if there is a TL431/KA431/LM431 shunt regulator on the secondary side of the PSU connected to the 5VSB circuit with two resistors. If not, follow pins FB1 and FB2 (pins 14 and 11, respectively) of SG6105 chip and see which one of these is used for the 5VSB regulation. According to SG6105 suggested schematic, that should be FB1. But your PSU may be different.
When you have completed these checks, please report back what you find. And also try to draw a schematic of your PSU's 5VSB, if possible. Otherwise we can't provide much further help. The pictures you posted above are not quite good enough to trace the circuit. Try taking one picture of the top side from a slight angle, similar to this
https://www.badcaps.net/forum/attach...6&d=1550326104
but at a slightly lower angle and so that it also catches part of the secondary side / SG6105 IC area.Comment
-
Re: Axle typhoon ax-p400l (400W) PSU Dead
I've already checked the diodes,resistors and caps were near DM311 and found nothing wrong because I also suspected this could be because of diodes but they were OK.
I am not good with drawing diagrams anyway I'll try my best to draw something.
Thank you for the great support I will report to you soon.Comment
-
Re: Axle typhoon ax-p400l (400W) PSU Dead
There were no issues that I could find. Anyway I am posting the results.Again, run through these checks:
Check rectifying diode connected to Vcc pin of DM311 for short-circuit.
Check small electrolytic capacitor connected to Vcc pin of DM311 for short-circuit, bad ESR, and bad capacitance.
Check if there is a TL431/KA431/LM431 shunt regulator on the secondary side of the PSU connected to the 5VSB circuit with two resistors. If not, follow pins FB1 and FB2 (pins 14 and 11, respectively) of SG6105 chip and see which one of these is used for the 5VSB regulation. According to SG6105 suggested schematic, that should be FB1. But your PSU may be different.
D6 - FR104
D7 - FR107
Both were OK and meter only showed values for one side. The value for both was around 418ohms.
Capacitor - 47uf/50v
Values were,
0.2ohm ESR
1.0% vloss
47.98uf
And there seems no shunt regulators are present and seems like they are built into SG6105 Also please note this is the replaced new IC so there is a good chance that this might be working.
By the way, I've removed all the big components so I can get some clear pictures and they are attached below.
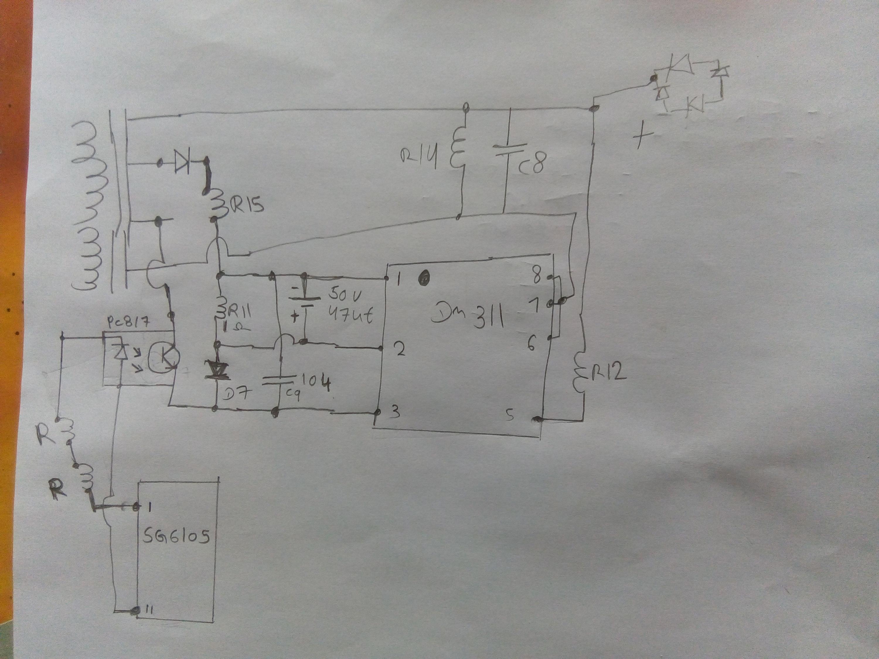
Also I drew a schematic of the circuit as I could (Please note this the 1st time I am drawing a schematic from an already built circuit so this may not be completely accurate and I may have also missed some points)
R11 is that low value resistor I was talking about.
If you could give me some suggestions after reviewing these. That is appropriated as always.
PS: Let me know if you need more pictures..
Thank you.Attached Filesif you find these attachements useful please consider making a small donation to the site
Comment
-
Re: Axle typhoon ax-p400l (400W) PSU Dead
Thank you! I can see things quite a bit better now.
So here is something I thought about the other day: see those small TO-92 transistors next to the middle transformer on the secondary side? They are located right by those coils too. I think one of them is labeled either Q6 or Q8? Either way, these are the transistor meant for driving the primary side BJTs for the main PS. However, since these two transistors are typically directly connected to the secondary auxiliary rail of the 5VSB, they could be shorting it or pulling excessive current. For this reason, I suggest removing these two transistors for now until we get the 5VSB running.
Try the 5VSB circuit with these transistors removed. If it doesn't work, then the problem is for sure just on the 5VSB circuit.
No problems.
For a 1st time schematic, this is very good and mostly accurate.
That said, I made some corrections to your schematic, which should hopefully give your more insight about how these 5VSB circuits are generally wired (attached below.)
Firstly, resistor R14 and capacitor C8 are part of the snubber network for the main primary side winding of the 5VSB. Make sure to remove these components from the board and test them. If R14 is open or C8 shorted, that can damage your new DM311 chips. Furthermore, there should also be a diode in there somewhere in series with the R14 and C8 parallel network (I think, D5... the diode right next to D6, that is.)
Next, the polarity on that 50V/47 uF cap you drew is backwards - negative lead should be connected to pin 1 of DM311 IC, as that is its ground.
The above corrections aside, there is still no way R11 will be connected like that between Vcc and ground of the DM311 chip, because it will pretty much short the Vcc supply to ground. Are you sure that resistor is not placed just in series with the Vcc winding?
Last but not least, diode D7. Again, it doesn't make sense why that diode would be there. Have you checked to make sure it's not a Zener diode? And perhaps placed backwards to the way you show?
To help you visually, here are the corrections I made:
Not that your circuit still may not 100% agree with what I drew (hence the "?" marks by some of the components.) But it should be very very close to what's on the board now.
Note that I also drew the 5VSB transformer windings on the primary side. Now that you have the 5VSB transformer out of the circuit, make sure that each set of windings (that is the "primary MAIN" and "primary aux." windings) has good continuity (should appear as low resistance on your DMM). If not, your 5VSB transformer may have burned out winding.
Finally, check resistor R12 out of circuit. It's probably a very high resistance value resistor. Sometimes these like to go open circuit for not reason. If it did, your DM311 circuit will not work.
Indeed that seems to be the case. Going by the schematic you drew, it appears that likely pins 11 (FB2) and 12 (VREF2) of the SG6105 are be used for regulating 5VSB. Trace that circuit around the SG6105 and verify that it looks at least somewhat similar to the sample circuit given on page 8 of the SG6105 datasheet here:
**EDIT**
I looked into R11 and R15 again. R11 indeed appears to be 1 Ohm and R15 470 Ohms. With that said, are you sure either your or someone else didn't work on the PSU and switch those around? If R11 is in place of R15, that should connect it more properly to the primary Aux. winding. Meanwhile, R15's value of 470 Ohms is likely used as a constant load to make sure the Vcc supply from the pri. aux. winding doesn't go too high? Make more sense to me if the circuit was wired that way (and the DM311 datasheet agrees, as it shows the pri. aux. winding directly connected to Vcc through a rectifying diode.)
Another thing I'd like to point out is the socket you used for the DM311 chip - it is OK for testing only. However, once the 5VSB circuit is fixed, consider soldering the DM311 chip back in again. The reason for this is because the DM311 chip cools through the PCB - particularly pins 6, 7, and 8. Thus, that's why it's a good idea for the DM311 chip to be soldered, as it will cool better. Otherwise, your 5VSB/DM311 may run into thermal protection mode with a larger load on 5VSB.Attached Filesif you find these attachements useful please consider making a small donation to the site
Last edited by momaka; 03-02-2019, 10:09 PM.Comment
-
Re: Axle typhoon ax-p400l (400W) PSU Dead
Thank you very much you are so helpful. I really appreciate that.
About the components, I don't think I misplaced them, although I am not 100% sure because it's been so long since I last worked on it.But I made sure to place everything back in place as they were.
About the transformer I checked it few times and had continuity.
Count from any side,
2 and 3 pins have continuity and 1 and 4 has continuity I think that's how the transformer is winded. To be sure as I said before I replaced it with another 5v transformer from another PSU which is different from this. And its windings were different so I mapped them in the circuit to match this one but it didn't work either. So we can remove the transformer from this right?
I'll try the rest of the tests you suggested and let you know.
Thank you very much
PS: I am thinking of ordering both ICs of the secondary side from eBay or Aliexpress to try putting them in also (Won't work but just to try)Comment
-
Re: Axle typhoon ax-p400l (400W) PSU Dead
Well, whatever the case may be, R11 is either of the wrong value or was misplaced for something else. Think about it logically: the DM311 chip requires at least 9V on its Vcc pin before it will start switching. If there is a 1-Ohm resistor between ground and Vcc, there will be 9 Amps
of current going through that resistor, which means the primary aux. winding will also need to supply at least 9 Amps! And that is just NOT how this circuit will be designed. It would be ridiculous if someone tried to do this.
Thus, I'm more than certain that R11 needs to be gone. If anything, try switching R11 and R15, as I suggested. With 470 Ohms between ground and Vcc, the current draw from the pri. aux. winding will be much lower - about 19 mA.
Try switching the resistors above first. Then you won't need to order those parts if things work, which they should if there is nothing else wrong.Comment
-
Re: Axle typhoon ax-p400l (400W) PSU Dead
Thanks guys. I will do the changes and let you know ASAP.Comment
-
Comment
-
Re: Axle typhoon ax-p400l (400W) PSU Dead
Just tried changing the resistors but didn't work.
Actually R11 is a 1ohm resistor and R15 is 4.8ohms resistor so swapping them won't do much difference right? Even after swapping them I had around 2ohms of resistance between VCC and ground which led the meter to beep.
Also I've again checked the transistors near the 3.3v transformer and they were also good.
About the D7 by the look of it it seems like a Zener diode. It was hard to read the text on it. But with the mutimeter it was tested good.
I am clueless now and seriously thinking of throwing this junk away.
Comment
-
Re: Axle typhoon ax-p400l (400W) PSU Dead
Exactly!
With 4.8 Ohms, Vcc will not be able to go up to proper value.
Now the question is, how are you getting 4.8 Ohms for that resistor?
From this picture:
https://www.badcaps.net/forum/attach...7&d=1551519416
.... it looks to me as if R15 color code is yellow (4), purple (7), brown (x10), gold (5%).
Something is not consistent here...
Time to start removing parts then.
Remove R11 first. What the resistance between Vcc and ground now? Still low resistance? Then remove R15... -what's the resistance now? Still low? If yes, keep removing components one at a time until the short-circuit is gone. This mean, remove the 47 uF cap next, then diode D7, then the ceramic cap soldered on the bottom... and that's pretty much all of the components I see soldered to the Vcc pin of the DM311 IC. If there is still a short-circuit / low resistance between Vcc and ground, your DM311 chip is bad.Last edited by momaka; 03-04-2019, 04:17 AM.Comment
-
Re: Axle typhoon ax-p400l (400W) PSU Dead
Maybe I have mistaken. I saw it as gold as the 3rd ring for the R15. By the way, I remember last time when I desoldered the R11 then the short wasn't there. Not sure though I need to try it again.Exactly!
With 4.8 Ohms, Vcc will not be able to go up to proper value.
Now the question is, how are you getting 4.8 Ohms for that resistor?
From this picture:
https://www.badcaps.net/forum/attach...7&d=1551519416
.... it looks to me as if R15 color code is yellow (4), purple (7), brown (x10), gold (5%).
Something is not consistent here...
I will try the method you said I post here.
By the way, this is the 3rd DM311 I am trying so, any change they all could be bad? This is the newest one I have now.
Thank you very much will let you know soon..Comment
Related Topics
Collapse
-
by khalillllThe power supply was completely dead. Voltage reached the main capacitors, but nothing after that.
After checking, I replaced the UTC7606D IC to restore the 5VSB.
I using SDC606U as a replacement, but it didn’t work — possibly the IC itself was faulty.
Replaced it again with another UTC7606D.
Result: 5VSB came back, but still nothing — no 12V, 5V, or 3.3V.
After checking again, I think the issue was with the UTC7520D IC.
Replaced it with a WT7520.
Result: PSU fully working again... -
by double_DDHi all,
As the title suggests, how can I be sure that my EC chip is really dead?
I've recently gotten into this hobby of laptop repairs, and have successfully brought back to life a couple with some easy fixes, mostly shorted caps.
Now I'm working on HP Probook 455 G8, that had some "devil" run around on 3V line, burning a bunch of stuff. Luckily I have a dead 455G7 (for spare parts) so I managed to fix it (swapped burned parts) to a point that it will charge (both on barrel jack and usb-c), but it doesn't want to turn on. There is a 3V3 on a keyboard... -
by disorderhello guys,
i need help to repair a edm-033 ps2
history : as always hdmi port and usb ports destroyed after unplugged
after change them, ps5 dead too : 1 beep, no blue light. after inspection 1.8v power was shorted, and because of dead panasonic chip. after remove it : no short anymore
so i changed it
now i have got 5v stby,, 3.3v stby, 3.3v power, 1.8v power and no short on them
but the ps5 is dead again : 1 beep, near 10 seconds with power lines and then off, no blue light ...
i don't see any projection of liquid metal on pcb.
... -
Hello everyone hope all doing well!
I have this PSU (GPS450-AA delta oem) around for like 4-5 years and I had it recapped early 2020 or 2021 with mostly UCC KY and Nichicon PW's. The bulk was and still is fine, the original Ltec's were bloated and empty. The previous issue was some major coil whine noise and at times random shutdowns when going idle. Today it started tripping the mains breaker and I think I have dead APFC mosfets (20N60C3). Right now upon checking I have the Q1 and Q3 FETs dead so far and I guess those are responsible for the PFC circuit. The only thing I care is If there...3 Photos -
by BetonHi guys!
I searched for the term "dead short" in the forum but no specific thread came up however if I'm just blind and couldn't see the thread talking about this please forward me to that direction.
So my problem is I don't know how to find the source of a dead shorted voltage rail. Dead short = ~0 ohm resistance.
I have two VGAs (HD 4850 and HD 4870), both dead shorted to ground on the memory rail. I have the boardview file for the 4870 and the memory rail consists around ~7892346 capacitors...
I have a bench PSU and if I try to inject voltage the voltage... - Loading...
- No more items.
Comment