12V rail is not on ?

Collapse
X
 
  • Time
  • Show
Clear All
new posts
  • bianchi77
    Badcaps Legend
    • Jun 2016
    • 1121
    • Australia

    #41
    Re: 12V rail is not on ?

    My DMM is autorange

    Comment

    • bianchi77
      Badcaps Legend
      • Jun 2016
      • 1121
      • Australia

      #42
      Re: 12V rail is not on ?

      I can see 2N60 on the PCB, I unsoldered it, but can't find it in the schematic ??

      Comment

      • CapLeaker
        Leaking Member
        • Dec 2014
        • 8352
        • Canada

        #43
        Re: 12V rail is not on ?

        Originally posted by bianchi77
        I can see 2N60 on the PCB, I unsoldered it, but can't find it in the schematic ??
        It's in the schematic. Q3. That wouldn't be it anyway, because it isn't blowing fuses.

        Comment

        • bianchi77
          Badcaps Legend
          • Jun 2016
          • 1121
          • Australia

          #44
          Re: 12V rail is not on ?

          Ok...so most likely SB1040 because I tested on diode mode only 0.1V...too low...
          I'll change three of 'em anyway to SB3040....

          Meanwhile I'll check other transistor..

          I'll keep posted..
          Attached Files

          if you find these attachements useful please consider making a small donation to the site

          Last edited by bianchi77; 07-22-2016, 05:40 PM.

          Comment

          • bianchi77
            Badcaps Legend
            • Jun 2016
            • 1121
            • Australia

            #45
            Re: 12V rail is not on ?

            I have checked all the transistors and diodes, they are in a good condition...
            so only these three diodes are under the normal condition...
            how do you reckon guys...?
            No problem with the capacitor as well ?
            How about the chip ? U1,U2,U3 ?

            Comment

            • bianchi77
              Badcaps Legend
              • Jun 2016
              • 1121
              • Australia

              #46
              Re: 12V rail is not on ?

              and D7 is weak only 0.2V

              Comment

              • bianchi77
                Badcaps Legend
                • Jun 2016
                • 1121
                • Australia

                #47
                Re: 12V rail is not on ?

                is U3 = ULN2003, darlington array ?

                Comment

                • CapLeaker
                  Leaking Member
                  • Dec 2014
                  • 8352
                  • Canada

                  #48
                  Re: 12V rail is not on ?

                  D7 should be the same as D9. I don't see any U3. The IC's you cant test most of the time. They either work or don't. An oscilloscope comes in handy with that.

                  Comment

                  • bianchi77
                    Badcaps Legend
                    • Jun 2016
                    • 1121
                    • Australia

                    #49
                    Re: 12V rail is not on ?

                    U3
                    2003

                    down on the bottom of the schematic, connected to PS_ON

                    Comment

                    • CapLeaker
                      Leaking Member
                      • Dec 2014
                      • 8352
                      • Canada

                      #50
                      Re: 12V rail is not on ?

                      Had the wrong schematic up. U3 is the PWM. Look at "PWM of the year"

                      https://www.badcaps.net/forum/showthread.php?t=35007

                      Comment

                      • bianchi77
                        Badcaps Legend
                        • Jun 2016
                        • 1121
                        • Australia

                        #51
                        Re: 12V rail is not on ?

                        Do you know where we can find that chip ?
                        I tried googling it and can not find...
                        or the similar chip with that one ?

                        Comment

                        • CapLeaker
                          Leaking Member
                          • Dec 2014
                          • 8352
                          • Canada

                          #52
                          Re: 12V rail is not on ?

                          Why do you think the PWM is bad? you got any voltage on the secondary's besides STBY power, when you jump STBY to PSon?

                          Comment

                          • bianchi77
                            Badcaps Legend
                            • Jun 2016
                            • 1121
                            • Australia

                            #53
                            Re: 12V rail is not on ?

                            I can't check the voltage because I unsoldered the rectifier for them...
                            I suspect 2 SBL1040 are bad....0.1V only on diode test...

                            Comment

                            • CapLeaker
                              Leaking Member
                              • Dec 2014
                              • 8352
                              • Canada

                              #54
                              Re: 12V rail is not on ?

                              Originally posted by bianchi77
                              I can't check the voltage because I unsoldered the rectifier for them...
                              I suspect 2 SBL1040 are bad....0.1V only on diode test...
                              Change those. The SBL1040 should have a voltage drop of 0.6 on your diode test. Does it show shorted too when you reverse the leads?

                              Comment

                              • bianchi77
                                Badcaps Legend
                                • Jun 2016
                                • 1121
                                • Australia

                                #55
                                Re: 12V rail is not on ?

                                Not shorted...and the diode for 12V rectifier is only 0.4V so I need to replace it as well....
                                waiting for replacement, I want to replace them all with SBL3040..

                                Comment

                                • bianchi77
                                  Badcaps Legend
                                  • Jun 2016
                                  • 1121
                                  • Australia

                                  #56
                                  Re: 12V rail is not on ?

                                  I test D22,D20,D17,D18 in circuit with 9V and LED,1K ohm....something is not normal...
                                  It's on a both side of test reverse and forward bias...
                                  Are they all bad ?
                                  or to be sure must be off circuit ?
                                  PCB code Y-B200 ATX Ver 2.6...and they are on 12V and 5V rail...

                                  Comment

                                  • budm
                                    Badcaps Legend
                                    • Feb 2010
                                    • 40746
                                    • USA

                                    #57
                                    Re: 12V rail is not on ?

                                    Originally posted by bianchi77
                                    I test D22,D20,D17,D18 in circuit with 9V and LED,1K ohm....something is not normal...
                                    It's on a both side of test reverse and forward bias...
                                    Are they all bad ?
                                    or to be sure must be off circuit ?
                                    PCB code Y-B200 ATX Ver 2.6...and they are on 12V and 5V rail...
                                    Test them OFF the board!
                                    Never stop learning
                                    Basic LCD TV and Monitor troubleshooting guides.
                                    http://www.badcaps.net/forum/showthr...956#post305956

                                    Voltage Regulator (LDO) testing:
                                    http://www.badcaps.net/forum/showthr...999#post300999

                                    Inverter testing using old CFL:
                                    http://www.badcaps.net/forum/showthr...er+testing+cfl

                                    Tear down pictures : Hit the ">" Show Albums and stories" on the left side
                                    http://s807.photobucket.com/user/budm/library/

                                    TV Factory reset codes listing:
                                    http://www.badcaps.net/forum/showthread.php?t=24809

                                    Comment

                                    • budm
                                      Badcaps Legend
                                      • Feb 2010
                                      • 40746
                                      • USA

                                      #58
                                      Re: 12V rail is not on ?

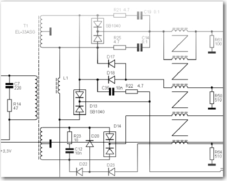
                                      https://www.badcaps.net/forum/attach...4&d=1469140301
                                      Look at the diagram, you have load resistors in the circuit, all you have to do is looking at how the current will flow when you hook up your 9V, 1K, and LED to the Diode you are testing then you will understand why the TEST LED will light up in both directions.
                                      Last edited by budm; 09-08-2016, 11:06 PM.
                                      Never stop learning
                                      Basic LCD TV and Monitor troubleshooting guides.
                                      http://www.badcaps.net/forum/showthr...956#post305956

                                      Voltage Regulator (LDO) testing:
                                      http://www.badcaps.net/forum/showthr...999#post300999

                                      Inverter testing using old CFL:
                                      http://www.badcaps.net/forum/showthr...er+testing+cfl

                                      Tear down pictures : Hit the ">" Show Albums and stories" on the left side
                                      http://s807.photobucket.com/user/budm/library/

                                      TV Factory reset codes listing:
                                      http://www.badcaps.net/forum/showthread.php?t=24809

                                      Comment

                                      • budm
                                        Badcaps Legend
                                        • Feb 2010
                                        • 40746
                                        • USA

                                        #59
                                        Re: 12V rail is not on ?

                                        https://www.badcaps.net/forum/showth...t=55771&page=2
                                        Are the two jointed legs of the sub diodes touching the heatsink? How are all 3 legs connected to the board?
                                        NEVER MIND, you changed them to something else.
                                        Last edited by budm; 09-08-2016, 11:09 PM.
                                        Never stop learning
                                        Basic LCD TV and Monitor troubleshooting guides.
                                        http://www.badcaps.net/forum/showthr...956#post305956

                                        Voltage Regulator (LDO) testing:
                                        http://www.badcaps.net/forum/showthr...999#post300999

                                        Inverter testing using old CFL:
                                        http://www.badcaps.net/forum/showthr...er+testing+cfl

                                        Tear down pictures : Hit the ">" Show Albums and stories" on the left side
                                        http://s807.photobucket.com/user/budm/library/

                                        TV Factory reset codes listing:
                                        http://www.badcaps.net/forum/showthread.php?t=24809

                                        Comment

                                        • bianchi77
                                          Badcaps Legend
                                          • Jun 2016
                                          • 1121
                                          • Australia

                                          #60
                                          Re: 12V rail is not on ?

                                          I've taken the four diodes of the circuit test it with LED and they are normal...must be something else....could it be PWM chip 2003 ?

                                          Comment

                                          Related Topics

                                          Collapse

                                          • Victor Moreira Silva
                                            Acer Nitro 5 LA-L181p power LED turns on by 5 secs (Short on PCH rail?)
                                            by Victor Moreira Silva
                                            Hello everyone,

                                            I'm trying to repair my old Acer Nitro 5 (AN517-54-55T5). I've already bought a new laptop, so this is more of a learning project. For the experience, with no high expectations of success.

                                            Well, my decice specs are the following:

                                            Model: Acer Nitro 5 AN517-54-55T5
                                            CPU: Intel Core i5-11400H
                                            GPU: NVIDIA GeForce GTX 1650
                                            Motherboard: GH51G LA-L181P Rev:1c

                                            The symptom:
                                            When pressing the power button, the power LED lights up for about 5 seconds and then turns off. Initially, the issue was intermittent: sometimes...
                                            05-26-2025, 10:49 AM
                                          • nyar2
                                            ASUS G513Q short on 1.8 and 0.75v rail
                                            by nyar2
                                            Hi all,

                                            I have this laptop that initially had a short on VBAT

                                            I found that the short was coming from U60600, a DC/DC converter responsible for 1.8v. There was also a shorted cap on pin 13, the LDO for the chip.

                                            Removing these has cleared the short on VBAT. But 1.8v and 0.75v rail read 0.1 OHMS.

                                            I have read another article here that said that this typically indicates a failed cpu.

                                            Is there any way to confirm? I was borrowing a thermal cam and now don't have one to see what heats up on that rail. I feel like I may be wasting my...
                                            11-26-2025, 10:51 PM
                                          • grimacelord
                                            Xbox One S - 12V Rail Short - Q9F1 Keeps Blowing
                                            by grimacelord
                                            Hello,

                                            Have an Xbox One S here that has a short on the 12V power rail. There is no power, beep, or partial fan spin when connecting power cable.

                                            After diagnosing with thermal camera, Q9F1 MOSFET (NTTFS4C50N) is getting hot. When I remove this MOSFET, the short on the 12V rail disappears.

                                            I first replaced Q9F1 with one from a donor board and then partially reassembled the Xbox to test. When I plugged the power cord in, I got a partial fan spin and I thought I had fixed it, but unfortunately, the Xbox still did not power on. So I then disassembled the Xbox...
                                            10-24-2024, 12:31 PM
                                          • nagkiller
                                            Asus Geforce Cerberus GTX1050TI-O4G-DIS short circuit in the FBVDDQ rail
                                            by nagkiller
                                            Hello everyone!

                                            This grafic card came for repair, but when I connected it to the motherboard, the board would not start (short circuit in the 12V rail).

                                            After removing some PLs to isolate the short in the 12V rail, I got to PML1/PML2, according to the BoardView reference.

                                            Even injecting a voltage of 1V0 and a current of 3A in the FBVDDQ rail, for example, the voltage drops to 0V20 and none of the components heat up.

                                            The attached boardview file is very similar to this grafic card, which I am basing the repair on.

                                            I would like some...
                                            05-10-2025, 09:19 AM
                                          • joshAU
                                            Acer AN515-55-528T FH52M LA-J891P - Short ciruit after PQW1 MOSFET on +1.35VSDGPU rail.
                                            by joshAU
                                            Hi all.
                                            This notebook was showing no signs of life.

                                            I removed the FH52M LA-J891P mainboard and found that there was 19V at the DC jack.
                                            However there was zero volts on the two PRB2 and PRB46 resistors immediately after the two polarity protection MOSFETs (PQB11 & PQB12).

                                            If I remove the PQW1 MOSFET, the 19V rail starts working, and I can turn on the unit - at least I get the fans, and the power light comes on, when I simulate the power button being pressed. No display.

                                            I tried replacing the MOSFET with a new one, but again no voltage on the...
                                            05-29-2024, 12:33 AM
                                          • Loading...
                                          • No more items.
                                          Working...