Hi everyone
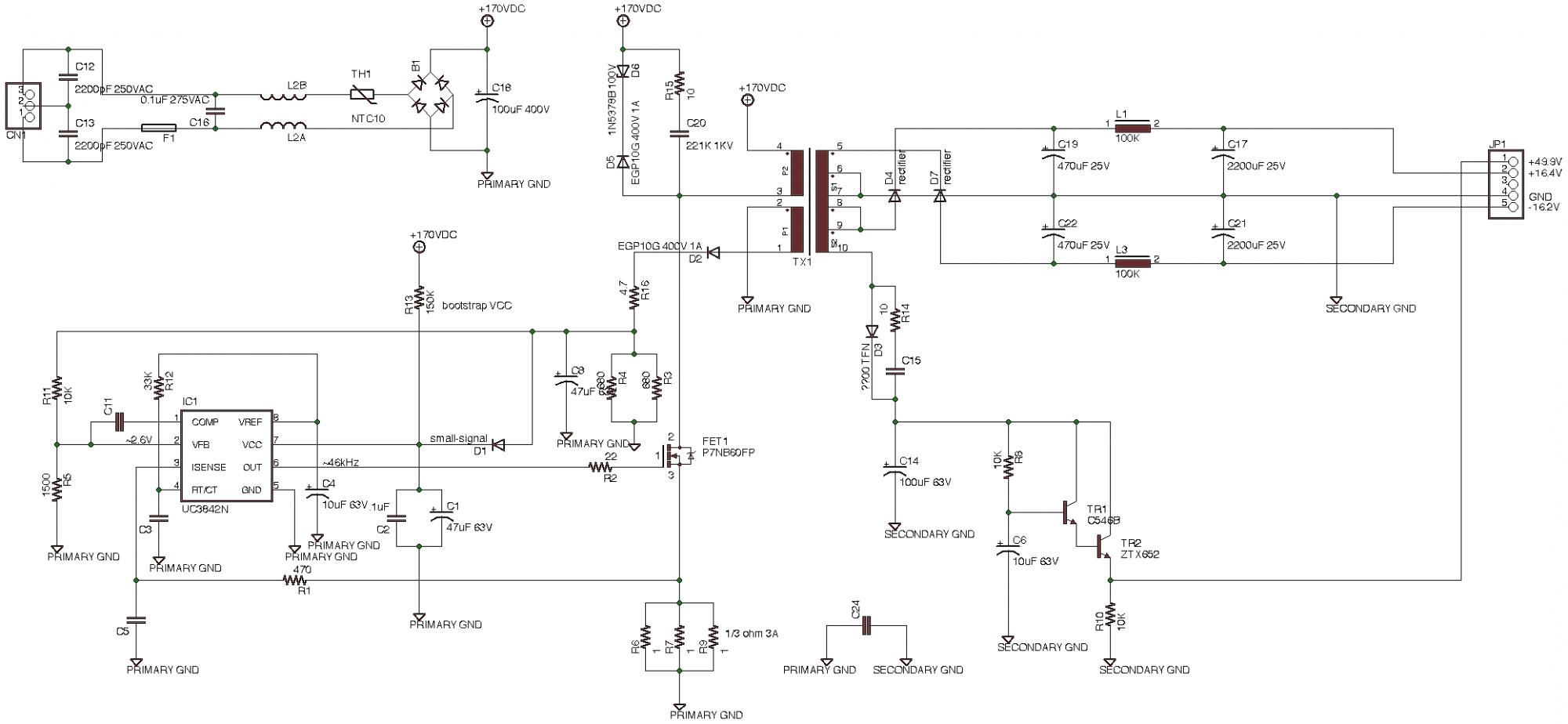
I am attempting to repair a PSU from a
Soundcraft eSeries mixer.
The issue is this: It appears to have gone
massively overvoltage. According to the schematic
the voltage across the reservoir cap should be 170Vdc
I am reading just over double that. Visual inspection
of the board clearly shows excessive heat around some
resistors. I replaced a few suspect components and
managed to achieve +and- 15v on the output but
that didn't last for long. Back to square 1.. struggling.
Q: What part of the design defines the 170 vdc ?
Thanks for any insight or assistance.
Schematic is available.
I am attempting to repair a PSU from a
Soundcraft eSeries mixer.
The issue is this: It appears to have gone
massively overvoltage. According to the schematic
the voltage across the reservoir cap should be 170Vdc
I am reading just over double that. Visual inspection
of the board clearly shows excessive heat around some
resistors. I replaced a few suspect components and
managed to achieve +and- 15v on the output but
that didn't last for long. Back to square 1.. struggling.
Q: What part of the design defines the 170 vdc ?
Thanks for any insight or assistance.
Schematic is available.
Comment