Toshiba P855 only works with battery

Collapse
X
 
  • Time
  • Show
Clear All
new posts
  • mon2
    Badcaps Legend
    • Dec 2019
    • 14662
    • Canada

    #21
    Re: Toshiba P855 only works with battery

    Ok. So the battery is charging? Is there a fault?

    Does the unit operate with only the adapter?

    Comment

    • zioricci
      Senior Member
      • Jan 2023
      • 125
      • Italy

      #22
      Re: Toshiba P855 only works with battery

      Originally posted by mon2
      Ok. So the battery is charging? Is there a fault?

      Does the unit operate with only the adapter?
      on the contrary, as I wrote in the title, it only works with the battery and not with the adapter

      Comment

      • zioricci
        Senior Member
        • Jan 2023
        • 125
        • Italy

        #23
        Re: Toshiba P855 only works with battery

        While hunting for shorts in the vicinity of the IC charger, I found this capacitor circled in green on the figure with a resistance of 0.4 Ohm...maybe a little low in value. Could this value explain the exclusion of the adapter as a power source?
        Attached Files

        Comment

        • mon2
          Badcaps Legend
          • Dec 2019
          • 14662
          • Canada

          #24
          Re: Toshiba P855 only works with battery

          It is ok since you are measuring the resistance of pr225 which is a low value current sense resistor.

          Comment

          • zioricci
            Senior Member
            • Jan 2023
            • 125
            • Italy

            #25
            Re: Toshiba P855 only works with battery

            I read @Piernov's trhead, very interesting and as he suggests I also measured the resistance connected to the CMSRC output and it's ok, the mosfets are all ok... as an electronics hobbyist though to think that the adapter doesn't deliver enough current but I tried 3 of them and the current comes out in abundance.
            Is there something that prevents the adapter from not having priority when connected together with the battery.

            Comment

            • mon2
              Badcaps Legend
              • Dec 2019
              • 14662
              • Canada

              #26
              Re: Toshiba P855 only works with battery

              Remove all power. Meter in lowest resistance scale.

              Measure the resistance between the ACP and ACN pins directly at the charger IC. This is important to measure at the pins of the IC.

              Post the reading.

              Comment

              • zioricci
                Senior Member
                • Jan 2023
                • 125
                • Italy

                #27
                Re: Toshiba P855 only works with battery

                it is not stable, it fluctuates between 2.5 and 6 Ohm

                Comment

                • mon2
                  Badcaps Legend
                  • Dec 2019
                  • 14662
                  • Canada

                  #28
                  Re: Toshiba P855 only works with battery

                  Post a close picture of this area. This is of concern.

                  Still with no power, measure the resistance from ACP pin to the one side of the current sense resistor. Is it stable?

                  Should be ~0 ohms and stable.

                  Repeat to test the pcb trace resistance from ACN to the other side of the current sense resistor. Same expected reading.

                  Comment

                  • zioricci
                    Senior Member
                    • Jan 2023
                    • 125
                    • Italy

                    #29
                    Re: Toshiba P855 only works with battery

                    0.5 the first and 0.6 the second. Both stable.

                    But I realized that I have not removed the RTC cmos, does it change anything?

                    Comment

                    • zioricci
                      Senior Member
                      • Jan 2023
                      • 125
                      • Italy

                      #30
                      Re: Toshiba P855 only works with battery

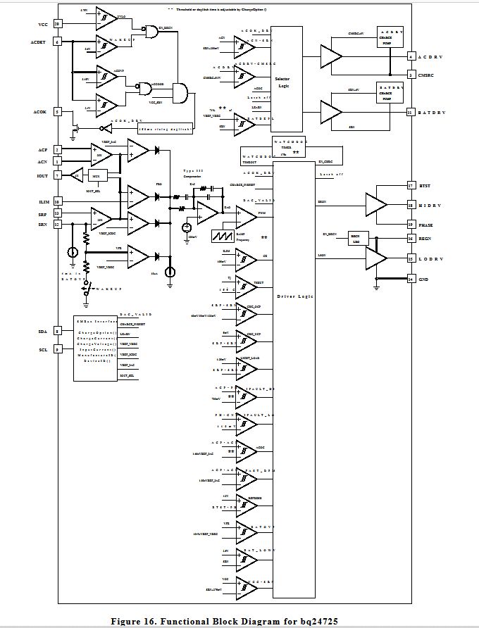
                      I enclose pictures of the internal BQ24725 taken from the datasheet
                      Attached Files

                      Comment

                      • mon2
                        Badcaps Legend
                        • Dec 2019
                        • 14662
                        • Canada

                        #31
                        Re: Toshiba P855 only works with battery

                        Remove the noted battery and test again. I do not believe it should change this measurement.

                        So to confirm, the reading that is not stable is when testing across the current sense resistor?

                        Test the resistance directly at the current sense resistor as well. Is it stable?

                        It is rare for current sense resistors to fail but that may be the issue for this case. Any sign of corrosion / liquid damage in this area?

                        You can try to flux and reflow this part but be careful to not apply heat to the LCD display. Often this resistor is under 1 ohm.

                        Comment

                        • zioricci
                          Senior Member
                          • Jan 2023
                          • 125
                          • Italy

                          #32
                          Re: Toshiba P855 only works with battery

                          Correction, before I measured wrong maybe the tip didn't touch well and was unstable, now I'm sure that between pin 1 ACN and 2 ACP there are 0.8 Ohm stable

                          These 2 pins correspond to the two sides of the sensing resistance, if I measure directly on this resistor I find 0.2 Ohm, probably the extra 0.6 more will be due to the traces (?)
                          Last edited by zioricci; 04-02-2023, 05:30 AM.

                          Comment

                          • zioricci
                            Senior Member
                            • Jan 2023
                            • 125
                            • Italy

                            #33
                            Re: Toshiba P855 only works with battery

                            Originally posted by mon2
                            Post a close picture of this area. This is of concern.
                            pcb photo
                            Attached Files

                            Comment

                            • zioricci
                              Senior Member
                              • Jan 2023
                              • 125
                              • Italy

                              #34
                              Re: Toshiba P855 only works with battery

                              the PD202 zener diode that looks like it burst works, it's just dirty

                              Comment

                              • mon2
                                Badcaps Legend
                                • Dec 2019
                                • 14662
                                • Canada

                                #35
                                Re: Toshiba P855 only works with battery

                                Is PD202 with a chipped topside ?

                                Concerned about why there is a voltage @ BQ24725_LX when the battery is removed.

                                With the battery removed, PQ201 & PQ202 should be OFF so expecting 0v @ BQ24725_LX.

                                Suggest to remove PQ201 off the logic board.

                                Comment

                                • zioricci
                                  Senior Member
                                  • Jan 2023
                                  • 125
                                  • Italy

                                  #36
                                  Re: Toshiba P855 only works with battery

                                  Originally posted by mon2
                                  Is PD202 with a chipped topside ?
                                  it wasn't chipped, a little flux a little more

                                  Originally posted by mon2
                                  Concerned about why there is a voltage @ BQ24725_LX when the battery is removed.
                                  What voltage, at what point of BQ24 ?

                                  Originally posted by mon2
                                  With the battery removed, PQ201 & PQ202 should be OFF so expecting 0v @ BQ24725_LX.
                                  on the gates of the mosfet ?

                                  Originally posted by mon2
                                  Suggest to remove PQ201 off the logic board.
                                  this operation worries me because I have already tried to remove some mosfets with hot air but I didn't want to insist because it seemed to me that too much time had passed and it would not come off-

                                  But by measuring I see that PQ201 with the red lead on the source and the black lead on the drain is open and on the contrary I have the threshold voltage of 0.51 V, can it be deceiving?

                                  Comment

                                  • mon2
                                    Badcaps Legend
                                    • Dec 2019
                                    • 14662
                                    • Canada

                                    #37
                                    Re: Toshiba P855 only works with battery

                                    See attached. The voltage @ PHASE pin #19 to me is of concern.

                                    This is the voltage created by both the high side mosfet (PQ201) and low side mosfet (PQ202) working together to lower the high adapter voltage that is fed into the drain pin cluster (5-6-7-8) of PQ201.

                                    When the adapter only is connected I would not expect a voltage to be present on pin #19 that monitors the lower voltage.

                                    For now, test the following ideas:

                                    Remove the 0 ohm resistor @ PR217. This will remove the gate voltage on PQ201.

                                    Then measure again the voltage to ground of BQ24725_LX. You can measure at the BATT+ battery connector pin. Do not have the battery connected.

                                    What voltage do you read now ?

                                    In summary, we want to disable PQ201 from the circuit.
                                    Attached Files

                                    Comment

                                    • zioricci
                                      Senior Member
                                      • Jan 2023
                                      • 125
                                      • Italy

                                      #38
                                      Re: Toshiba P855 only works with battery

                                      ok i'll try now

                                      Comment

                                      • zioricci
                                        Senior Member
                                        • Jan 2023
                                        • 125
                                        • Italy

                                        #39
                                        Re: Toshiba P855 only works with battery

                                        Originally posted by mon2

                                        When the adapter only is connected I would not expect a voltage to be present on pin #19 that monitors the lower voltage.

                                        What voltage do you read now ?

                                        In summary, we want to disable PQ201 from the circuit.
                                        I wanted to let you know that having also the motherboard of the P850, identical to this one, also on this one the voltage is the same, that is 3.08 V, when there is only the adapter, the same also on pin 18 of BQ24725_LX

                                        Comment

                                        • mon2
                                          Badcaps Legend
                                          • Dec 2019
                                          • 14662
                                          • Canada

                                          #40
                                          Re: Toshiba P855 only works with battery

                                          Is the other motherboard a working board? If yes, it will help to troubleshoot this unit.

                                          Same adapter works with the other motherboard?

                                          You can measure the voltage to ground of each pin on the charger IC under the same conditions -> add the adapter & battery. Post the list.

                                          Then let us compare the values from the known good motherboard against this one.

                                          You mentioned earlier that you were attempting to remove a mosfet. Was it on this board?

                                          Which one?

                                          Comment

                                          Related Topics

                                          Collapse

                                          • Bowline
                                            Dell E6400 PT434 type Battery Charging Stuck at 1%. Battery Pinouts?
                                            by Bowline
                                            My question pertains to understanding the control circuity inside a Dell PT434 type battery used in Dell E6400, E6410 and other Dell notebooks?

                                            Does anyone have a circuit diagram for the inside of a Dell PT434 battery and/or a description of how the control lines work to control this battery?

                                            My reason for asking is I have a battery which I cannot get to charge beyond 1% in a Dell E6410 or E6400.
                                            The LED bar graph charge indicator on the battery shows one LED lighted when the info button is pressed.
                                            I have tried multiple different Dell power adapters. My Dell...
                                            06-11-2025, 10:13 AM
                                          • bykanovm
                                            Thinkpad W541 Works from the mains and charges the battery only when it is turned off
                                            by bykanovm
                                            Lenovo Thinkpad W541 Wistron LKM-1 WS MB 12291-2 Works from the network and charges the battery only when it is turned off.
                                            If you press the power button, the laptop turns on and works from the battery, but does not take power from the power supply.
                                            If you boot into Windows and close the lid while working, thereby putting the laptop into sleep mode, the laptop begins to charge the battery.
                                            even checked it this way: I bring a neodymium magnet to the Hall sensor during operation - the screen goes out and the battery starts charging.
                                            Also, the laptop does not turn on without...
                                            04-02-2025, 02:45 AM
                                          • techfreak9356
                                            Vostro 3400 (LA-K033P) won't charge battery, everything else ok
                                            by techfreak9356
                                            I bought a Vostro 3400 motherboard (LA-K033P) to upgrade over my damaged Inspiron 5593 (LA-J091P) board. Everything else is ok except for the battery. This battery I am using now is already a replacement one since I disposed of the bloated original one. Back in the Inspiron 5593 motherboard, the battery charges fine and is identified just fine. However, with the upgraded motherboard, suddenly the replacement battery is labeled as "Not a dell battery". When I borrow a similar battery from my colleague (which did not have replacements yet), it is identified and charges just fine.
                                            ...
                                            09-14-2023, 11:10 PM
                                          • ZixuTech
                                            Lenovo Ideapad 700-15ISK shuts down shortly after it starts. Works on battery
                                            by ZixuTech
                                            Hi Guys, a weird case here.
                                            This laptop came with damaged hinges, but no liquid signs.

                                            It will loop between battery charging/not charging/charging/... Now the original battery is completely drained it won't turn on with it. The orange light keeps blinking nonstop.

                                            I have replaced the battery with a newly charged battery and it turns on but doesn't charge. The orange charging light blinks three times indicating charging issues.



                                            I have replaced bq24780S battery charging chip, no difference.
                                            With a connected new battery,...
                                            04-03-2022, 04:03 AM
                                          • Document Archive
                                            ISL88739AHRZ ISL88739 Laptop Battery Charger Datasheet
                                            by Document Archive
                                            The ISL88739 & ISL88739AHRZ are a highly versatile combo battery charger
                                            configurable for operating as either a Hybrid Power Boost (HPB)
                                            charger or a Narrow VDC (NVDC) charger, supporting 2-, 3-, or
                                            4-cell batteries. Both configurations allow the battery to work with
                                            the adapter together to supply the system load when it exceeds
                                            the adapter capability, referred to as system Turbo mode. HPB
                                            charger configuration reverse-boosts battery energy to the system
                                            bus to help the adapter provide the system power in Turbo mode.
                                            NVDC charger configuration...
                                            11-05-2024, 03:28 PM
                                          • Loading...
                                          • No more items.
                                          Working...