GORDAK 952 Rework soldering station problems

Collapse
X
 
  • Time
  • Show
Clear All
new posts
  • SuperAman
    Senior Member
    • Dec 2018
    • 121
    • USA

    #1

    GORDAK 952 Rework soldering station problems

    I have a Gordak 952 soldering rework station that was emitting a burning smell when using it. At first it was quite small but over time it became worse. I decided to open and look and to my surprise 2 large resistors had been overheating and their covering had completely burned off. Because of this, I am unable to see their value. But today a friend of mine had almost the same model Gordak fail and I can see the color bands on his, but when trying to determine the value I am unable to. Can someone tell me the value? Seems these resistors heat up and burn the area of the board around them. The bands look to be black-black-brown-black or gray?
  • SuperAman
    Senior Member
    • Dec 2018
    • 121
    • USA

    #2
    Re: GORDAK 952 Rework soldering station problems

    Last edited by SuperAman; 09-26-2020, 08:42 AM.

    Comment

    • SuperAman
      Senior Member
      • Dec 2018
      • 121
      • USA

      #3
      Re: GORDAK 952 Rework soldering station problems

      Comment

      • peste
        Super Moderator
        • Dec 2016
        • 13850
        • ROMANIA

        #4
        Re: GORDAK 952 Rework soldering station problems

        Originally posted by SuperAman
        that will help
        Attached Files

        if you find these attachements useful please consider making a small donation to the site

        Due to a lack of donations, server free space at a critical level, and possible closure of Bios Requests all donations are welcome, click:

        >>>>> https://www.badcaps.net/index.php?pageid=donate1 <<<<<

        Every donation made will go towards server fees and maintenance costs.

        Comment

        • stj
          Great Sage 齊天大聖
          • Dec 2009
          • 31293
          • Albion

          #5
          Re: GORDAK 952 Rework soldering station problems

          Originally posted by peste
          that will help
          that's terrible, do you have a higher res version?

          Comment

          • peste
            Super Moderator
            • Dec 2016
            • 13850
            • ROMANIA

            #6
            Re: GORDAK 952 Rework soldering station problems

            I have it like this ... I hope it helps ..
            Attached Files

            if you find these attachements useful please consider making a small donation to the site

            Due to a lack of donations, server free space at a critical level, and possible closure of Bios Requests all donations are welcome, click:

            >>>>> https://www.badcaps.net/index.php?pageid=donate1 <<<<<

            Every donation made will go towards server fees and maintenance costs.

            Comment

            • SuperAman
              Senior Member
              • Dec 2018
              • 121
              • USA

              #7
              Re: GORDAK 952 Rework soldering station problems



              Originally posted by stj
              that's terrible, do you have a higher res version?
              This is much better!!!
              Last edited by SuperAman; 09-26-2020, 12:10 PM.

              Comment

              • stj
                Great Sage 齊天大聖
                • Dec 2009
                • 31293
                • Albion

                #8
                Re: GORDAK 952 Rework soldering station problems

                decent
                Attached Files

                if you find these attachements useful please consider making a small donation to the site

                Comment

                • redwire
                  Badcaps Legend
                  • Dec 2010
                  • 3912
                  • Canada

                  #9
                  Re: GORDAK 952 Rework soldering station problems

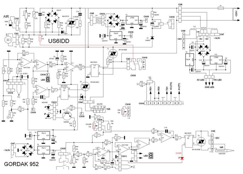
                  From other pictures of the Gordak 952 board, the two resistors are each 300R 3W, in parallel- to make a 150R 6W resistor. I can't find them on the posted schematics. I think they feed the connector with two green wires. Whatever that is, it needs to be fixed, it is drawing too much current.

                  ugh cryllic
                  https://forum.cxem.net/index.php?/to...B8-gordak-952/

                  Comment

                  • stj
                    Great Sage 齊天大聖
                    • Dec 2009
                    • 31293
                    • Albion

                    #10
                    Re: GORDAK 952 Rework soldering station problems

                    is it the 2 18k resistors in parallel with the (mains powered) pump?

                    Comment

                    • redwire
                      Badcaps Legend
                      • Dec 2010
                      • 3912
                      • Canada

                      #11
                      Re: GORDAK 952 Rework soldering station problems

                      OP must have had the pump on full blast, for a long time then? It must be, I have seen 15k-18k 3W there. A 18k dissipates 3.2W at 240VAC.

                      Comment

                      • stj
                        Great Sage 齊天大聖
                        • Dec 2009
                        • 31293
                        • Albion

                        #12
                        Re: GORDAK 952 Rework soldering station problems

                        but in parallel to the pump?
                        what function unless it's to provide a non-inductive load for the triac?

                        Comment

                        • SuperAman
                          Senior Member
                          • Dec 2018
                          • 121
                          • USA

                          #13
                          Re: GORDAK 952 Rework soldering station problems

                          Originally posted by redwire
                          OP must have had the pump on full blast, for a long time then? It must be, I have seen 15k-18k 3W there. A 18k dissipates 3.2W at 240VAC.
                          So I should replace with 2 18K resistors of similar type?

                          Comment

                          • stj
                            Great Sage 齊天大聖
                            • Dec 2009
                            • 31293
                            • Albion

                            #14
                            Re: GORDAK 952 Rework soldering station problems

                            you should get a picture of the underside so we can see the tracks to be sure what they actually connect with.
                            and follow those green wires to see what they do.

                            Comment

                            • SuperAman
                              Senior Member
                              • Dec 2018
                              • 121
                              • USA

                              #15
                              Re: GORDAK 952 Rework soldering station problems

                              Originally posted by stj
                              you should get a picture of the underside so we can see the tracks to be sure what they actually connect with.
                              and follow those green wires to see what they do.

                              Comment

                              • stj
                                Great Sage 齊天大聖
                                • Dec 2009
                                • 31293
                                • Albion

                                #16
                                Re: GORDAK 952 Rework soldering station problems

                                o.k. they are across the green wires - so where do they go??
                                btw, desolder the resistors and meter them - they may still be good.
                                and resolder the 3pin thing on the right that shows signs of getting hot.

                                Comment

                                • SuperAman
                                  Senior Member
                                  • Dec 2018
                                  • 121
                                  • USA

                                  #17
                                  Re: GORDAK 952 Rework soldering station problems

                                  Originally posted by stj
                                  o.k. they are across the green wires - so where do they go??
                                  btw, desolder the resistors and meter them - they may still be good.
                                  and resolder the 3pin thing on the right that shows signs of getting hot.
                                  Sorry for late reply, with COVID and all there hasn't been much work and I didn't need the rework for a while. It has now stopped working. I noticed before it stopped working that the lights would come on for a split second and turn off when I plug it in, even though the switches are off. Then after a couple of days of that for some reason the light would be on all the time even though the unit was powered off, but plugged in. Now when I turn it on, the temperature shoots up to like 300°C and instantly shoots back down to 000°C and remains there. No heat comes out, only cold air. I believe these devices have a resistor in the nozzle head, the hose might have gone bad?

                                  Comment

                                  • SuperAman
                                    Senior Member
                                    • Dec 2018
                                    • 121
                                    • USA

                                    #18
                                    Re: GORDAK 952 Rework soldering station problems

                                    I've removed and measured the two burned resistors R39 & R40 and they are measuring 18.54 - 18.58K ohms. Says on schematic they should be 18K so I assume they are fine. I suspect it might be one of the 5 big transistors T4 specifically.

                                    Comment

                                    • stj
                                      Great Sage 齊天大聖
                                      • Dec 2009
                                      • 31293
                                      • Albion

                                      #19
                                      Re: GORDAK 952 Rework soldering station problems

                                      because of the heat, it may just need some resoldering

                                      Comment

                                      • SuperAman
                                        Senior Member
                                        • Dec 2018
                                        • 121
                                        • USA

                                        #20
                                        Re: GORDAK 952 Rework soldering station problems

                                        Originally posted by stj
                                        because of the heat, it may just need some resoldering
                                        I will check for cold solder joints. I will try to replace the hose and nozzle assembly with a new one to determine if this is problem with the board or hose. I will also change the pump from another device incase the heating element has gone bad but I doubt that. I really want to fix this because this model is the original 2 board Gordak and is more than 10 years old hasn't been used at all maybe a couple times a week. The new ones are so much lighter and have only 1 board inside, and they are crap, they fail within 6 months to a year of normal usage like 5-10 mins a day.

                                        Comment

                                        Related Topics

                                        Collapse

                                        Working...