short on mainboard for early 90's mass spectrometer

Collapse
X
 
  • Time
  • Show
Clear All
new posts
  • cashkennedy
    Badcaps Veteran
    • Aug 2011
    • 668
    • USA

    #1

    short on mainboard for early 90's mass spectrometer

    Backstory: I figured the power supply had went bad after 25 years on this mass spectrometer, because all the voltages were 0 and I could clearly tell the power supply was getting 110v input. But I didn't read the manual in its entirety so wasted my time swaping the power supply from a spare parts machine. Should have read the next line in the manual about testing the power supply which tells you if all voltages are 0 you have a short that has activated the crowbar circuit.... wow where has crowbar circuits been for the last 10 years? Do they not cover crowbar circuits in Chinese universities so everything they make just blows fuses / parts when there is a short?

    The short is on the mainboard and is between ground and +15v.

    In the pictures I labeled the only areas I know for sure where 15v is present and also the only safety caps that were shorted (~0 resistance between each side)

    Are there any other areas you think might be using the 15v, or might be necessary to create 250v using 15v. And what would yall recommend testing as most likely part to fail? I tested the 4 Motorola transistors that have round metal caps and the 3 that are labeled all test identical ( with diode setting / all 6 possible wire orders) , and the 1 that isn't labeled tests as if the 2 other pins were swapped , and I have a similar known good board from a slightly different but similar model that has most of the same parts and the 4 Motorola transistors tested identical.
    Attached Files

    if you find these attachements useful please consider making a small donation to the site

    Fixed so far 12 lcd's , 1 plasmas, 5 monitors, 0 dlp's (plan to keep the dlps at 0). and 3 atx power supplies, and 2 motherboards.
  • stj
    Great Sage 齊天大聖
    • Dec 2009
    • 31281
    • Albion

    #2
    Re: short on mainboard for early 90's mass spectrometer

    try and find a service manual or chematics - it will save a lot of time and soldering.

    Comment

    • cashkennedy
      Badcaps Veteran
      • Aug 2011
      • 668
      • USA

      #3
      Re: short on mainboard for early 90's mass spectrometer

      The mass spectrometer comes with a service manual that had lengthy paragraphs on the function of different sections and guides for testing each board as a whole, no schematics though. I doubt HP made further in depth service manuals for these, but I could be wrong.

      All the National?? (2 N 's on top of each other?) and PMI chips and 1 BB chip all have shorted caps over them (top side of chip if looking at board in the way that most text labels are readable) So did a bunch of chips in the early 90's just run directly on 15v power? And thus a bunch of chips on here could be in theory the source of the short since a lot of sections would have 15v power?

      I have a almost identical board, so I usually just check the corresponding part on the other board before id ever have to solder anything. I don't really want to spend a full 4 hours testing every part on the board cause at that point my employer would probably rather just pay the $800 or so we could probably haggle someone down to on a used board.
      Fixed so far 12 lcd's , 1 plasmas, 5 monitors, 0 dlp's (plan to keep the dlps at 0). and 3 atx power supplies, and 2 motherboards.

      Comment

      • budm
        Badcaps Legend
        • Feb 2010
        • 40746
        • USA

        #4
        Re: short on mainboard for early 90's mass spectrometer

        I will not be surprised if one of those yellow bypass caps for those ICs is shorted, you may be able to lift just one leg off the board but no matter what it will be time consuming.
        Never stop learning
        Basic LCD TV and Monitor troubleshooting guides.
        http://www.badcaps.net/forum/showthr...956#post305956

        Voltage Regulator (LDO) testing:
        http://www.badcaps.net/forum/showthr...999#post300999

        Inverter testing using old CFL:
        http://www.badcaps.net/forum/showthr...er+testing+cfl

        Tear down pictures : Hit the ">" Show Albums and stories" on the left side
        http://s807.photobucket.com/user/budm/library/

        TV Factory reset codes listing:
        http://www.badcaps.net/forum/showthread.php?t=24809

        Comment

        • stj
          Great Sage 齊天大聖
          • Dec 2009
          • 31281
          • Albion

          #5
          Re: short on mainboard for early 90's mass spectrometer

          those chips are probably op-amps.

          Comment

          • goontron
            5000!
            • Dec 2011
            • 4108
            • US

            #6
            Re: short on mainboard for early 90's mass spectrometer

            You could put power to it and wait for one of the tantrum capacitors to fail. Though, Not recommended for somebody with less than 10 years dealing with this stuff.
            Things I've fixed: anything from semis to crappy Chinese $2 radios, and now an IoT Dildo....

            "Dude, this is Wyoming, i hopped on and sent 'er. No fucking around." -- Me

            Excuse me while i do something dangerous


            You must have a sad, sad boring life if you hate on people harmlessly enjoying life with an animal costume.

            Sometimes you need to break shit to fix it.... Thats why my lawnmower doesn't have a deadman switch or engine brake anymore

            Follow the white rabbit.

            Comment

            • cashkennedy
              Badcaps Veteran
              • Aug 2011
              • 668
              • USA

              #7
              Re: short on mainboard for early 90's mass spectrometer

              The bypass caps are being used between the vcc of the ic's and ground? Thus those IC's are running on 15v? And you think its more likely that a bypass cap would fail then one of the ic's themselves?

              Also are those 4 motorola transistors / and the resistors next to them enough to create 250v power from 15v? or should there be more parts involved in that ?
              Fixed so far 12 lcd's , 1 plasmas, 5 monitors, 0 dlp's (plan to keep the dlps at 0). and 3 atx power supplies, and 2 motherboards.

              Comment

              • R_J
                Badcaps Legend
                • Jun 2012
                • 9623
                • Canada

                #8
                Re: short on mainboard for early 90's mass spectrometer

                What I have done sometimes is use a 9volt battery and connect it to the +15 volt line for a second at a time and check for a component getting warm.

                Those transistors can produce 250 volts but I'll bet the current is really low

                Comment

                • cashkennedy
                  Badcaps Veteran
                  • Aug 2011
                  • 668
                  • USA

                  #9
                  Re: short on mainboard for early 90's mass spectrometer

                  Testing it with a battery seems pretty easy. 1 Mississippi long second?

                  Not that I would mind pulling up 1 leg of ~ 12 caps.
                  Fixed so far 12 lcd's , 1 plasmas, 5 monitors, 0 dlp's (plan to keep the dlps at 0). and 3 atx power supplies, and 2 motherboards.

                  Comment

                  • R_J
                    Badcaps Legend
                    • Jun 2012
                    • 9623
                    • Canada

                    #10
                    Re: short on mainboard for early 90's mass spectrometer

                    You can lift the caps, I usually use a weak 9 volt, I keep the used ones that are usually around 5-6 volts for things like this. I borrowed a Thermal camera once to identify a short on a board turned out to be a shorted microproccesor ic.

                    Comment

                    • stj
                      Great Sage 齊天大聖
                      • Dec 2009
                      • 31281
                      • Albion

                      #11
                      Re: short on mainboard for early 90's mass spectrometer

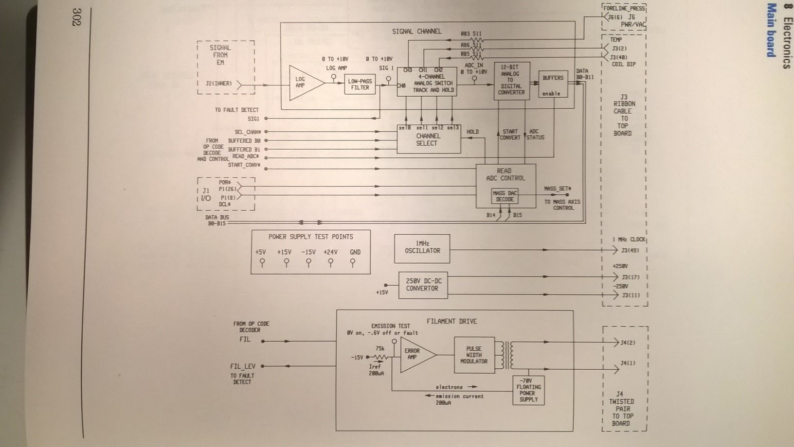
                      your -250v is going to be generated by the invertor circuit on the top-right.
                      the transformer and 2 large transistors Q5 and Q6.
                      check those for shorts.
                      Last edited by stj; 07-16-2015, 07:49 PM.

                      Comment

                      • cashkennedy
                        Badcaps Veteran
                        • Aug 2011
                        • 668
                        • USA

                        #12
                        Re: short on mainboard for early 90's mass spectrometer

                        9v battery didn't work, used a old one from a smoke alarm that was down to 8v, and a fresh 9.5v one but neither if held for about 3 seconds warmed up anything. I was doing positive on battery to positive 15v point, and negative on battery to ground.

                        stj you're right that the top right generates a voltage using the transformer, but it generates the 70v used to run the filaments, and there is a 2 prong socket right above the transformer that goes to the filaments.

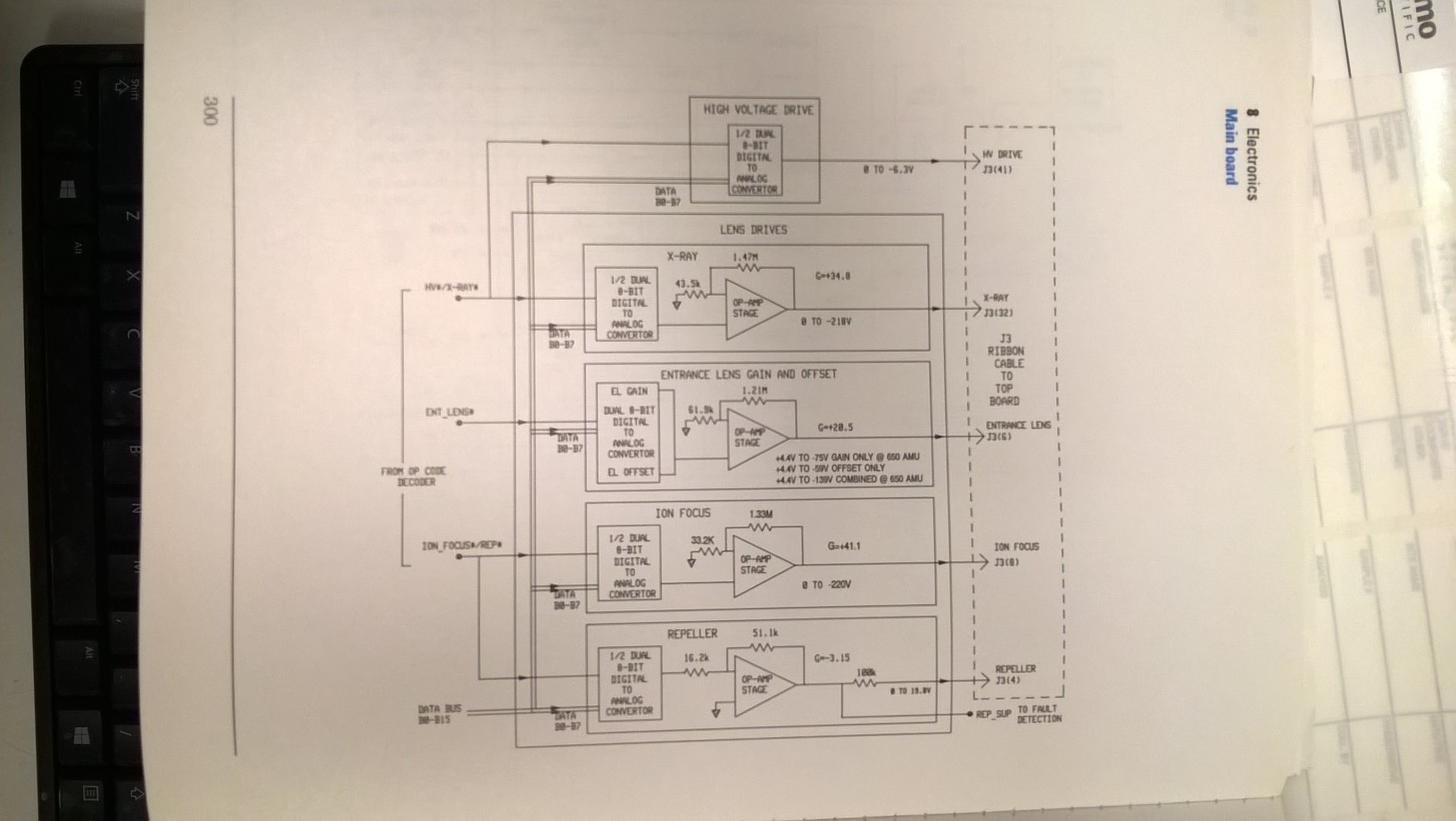
                        The area with the transformer that generates the 70v does use +15v as the input though, I probed around the known good board that is basically like 2 jumpers and an IC different then the broken one, and found all the areas that use +15v. The area that generates 250v doesn't appear to even get +15v directly even thought he manual clearly said it was created using the +15v unless its coming through the line of 6-8 ic's that someone thought were op amps.

                        What type of capacitor are the 3-4 larger biaxial gray colored ones that are mostly 22uf (c8, c10 for example in the top right), do those ever fail? Is KEMET the brand?
                        Attached Files

                        if you find these attachements useful please consider making a small donation to the site

                        Last edited by cashkennedy; 07-16-2015, 11:51 PM.
                        Fixed so far 12 lcd's , 1 plasmas, 5 monitors, 0 dlp's (plan to keep the dlps at 0). and 3 atx power supplies, and 2 motherboards.

                        Comment

                        • stj
                          Great Sage 齊天大聖
                          • Dec 2009
                          • 31281
                          • Albion

                          #13
                          Re: short on mainboard for early 90's mass spectrometer

                          the kemet 22uf are axial electrolytics.

                          the 250v may be coming from the aluminium box or the black brick on the other side.
                          what's in he aluminium box?

                          Comment

                          • budm
                            Badcaps Legend
                            • Feb 2010
                            • 40746
                            • USA

                            #14
                            Re: short on mainboard for early 90's mass spectrometer

                            Can you upload the manual you have? And where is the connector for the 250V (DC or AC?)?
                            Never stop learning
                            Basic LCD TV and Monitor troubleshooting guides.
                            http://www.badcaps.net/forum/showthr...956#post305956

                            Voltage Regulator (LDO) testing:
                            http://www.badcaps.net/forum/showthr...999#post300999

                            Inverter testing using old CFL:
                            http://www.badcaps.net/forum/showthr...er+testing+cfl

                            Tear down pictures : Hit the ">" Show Albums and stories" on the left side
                            http://s807.photobucket.com/user/budm/library/

                            TV Factory reset codes listing:
                            http://www.badcaps.net/forum/showthread.php?t=24809

                            Comment

                            • R_J
                              Badcaps Legend
                              • Jun 2012
                              • 9623
                              • Canada

                              #15
                              Re: short on mainboard for early 90's mass spectrometer

                              The big black box is a dc-dc converter http://www.ergpower.com/DC-DCconverters.html
                              E915 suggests +15 volts input, so it could be bad?
                              The -5.015ct means output 500 volts 15ma, CT= center taped = +250v & -250v
                              Last edited by R_J; 07-17-2015, 11:48 AM.

                              Comment

                              • stj
                                Great Sage 齊天大聖
                                • Dec 2009
                                • 31281
                                • Albion

                                #16
                                Re: short on mainboard for early 90's mass spectrometer

                                o.k. well it could be shorted.

                                Comment

                                • budm
                                  Badcaps Legend
                                  • Feb 2010
                                  • 40746
                                  • USA

                                  #17
                                  Re: short on mainboard for early 90's mass spectrometer

                                  Originally posted by R_J
                                  The big black box is a dc-dc converter http://www.ergpower.com/DC-DCconverters.html
                                  E915 suggests +15 volts input, so it could be bad?
                                  The -5.015ct means output 500 volts 15ma, CT= center taped = +250v & -250v
                                  I did the search earlier using that ERG Incorporate E915-5.015CT, it shows as HP P/N 1826-1823 but I did find any more info than that. So that can be the possibility, it will easier to remove the part or disconnect the 15V line feeding it to see if the shorts goes away than trying to remove one cap at a time.
                                  Never stop learning
                                  Basic LCD TV and Monitor troubleshooting guides.
                                  http://www.badcaps.net/forum/showthr...956#post305956

                                  Voltage Regulator (LDO) testing:
                                  http://www.badcaps.net/forum/showthr...999#post300999

                                  Inverter testing using old CFL:
                                  http://www.badcaps.net/forum/showthr...er+testing+cfl

                                  Tear down pictures : Hit the ">" Show Albums and stories" on the left side
                                  http://s807.photobucket.com/user/budm/library/

                                  TV Factory reset codes listing:
                                  http://www.badcaps.net/forum/showthread.php?t=24809

                                  Comment

                                  • cashkennedy
                                    Badcaps Veteran
                                    • Aug 2011
                                    • 668
                                    • USA

                                    #18
                                    Re: short on mainboard for early 90's mass spectrometer

                                    I took pictures of the only pages of the manual that I think will help you, there actually are some decent schematics there, but they don't cover everything. I think I got on the wrong track on what was creating the 250v because of where the test points are on the board, and I saw that +15v was input to the dc/dc converter for 250v output.

                                    I also attached a picture of what's hidden under the silver box (this is the area where the super sensitive signal comes in so is probably under the box to prevent any static / interference.

                                    I cant figure out any way to remove the dc/dc converters cover, I think you have to just unsolder it from the board. There are 6 leads below it. The one for +15v input is pretty easy to deduce, and probably the other at the bottom is ground. the 2 at top appear to be the outputs, and im not sure what the 2 on the side are for. I will use some braid to get the solder out of that joint tonight, and if I cant get a good disconnection pull the whole dc / dc converter off.
                                    Attached Files

                                    if you find these attachements useful please consider making a small donation to the site

                                    Fixed so far 12 lcd's , 1 plasmas, 5 monitors, 0 dlp's (plan to keep the dlps at 0). and 3 atx power supplies, and 2 motherboards.

                                    Comment

                                    • R_J
                                      Badcaps Legend
                                      • Jun 2012
                                      • 9623
                                      • Canada

                                      #19
                                      Re: short on mainboard for early 90's mass spectrometer

                                      You won't get the cover off the dc-dc converter, its potted in epoxy.
                                      If you go to the ERGpower site and click on "Please Click Here to find our DC-DC Series nomenclature" it will give you the pdf on these dc-dc's and near the end (page18) 21 in adobe is the pinouts for the E900 Series
                                      there are two outputs, each outputs 250 volts, connect the minus to ground of one output and get +250 volts. connect the Plus output to ground of the other output and get minus 250 volts.
                                      Attached Files

                                      if you find these attachements useful please consider making a small donation to the site

                                      Last edited by R_J; 07-17-2015, 02:52 PM.

                                      Comment

                                      • cashkennedy
                                        Badcaps Veteran
                                        • Aug 2011
                                        • 668
                                        • USA

                                        #20
                                        Re: short on mainboard for early 90's mass spectrometer

                                        Man yall are good. Appears the dc/dc converter from erg is bad. I couldn't get the power leg to sufficiently desolder, so I thought about it a second and remembered from the erg part sheet that yall linked that it recommends a inducer on the power leg. So I just pulled the inducer, and now the board no longer has a short. From what I can tell after the inducer there is just 1 kemet cap and the dc dc converter. (The rest of the 15v parts still are connected to the 15v rail, I checked, and ground is no longer shorted to 15v)

                                        It also looked a little like the dc dc converter had been replaced before, but there are a couple of ic's on this board that look that way (flux residue on all the pins). A lot of people used to repair these since they are traditionally 3000+ dollar boards.

                                        I had another one of these old mass spectrometers fry a power supply today. I'm glad I have a spare parts machine...

                                        So are DC/DC converters just generally a really weak link / a lot more prone to shorting then other parts? I just figured it was just Vizio and their retarded desire to put 30 dc dc converters on their original tv models
                                        Fixed so far 12 lcd's , 1 plasmas, 5 monitors, 0 dlp's (plan to keep the dlps at 0). and 3 atx power supplies, and 2 motherboards.

                                        Comment

                                        Related Topics

                                        Collapse

                                        • 2Stupid4U
                                          Acer Nitro 5 An517-51 mainboard short circuit - Boomer needs help
                                          by 2Stupid4U
                                          Laptop data:
                                          NTB Acer An517-51 FHD
                                          i7-9750H
                                          16GB replaced with RAM Crucial Ballistix SODIMM DDR4-3200 32GB K2 SW
                                          1TB SSD
                                          RTX2060

                                          Bon soir dear online techies, enthusiasts, modest helpers and whomever I might have forgotten!

                                          Search gave me no hits so this is my first post.

                                          My Acer 5 Nitro mainboard had a short circuit when I tried to plugin a USB device. Some smoke rose from the port and it became super hot a that point of entry/exit. Warranty was of about a month.
                                          Since I am on a low budget I cannot afford to buy...
                                          08-29-2023, 01:03 AM
                                        • DynaxSC
                                          Extreme High Current & Low Voltage Short Killer ??
                                          by DynaxSC
                                          Hi Folks

                                          I'm looking for a extreme high current short killer solution for a reasonable cost.

                                          I have an LGA1700 motherboard (ASUS PRIME Z790-P WiFi) where I exchanged the LGA socket already 3 times, and every time after the socket exchange I get a short of power supply lines VCORE (V variable) and VCCIN_AUX (1.8V).
                                          After taking off the socket, the shorts dissappear again.
                                          The soldermask on the socket is already partially demaged from the heat, so I have reconstructed the soldermask by manually painting the missing soldermask parts with a very small top of a...
                                          10-15-2024, 10:13 AM
                                        • Stigsolbjerg
                                          Gardena lawnmowerrobot mainboard, short out battery
                                          by Stigsolbjerg
                                          hi again
                                          this time its a mainboard from a mowerrobot, when i connect battery it shorts it, so the bms shuts down battery.
                                          when take the mm in beepmode and measure from the positive to the negative battery terminal on the board it beeps shortly like 0,25 sec, and when i reverse the probes it beeps again shortly 0,25 sec.
                                          when i mesure on the cap thats missing in pic nr 2, the bottom solderpath goes to the negative, the upper one is 1,2 ohm to negative is this a short?

                                          hope Capleaker is still around
                                          05-27-2024, 02:33 PM
                                        • Stephen
                                          MacBook Pro 14" A2442 Short on PPBUS_AON but no short present when injecting voltage!
                                          by Stephen
                                          I check PPBUS_AON and there is a short present on the line, the computer shows a short when testing for short to ground, so when I inject voltage into the line, I get 0AMPS so no short is showing up. I have replaced a blown cap on this board that exploded and tested for the short and it is now removed. Any suggestions? I tested voltage at the line when the fuses are connected and I am getting 1.2 Volts at the line.
                                          02-06-2025, 12:03 PM
                                        • adelfr2009
                                          HP Victus 15-fb dag3pamb8d0 Short on VCORE – How to Confirm CPU Fault?
                                          by adelfr2009
                                          I have a laptop HP Victus 15-fb with motherboard DAG3PRMB8D0, CPU Ryzen 7535HS, and GPU RTX 2050. The laptop has a power issue: it does not turn on at all, and there is no light on the DC jack.
                                          After inspection, I found that an NMOS near the charger input had a short. I replaced it, but the short remained on the 19V line. I checked the charging circuit and it was fine, but the short appears after the current sense resistor near the charger. The charger does not pass current when connected, so I inject 3V–4V after the sense resistor. No component gets hot, except the CPU which becomes...
                                          09-28-2025, 10:21 PM
                                        • Loading...
                                        • No more items.
                                        Working...