[FAQ] Atten 858d problem S-E (or 5-E) or stuck in 498'C.

Collapse
X
 
  • Time
  • Show
Clear All
new posts
  • senndogg
    Badcaps Veteran
    • Dec 2011
    • 383
    • Albania

    #1

    [FAQ] Atten 858d problem S-E (or 5-E) or stuck in 498'C.

    Its only a week i have been working with my new Atten 858D+ heating station and i have experienced a problem. The station showed S-E in the digital display, the blower fan was ok but it was NOT heating. Searching the web showed that the heating element was gone, this was an error code, but it was not true. Measuring it showed 70 Ohms. Also the mosfet which drives it was not shorted. The station was also stuck in 498'C sometimes, again no heat.
    Browsing again and saw some unresolved topics, there is one at a well-known polish forum. Mine is in warranty too but i was not thinking about shipping it ti China.
    After close inspection at the small circuit in the gun, i could distinguish a cold joint at the soldering of the thermocouple sensor. Bingo!
    Now the heating is working great again!
    Thanks for reading.

    First pic is the Atten 858D+. At the moment it is OK, SLP means "sleeping".
    Second pic is the culprit.
    Attached Files
  • retiredcaps
    Badcaps Legend
    • Apr 2010
    • 9271

    #2
    Re: [FAQ] Atten 858d problem S-E (or 5-E) or stuck in 498'C.

    Originally posted by senndogg
    Mine is in warranty too but i was not thinking about shipping it ti China.
    Good job on repairing it.

    Someone who lives in Hong Kong theorizes that some sellers in China bank/rely on the fact that shipping defective goods back to China costs so much that most people don't bother.
    --- begin sig file ---

    If you are new to this forum, we can help a lot more if you please post clear focused pictures (max resolution 2000x2000 and 2MB) of your boards using the manage attachments button so they are hosted here. Information and picture clarity compositions should look like this post.

    We respectfully ask that you make some time and effort to read some of the guides available for basic troubleshooting. After you have read through them, then ask clarification questions or report your findings.

    Please do not post inline and offsite as they slow down the loading of pages.

    --- end sig file ---

    Comment

    • budm
      Badcaps Legend
      • Feb 2010
      • 40746
      • USA

      #3
      Re: [FAQ] Atten 858d problem S-E (or 5-E) or stuck in 498'C.

      Chinese quality workmanship. I had been to China 5 times to inspect the products they put together for us, after Chinese New Year is over, they always get the new workers since the original workers that were trained went back home for the new year and do not want to come back, so the products made after new years are always problems for us. They just cannot retain their workers which I do not blame the workers at all due to the condition they have to live, they basically live in the dorms on the factory site.
      Never stop learning
      Basic LCD TV and Monitor troubleshooting guides.
      http://www.badcaps.net/forum/showthr...956#post305956

      Voltage Regulator (LDO) testing:
      http://www.badcaps.net/forum/showthr...999#post300999

      Inverter testing using old CFL:
      http://www.badcaps.net/forum/showthr...er+testing+cfl

      Tear down pictures : Hit the ">" Show Albums and stories" on the left side
      http://s807.photobucket.com/user/budm/library/

      TV Factory reset codes listing:
      http://www.badcaps.net/forum/showthread.php?t=24809

      Comment

      • senndogg
        Badcaps Veteran
        • Dec 2011
        • 383
        • Albania

        #4
        Re: [FAQ] Atten 858d problem S-E (or 5-E) or stuck in 498'C.

        sad but true. this is claimed to be one of the best "in-home" manufactured heating station but overall quality is far from good.
        a friend of mines shipped back a programmer, which by the way was fake, he paid almost the same price for it to be shipped, and they sent back another defective one. trying to contact them was useless. i have heard lots of stories like this, and i am always trying to avoid buying from non-reputable chinese sellers, better paying a little more and get a genuine one. its been 2 months i am buying my caps from badcaps.net and, man! c'mon! the small of original Rubys, nichis and pannys differs from the ugly counterfeit chinese cheapos!
        economy is a little tight at the moment but i think we can go through it keeping the pro work up!

        Comment

        • Gabriel
          Badcaps Veteran
          • Jan 2010
          • 620
          • Norway

          #5
          Re: [FAQ] Atten 858d problem S-E (or 5-E) or stuck in 498'C.

          This was a nice fix - glad you got it working again.

          What kind of programmer did your friend buy ?

          Comment

          • senndogg
            Badcaps Veteran
            • Dec 2011
            • 383
            • Albania

            #6
            Re: [FAQ] Atten 858d problem S-E (or 5-E) or stuck in 498'C.

            i dont know exactly, but it was for automotive use. maybe one for coding Airbag ECUs for VAG family or chrome Mercedes smart keys. I remember that the chinese cheapo was 1/10 of the original price.

            Comment

            • retiredcaps
              Badcaps Legend
              • Apr 2010
              • 9271

              #7
              Re: [FAQ] Atten 858d problem S-E (or 5-E) or stuck in 498'C.

              Originally posted by senndogg
              a friend of mines shipped back a programmer, which by the way was fake, he paid almost the same price for it to be shipped, and they sent back another defective one. trying to contact them was useless.
              If it was purchased through ebay, don't send it back. Open a case and say it is counterfeit and ebay will likely refund the purchase price + shipping.
              --- begin sig file ---

              If you are new to this forum, we can help a lot more if you please post clear focused pictures (max resolution 2000x2000 and 2MB) of your boards using the manage attachments button so they are hosted here. Information and picture clarity compositions should look like this post.

              We respectfully ask that you make some time and effort to read some of the guides available for basic troubleshooting. After you have read through them, then ask clarification questions or report your findings.

              Please do not post inline and offsite as they slow down the loading of pages.

              --- end sig file ---

              Comment

              • senndogg
                Badcaps Veteran
                • Dec 2011
                • 383
                • Albania

                #8
                Re: [FAQ] Atten 858d problem S-E (or 5-E) or stuck in 498'C.

                nope! they arranged via email and everything was on behalf.

                Comment

                • dihackblo25
                  New Member
                  • Oct 2013
                  • 2
                  • peru

                  #9
                  Re: [FAQ] Atten 858d problem S-E (or 5-E) or stuck in 498'C.

                  Originally posted by senndogg
                  Its only a week i have been working with my new Atten 858D+ heating station and i have experienced a problem. The station showed S-E in the digital display, the blower fan was ok but it was NOT heating. Searching the web showed that the heating element was gone, this was an error code, but it was not true. Measuring it showed 70 Ohms. Also the mosfet which drives it was not shorted. The station was also stuck in 498'C sometimes, again no heat.
                  Browsing again and saw some unresolved topics, there is one at a well-known polish forum. Mine is in warranty too but i was not thinking about shipping it ti China.
                  After close inspection at the small circuit in the gun, i could distinguish a cold joint at the soldering of the thermocouple sensor. Bingo!
                  Now the heating is working great again!
                  Thanks for reading.

                  First pic is the Atten 858D+. At the moment it is OK, SLP means "sleeping".
                  Second pic is the culprit.
                  i have the 858d+, but the heat is about 100C, not 450c, the seller say is bad the heating coil, the wanna sell the replacement, can you helpme? thanks!!!

                  Comment

                  • Amraks
                    Badcaps Veteran
                    • Nov 2011
                    • 725
                    • Australia

                    #10
                    Re: [FAQ] Atten 858d problem S-E (or 5-E) or stuck in 498'C.

                    this is my problem there is a short is there anywhere I can buy a new thermo coupler? whats the parts called.

                    Comment

                    • Agent24
                      I see dead caps
                      • Oct 2007
                      • 5083
                      • New Zealand

                      #11
                      Re: [FAQ] Atten 858d problem S-E (or 5-E) or stuck in 498'C.

                      Is the thermocouple part of the heater? If so you can get the thing here: http://www.ebay.com/itm/858-898-898D...-/360847659151
                      "Tantalum for the brave, Solid Aluminium for the wise, Wet Electrolytic for the adventurous"
                      -David VanHorn

                      Comment

                      • jimic12
                        New Member
                        • Jul 2015
                        • 1
                        • chile

                        #12
                        Re: [FAQ] Atten 858d problem S-E (or 5-E) or stuck in 498'C.

                        Hi, mime give me an "Err", that meas de coil is broke, but is not.
                        This happend after I move the "CAL" trimmer, so I put it back in the same position and nothing happen.
                        What do you think it could be?

                        Greetings

                        Comment

                        • Agent24
                          I see dead caps
                          • Oct 2007
                          • 5083
                          • New Zealand

                          #13
                          Re: [FAQ] Atten 858d problem S-E (or 5-E) or stuck in 498'C.

                          Perhaps the trimmer has broken when you adjusted it? Check the solder did not break on the leads or something.
                          "Tantalum for the brave, Solid Aluminium for the wise, Wet Electrolytic for the adventurous"
                          -David VanHorn

                          Comment

                          • stj
                            Great Sage 齊天大聖
                            • Dec 2009
                            • 31260
                            • Albion

                            #14
                            Re: [FAQ] Atten 858d problem S-E (or 5-E) or stuck in 498'C.

                            what is the soldering like?

                            some of the chinese units are terrible and you need to resolder most of the board!!!

                            Comment

                            • jmbinette
                              Member
                              • Nov 2017
                              • 10
                              • Canada

                              #15
                              Re: [FAQ] Atten 858d problem S-E (or 5-E) or stuck in 498'C.

                              Hi to all,

                              I have a Sigma R700 (858D clone) and would like to repair it.

                              PCB is marked SBK858D 2017.01.03

                              The heater is always ON no matter it is on the holder or not. I troubleshooted the whole circuit and the reed switch is good.
                              On microcontroller input P0.1, I get 5V when off the holder and 0V when on the holder.

                              Am I missing something here ? Any other conditions in the firmware would keep the heater ON all the time ?

                              Thanks !

                              Comment

                              • Agent24
                                I see dead caps
                                • Oct 2007
                                • 5083
                                • New Zealand

                                #16
                                Re: [FAQ] Atten 858d problem S-E (or 5-E) or stuck in 498'C.

                                Whatever controls the heater, probably a Triac, may be shorted?
                                "Tantalum for the brave, Solid Aluminium for the wise, Wet Electrolytic for the adventurous"
                                -David VanHorn

                                Comment

                                • jmbinette
                                  Member
                                  • Nov 2017
                                  • 10
                                  • Canada

                                  #17
                                  Re: [FAQ] Atten 858d problem S-E (or 5-E) or stuck in 498'C.

                                  Originally posted by Agent24
                                  Whatever controls the heater, probably a Triac, may be shorted?
                                  I originally thought about it but it controls according to temp setpoint. This part seems to work.

                                  Comment

                                  • stj
                                    Great Sage 齊天大聖
                                    • Dec 2009
                                    • 31260
                                    • Albion

                                    #18
                                    Re: [FAQ] Atten 858d problem S-E (or 5-E) or stuck in 498'C.

                                    so your saying the standby function isnt working, but it heats to whatever temperature you set?

                                    Comment

                                    • jmbinette
                                      Member
                                      • Nov 2017
                                      • 10
                                      • Canada

                                      #19
                                      Re: [FAQ] Atten 858d problem S-E (or 5-E) or stuck in 498'C.

                                      Originally posted by stj
                                      so your saying the standby function isnt working, but it heats to whatever temperature you set?
                                      That is exactly right

                                      Comment

                                      • stj
                                        Great Sage 齊天大聖
                                        • Dec 2009
                                        • 31260
                                        • Albion

                                        #20
                                        Re: [FAQ] Atten 858d problem S-E (or 5-E) or stuck in 498'C.

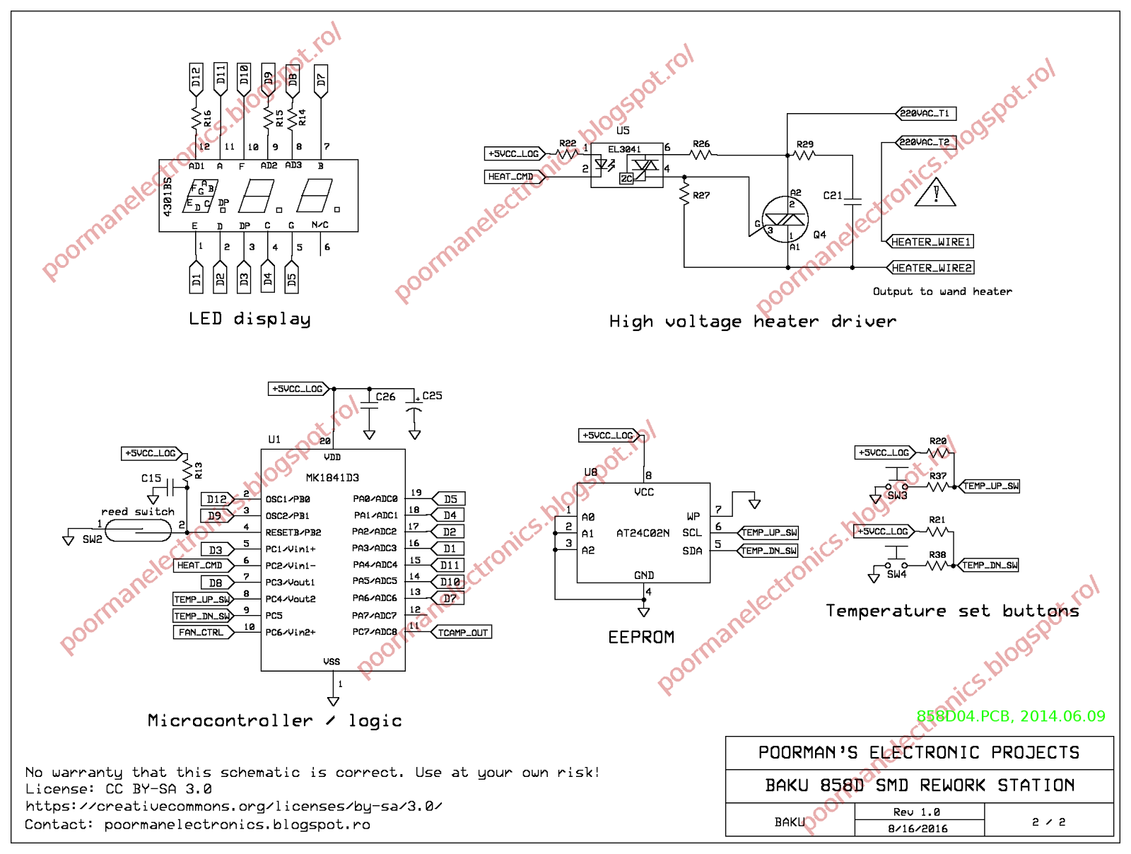
                                        not much to it if it matches either of these:
                                        Attached Files

                                        Comment

                                        Related Topics

                                        Collapse

                                        • Prott
                                          Surface Pro 7 - SSD heating up in an unusual pattern, stuck at boot
                                          by Prott
                                          Hello fellow Badcappers,
                                          I have a Surface Pro 7 that's turning on (CPU heating up, USB powered, LCD powered) stuck on a boot logo. BIOS should be correct (ME cleaned, worked in a different S7Pro), no shorts. Only thing that seems a bit weird is the pattern in which the SSD chip is heating up. Is that normal behaviour? Rest of the SSD is 10 degrees colder.

                                          I have replacement SSDs, but it's quite a hassle to reball and install them, so I would like to avoid doing this step if possible.

                                          Thank you!
                                          03-01-2024, 08:23 AM
                                        • Stunt
                                          Hp Laptop Stuck on Hp protected by hp sure start screen
                                          by Stunt
                                          Hi guys i've got an Hp laptop Zbook 17 g5 Stuck on Hp protected by hp sure start screen.
                                          I have tried almost every bios available on various platforms about this laptop but the problem is still the same.
                                          I even successfully build my own bios using the one from the Hp website but the problem the laptop still getting stuck there.
                                          Even if i try to press Esc key nothing happens. I tried f10 it doesn't go to bios still stuck there i just saw entering setup menu on the bottom left corner of the
                                          screen that's it and stuck there. I left it until the following day and i still...
                                          09-02-2025, 01:51 PM
                                        • stormanimal83
                                          Gigabyte B450 Aorus Pro stuck at VGA LED, burning hot LED Controller MCU 1 under PCI slot...
                                          by stormanimal83
                                          Hey....

                                          Board as written in description was stuck at VGA LED. common Problem wit these type of bords.... tried all the "standard stuff" like resettin... reseatin.... found out the LED Controller MCU1 = IT8295FN-56A geting burning hot under the last PCI Slot.. now i desoldered it cause there were only 18 ohms at the caps arround.... another aorus x470 in working condition with similar part and nearly same layout had arround 280 ohms...

                                          my question is: why doesnt the board start know without this chip.... worked myself through the boardview but i can´t understand...
                                          01-18-2024, 02:15 PM
                                        • ekozeko333
                                          [Help] Lenovo Yoga Slim 7-14ARE05 (DA0LS3MBAF0) – 25Q80DVN1G Flash Is All FF, USB-C PD Stuck at 5V
                                          by ekozeko333
                                          Hi all,
                                          I’m trying to recover a Lenovo Yoga Slim 7-14ARE05 with board DA0LS3MBAF0 Rev:F. I’ve run into an unusual issue where USB-C PD is stuck at 4.7–5V and the system won’t boot (keyboard lights flash briefly, then nothing).
                                          🔥 The Problem Started After Suspected ESD/PD Fault
                                          I experienced a power issue or ESD event through a USB-C charger
                                          After that, the NX20P5090 power switch was visibly burned and was replaced
                                          Now the PD controller always negotiates 5V @ 2A, even with known-good chargers
                                          🧠 What I’ve Done So Far
                                          Flashed...
                                          06-21-2025, 02:48 AM
                                        • EasyGoing1
                                          The best way to drive a heating element?
                                          by EasyGoing1
                                          I've got this circuit that I've been playing with on a breadboard. I'm not happy with it mainly because the MOSFET gets too hot and generally controlling the temp of the heating element with the Arduino has proven to be a little more cumbersome than I would like.

                                          What I would like to know, is what is the best way to set up a circuit like this? The heating element is just a PCB and its going to be mounted under a 3D-printed enclosure that a lizard will use to warm his belly.

                                          This is the general setup that I have now.



                                          This is what the...
                                          01-25-2023, 11:29 AM
                                        • Loading...
                                        • No more items.
                                        Working...