Samsung UN50EH5300F BN44-00499A Power Supply Problem

Collapse
X
 
  • Time
  • Show
Clear All
new posts
  • neilc6
    Badcaps Legend
    • Nov 2015
    • 1550
    • Canada

    #1

    Samsung UN50EH5300F BN44-00499A Power Supply Problem

    This TV was originally dead. I found the main fuse blown and a dead short across the main filter cap. Eventually traced the short to QL801 and QL802 which I replaced both (NCH, 500V, 4.5A). Now standby voltages are not stable. PFC voltage drifts 389-392V and both 13V and 5V have a slow oscillation (enough to turn on the TV for a few seconds and to read the peak voltage on my DMM). Don't have a scope. Closest schematic I can find online is for BN44-00498A.
    Attached Files

    if you find these attachements useful please consider making a small donation to the site

    Last edited by neilc6; 02-23-2020, 12:11 PM.
  • CapLeaker
    Leaking Member
    • Dec 2014
    • 8352
    • Canada

    #2
    Re: Samsung UN50EH5300F BN44-00499A Power Supply Problem

    unhook the main board from the psu and plug the tv in. See if the back lights come on and measure what the 12V and 5 V rails do.

    Comment

    • neilc6
      Badcaps Legend
      • Nov 2015
      • 1550
      • Canada

      #3
      Re: Samsung UN50EH5300F BN44-00499A Power Supply Problem

      When I first plugged in the board, I did the backlight test and they came on momentarily. I opened up the the panel and confirmed all the backlights are working. I did check a few caps near the shorted FETs and they tested good. I also powered the backlight from the led tester and the tv was showing the logo and rebooting but likely from the oscillating supply voltage. The voltages are being measured with the main board and backlights disconnected.
      Last edited by neilc6; 02-23-2020, 02:43 PM.

      Comment

      • R_J
        Badcaps Legend
        • Jun 2012
        • 9628
        • Canada

        #4
        Re: Samsung UN50EH5300F BN44-00499A Power Supply Problem

        Check (or better, replace) cp812 and I would also check CS807 and the cap next to it (CS821?)

        Comment

        • neilc6
          Badcaps Legend
          • Nov 2015
          • 1550
          • Canada

          #5
          Re: Samsung UN50EH5300F BN44-00499A Power Supply Problem

          The small electrolytic caps CP812, CS807 and CS806 all test good out of circuit. Tested CP820, CL802 and CY8075 previously as good.
          Last edited by neilc6; 02-23-2020, 03:43 PM.

          Comment

          • CapLeaker
            Leaking Member
            • Dec 2014
            • 8352
            • Canada

            #6
            Re: Samsung UN50EH5300F BN44-00499A Power Supply Problem

            Well, you ha e to figure out:

            A: is there too much current being drawn
            B: can the voltage rail deliver enough current

            You could disconnect the suspicious voltage rail and power it from a different supply.

            Comment

            • dick_barton
              Badcaps Legend
              • Aug 2015
              • 6643
              • Wales

              #7
              Re: Samsung UN50EH5300F BN44-00499A Power Supply Problem

              The fastguide indicates a 5sec delay for the backlights to come on after the backlight "ON" signal is activated. What is the cycle time?

              https://cdn.badcaps-static.com/pdfs/...3db525660a.pdf
              Last edited by dick_barton; 02-25-2020, 11:47 AM.
              Willing to help but I'm no expert.

              Comment

              • neilc6
                Badcaps Legend
                • Nov 2015
                • 1550
                • Canada

                #8
                Re: Samsung UN50EH5300F BN44-00499A Power Supply Problem

                I ordered a new board since it is difficult to troubleshoot without a schematic and without a scope. It is cycling on both 5V and 13V outputs with both the main board and backlights disconnected. Probably every 5 seconds. The fast track indicates delay is the bl-on signal from the main board. Interesting observation that the pulled up ps_on signal is a steady 3.3V.

                Comment

                • R_J
                  Badcaps Legend
                  • Jun 2012
                  • 9628
                  • Canada

                  #9
                  Re: Samsung UN50EH5300F BN44-00499A Power Supply Problem

                  Did you measure the voltage across CP812?
                  Last edited by R_J; 02-25-2020, 12:54 PM.

                  Comment

                  • neilc6
                    Badcaps Legend
                    • Nov 2015
                    • 1550
                    • Canada

                    #10
                    Re: Samsung UN50EH5300F BN44-00499A Power Supply Problem

                    Voltage on CP812 is not stable and cycling between 1 and 12V as well.

                    Comment

                    • R_J
                      Badcaps Legend
                      • Jun 2012
                      • 9628
                      • Canada

                      #11
                      Re: Samsung UN50EH5300F BN44-00499A Power Supply Problem

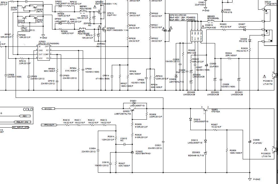
                      Thats the VCC for the pfc circuit, The source for that voltage is from the standby circuit, CS807 supplies the feedback VCC voltage for the standby ic, The elec. cap next to it, CS821 is the filter prior to the QS802 which is the VCC switch.
                      Check the voltage on CS821.

                      This schematic is similar, CS803(schematic)=CS807(on bn44-00499), CS821=CP812, CS808=CS821, QS802 is the same
                      Attached Files

                      if you find these attachements useful please consider making a small donation to the site

                      Last edited by R_J; 02-25-2020, 01:41 PM.

                      Comment

                      • dick_barton
                        Badcaps Legend
                        • Aug 2015
                        • 6643
                        • Wales

                        #12
                        Re: Samsung UN50EH5300F BN44-00499A Power Supply Problem

                        Originally posted by neilc6
                        I ordered a new board since it is difficult to troubleshoot without a schematic and without a scope. It is cycling on both 5V and 13V outputs with both the main board and backlights disconnected. Probably every 5 seconds. The fast track indicates delay is the bl-on signal from the main board. Interesting observation that the pulled up ps_on signal is a steady 3.3V.
                        My thought is that if it's a 5sec cycle that it may well be a led problem which although they have checked out OK with the tester, may be failing due to the higher current supplied when being powered up by the power supply.
                        Last edited by dick_barton; 02-25-2020, 02:37 PM.
                        Willing to help but I'm no expert.

                        Comment

                        • neilc6
                          Badcaps Legend
                          • Nov 2015
                          • 1550
                          • Canada

                          #13
                          Re: Samsung UN50EH5300F BN44-00499A Power Supply Problem

                          The large main filter cap is holding the charge so it is only varying slightly if the VCC for the PFC is cycling. Backlights aren't even connected so not affecting the circuit at all. Will check the caps on the PFC IC.

                          Comment

                          • neilc6
                            Badcaps Legend
                            • Nov 2015
                            • 1550
                            • Canada

                            #14
                            Re: Samsung UN50EH5300F BN44-00499A Power Supply Problem

                            Here is a closeup of that section. CS821 has pads for a chip cap but isn't populated.
                            Attached Files

                            if you find these attachements useful please consider making a small donation to the site

                            Comment

                            • R_J
                              Badcaps Legend
                              • Jun 2012
                              • 9628
                              • Canada

                              #15
                              Re: Samsung UN50EH5300F BN44-00499A Power Supply Problem

                              It might just be the picture but that one cap looks a bit dome'ed I had to guess I thought it was CS821, must be something else
                              Attached Files

                              if you find these attachements useful please consider making a small donation to the site

                              Comment

                              • enigmaelectronica
                                New Member
                                • Jan 2020
                                • 7
                                • Colombia

                                #16
                                Re: Samsung UN50EH5300F BN44-00499A Power Supply Problem

                                Hello, can you tell me wich codes or nomenclatures are for the Transistors (or mosfets) identified as like QL801 and QL802, thanks i have the same error...

                                Comment

                                • nomoresonys
                                  Badcaps Legend
                                  • Jan 2013
                                  • 12323
                                  • U.S.

                                  #17
                                  Re: Samsung UN50EH5300F BN44-00499A Power Supply Problem

                                  Cap does look a little domed, you probably checked those 2 diodes there.

                                  Comment

                                  Related Topics

                                  Collapse

                                  • Document Archive
                                    Samsung Galaxy Book 2 Notebook Specification for Upgrade or Repair
                                    by Document Archive
                                    This specification for the Samsung Galaxy Book 2 Notebook can be useful for upgrading or repairing a laptop that is not working. As a community we are working through our specifications to add valuable data like the Galaxy Book 2 boardview and Galaxy Book 2 schematic. Our users have donated over 1 million documents which are being added to the site. This page will be updated soon with additional information. Alternatively you can request additional help from our users directly on the relevant badcaps forum. Please note that we offer no warranties that any specification, datasheet, or download...
                                    09-07-2024, 05:50 AM
                                  • cheeky2
                                    Samsung BN44-00262A H37F1-9SS power supply help finding blown value components!
                                    by cheeky2
                                    This Samsung combined power supply and inverter was replaced a while ago from a Samsung 37inch LE37B530P7W TV. However I would like to repair this one.
                                    I have replaced the Mosfets Q1820 and Q1821 ( FDPF7N50U) which were both blown and the fuse FM802S. The schematic for this power supply that is attached doesn't relate to this power supply as the driving transistors and diodes are D1830, D1831, D1832, D1833, Q1811 & Q1810 are nowhere on the schematic!
                                    Does anyone know what the components for D1830, D1831, D1832, D1833, Q1811 & Q1810 should be? I ask as I did change the Mosfets...
                                    06-15-2025, 05:12 AM
                                  • sam_sam_sam
                                    Desoldering gun station modified to use a 18 volt @ 20 amp switching power supply
                                    by sam_sam_sam
                                    I have wanting to do this project for quite sometime now and I finally found a switching power supply that will work on this desoldering gun station ZD-915 that the original switching power supply took a shit and just was not worth trying to fix it because this switching power is not quite big enough to handle the heater element and the vacuum pump

                                    One note when I tested the switching power supply and the voltage control board I noticed that this desoldering gun heat up much faster than the original switching power supply which I was really surprised by to the point that I might buy...
                                    03-31-2024, 02:12 PM
                                  • howardc64
                                    Samsung UN55JU650DF network/streaming problem
                                    by howardc64
                                    Fixed a 9 year old UN55JU650 by replacing backlight. Original backlight LED was still working after 27k! hours but terrible picture of course. Few LEDs were out, 5-6 lens fell off (bright white spots) and another few popped off with slightest force. Surviving LEDs were all slightly blue so picture has a blue tint.

                                    This TV runs older Tizen OS (updated to latest version, see pic) and have problems with network (wifi or ethernet) connection. The Tizen UI frequently switch to coax input source while changing content sources. . If no good signal (coax not connected, no prior antenna/cable...
                                    07-09-2025, 12:44 PM
                                  • Cookybaby
                                    Samsung UN60ES6500FXZA Power Supply Issue
                                    by Cookybaby
                                    Hello Everyone, this is my first post and I am excited to be a part of such a great community. I've been reading these forums for awhile and there really is some good friendly people here. No bashing and being rude like 90% of other forums Ive been to. Lets get to the good stuff.

                                    I have two years of college in Electronics Engineering Technology. Ive been tinkering with electronics sine about 1990. I know enough just to be dangerous, so be gentle.

                                    Make: Samsung
                                    Model: UN60ES6500FXZA
                                    Power Supply P/N: BN44-00525A

                                    Symptoms: The TV was...
                                    08-20-2023, 12:26 PM
                                  • Loading...
                                  • No more items.
                                  Working...