Vestel 17PW25-4 Alternative Board

Collapse
X
 
  • Time
  • Show
Clear All
new posts
  • exlink
    Member
    • Oct 2016
    • 12
    • nigeria

    #1

    Vestel 17PW25-4 Alternative Board

    Hello

    How is it going. I have a problem with one of this vestel crappy psu and though am not really that good tech of a guy but i really need solution to this.

    My tv keeps flashing blue led light and will not start. Sometimes when you up plug it and plug back in 2 or 3 times, the blue led will now steady (standby mod) and it will now power on. This have been going on for about 3 months and it pisses me off to sit and wait for your tv to take like 20 - 30 mins to com on.

    However, for about three days now, the set is not coming on again no matter how long a wait and plug and unplug, it doesn't just come on. Have taken it to two repair shops, one said is the main board (picture board) the other said it is the power board. Don't which to follow as both are costly to repay.

    I opened and check the power board and found out it is 17pw25-4 and i have read a lot of negative threads on that board. Their is nothing like blown diodes or capacitors or resistors their and am puzzled.

    What should i do? I have attached the picture of it to this post.
    Attached Files

    if you find these attachements useful please consider making a small donation to the site

  • vinceroger69
    Badcaps Legend
    • Mar 2012
    • 6714
    • uk

    #2
    Re: Vestel 17PW25-4 Alternative Board

    what mainboard number is used in this set and what is the make and model number of the tv.

    Comment

    • ReeceyBurger123
      Never Give Up !
      • May 2014
      • 7325
      • Britain

      #3
      Re: Vestel 17PW25-4 Alternative Board

      Disconnect the Mb, do you get 12v, 24v and 5v on the second side of the diodes on the Psu ? If so Psu is fine and Mb issue. You need to diagnose it before chucking boards at it. If the mainboard is a 17MB60 etc probably corrupt firmware. Also most times you can use a 17PW26 which is more reliable however it might need you to move some wires over on the connector.
      Last edited by ReeceyBurger123; 10-16-2016, 03:52 AM.
      Please Do Not PM My Page Asking For Help Badcaps Is The Place For Advise, Page Linked For Business Reasons Only. Anyone Doing So Will Be Banned Instantly !

      https://www.facebook.com/Telford-Tel...7894576335359/

      Comment

      • vinceroger69
        Badcaps Legend
        • Mar 2012
        • 6714
        • uk

        #4
        Re: Vestel 17PW25-4 Alternative Board

        psu schematic
        Attached Files

        if you find these attachements useful please consider making a small donation to the site

        Comment

        • ReeceyBurger123
          Never Give Up !
          • May 2014
          • 7325
          • Britain

          #5
          Re: Vestel 17PW25-4 Alternative Board

          Vince, the sch for Vestels is useless sorry mate. They change the design per Tv so you mares well manually find the voltages yourself which is easier and will save messing up.
          Please Do Not PM My Page Asking For Help Badcaps Is The Place For Advise, Page Linked For Business Reasons Only. Anyone Doing So Will Be Banned Instantly !

          https://www.facebook.com/Telford-Tel...7894576335359/

          Comment

          • vinceroger69
            Badcaps Legend
            • Mar 2012
            • 6714
            • uk

            #6
            Re: Vestel 17PW25-4 Alternative Board

            Thanks for that info will remember it in future so you recomend just testing like you mention above (12v, 24v and 5v on the diodes on the secondary side of the Psu) if these are fine then its a mainboard issue most of the time.
            Last edited by vinceroger69; 10-16-2016, 05:57 AM.

            Comment

            • fredaelsadany
              Senior Member
              • Jan 2016
              • 66
              • EGYPT

              #7
              Re: Vestel 17PW25-4 Alternative Board

              HI
              I think if we look at pic we can find answers for the psu .
              vestel power supply has its own special treatment in dezine .
              I think schematic is good .
              thanks
              Attached Files

              if you find these attachements useful please consider making a small donation to the site

              Comment

              • exlink
                Member
                • Oct 2016
                • 12
                • nigeria

                #8
                Re: Vestel 17PW25-4 Alternative Board

                Originally posted by ReeceyBurger123
                Disconnect the Mb, do you get 12v, 24v and 5v on the second side of the diodes on the Psu ? If so Psu is fine and Mb issue. You need to diagnose it before chucking boards at it. If the mainboard is a 17MB60 etc probably corrupt firmware. Also most times you can use a 17PW26 which is more reliable however it might need you to move some wires over on the connector.
                Hi, thanks for your quick reply, after disconnecting the mother board, the volts on the psu are fine and are at 12v, 24v, and 5v.

                The mb is 17mb65-1 v.2

                is it a firmware problem? cuz i can't even see anything shorted or blown. And are u suggesting i get a psu 17pw26 and do some modifications before use??

                Comment

                • exlink
                  Member
                  • Oct 2016
                  • 12
                  • nigeria

                  #9
                  Re: Vestel 17PW25-4 Alternative Board

                  Originally posted by vinceroger69
                  what mainboard number is used in this set and what is the make and model number of the tv.


                  Hello Vince

                  The main board number is 17mb65-1 v.2

                  Comment

                  • ReeceyBurger123
                    Never Give Up !
                    • May 2014
                    • 7325
                    • Britain

                    #10
                    Re: Vestel 17PW25-4 Alternative Board

                    I would say Mb issue then, firmware fault maybe try factory reset.
                    Please Do Not PM My Page Asking For Help Badcaps Is The Place For Advise, Page Linked For Business Reasons Only. Anyone Doing So Will Be Banned Instantly !

                    https://www.facebook.com/Telford-Tel...7894576335359/

                    Comment

                    • fredaelsadany
                      Senior Member
                      • Jan 2016
                      • 66
                      • EGYPT

                      #11
                      Re: Vestel 17PW25-4 Alternative Board

                      hi
                      this factory reset for VESTEL FAMILLY .
                      from remote
                      menu + 4725
                      to change T-CON properties
                      menu + 4726
                      to change panel type
                      menu + 4727
                      to make total reset
                      menu + 4729
                      thanks

                      Comment

                      • vinceroger69
                        Badcaps Legend
                        • Mar 2012
                        • 6714
                        • uk

                        #12
                        Re: Vestel 17PW25-4 Alternative Board

                        Originally posted by exlink
                        Hello Vince

                        The main board number is 17mb65-1 v.2
                        what is the make and model number of the tv

                        Comment

                        • fredaelsadany
                          Senior Member
                          • Jan 2016
                          • 66
                          • EGYPT

                          #13
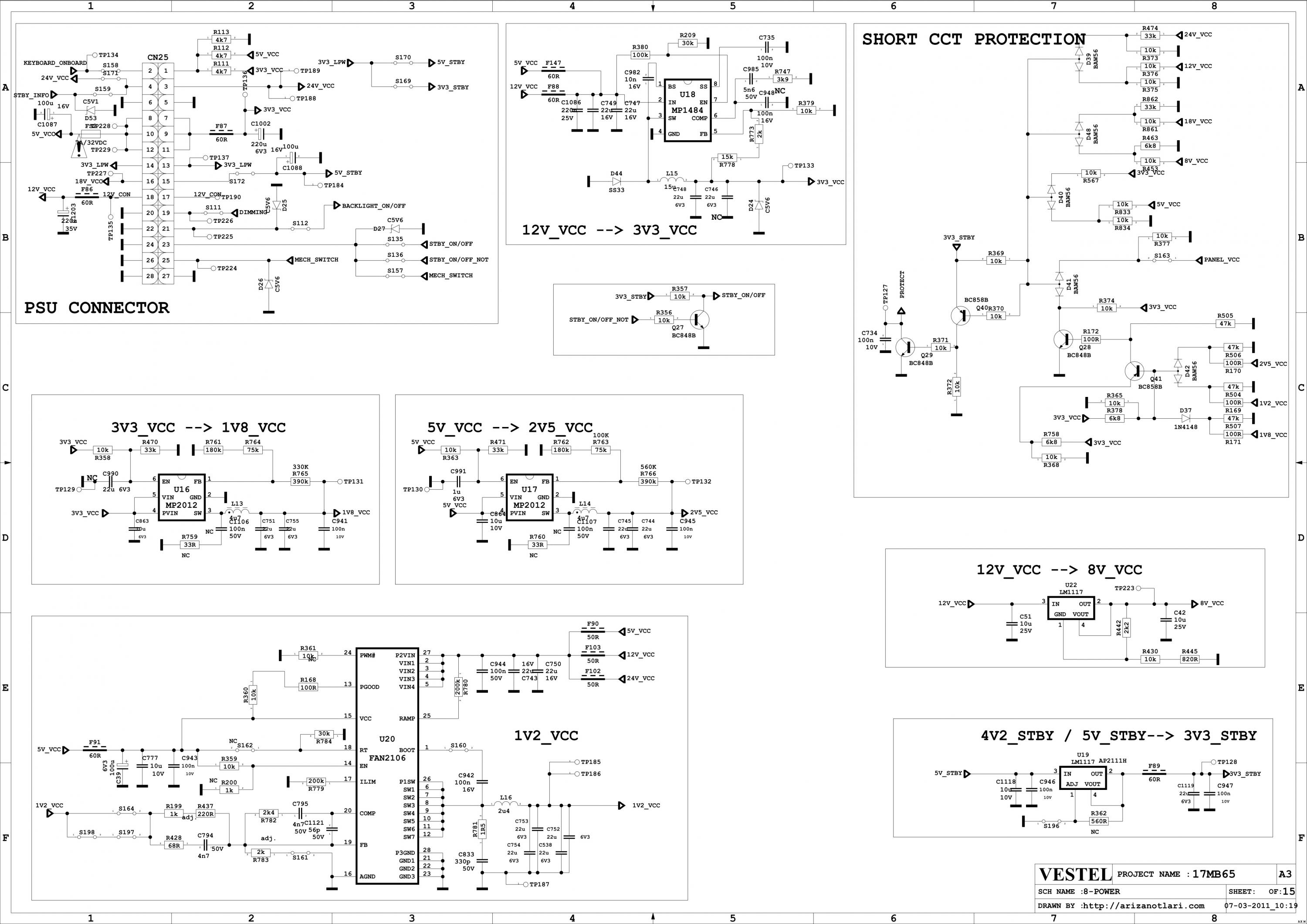
                          Re: Vestel 17PW25-4 Alternative Board

                          hi
                          this is the power supply for main board 17mb65 for vestel tv .
                          thanks
                          Attached Files

                          if you find these attachements useful please consider making a small donation to the site

                          Comment

                          • exlink
                            Member
                            • Oct 2016
                            • 12
                            • nigeria

                            #14
                            Re: Vestel 17PW25-4 Alternative Board

                            i think am gonna throw this tv into the garbage. I think of getting an LG tv.

                            what do you guys think? or any better and economical tv set you can recommend???

                            I just don't wanna spend money on this and later they will tell me is another thing.

                            Comment

                            • ReeceyBurger123
                              Never Give Up !
                              • May 2014
                              • 7325
                              • Britain

                              #15
                              Re: Vestel 17PW25-4 Alternative Board

                              Just replace the Mb issue solved. But if you do decide to trash it dont hesitate to stamp and burn it lol
                              Please Do Not PM My Page Asking For Help Badcaps Is The Place For Advise, Page Linked For Business Reasons Only. Anyone Doing So Will Be Banned Instantly !

                              https://www.facebook.com/Telford-Tel...7894576335359/

                              Comment

                              • Andrew F. Ali
                                Badcaps Legend
                                • Jan 2014
                                • 2450
                                • Trinidad & Tobago

                                #16
                                Re: Vestel 17PW25-4 Alternative Board

                                Originally posted by ReeceyBurger123
                                Just replace the Mb issue solved. But if you do decide to trash it dont hesitate to stamp and burn it lol
                                +1.....I would quote the make and model of this TV to the Seller when purchasing a Main Bd.....changing the Main Bd WILL fix your issue.....

                                Comment

                                • exlink
                                  Member
                                  • Oct 2016
                                  • 12
                                  • nigeria

                                  #17
                                  Re: Vestel 17PW25-4 Alternative Board

                                  why are u so sure the mb is the problem?


                                  I thought the led blinking issue should be a power problem?

                                  Comment

                                  • exlink
                                    Member
                                    • Oct 2016
                                    • 12
                                    • nigeria

                                    #18
                                    Re: Vestel 17PW25-4 Alternative Board

                                    Originally posted by ReeceyBurger123
                                    Just replace the Mb issue solved. But if you do decide to trash it dont hesitate to stamp and burn it lol
                                    why are u so sure the mb is the problem?


                                    I thought the led blinking issue should be a power problem?

                                    Comment

                                    • exlink
                                      Member
                                      • Oct 2016
                                      • 12
                                      • nigeria

                                      #19
                                      Re: Vestel 17PW25-4 Alternative Board

                                      were can i get the firmware for this vestel 17pw25-4 amd main board 17mb65-1 v.2 ????

                                      Comment

                                      Related Topics

                                      Collapse

                                      • m1ch43lzm
                                        HP Pavilion 15-eh Board DAG7HAMB8F0 - CPU throttling to 0.4GHz (PROCHOT_EXT) and black screen
                                        by m1ch43lzm
                                        Hi, this is my personal laptop, which the original board (lets call it Board A) blew up PU8700 (TPS51486), making a hole on the board, i had left the laptop at my desk one day with the battery fully charged and didn't touch it for a week, but when i tried to turn it on it didn't
                                        Thought the battery was dead, so i plugged in the charger then tried to power on, the power LED blinked once, charged LED still orange, unplugged the charger, plugged in again and I noticed the "magic smoke" smell, so i unplugged the charger, removed the back cover and saw the blown IC (the "magic...
                                        05-12-2025, 08:37 PM
                                      • howardc64
                                        TCL 55S425 few horizontal lines, potential failure on both side of panel/buffer board
                                        by howardc64
                                        All left and right refers to looking from rear of TV (or looking from front with TV upside down)
                                        • TV came with vertical bars and no image. Found faulty TVS on left buffer board. Also replaced T-Con (may have damaged the original while hot air removing components, board has slight warp) and have full image but few horizontal lines on the screen. Some of the lines appears to be 2 pixel tall while others are 1 pixel tall.
                                        • Disconnecting left and right buffer board potentially reveals problems on both sides with different signals (unless this T-Con require jumper like Samsung FB_TRDY1&3) Fault
                                        ...
                                        07-24-2025, 05:17 PM
                                      • hazi12
                                        Vestel main board 17MB140TC
                                        by hazi12
                                        Hello, board 17MB140TC, I need to change the remote control in Vestel tool box 1.1. The original is there
                                        Rc48xx_2D and I want to install TOSHIBA-Rc481xx, but the program says that a maximum of 9 characters can be entered. I only entered Rc481xx and the program does not accept the driver I have in the original. Does anyone know how to do this? Other Vestel codes work.
                                        I can send a dump....
                                        10-01-2025, 01:28 PM
                                      • cheeky2
                                        Is it possible to upgrade from a Vestel 17MB97 main board to a 17MB110 Main board?
                                        by cheeky2
                                        I suppose the real question is whether the existing pinouts from ether a 17IPS71 psu are cross compatible with a 17IPS12 psu? If they are then the exchange of the main boards should have no issues providing the screen is compatible with both main boards. Obviously you can change the screen configurations easily enough (providing you have the correct files) for the main board. Why may you ask would I do this? Well a lot of the smart features are no longer working on a Hitachi 48HBT62U main board I wish to give it a new lease of life!
                                        Obviously the same LVDS connector for the screen connection...
                                        05-25-2024, 03:27 AM
                                      • Tynan Dill
                                        Vizio e601i-A3 - Has Sound and Display, But No Backlight - Bad Power Supply Board or Bad LED Bulbs ?
                                        by Tynan Dill
                                        I was given this TV from my great uncle. He said it just wouldn't turn on one day out of nowhere, replaced the TV, and gave it to me to possibly fix and use for myself.

                                        Upon bringing it home and plugging it up, it showed a standby light.

                                        I powered it on and without a flashlight, the display showed the "V" but the lighting is very dim, but visible.

                                        The screen seems to blackout and stay black, but with a flashlight I can see the display.

                                        With my Playstation 4 connected via HDMI, and running a game I can hear sound.

                                        Assuming...
                                        11-22-2024, 01:46 PM
                                      • Loading...
                                      • No more items.
                                      Working...