Re: LG42lg50 UG power on and off
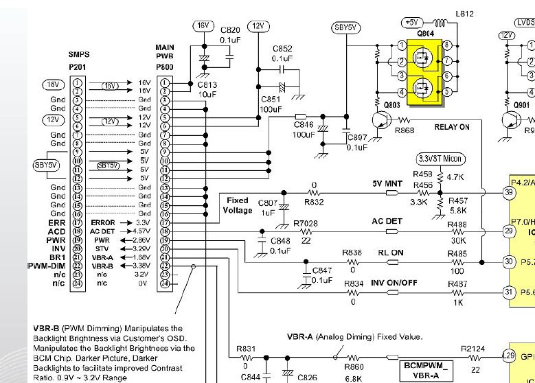
The right side of that connector results
0
0
0
04.1
04.1
0
5.0
5.0
0
12.2
0
15.6
ive added these to one post too see if its easier to understand maybe budm will have a idea what to check next if the voltages are ok.
The right side of that connector results
0
0
0
04.1
04.1
0
5.0
5.0
0
12.2
0
15.6
ive added these to one post too see if its easier to understand maybe budm will have a idea what to check next if the voltages are ok.
Comment