I have a Panasonic with the typical 10 blink code. I thought it would of been the easy IC and cap swap on the PSU board, however this one has a completely different PSU than what I expected. It doesn't seem to have the little MC301/201 board.
Panasonic TH-42PZ80U 10 Blink, LC0719-4001DC PSU
Collapse
X
-
Re: Panasonic TH-42PZ80U 10 Blink, LC0719-4001DC PSU
Uh... umm... that's odd. That's a completely different PSU. ShopJimmy does show it as a possible part though.
For 10 blink, check the F15V outputs from PSU.
Does relay click 3 times?Please do not PM me with questions! Questions via PM will not be answered. Post on the forums instead!
For service manual, schematic, boardview (board view), datasheet, cad - use our search. -
Re: Panasonic TH-42PZ80U 10 Blink, LC0719-4001DC PSU
I'm not familiar much with Panasonic parts, which is the F15V output? It seems there aren't any labels for the outputs on the psu.. And yes it does click 3 times as soon as the power is plugged in.Last edited by Glitcher; 05-06-2014, 10:11 AM.Comment
-
Re: Panasonic TH-42PZ80U 10 Blink, LC0719-4001DC PSU
It appears the PSU is used in TH-C42FD18 too perhaps a late model change? End of year refresh?
Manual:
Also check SD card slot for coins or metal stuck in it. Common cause of 10 blink fault.
Connection diagram is on page 30.Please do not PM me with questions! Questions via PM will not be answered. Post on the forums instead!
For service manual, schematic, boardview (board view), datasheet, cad - use our search.Comment
-
Re: Panasonic TH-42PZ80U 10 Blink, LC0719-4001DC PSU
These sets have an SD card slot hidden on the back of the A board, at least from memory, I could be wrong. (I'm assuming it's similar to the cut-down TH-42PZ8BA model...)
Try checking the F15V pins (use the P board schematic, a different P board but identical pin out) to find an F15V_STBY pin, check the voltage as the TV cycles on and off.Please do not PM me with questions! Questions via PM will not be answered. Post on the forums instead!
For service manual, schematic, boardview (board view), datasheet, cad - use our search.Comment
-
Re: Panasonic TH-42PZ80U 10 Blink, LC0719-4001DC PSU
I still don't see any SD slot anywhere.
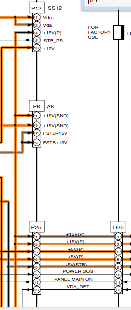
Ok I think I see it in the diagram. Is it FSTB+15V? Its in connecter P6, pins 7 or 9.
So placing my probe on those pins, as soon as I plug in the set, it goes up to 15V for a second and then drops down to near 0 immediately.Last edited by Glitcher; 05-06-2014, 11:04 AM.Comment
-
Re: Panasonic TH-42PZ80U 10 Blink, LC0719-4001DC PSU
If the 15V goes down quickly next step is checking Vsus, should hit about 190~200V (exact rating printed on panel.) If it is low then isolate SC/SS - if it jumps to 6/7/8 blink you have a VSUS short. I believe SC & SS boards are cheap for these models so I would exchange any that are bad.Please do not PM me with questions! Questions via PM will not be answered. Post on the forums instead!
For service manual, schematic, boardview (board view), datasheet, cad - use our search.Comment
-
Re: Panasonic TH-42PZ80U 10 Blink, LC0719-4001DC PSU
I think disconnecting A5, A6, and A7 on the A board and then plugging in the TV may work and if the screen turns on full white may help prove the PSU is ok and A board issue??Last edited by tw2005; 05-06-2014, 01:12 PM.Comment
-
Re: Panasonic TH-42PZ80U 10 Blink, LC0719-4001DC PSU
It blinks 10 as soon as plug in. I tried holding the power button for 10 seconds but it goes straight back to 10 blinks. I cannot start the tv as it always goes to 10 blinks when plugged in.
I just disconnected A5, A6, and A7 and plugged in the tv. It'll go 3 clicks and then a screech from the psu and there is no standby light.Comment
-
Re: Panasonic TH-42PZ80U 10 Blink, LC0719-4001DC PSU
I found this solution while searching google with the same psu and panel. They replaced the psu with a different model psu and did some modifications on it. The only different in connections is it has P35 instead of P12. However theres not much detail on modifying the connections.
http://www.plasmafix.com/plasma.php
PANASONIC TH-42PZ80U REPAIR
NO POWER 10 BLINKS
DEAD POWER SUPPLY LC0719-4001DC
INSTEAD LC0719-4001DC WE INSTALL ETX2MM747AF POWER SUPPLY
THIS PROJECT FOR EXPIRIENCE REPAIR TECHS ONLY
P12 CONNECTOR COMPLETLY MODIFIED
REST OF CONNECTORS ARE THE SAME
+ 15 V , +60V WE INJECT IN TO P12 CONNECTOR
USING P35 CONNECTOR ON 747 BOARD
NO ADJUSTMENT
SAME VOLTAGE
SAME CURRENT
BOARD HOLDERS HAS BEEN MODIFIED ALSOLast edited by Glitcher; 05-06-2014, 04:25 PM.Comment
-
Re: Panasonic TH-42PZ80U 10 Blink, LC0719-4001DC PSU
I just confirmed that this is a PSU issue. I was able to get the more common PSU for this model (ETXMM655MEH) from a related panasonic panel. It won't screw in right (board was just hanging, and some cables were too short), but all the connections are the same. I connected everything to test it out and the tv powered up normally.
I placed the defective PSU in the other Panasonic and it gets the same 10 blinks now.
I'm sure the problem is something with the missing 15v on the PSU that is similar to the common PSU 10/2 blink fix.Last edited by Glitcher; 05-14-2014, 09:27 PM.Comment
-
Re: Panasonic TH-42PZ80U 10 Blink, LC0719-4001DC PSU
You may want to check the MOSFETs for the vsus I have one in the shop right now with this problem. Alternates between 10 blinks and 2 blinks. I swapped out two MOSFETs and put in a new fuse and it is working again.Liberating magic smoke one part at a timeComment
-
Re: Panasonic TH-42PZ80U 10 Blink, LC0719-4001DC PSU
No shorts on the mosfets, that was the first thing I checked on the psu and all fuses are good also. I'm about to buy some freeze spray and start spraying some parts to see if I can get the set to come on.Comment
-
Re: Panasonic TH-42PZ80U 10 Blink, LC0719-4001DC PSU
I've got the same model, PSU, and problem. Wondering if anyone with this setup has isolated the faulty component(s) on the PSU board? Is there a particular area of the board that would most likely be the culprit?
Appreciate the helpComment
-
Re: Panasonic TH-42PZ80U 10 Blink, LC0719-4001DC PSU
Well I still have this set sitting here, having given up on it for awhile. I now have 3 of these same model TVs just sitting here... (including the same one from my first post) So decided to actually try to get back at this.
Short story for this problem: Model: th-42pz80u. PSU fault (confirmed) However has a different uncommon PSU, LC0719-4001DC, no MC modules on this psu. When plugged in, will click 3 times fast. Has missing 15v. Fuses good, no shorted FETs.Comment
Related Topics
Collapse
-
by clooI recently got my hands on a 60" Panasonic P60ZT60 plasma tv (european model) that has some strange issues along with an 8 blink code.
It know this tv is getting old but it was once considered one of the best plasmas ever made, and i think it is still holds on to that even by todays standards.
So, long story short. When i first got the tv it had a very bright washed out picture with very raised blacks in all picture modes and i couldn't find the cause in the picture setting menus.
After doing a factory reset this problem was gone and the picture was back to...01-06-2025, 06:02 AM -
by VebririonHi everyone,
I'm new here and trying to repair my Panasonic TX-P50V10E plasma TV, which is currently showing the 6 red blink error code.
Just for context: I'm used to building PCs and installing modchips in old consoles, but this is my first time trying to fix a TV. I'm French, and while my English is okay, I'm using ChatGPT to help translate and clarify my messages as much as possible — so please forgive any odd phrasing.
I'm also not very experienced with using a multimeter, but I'm very motivated and ready to follow instructions carefully and report... -
by nervxYears ago my tv gave a 7 blink code which turned into 8 during diagnosis. I had ordered a replacement ss board but somehow the tv started working again and i never used the board. Now a week ago my tv flickered and shut off at random and gave the 8 blink error code. The same issue it had all those years ago. The only difference this time is that over the last few months there has been some purple and green tinge that comes and goes in more solid colors such as white.
Anyway i checked all the screws and replaced the ss board with a known good one and still got 8 blinks. I saw a... -
by SentraDudeGreetings from SoCal
I am new to this forum but not new to forum world. I come from Automotive end of side which is my main passion in life. Give the automotive nature, I love fixing and restoring things and I have in the past fixed many simple electronics, soldering, etc.. but this is a bit more involved so I found this forum, and I am very glad I did.
I picked up a Panasonic TC-P60VT60 with the 7 BLINK error.
Upon removing the back plate I found spider webs, dead spiders, and an amazing amount of dust. I did my best to clean the surface of the boards with a portable vacuum... -
by tikuHello Friends, i am having this model Panasonic TH-L32C30D, suddenly when i switch on, it went on One Blink, after looking at the service manual it says Backlight_SOS, I can see the menu on the tv screen for few seconds in the dark with the help of flashlight Before it goes into blinking cycle.
I was having a backup P-Board which i replaced it and now its working fine, but i need to repair my faulty P-Board, as now its getting dificult to find any type of spares of this model, so can any friend who is master in Panasonic Repair, be kind enough to guide me or tell me which component should...09-05-2021, 05:02 AM - Loading...
- No more items.
Comment