Digitrex CTF4071, Sound but no picture

Collapse
X
 
  • Time
  • Show
Clear All
new posts
  • Andyd1970
    Badcaps Veteran
    • Feb 2013
    • 374
    • united kingdom

    #21
    Re: Digitrex CTF4071, Sound but no picture

    Hi,

    I am happy to test the transformers, would appriciate a bit of advice on how and what I am expecting to see, also test them powered or not?

    Comment

    • signup
      Senior Member
      • May 2013
      • 189
      • UK

      #22
      Re: Digitrex CTF4071, Sound but no picture

      Do you have a pic of the underside of the board, and test them power off
      Last edited by signup; 06-10-2013, 03:47 PM.

      Comment

      • tom66
        EVs Rule
        • Apr 2011
        • 32560
        • UK

        #23
        Re: Digitrex CTF4071, Sound but no picture

        Originally posted by Andyd1970
        Tom,

        Can you recommend an ESR meter? I have seen some for over a hundred to ones from China for about £20. 00.
        Personally, I use an ESR60, but that's around £70 so quite an investment. I've heard some good reviews from the £20~£30 meters though.
        Please do not PM me with questions! Questions via PM will not be answered. Post on the forums instead!
        For service manual, schematic, boardview (board view), datasheet, cad - use our search.

        Comment

        • budm
          Badcaps Legend
          • Feb 2010
          • 40746
          • USA

          #24
          Re: Digitrex CTF4071, Sound but no picture

          The two red poly caps are part of the Bridge drive circuit, need to see the bottom side of the board to see for sure.
          I think this is how the board is setup, not sure until I see the bottom side.
          Attached Files
          Last edited by budm; 06-10-2013, 05:02 PM.
          Never stop learning
          Basic LCD TV and Monitor troubleshooting guides.
          http://www.badcaps.net/forum/showthr...956#post305956

          Voltage Regulator (LDO) testing:
          http://www.badcaps.net/forum/showthr...999#post300999

          Inverter testing using old CFL:
          http://www.badcaps.net/forum/showthr...er+testing+cfl

          Tear down pictures : Hit the ">" Show Albums and stories" on the left side
          http://s807.photobucket.com/user/budm/library/

          TV Factory reset codes listing:
          http://www.badcaps.net/forum/showthread.php?t=24809

          Comment

          • Andyd1970
            Badcaps Veteran
            • Feb 2013
            • 374
            • united kingdom

            #25
            Re: Digitrex CTF4071, Sound but no picture

            Hi Guys, Thank you so much for your help with this, learning alot more now, the guides from the last post are very helpful, thank you.

            See attached pictures of the rear of the PCB.
            Attached Files

            Comment

            • Andyd1970
              Badcaps Veteran
              • Feb 2013
              • 374
              • united kingdom

              #26
              Re: Digitrex CTF4071, Sound but no picture

              Hi Guys, Are the images of the rear of the PSU/Inverter close enough? do you need an areas zoomed in on?

              Andy

              Comment

              • budm
                Badcaps Legend
                • Feb 2010
                • 40746
                • USA

                #27
                Re: Digitrex CTF4071, Sound but no picture

                I just download them to study, will let you know later on today.
                Never stop learning
                Basic LCD TV and Monitor troubleshooting guides.
                http://www.badcaps.net/forum/showthr...956#post305956

                Voltage Regulator (LDO) testing:
                http://www.badcaps.net/forum/showthr...999#post300999

                Inverter testing using old CFL:
                http://www.badcaps.net/forum/showthr...er+testing+cfl

                Tear down pictures : Hit the ">" Show Albums and stories" on the left side
                http://s807.photobucket.com/user/budm/library/

                TV Factory reset codes listing:
                http://www.badcaps.net/forum/showthread.php?t=24809

                Comment

                • mardocdor
                  Member
                  • Jun 2013
                  • 31
                  • philippines

                  #28
                  Re: Digitrex CTF4071, Sound but no picture

                  Originally posted by Andyd1970
                  Hi,

                  The back light come on for a few seconds and then goes off.

                  The info from the combined PCB is:

                  AOYUAN
                  AYL401401
                  3BS008114 Rev 1.0
                  Hi just wander if you tried putting a flashlight infront of the screen and look if you can see any faint image?

                  Comment

                  • budm
                    Badcaps Legend
                    • Feb 2010
                    • 40746
                    • USA

                    #29
                    Re: Digitrex CTF4071, Sound but no picture

                    I hate to tell you this, it looks like you pull the lamp's socket assembly off the lamps. I think the socket assembly should not be remove, the board has fingers that fit into the lamp socket assembly and should just slide out. I hope I am wrong, otherwise you may have broken the lamps when you remove the assembly or when you try to put the board assembly back in place since you have to make sure the lamps will all fit back into the lamp sockets.
                    Never stop learning
                    Basic LCD TV and Monitor troubleshooting guides.
                    http://www.badcaps.net/forum/showthr...956#post305956

                    Voltage Regulator (LDO) testing:
                    http://www.badcaps.net/forum/showthr...999#post300999

                    Inverter testing using old CFL:
                    http://www.badcaps.net/forum/showthr...er+testing+cfl

                    Tear down pictures : Hit the ">" Show Albums and stories" on the left side
                    http://s807.photobucket.com/user/budm/library/

                    TV Factory reset codes listing:
                    http://www.badcaps.net/forum/showthread.php?t=24809

                    Comment

                    • Andyd1970
                      Badcaps Veteran
                      • Feb 2013
                      • 374
                      • united kingdom

                      #30
                      Re: Digitrex CTF4071, Sound but no picture

                      Hi, I think you are right I thought that when I removed the PCB as it was soo tight in the small sockets it made sense to remove the black plastic part, I have just tried refitting it and it all sounded good as it when back on, switched it on, I have an image but faint! so I guess its f++ked then?? Is it pissible to refit that part? or is it a waste of time?

                      Kind regards
                      Andy

                      Comment

                      • budm
                        Badcaps Legend
                        • Feb 2010
                        • 40746
                        • USA

                        #31
                        Re: Digitrex CTF4071, Sound but no picture

                        So the lamps stay on, or it still black out after 2 seconds? This is what the SCH I draw based on your pictures.
                        Not sure if the lamps are damaged or not, or if they are fit back in to all sockets, but you should check the resistance on the HV side of the four Inverter transformers.
                        Attached Files
                        Never stop learning
                        Basic LCD TV and Monitor troubleshooting guides.
                        http://www.badcaps.net/forum/showthr...956#post305956

                        Voltage Regulator (LDO) testing:
                        http://www.badcaps.net/forum/showthr...999#post300999

                        Inverter testing using old CFL:
                        http://www.badcaps.net/forum/showthr...er+testing+cfl

                        Tear down pictures : Hit the ">" Show Albums and stories" on the left side
                        http://s807.photobucket.com/user/budm/library/

                        TV Factory reset codes listing:
                        http://www.badcaps.net/forum/showthread.php?t=24809

                        Comment

                        • tom66
                          EVs Rule
                          • Apr 2011
                          • 32560
                          • UK

                          #32
                          Re: Digitrex CTF4071, Sound but no picture

                          What confuses me Bud is the inverter looks to be on the secondary side and only have those poly-capacitors coupling the signal across?
                          Please do not PM me with questions! Questions via PM will not be answered. Post on the forums instead!
                          For service manual, schematic, boardview (board view), datasheet, cad - use our search.

                          Comment

                          • budm
                            Badcaps Legend
                            • Feb 2010
                            • 40746
                            • USA

                            #33
                            Re: Digitrex CTF4071, Sound but no picture

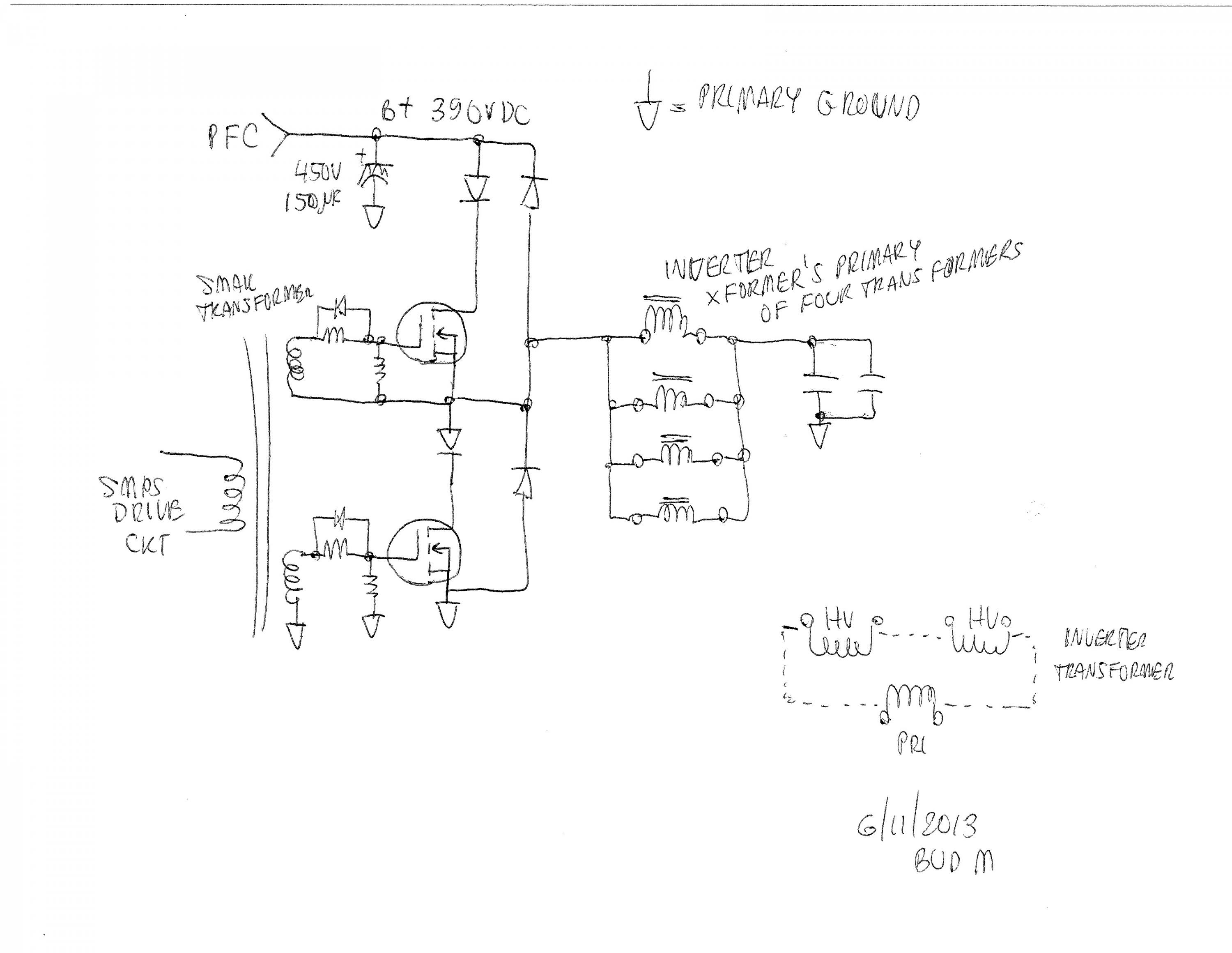
                            They are on the primary side, all gorund shound in the pictures are the primary side ground, the coupling caps to ground is needed to block the DC. Isolation from primary to the lamp connections is done through the inverter transformers.
                            You can see about the same setup in the SAMSUNG Inverter/power supply setup, very common way of driving the Inverter transformer with 380VDC. Think of it as audio power amp with push-pull output running with single power supply, the midpoint will be 1/2 B+, so the speaker will have be hooked up through cap so the speaker will not blown up by the DC at the center point of the output.
                            http://sound.westhost.com/project12a.htm
                            Attached Files
                            Last edited by budm; 06-11-2013, 12:58 PM.
                            Never stop learning
                            Basic LCD TV and Monitor troubleshooting guides.
                            http://www.badcaps.net/forum/showthr...956#post305956

                            Voltage Regulator (LDO) testing:
                            http://www.badcaps.net/forum/showthr...999#post300999

                            Inverter testing using old CFL:
                            http://www.badcaps.net/forum/showthr...er+testing+cfl

                            Tear down pictures : Hit the ">" Show Albums and stories" on the left side
                            http://s807.photobucket.com/user/budm/library/

                            TV Factory reset codes listing:
                            http://www.badcaps.net/forum/showthread.php?t=24809

                            Comment

                            • Andyd1970
                              Badcaps Veteran
                              • Feb 2013
                              • 374
                              • united kingdom

                              #34
                              Re: Digitrex CTF4071, Sound but no picture

                              Hi Guys, You wont believe this but I managed to refit the black plastic assembly to the ends of the lamps, switched the set on and the entire screen illuminates!! and now I get a picture, (the sort of home screen image) I will give it an input in a minute and report back. Do you think it could be cured?

                              Andy

                              Comment

                              • tom66
                                EVs Rule
                                • Apr 2011
                                • 32560
                                • UK

                                #35
                                Re: Digitrex CTF4071, Sound but no picture

                                May have been a loose connector on the bulbs.
                                Please do not PM me with questions! Questions via PM will not be answered. Post on the forums instead!
                                For service manual, schematic, boardview (board view), datasheet, cad - use our search.

                                Comment

                                • budm
                                  Badcaps Legend
                                  • Feb 2010
                                  • 40746
                                  • USA

                                  #36
                                  Re: Digitrex CTF4071, Sound but no picture

                                  It does sound like that was the problem, you are so lucky that you did not break the lamps.
                                  Never stop learning
                                  Basic LCD TV and Monitor troubleshooting guides.
                                  http://www.badcaps.net/forum/showthr...956#post305956

                                  Voltage Regulator (LDO) testing:
                                  http://www.badcaps.net/forum/showthr...999#post300999

                                  Inverter testing using old CFL:
                                  http://www.badcaps.net/forum/showthr...er+testing+cfl

                                  Tear down pictures : Hit the ">" Show Albums and stories" on the left side
                                  http://s807.photobucket.com/user/budm/library/

                                  TV Factory reset codes listing:
                                  http://www.badcaps.net/forum/showthread.php?t=24809

                                  Comment

                                  • Andyd1970
                                    Badcaps Veteran
                                    • Feb 2013
                                    • 374
                                    • united kingdom

                                    #37
                                    Re: Digitrex CTF4071, Sound but no picture

                                    Thank you guys for all your help and support, it was a lucky fix.

                                    Andy

                                    Comment

                                    • Andyd1970
                                      Badcaps Veteran
                                      • Feb 2013
                                      • 374
                                      • united kingdom

                                      #38
                                      Re: Digitrex CTF4071, Sound but no picture, failed again

                                      Hi Guys, Bad news (( put a DVD on and the picture comes on for a few minutes and went off! switched it off from the button on the front, switched it straight back on and it worked for about 30 seconds and the image went, but the sound was working fine.

                                      Heeelllppp!

                                      Andy

                                      Comment

                                      • Andyd1970
                                        Badcaps Veteran
                                        • Feb 2013
                                        • 374
                                        • united kingdom

                                        #39
                                        Re: Digitrex CTF4071, Sound but no picture

                                        Hi Guys, Tried it again today and it did the same screen comes up with the home screen, put on a DVD played for a short while, screen went off and still had sound.

                                        Any ideas please?

                                        Andy

                                        Comment

                                        • tom66
                                          EVs Rule
                                          • Apr 2011
                                          • 32560
                                          • UK

                                          #40
                                          Re: Digitrex CTF4071, Sound but no picture

                                          BLON or ON/OFF steady?
                                          Likely bad bulb or transformer.
                                          Please do not PM me with questions! Questions via PM will not be answered. Post on the forums instead!
                                          For service manual, schematic, boardview (board view), datasheet, cad - use our search.

                                          Comment

                                          Related Topics

                                          Collapse

                                          • TR103
                                            Samsung TV model UE50TU: rebooting, backlight, sound, but no picture
                                            by TR103
                                            Hi, I have a Samsung UE50TU with:
                                            - sound and backlight, but no picture
                                            - when it arrived, it had a picture for a few seconds
                                            - it keeps rebooting
                                            - without ribbon cable between the two panel boards, it does not reboot but I have no picture
                                            - without cable between mainboard and lcd panel, it does not reboot (but obviously i have no picture)
                                            - when i try a tape fix, its keeps rebooting, unless I tape off pin 1 (the innermost pin). In that case it does not reboot but I have no picture.

                                            - without cable between mainboard and lcd panel and with a jumpered...
                                            01-22-2025, 04:12 PM
                                          • Mgiffune
                                            Samsung UN60EH6000F Black Screen, Backlight and Sound Good. Power Cycle Returns Picture
                                            by Mgiffune
                                            I have a 60 inch Samsung UN60EH6000F flatscreen TV. The screen went black a few months ago Sound is good, backlight is good, no menu. I replaced the TCon board with a used board purchased from Ebay. It worked fine for a 3-4 months, then the screen started ‘fading' back. Once again, sound is good, backlight is good, no menu. However, this time the picture looks fine for about 10-15 minutes, then fades back. If I power cycle the TV, the display reappears, for another 10-15 minutes, then fades black again. Repeatable ever time.

                                            I ordered a supposedly ‘new' Tcon board this time, and
                                            ...
                                            06-09-2024, 10:28 AM
                                          • Ierwin
                                            Samsung UE60KU6079 backlight okay mainboard responsive, no picture, no sound
                                            by Ierwin
                                            Hello everyone,
                                            Ive got a UE60KU6079 on the workbench that is giving me some headaches trying to troubleshoot.
                                            The previous owner stated that there had been white dots on the screen which from the description sounded like some lenses fell of the backlight LEDs.
                                            He had opened the TV from the back, trying to get to the backlight, supposedly gave up, reassebled everything and gave the TV to me.
                                            I expected the worst like ripped COF cables or a cracked panel but could not find anything like that yet.
                                            Anyway I still fully expect that there has been something seriously damaged...
                                            05-13-2025, 03:31 PM
                                          • jchang
                                            Samsung UN70NU6900F no picture and no sound
                                            by jchang
                                            Hi all

                                            I was just given a Samsung TV with the issue. I read various threads and videos and attempted the ribbon tape method to gain an image, but no luck.



                                            Symptom:
                                            No picture no sound.
                                            When I plug in the power cord, Backlight LED turns on for a half second and then turns off. The red LED next to the power button located center bottom flashes 2 or 3 times. When the power button is pressed after, it does the same thing.
                                            No sound at all.



                                            What I tried:
                                            1. I tried unplugging the left or right ribbon...
                                            01-09-2023, 06:28 PM
                                          • ChaosLegionnaire
                                            what i went through dealing with my mobo with dead onboard sound!
                                            by ChaosLegionnaire
                                            so i took out one of my spare gigabyte ep35-ds3r mobos from storage for use to do some cpu, ram and video card testing of stuff i bought from ebay and got for free from momaka. he bought 50 e8400 cpus for cheap from ebay some years ago and i decided to help him relieve him of some of his supply since he had waaaay too many!! what did we say about hoarding too much stuff and depriving others of them?! *cough* socialism *cough* lol!

                                            i had to blow some dust off the board and heatsinks with the datavac as i didnt clean it up before putting it in storage. after finishing...
                                            09-13-2022, 09:02 AM
                                          • Loading...
                                          • No more items.
                                          Working...