Replacing unknown NTC Thermistor in Corsair CX400

Collapse
X
 
  • Time
  • Show
Clear All
new posts
  • goodpsusearch
    Badcaps Legend
    • Oct 2009
    • 2850
    • Greece

    #21
    Re: Replacing unknown NTC Thermistor in Corsair CX400

    Originally posted by Stefan Payne
    Yes, they would.

    Normal Ratings are B16 breakers wich allow only 3-5 times the nominal value.
    Wich means that everything over 48A is crap and trips breaker (hello Sirfa!!)
    And max is 80A.

    However there is also the possibility to install a C16 breaker that allows 5-10 times the nominal value (=80-160A), but depending on the length of the cable it's not always possible.

    And they are expensive as hell. At least double the price of a normal B16.
    I've paid about tripple what a normal B16 breaker whould have cost....

    That sounds like much but a B16 breaker cost as little as ~2€.
    And I've paid ~9€ for one (Hager) C16...


    First 1,5mm² copper wire is the norm here in Europe (German)
    That is somewhat between AWG15 and AWG16...

    Second: Normal breakers for that (as far as I know) is 16A with the B characteristics.
    Although I've heard that 13A is the new norm and 16A is only allowed under certain conditions.

    Third: In some regions like the old Communist Germany 10A are also used - with Aluminium wire. I can't say anything about that, never seen it, that's only what I've heard...

    Actually it is more like:

    10A for 1.5mm2
    16A for 2.5mm2
    20A for 4mm2
    25A for 6mm2
    32A for 10mm2

    Originally posted by momaka


    The problem is Corsair HX is almost the same thing as CX---M, just with bigger and more components. Design-wise, they look too similar and HX still has the same crappy flat heatsinks that the CX---M has. To me, that's a definite low-ball in quality. Even a Gold rated 700W PSU will dissipate over 70 Watts of heat. Divide that into three heatsinks, and you get 23W on average per heatsink - which is a bit too much for a fin-less heatsink.

    You must love FSP power supplies
    Last edited by goodpsusearch; 11-23-2017, 08:25 PM.

    Comment

    • Stefan Payne
      Badcaps Legend
      • Dec 2009
      • 1267
      • Germany

      #22
      Re: Replacing unknown NTC Thermistor in Corsair CX400

      Originally posted by goodpsusearch
      Actually it is more like:
      10A for 1.5mm2
      16A for 2.5mm2
      20A for 4mm2
      25A for 6mm2
      32A for 10mm2
      Hm??
      Where did you get those values?? For what country??
      That (almost) looks like it is for Aluminium...

      What I've found (for Germany) is something like that:
      https://www.zaehlerschrank24.de/info...tstabelle.html

      But that's just the most simple one, normally you have a table, depending on the laying method and the differences can be rather high...

      Comment

      • goodpsusearch
        Badcaps Legend
        • Oct 2009
        • 2850
        • Greece

        #23
        Re: Replacing unknown NTC Thermistor in Corsair CX400

        For 1.5mm2 cable its maximum current depends on many factors, but let's say it is ~ 15-19A.*

        So, a 1.5mm2 line gets a circuit breaker with value of 10A, because as we know a 10A breaker opens in higher value of its nominal.

        https://upload.wikimedia.org/wikiped...it_Breaker.svg

        If we used a 16A breaker for 1.5mm2 line, protection of that line would be compromised, because we could pull 22A from it for example and the 16A breaker would never trigger!

        *To know the max current with precision we would have to take into account the wire material (copper, aluminium), if it is multicore or singlecore cable, other cables that run near it etc.
        Last edited by goodpsusearch; 11-24-2017, 01:59 AM.

        Comment

        • momaka
          master hoarder
          • May 2008
          • 12175
          • Bulgaria

          #24
          Re: Replacing unknown NTC Thermistor in Corsair CX400

          Originally posted by goodpsusearch
          You must love FSP power supplies
          Hehe, they're not all bad. Actually, I've seen some older FPS units that are very nice. Have pictures of two units that I need to upload here - probably the best built FPS of all time.

          Comment

          • Adrian_
            Member
            • Mar 2017
            • 40
            • Romania

            #25
            Re: Replacing unknown NTC Thermistor in Corsair CX400

            I'm not sure how many of you are old enough to remember, but some 25-30 years ago all manufacturers of electric appliances were supposed to add the schematics of the whole thing to the manual sold with the device (be it a TV, a stereo or even a freezer and so on). This also included the part list, which made repairing a breeze once the defect was correctly identified.
            I'm not sure when this habit (or were it laws/regulations?) ceased to operate but I'm amazed that at least in a highly regulated place like the EU the IT manufacturers are allowed to get away with selling stuff without even publishing the relevant schematics on their websites... [rant off]

            Comment

            • Agent24
              I see dead caps
              • Oct 2007
              • 5096
              • New Zealand

              #26
              Re: Replacing unknown NTC Thermistor in Corsair CX400

              Originally posted by Stefan Payne
              PS: Please look for the protection chip.
              Is it a HY-510N?? Seasonic seems to like this garbage protection IC...
              Even in the 8pin world there are way better ones that support OCP on minor rails and/or UVP on +12V...
              Yes. I can confirm mine uses the HY-510N also.

              I can also confirm that the new NTC thermistor has also blown (don't know when that happened)

              I'm starting to think there is something pretty strange going on with this PSU. I also noticed that the PC it was in, had been doing a DMI /ESCD data update on almost every POST. With a different PSU in, it's not doing that any more.
              Attached Files

              if you find these attachements useful please consider making a small donation to the site

              Last edited by Agent24; 11-30-2017, 02:32 PM.
              "Tantalum for the brave, Solid Aluminium for the wise, Wet Electrolytic for the adventurous"
              -David VanHorn

              Comment

              • Agent24
                I see dead caps
                • Oct 2007
                • 5096
                • New Zealand

                #27
                Re: Replacing unknown NTC Thermistor in Corsair CX400

                I think I spoke too soon. ESCD update still happens on this board even with a different PSU. Probably a BIOS bug instead maybe. The board only has F2 BIOS (Gigabyte) with nothing newer out yet.

                But I still don't know why the new thermistor blew. What is the likely cause? Underrated component? Seems funny both blew quite hard though. Maybe there is a fault in the PFC circuitry?
                "Tantalum for the brave, Solid Aluminium for the wise, Wet Electrolytic for the adventurous"
                -David VanHorn

                Comment

                • Agent24
                  I see dead caps
                  • Oct 2007
                  • 5096
                  • New Zealand

                  #28
                  Re: Replacing unknown NTC Thermistor in Corsair CX400

                  I had a look at this again yesterday, after being annoyed by it and leaving it in a corner.

                  The design is such that the primary filter capacitor is initially charged via a diode direct from the bridge rectifier, and the NTC. The APFC circuitry is effectively in parallel with that diode, between the bridge and the NTC, and so there is no way a fault in the APFC could blow the NTC.

                  The only logical conclusions then are that for the NTC to blow, there must be either 1) a serious fault in the SMPS primary side, or 2) shorted mains filter capacitor. Since neither of these seem remotely true, I suspect that the NTC failed from old age.

                  This would fit with how my replacement NTC also blew, considering it was a used pull from a dead and much older PSU board.

                  I have now fitted a brand new EPCOS B57235S509M as the NTC. Time will tell what happens...
                  "Tantalum for the brave, Solid Aluminium for the wise, Wet Electrolytic for the adventurous"
                  -David VanHorn

                  Comment

                  • PeteS in CA
                    Badcaps Legend
                    • Aug 2005
                    • 3586
                    • USA, Unsure of Planet

                    #29
                    Re: Replacing unknown NTC Thermistor in Corsair CX400

                    Is there a relay or triac across this thermistor? In some PSUs the thermistor gets shorted out after some brief time interval. This allows use of a higher value of thermistor, to achieve a lower value of inrush, but whose hot resistance is so high that it would fry were it not shorted by the relay or triac. If there is such a relay or triac that failed, that might account for the frying of the thermistor.
                    PeteS in CA

                    Power Supplies should be boring: No loud noises, no bright flashes, and no bad smells.
                    ****************************
                    To kill personal responsibility, initiative or success, punish it by taxing it. To encourage irresponsibility, improvidence, dependence and failure, reward it by subsidizing it.
                    ****************************

                    Comment

                    • budm
                      Badcaps Legend
                      • Feb 2010
                      • 40746
                      • USA

                      #30
                      Re: Replacing unknown NTC Thermistor in Corsair CX400

                      If the APFC MOSFET shorted out it will blow the main fuse, or the NTC, and may take out the bridge rectifier with it also.
                      Never stop learning
                      Basic LCD TV and Monitor troubleshooting guides.
                      http://www.badcaps.net/forum/showthr...956#post305956

                      Voltage Regulator (LDO) testing:
                      http://www.badcaps.net/forum/showthr...999#post300999

                      Inverter testing using old CFL:
                      http://www.badcaps.net/forum/showthr...er+testing+cfl

                      Tear down pictures : Hit the ">" Show Albums and stories" on the left side
                      http://s807.photobucket.com/user/budm/library/

                      TV Factory reset codes listing:
                      http://www.badcaps.net/forum/showthread.php?t=24809

                      Comment

                      • R_J
                        Badcaps Legend
                        • Jun 2012
                        • 9633
                        • Canada

                        #31
                        Re: Replacing unknown NTC Thermistor in Corsair CX400

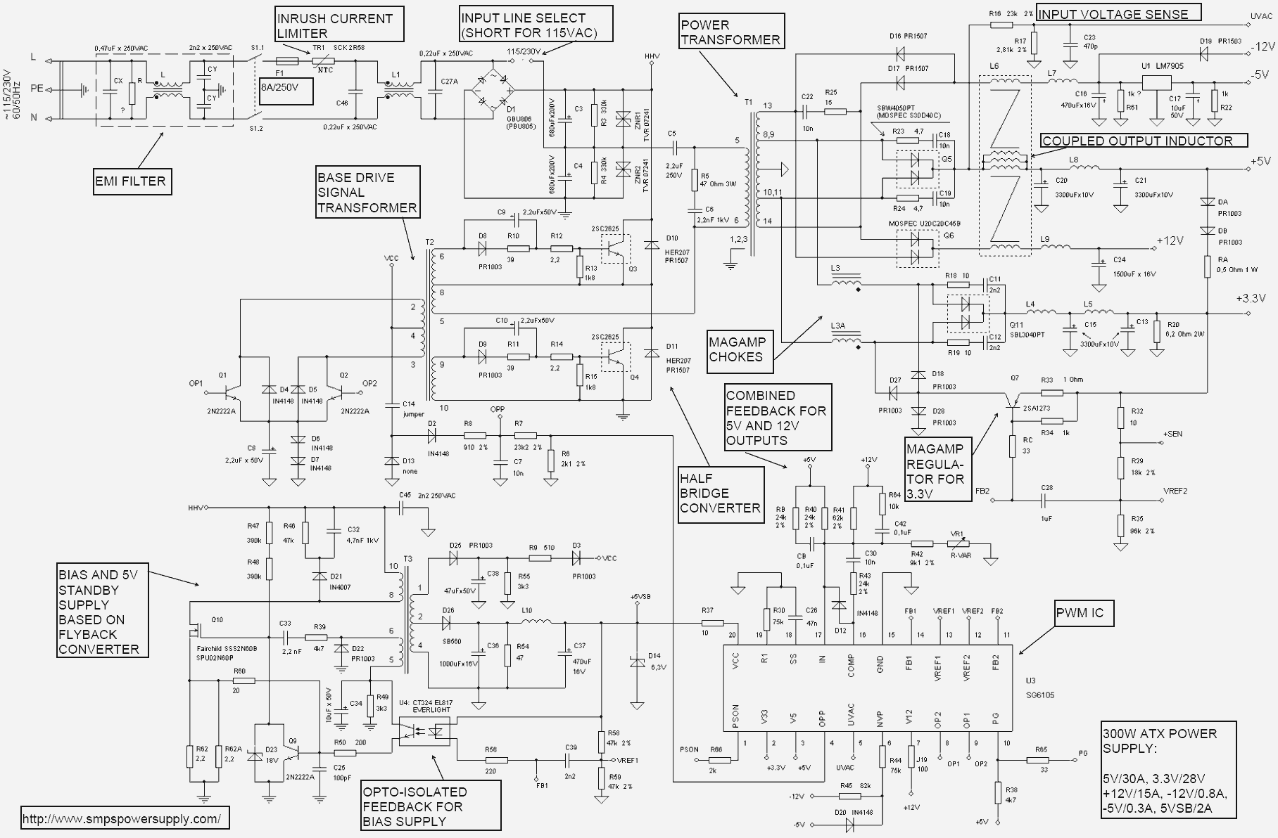
                        I found this atx schematic and it uses a SCK-2R58 ntc, this is a 300watt supply
                        Attached Files

                        if you find these attachements useful please consider making a small donation to the site

                        Comment

                        • momaka
                          master hoarder
                          • May 2008
                          • 12175
                          • Bulgaria

                          #32
                          Re: Replacing unknown NTC Thermistor in Corsair CX400

                          Originally posted by PeteS in CA
                          Is there a relay or triac across this thermistor? In some PSUs the thermistor gets shorted out after some brief time interval. This allows use of a higher value of thermistor, to achieve a lower value of inrush, but whose hot resistance is so high that it would fry were it not shorted by the relay or triac. If there is such a relay or triac that failed, that might account for the frying of the thermistor.
                          I doubt you would find a circuit that "exotic" in a budget 400 Watt unit.

                          Comment

                          • Agent24
                            I see dead caps
                            • Oct 2007
                            • 5096
                            • New Zealand

                            #33
                            Re: Replacing unknown NTC Thermistor in Corsair CX400

                            Indeed, there is certainly no relay and I've not seen a Triac in there either.
                            "Tantalum for the brave, Solid Aluminium for the wise, Wet Electrolytic for the adventurous"
                            -David VanHorn

                            Comment

                            Related Topics

                            Collapse

                            • nmbb
                              Can not find Model/Value of Thermistor.
                              by nmbb
                              Machine: Autoclave.
                              Brand/Model: SANYO MLS-3780
                              Manual: (Sorry search option not working on this PDF)



                              Hello guys, this autoclave running with 2 thermistors already connected TH1 and TH3(on CN1,CN2 sockets). One for the water temperture and second one for chamber temperature. But there is another emtpy socket for optional third thermistor CN2 wich is for TH2 for object temperature. I wanna add the third thermistor TH2 to CN2 socket. But i can't figure what model/brand/value i need to use. In manual document, there is no info about TH1 and TH3 model number...
                              06-02-2022, 05:55 PM
                            • sorehead_5
                              Corsair GS600 TTC-103 thermistor alternative?
                              by sorehead_5
                              I have a Corsair GS600 PSU that switches on and produces all the right voltages. However, when the psu starts the fans spins, but then never spins again until the PSU shuts itself down - overheating.
                              The fan is designed not to operate the fan below 40 degrees C, but I have traced and open circuit TTC-103 thermistor and am looking for an alternative/replacement and cannot find a reliable source in the UK and I don't have the skills to confidently specify an alternative myself.
                              Any thoughts?
                              09-03-2021, 09:27 AM
                            • h0m3w0rk
                              Random Shutdowns/Startup Failure with Corsair SFX 450
                              by h0m3w0rk
                              Hello everyone,




                              I'm encountering a frustrating issue with my Corsair SFX 450 power supply. After an undefined period of operation, my PC will either suddenly restart or, in some cases, it won't start at all until I disconnect the power cable and reconnect it. This erratic behavior occurs intermittently, making it difficult to pinpoint the exact conditions under which it happens.




                              For context, I have tested the PSU using an electronic load at 150W, and under those controlled conditions, it functions flawlessly. This leads me to...
                              02-09-2025, 03:19 AM
                            • rsuga
                              Corsair CX400 with bad OST RLX capacitors
                              by rsuga
                              A bit off-topic but I just wanted to share my experience with this power supply. I've owned it for almost 10 years now with moderate usage (daily, but no OC). Had to replace the fan and the OST RLX series caps (the blue ones), which failed on me twice (one cap was bloated, the other one was bad but didn't show visual signs).

                              I read somewhere in the forum that these blue OSTs were crap, and I can confirm I had two failures. Of course I've been using them for a long time, but still...

                              I replaced the first one with Nippon Chemicon KY series (the only good ones I could...
                              11-14-2021, 09:24 AM
                            • Use2bavolvo
                              Magic chef oven - thermistor ref voltage issue
                              by Use2bavolvo
                              I am having an issue with my wall oven temperature control is ~180f out of spec. The thermistor is measuring correctly but I noticed the ref voltage appears to be off. With the thermistor wires attached it's reading ~3.4vdc with the thermistor disconnected it's around I9.8vdc. my understanding is the temp is read off the resistance from the thermistor which leads me to believe the issue is with the ref voltage.

                              Another observation is the temp setting and readout at lower temps is way off meaning the oven thinks room temp is 300f and bake relay doesn't engage unless temp setting...
                              01-19-2023, 01:32 AM
                            • Loading...
                            • No more items.
                            Working...