Replacement caps for Tektronix 434 Power supply board.

Collapse
X
 
  • Time
  • Show
Clear All
new posts
  • srhofmann
    Senior Member
    • Aug 2016
    • 135
    • usa

    #101
    Re: Replacement caps for Tektronix 434 Power supply board.

    I'm working from the schematic for sn 500000+. If you look at the logic diagram for the switch they are switching RC networks in and out. Should be able to test basic functionality across the switches, open/closed, in circuit. It's possible that the switch is setting an "invalid" combination that just happens to be off by a factor of 10.

    Good luck and let us know what you find.
    Last edited by srhofmann; 03-03-2017, 09:10 AM.

    Comment

    • John McGivern
      Senior Member
      • Dec 2013
      • 195
      • uk

      #102
      Re: Replacement caps for Tektronix 434 Power supply board.

      Srhofmann success, it was the var Timebase. I removed the spindle filed a flat on one side to enable grub screw to grip spindle. Desoldered the pot and removed the nylon housing and pot from scope.
      Lubed and exercised pot refitted everything fiddled with pot and it eventually went to detent position properly before it was clicking into detent position but it wasn't locating properly it really needs a new pot but I cannot source one.
      I would like to thank every one for their help.
      Kindest regards, John.

      Comment

      • srhofmann
        Senior Member
        • Aug 2016
        • 135
        • usa

        #103
        Re: Replacement caps for Tektronix 434 Power supply board.

        Excellent good to hear.

        Comment

        • redwire
          Badcaps Legend
          • Dec 2010
          • 3912
          • Canada

          #104
          Re: Replacement caps for Tektronix 434 Power supply board.

          The sweep speed dial does have a x10 magnifier - labeled "MAG PUSH TURN".
          Any chance it is turned on? Not to be confused with variable sweep.
          I don't know the scope exactly but try that first.
          Last edited by redwire; 03-03-2017, 11:32 PM.

          Comment

          • srhofmann
            Senior Member
            • Aug 2016
            • 135
            • usa

            #105
            Re: Replacement caps for Tektronix 434 Power supply board.

            Originally posted by redwire
            The sweep speed dial does have a x10 magnifier - labeled "MAG PUSH TURN".
            Any chance it is turned on? Not to be confused with variable sweep.
            I don't know the scope exactly but try that first.
            Nope we looked at that. He was actually having a divide by 10 problem which is what had me stumped for a little bit. The time/division selector is something that would make a swiss watchmaker scream. John probably had something sticky in the selector and the act of getting the var adjustment pot fixed and working correctly might just have unstuck a sticky microswitch in the big assembly.

            Comment

            • redwire
              Badcaps Legend
              • Dec 2010
              • 3912
              • Canada

              #106
              Re: Replacement caps for Tektronix 434 Power supply board.

              John, srhoffman great to get things working. These old scopes are totally worth repairing, they are like a good friend.

              I've used the latest DSO's from Agilent/Keysight some to $25K and they are generally crap. Their firmware is so buggy, I've had a blank screen on the DSO where the Tektronix showed me the true waveform. I can't trust a Keysight DSO to troubleshoot, despite the fancy touch screen, big LCD etc.

              Comment

              • John McGivern
                Senior Member
                • Dec 2013
                • 195
                • uk

                #107
                Re: Replacement caps for Tektronix 434 Power supply board.

                Well left Tek434 on for few hours frequency was good at several ranges.
                Decided to put back in case and turned back on yes you guessed it crackle arc shorted.
                Back to square one doh!!!
                No low voltages at all just ac coming in at 240vac.
                Think bridge rectifier blown back to stripping down aaaarrrgghhhhh.
                Can anyone recommend a replacement diode bridge.
                Last edited by John McGivern; 03-05-2017, 08:43 AM.

                Comment

                • srhofmann
                  Senior Member
                  • Aug 2016
                  • 135
                  • usa

                  #108
                  Re: Replacement caps for Tektronix 434 Power supply board.

                  Originally posted by redwire
                  John, srhoffman great to get things working. These old scopes are totally worth repairing, they are like a good friend.

                  I've used the latest DSO's from Agilent/Keysight some to $25K and they are generally crap. Their firmware is so buggy, I've had a blank screen on the DSO where the Tektronix showed me the true waveform. I can't trust a Keysight DSO to troubleshoot, despite the fancy touch screen, big LCD etc.

                  Yup, can't stand HP/Agilent/Keysight scopes(old or new), but I do like their Spectrum Analyzers and Frequency counters. Love my Tek 475A, old school analog still has a place in the digital world. Had a 7854 just too big and bulky for the workbench at home. The Tek 11800 chassis is an old friend, still holds it own against new stuff. Throw a few SD-24 tdr heads or sd-26 sampling heads in it and it's good to around 20GHz. You can actually see connector features with the TDR heads and even characterize wire bonds.

                  The one big thing about the new scopes is price, you get a hell of lot scope for money now a days, when it does what should.

                  Comment

                  • John McGivern
                    Senior Member
                    • Dec 2013
                    • 195
                    • uk

                    #109
                    Re: Replacement caps for Tektronix 434 Power supply board.

                    Found cold solder near diode bridge now have 325vdc at Q1080 and collector of Q1032 but no low power supplies no lights come on mmmmm.

                    Comment

                    • redwire
                      Badcaps Legend
                      • Dec 2010
                      • 3912
                      • Canada

                      #110
                      Re: Replacement caps for Tektronix 434 Power supply board.

                      I drank so much celebrating you fixing the 'scope, then this with the hangover
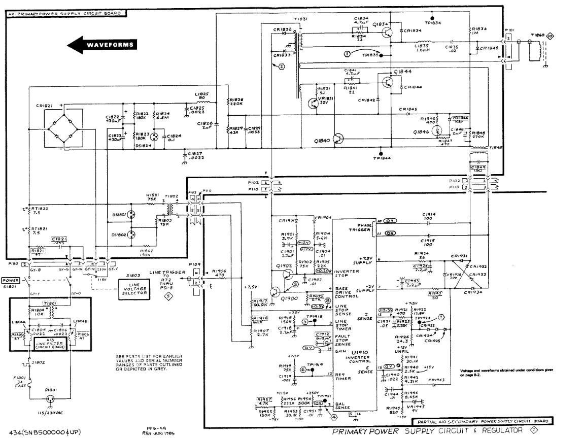
                      I am looking at service manual pdf pg192/199 primary power supply & reg. for Tek434 s/n 500000 up; Is that correct, because Q1834, Q1844 are the bridge and you are at Q1080, Q1032 ??

                      If I have right SCH, It's an odd SMPS design, but fortunately transformer-drive so a bit easier to work with. Use extra care because U1910 is probably a rare custom IC.

                      It appears to be a self-resonant design that operates full tilt until the control IC U1910 comes up and stops cycles. Start-up happens with Diac VR1831 at 32V.
                      Can you carefully take voltage measurements around the bridge transistors and diac, using DC bus (-) TP1844 for multimeter GND.
                      If the PSU does not come up I think SCR Q1846 overvoltage trip activates and may get in the way of troubleshooting.
                      Attached Files
                      Last edited by redwire; 03-06-2017, 04:21 PM.

                      Comment

                      • srhofmann
                        Senior Member
                        • Aug 2016
                        • 135
                        • usa

                        #111
                        Re: Replacement caps for Tektronix 434 Power supply board.

                        redwire - that's the schematic that I posted. John I believe has a scope with s/n below 500000. That may be the confusion in the Part #s

                        John - could you post the schematic you're working from? I'm getting a little older and slower and need all the help I can get....

                        Comment

                        • John McGivern
                          Senior Member
                          • Dec 2013
                          • 195
                          • uk

                          #112
                          Re: Replacement caps for Tektronix 434 Power supply board.

                          Yes guys s/n BELOW 500000 at Tek wiki.
                          How do you think I feel guys I messed about for hours with the cal T/B sweep sorted frequency was really pleased with myself waited couple of days then decided it was good.
                          Put all back together and shorted. Won't repeat what I said.
                          Anyway at moment have 325vdc at p119 also at Q1030, Q1032 Q1080 no low voltages no front lights I am working my way through previous posts I have a feeling that the short is on the secondary board. Tested all transistors on primary board all good (out of circuit).
                          Have 94vdc at c1020 but no 51v Zener tests good.

                          Comment

                          • John McGivern
                            Senior Member
                            • Dec 2013
                            • 195
                            • uk

                            #113
                            Re: Replacement caps for Tektronix 434 Power supply board.

                            I can't for the life of me understand the schemeatic it's beyond me.
                            Redwire pass the drink quick ha ha.
                            Last edited by John McGivern; 03-07-2017, 08:34 AM.

                            Comment

                            • redwire
                              Badcaps Legend
                              • Dec 2010
                              • 3912
                              • Canada

                              #114
                              Re: Replacement caps for Tektronix 434 Power supply board.

                              Service manual for Tektronix 434 s/n BELOW B500000 (1971) is here, 17MB PDF is best. Attached snippet.
                              The power supply is all discretes verses the change to custom PWM IC for S/N 500000 up. A bit of extra 'fun' to figure out. May exceed alcohol budget for the month.

                              There is a 56V regulator (Q1032, Q1030, VR1025 51V zener) which supplies the PSU control circuitry. See if it is alive at C1034 or CR1032.

                              The "turn-on circuit" to initially turn on main switching transistor Q1080 (pdf pg57) is the Q1045, Q1040, Q1050 circuit. I think it (Q1050) keeps firing trying to start up the PSU. I would measure around the start-up (oops "turn-on circuit" as Tek calls it), if you have 56V present, and see if it is pulsing.

                              Another approach is to just check those transistors/diodes in-circuit, keeping in mind the transformers will give you false low ohms readings so you may have to lift a leg to check them.
                              Attached Files

                              Comment

                              • John McGivern
                                Senior Member
                                • Dec 2013
                                • 195
                                • uk

                                #115
                                Re: Replacement caps for Tektronix 434 Power supply board.

                                C1081 has 325vdc on each side not across it.

                                Comment

                                • redwire
                                  Badcaps Legend
                                  • Dec 2010
                                  • 3912
                                  • Canada

                                  #116
                                  Re: Replacement caps for Tektronix 434 Power supply board.

                                  That's fine, just means you have 325VDC primary at C1080.
                                  What about 56VDC rail across C1034? You can't have a party without 56VDC

                                  Comment

                                  • John McGivern
                                    Senior Member
                                    • Dec 2013
                                    • 195
                                    • uk

                                    #117
                                    Re: Replacement caps for Tektronix 434 Power supply board.

                                    No 56vdc. Either side of cr1032.
                                    Collector of Q1032 has 325vdc. I tested 51v Zener in circuit tests good with diode function on Dmm.
                                    Last edited by John McGivern; 03-07-2017, 03:12 PM.

                                    Comment

                                    • redwire
                                      Badcaps Legend
                                      • Dec 2010
                                      • 3912
                                      • Canada

                                      #118
                                      Re: Replacement caps for Tektronix 434 Power supply board.

                                      With 325VDC present, the 51V zener should have around 51V across it.
                                      This then feeds Q1030 and Q1032 to make the 56V rail. I would test those transistors or measure their voltages.

                                      If the 56V rail is overloaded, I think R1032 will cook but you measure 325VDC on Q1032 collector, so R1032 must be ok.

                                      Q1025 is a (mains) overvoltage lockout and that transistor should be off. This is the only thing that could shut off VR1025.

                                      Comment

                                      • srhofmann
                                        Senior Member
                                        • Aug 2016
                                        • 135
                                        • usa

                                        #119
                                        Re: Replacement caps for Tektronix 434 Power supply board.

                                        What do you have on the base of Q1030 and Q1032? That will narrow down where the 325 isn't getting through.

                                        While your measuring take a look at the emitter of Q1025 to make sure it hasn't turned on.

                                        Just as an aside it looks like there are 2 neon lights on the schematic, are they on?

                                        Comment

                                        • redwire
                                          Badcaps Legend
                                          • Dec 2010
                                          • 3912
                                          • Canada

                                          #120
                                          Re: Replacement caps for Tektronix 434 Power supply board.

                                          The neon lamps DS1024, DS1020 are apparently part of a 5 second oscillator for Q1025. It looks like the 56VDC rail is briefly pulsed off when the neon lamp fires. Might be hard to see the blinks.

                                          Comment

                                          Related Topics

                                          Collapse

                                          • Tynan Dill
                                            Vizio e601i-A3 - Has Sound and Display, But No Backlight - Bad Power Supply Board or Bad LED Bulbs ?
                                            by Tynan Dill
                                            I was given this TV from my great uncle. He said it just wouldn't turn on one day out of nowhere, replaced the TV, and gave it to me to possibly fix and use for myself.

                                            Upon bringing it home and plugging it up, it showed a standby light.

                                            I powered it on and without a flashlight, the display showed the "V" but the lighting is very dim, but visible.

                                            The screen seems to blackout and stay black, but with a flashlight I can see the display.

                                            With my Playstation 4 connected via HDMI, and running a game I can hear sound.

                                            Assuming...
                                            11-22-2024, 01:46 PM
                                          • Soulzink
                                            Samsug washing machine. Power supply DC41-00189a board issue
                                            by Soulzink
                                            Hi everyone,

                                            I am trying to fix a samsung washinmachine power supply main board.
                                            I already replaced it with another one to fix the machine but i want to try understand the issue with the old board.
                                            Therefore i hope to be able to get some help to explain what to check in order to troubleshoot.
                                            The power supply board reference is the following: DC41-00189a
                                            I have followed one thread (https://www.badcaps.net/forum/troubl...ingmachine-rel...
                                            04-19-2025, 06:26 AM
                                          • sam_sam_sam
                                            Panasonic switching power supply daughter board has two 27uf @ 50 volt capacitors which I do not keep in stock
                                            by sam_sam_sam
                                            I did not have any 27uf @ 50 volt capacitors but one nice thing is that it has enough room for two capacitors in parallel a 22uf and a 4.7uf @ 50 volts 22 plus 4.7 equals 26.7uf which so very close to 27uf I will show some pictures of it sometime tomorrow

                                            This is one of the shit est boards I seen in a very long time and it was the daughter board the traces just lifting off the board I had to use the capacitor leads to repair the the traces and the main board is not any better because I had to repair several traces for the daughter board to the main board

                                            After all of...
                                            07-13-2024, 08:14 PM
                                          • captain150
                                            Help with switching power supply caps
                                            by captain150
                                            I'm trying to repair two old VCRs, they both have bad caps. One has leaky ones, the other would barely run until I subbed in some caps from another power supply I had laying around (though they are the wrong values). This vcr works for an hour or two, but then the power supply starts whining and the picture gets lines in it. I didn't replace all the secondary caps, so another voltage might still be problematic, or the values I used are too far off.
                                            I've been on mouser and digikey but the options are a bit overwhelming. I just need some new ones that will work. They don't need to be top quality,...
                                            03-16-2025, 07:34 PM
                                          • momaka
                                            HannStar Hanns-G HC194d LCD monitor repair
                                            by momaka
                                            Normally, I never post repairs this quick after I do them, because… I am usually very slow. But today, I’m making an exception here. Why? No idea. Perhaps only because the repair details are still “fresh” in my head… which is ironic, given this is a 16 year old monitor that hardly anyone will care about today. It is new to me, though. I picked it up last November from someone on my local Craigslist. It wasn’t very close to where I live, but was close to a family friend that I had to go visit anyways. So after watching the posting on Craigslist for a few weeks and seeing it getting...
                                            03-15-2023, 10:17 PM
                                          • Loading...
                                          • No more items.
                                          Working...