Help needed Shuttle power supply

Collapse
X
 
  • Time
  • Show
Clear All
new posts
  • tckoo1411
    Member
    • Oct 2009
    • 24

    #1

    Help needed Shuttle power supply

    Hi all,
    I am new here. currently I am trying to fix my shuttle power supply which went up in smoke the other day. Here's the model and some pictures:
    Brand : Shuttle
    Model : PC71I0005

    Can anyone tell me the rating of the burnt resistor? On top of that, the 5v standby power regulator was burnt and I couldn't identify the part number. Will upload the pictures once I get home. Anyone's help is much appreciated!!! Thanks.
    Attached Files
  • tckoo1411
    Member
    • Oct 2009
    • 24

    #2
    Re: Help needed Shuttle power supply

    Originally posted by tckoo1411
    Hi all,
    I am new here. currently I am trying to fix my shuttle power supply which went up in smoke the other day. Here's the model and some pictures:
    Brand : Shuttle
    Model : PC71I0005

    Can anyone tell me the rating of the burnt resistor? On top of that, the 5v standby power regulator was burnt and I couldn't identify the part number. Will upload the pictures once I get home. Anyone's help is much appreciated!!! Thanks..
    More picture
    Attached Files

    Comment

    • tckoo1411
      Member
      • Oct 2009
      • 24

      #3
      Re: Help needed Shuttle power supply

      The PC was shutting down when there's a huge spark, after which the house circuit breaker was tripped.
      Last edited by tckoo1411; 06-05-2015, 03:44 AM.

      Comment

      • tckoo1411
        Member
        • Oct 2009
        • 24

        #4
        Re: Help needed Shuttle power supply

        Any advice? Thanks.

        Comment

        • Quaddro
          Tukang Kentu
          • Nov 2010
          • 141
          • Indonesia

          #5
          Re: Help needed Shuttle power supply

          well, fsp units.
          I don't know, but i do hate this platform..
          for me, it's rather hard to fix, because many components suffer leakage in full load rather than just fail..

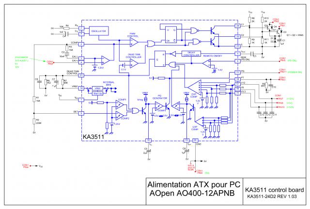
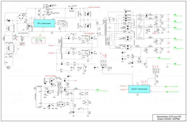
          But, here is the schematic.
          i do hope you'll find the missing component.
          Attached Files
          Last edited by Quaddro; 06-07-2015, 10:55 AM.

          Comment

          • momaka
            master hoarder
            • May 2008
            • 12175
            • Bulgaria

            #6
            Re: Help needed Shuttle power supply

            Can you post top and bottom *overall* shots that show the whole PSU (and maybe point where the bad resistor is)? All I can see is that it is on the primary side (I think), possibly the snubber or current sense for APFC or main PS.

            Comment

            • Gildasd
              New Member
              • Jun 2016
              • 1
              • Belgium

              #7
              Re: Help needed Shuttle power supply

              I have the same supply, but the layout is different...

              One word of caution, the heavy filtering on the primary side can store quite a lot of energy.
              You must discharge where the 220/110V enters the board and then the main 450V cap (that is on a 16.5V rail on mine) with a 10k resistor wrapped in electrical tape.

              Comment

              • stj
                Great Sage 齊天大聖
                • Dec 2009
                • 31214
                • Albion

                #8
                Re: Help needed Shuttle power supply

                "huge spark" sounds like the mov shorted and exploded - i'v personally seen that happen.

                before you do anything else, get a small brush or a vac cleaner or compressed air and clear all that dust & fluff out

                Comment

                • japlytic
                  Badcaps Legend
                  • Oct 2005
                  • 2086
                  • Australia

                  #9
                  Re: Help needed Shuttle power supply

                  The IC which is blown is most likely to be a TNY26x series device (for the +5VSB section - a TNY265 handles 11W output and a TNY266 handles 15W output given this unit has active PFC and is of the open frame type and not an external adaptor) with the pins Drain (D), Source (S), Enable/Undervoltage (EN/UV), and Bypass (BP).
                  Also check capacitance of the 400/450V unit (after carefully discharging) - I've seen a surge damaged power supply which the 400/450V unit had barely any capacitance left in it.
                  My first choice in quality Japanese electrolytics is Nippon Chemi-Con, which has been in business since 1931... the quality of electronics is dependent on the quality of the electrolytics.

                  Comment

                  Related Topics

                  Collapse

                  Working...