Dell Inspiron 14 7437 no power, need schematics

Collapse
X
 
  • Time
  • Show
Clear All
new posts
  • sellit
    Senior Member
    • Jun 2017
    • 105
    • Latvia

    #1

    Dell Inspiron 14 7437 no power, need schematics

    Got Dell Inspiron 14 7437 with no power, didn't find any shorts. Got 19V on input, 9V after power mosfets. No power on 3.3V, 5V, RAM and CPU chokes. No shorts on chokes. Got 3.2V on Power button.
    Need schematics please.
  • mcplslg123
    Badcaps Legend
    • Jun 2015
    • 7262
    • india

    #2
    Re: Dell Inspiron 14 7437 no power, need schematics

    try cmos reset

    Comment

    • BlueMidnight
      Badcaps Veteran
      • Jan 2015
      • 489
      • United States

      #3
      Re: Dell Inspiron 14 7437 no power, need schematics

      Compare the attached schematic to your board to see if it's the right one. The input MOSFETs in the schematic are PU4201 (page 42) and PU4405 (page 44).
      Attached Files

      Comment

      • sellit
        Senior Member
        • Jun 2017
        • 105
        • Latvia

        #4
        Re: Dell Inspiron 14 7437 no power, need schematics

        Thanks BlueMidnight, it's correct schematics.
        After input MOSFETs PU4201 PU4405 got correct voltage 19V.
        But after charger MOSFETs PU4406 and PU4407 got 9V on DCBATOUT, is that voltage correct?
        On 3V/5V controller PU4501 VCC got 9V. No voltage on PL4502 and PL4503.
        Injecting 3V and 5V on PL4502 and PL4503 got laptop startup OK.
        Can it be IC PU4501 fault, or ICs VCC is too low?

        Comment

        • sellit
          Senior Member
          • Jun 2017
          • 105
          • Latvia

          #5
          Re: Dell Inspiron 14 7437 no power, need schematics

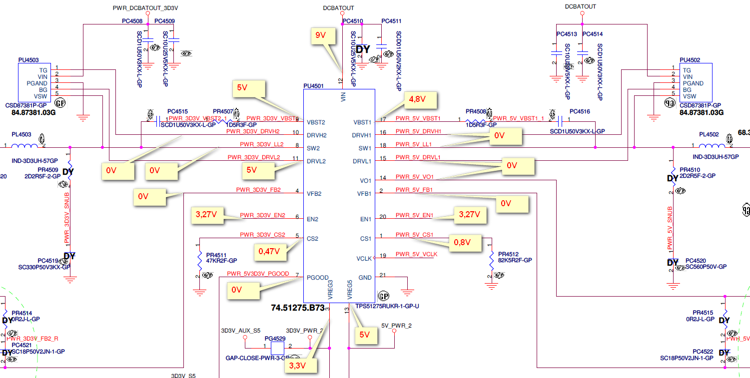
          Attached picture with voltages I get on PU4501.
          Attached Files

          Comment

          • BlueMidnight
            Badcaps Veteran
            • Jan 2015
            • 489
            • United States

            #6
            Re: Dell Inspiron 14 7437 no power, need schematics

            On this board, the BQ24715 (PU4404) doesn't just charge the battery. It also powers the main system rail (DCBATOUT). So the DC jack voltage stops there, and it uses the PU4406/PU4407 MOSFETs to create voltage on DCBATOUT. Anything from 9-20V is fine. And PU4501 can operate on anything from 5-24V.

            The most likely bad components are PU4501 and/or PU4502 and/or PU4503. The first thing I would personally do is test PU4502 and PU4503. They are just 2 MOSFETs in one package and they should be testable just like separate MOSFETs would be.

            I notice that PU4501 has latched PU4503 in the overvoltage protection configuration (with the upper FET turned off but the lower FET turned on with 5V on pin 11 of PU4501). That might mean there's something wrong with PU4503, but could just as easily mean PU4501 is bad, etc.
            Attached Files

            Comment

            • sellit
              Senior Member
              • Jun 2017
              • 105
              • Latvia

              #7
              Re: Dell Inspiron 14 7437 no power, need schematics

              Thanks for help. Purchased PU4501, will give an update after replacement.

              Comment

              • sellit
                Senior Member
                • Jun 2017
                • 105
                • Latvia

                #8
                Re: Dell Inspiron 14 7437 no power, need schematics

                Replaced PU4501, made no difference. Purchased PU4502 and PU4503.

                Comment

                • sellit
                  Senior Member
                  • Jun 2017
                  • 105
                  • Latvia

                  #9
                  Re: Dell Inspiron 14 7437 no power, need schematics

                  Replaced PU4502 and PU4503, no difference. The same voltages. Can I inject on some pins voltage to make it work? Like PGood or DRVL1.

                  Comment

                  • mielta
                    Badcaps Veteran
                    • Apr 2015
                    • 368
                    • Germany

                    #10
                    Re: Dell Inspiron 14 7437 no power, need schematics

                    Hi
                    You must check Pgood Pin7 it must be 3.3v it goes to Side 17 from the schematic
                    Q1701

                    Comment

                    • alig
                      New Member
                      • Mar 2015
                      • 1
                      • England

                      #11
                      Re: Dell Inspiron 14 7437 no power, need schematics

                      Did you fix this

                      Comment

                      • ronelex
                        Senior Member
                        • Oct 2016
                        • 195
                        • Philippines

                        #12
                        Re: Dell Inspiron 14 7437 no power, need schematics

                        try replace the filter capacitor on the 5v and 3v line

                        Comment

                        • rediii
                          h???, spurrrn
                          • Mar 2018
                          • 501
                          • somewhere in europe

                          #13
                          Re: Dell Inspiron 14 7437 no power, need schematics

                          Originally posted by ronelex
                          try replace the filter capacitor on the 5v and 3v line
                          that would have been my suggest, too. it fixed two of these machines already.

                          Comment

                          • AG Electronics
                            Member
                            • Dec 2016
                            • 13
                            • United Kingdom

                            #14
                            Re: Dell Inspiron 14 7437 no power, need schematics

                            I can confirm that if all conditions above met. Replacing capacitors in 3V/5V lines resolves no power on laptop.

                            Comment

                            • hirens
                              Senior Member
                              • May 2022
                              • 186
                              • uganda

                              #15
                              Re: Dell Inspiron 14 7437 no power, need schematics

                              need bios bin file for dell inspiron 14-7437

                              Comment

                              • mon2
                                Badcaps Legend
                                • Dec 2019
                                • 14662
                                • Canada

                                #16
                                Re: Dell Inspiron 14 7437 no power, need schematics

                                @hirens, bios requests are in a different part of this forum. See above. Can you repost your request there?

                                Comment

                                Related Topics

                                Collapse

                                • LimesKey
                                  Dell Inspiron 7506 Silver 2n1 - "HELLCAT 15" - No power
                                  by LimesKey
                                  Hi everyone, I have an Inspiron 7506 laptop I've had for a few years, and it'd occasionally have a problem where after I'd power it off, it wouldn't turn on again unless I disconnected, drained residual voltage by pressing the power button, and reconnected the battery. It now seems to be occurring every single time I shut down the laptop and attempt to turn it back on again. I have done all the common troubleshooting steps, such as completely disconnecting the battery & CMOS battery and draining the voltage and leaving it for an hour, and I've even replaced the battery. This is definitely...
                                  10-17-2025, 05:33 PM
                                • zlr8r
                                  Dell inspiron 17 (7786) - DP/N 09P7JP - odd power issues, starting with no power LED
                                  by zlr8r
                                  hey guys, hoping for some pointers to repair an eBay bought "faulty" laptop.

                                  Ill try and give as much info as I can.

                                  Dell Inspiron 17 (7786) Laptop
                                  Service Tag: 5J0NHT2
                                  Bios: 1.9.0

                                  When I received this , it would only flicker on the KB backlight for a second, then off and on.
                                  Then it started getting weirder!
                                  Sometimes when attaching the AC power supply, and pressing various pre-boot diagnostic keyboard keys... it did try to boot, in fact out of a hundred attempts, the laptop did actually boot into the Bios ! but never has...
                                  12-12-2023, 09:31 PM
                                • Tynan Dill
                                  Vizio e601i-A3 - Has Sound and Display, But No Backlight - Bad Power Supply Board or Bad LED Bulbs ?
                                  by Tynan Dill
                                  I was given this TV from my great uncle. He said it just wouldn't turn on one day out of nowhere, replaced the TV, and gave it to me to possibly fix and use for myself.

                                  Upon bringing it home and plugging it up, it showed a standby light.

                                  I powered it on and without a flashlight, the display showed the "V" but the lighting is very dim, but visible.

                                  The screen seems to blackout and stay black, but with a flashlight I can see the display.

                                  With my Playstation 4 connected via HDMI, and running a game I can hear sound.

                                  Assuming...
                                  11-22-2024, 01:46 PM
                                • Tomylee
                                  Dell Inspiron 15 3511 – Won’t power on after plugging in, one chip gets extremely hot
                                  by Tomylee
                                  Hi everyone,

                                  I have a Dell Inspiron 15 3511 that stopped turning on after my friend plugged in the power adapter.
                                  Here’s what I’ve checked so far:

                                  No reaction when pressing the power button (no LEDs, no fan).

                                  The power adapter works fine (tested).

                                  One chip gets extremely hot as soon as I plug in the charger.

                                  The capacitors around that area are not shorted.


                                  I’m attaching photos of the board to show the issue.
                                  Based on this, what kind of fault or defective component could be related to this overheating?...
                                  10-19-2025, 12:24 PM
                                • madura2010
                                  Dell inspiron 3168 (15299-2) no power
                                  by madura2010
                                  Dell inspiron 3168 (Board no=15299-2) no power with battery and charger.No charging.

                                  But after removing battery, worked perfectly.

                                  next day again no power.Then check 19v section.section ok.mosfet driving perfectly.

                                  But 3v LDO was not generated.Then i checked the enable signal of the ic.It is perfect according to datasheet.Then i checked the impedence.It is perfect(444).So i replaced the 3v ic.Then worked.

                                  Again next day, same issue.then i decided to disconnect the ldo line by cutting the path.After that LDO generated well.Then again connecting...
                                  01-28-2024, 09:10 PM
                                • Loading...
                                • No more items.
                                Working...