Asus f15 Fa506 no screen BQ24780s

Collapse
X
 
  • Time
  • Show
Clear All
new posts
  • greg1985
    Member
    • Oct 2023
    • 18
    • Polska

    #1

    Asus f15 Fa506 no screen BQ24780s

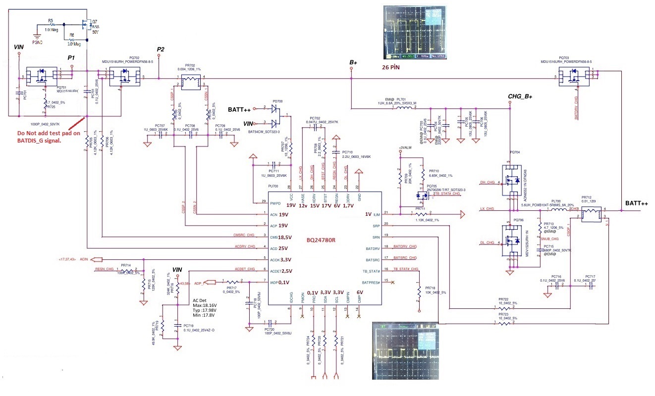
    Hi to All. Problem with laptop is no screen after power up. I have changes bios software many times and there is new bios chip also. Laptop still coming on with no picture.
    Every power line is present.
    I have noticed that in off Mode laptop take 7mA and then 10 to 16mA and coming back. Was interesting what is taking this current. Bq24780 is flickering. I check there is 2.6v, 6v, 18v present. Baterry is charging. What could be problem then? When i remove bios chip laptop takes 7mA only. Could be bios issue still or next step is kbc?
  • greg1985
    Member
    • Oct 2023
    • 18
    • Polska

    #2
    This is third BQ ic tested and still the same

    Comment

    • mon2
      Badcaps Legend
      • Dec 2019
      • 14996
      • Canada

      #3
      Bq24780 is flickering.
      Can you clarify this comment? Which exact battery charger IC was onboard the original logic board?

      Comment

      • greg1985
        Member
        • Oct 2023
        • 18
        • Polska

        #4
        When laptop is connect to power, under thermal camera bq ic get hot, pulsuating. power supply shows 7 to 16mA. Also I've noticed strange voltage on BATFET gate - from 6.5 to 8volts and changing. There should be voltage from BQ ic connected by 4kohm resistor. But i dont know why this gate voltage changing.

        Comment

        • greg1985
          Member
          • Oct 2023
          • 18
          • Polska

          #5
          Orginal is Bq24780s.

          Comment

          • mon2
            Badcaps Legend
            • Dec 2019
            • 14996
            • Canada

            #6
            Part should not be heating up.

            1) Soldered in properly? Pin #1 to pin #1 on PCB? No solder shorts?
            2) Some offending interconnect is causing this fault. Flux and remove the batfet to test if the issue is resolved. Perhaps leaking?

            Comment

            • greg1985
              Member
              • Oct 2023
              • 18
              • Polska

              #7
              Thank You for response. Yes i will do that. My next idea is also to take another laptop (diffrent company) but with the same BQ ic and check pin voltages also.

              Comment

              • mcplslg123
                Badcaps Legend
                • Jun 2015
                • 7262
                • india

                #8
                If battery is charging fine,BQ24780S is unlikely to be faulty.

                Check powergood signals one by one.

                Mention the voltages on all coils after powering on.

                All_SYS_PWR_Good is present?

                Comment

                • greg1985
                  Member
                  • Oct 2023
                  • 18
                  • Polska

                  #9
                  Thank You for reply. Update is: oscillating voltages on bq ic could be normal. Found on other forum voltages but not sure for 100%.

                  Comment

                  • Sametbey
                    Badcaps Veteran
                    • Jan 2021
                    • 229
                    • Turkey

                    #10
                    It was taken from a working device, it may help.
                    Attached Files

                    if you find these attachements useful please consider making a small donation to the site

                    I'm not happy to be so strong. because it's not humanly

                    Comment

                    • greg1985
                      Member
                      • Oct 2023
                      • 18
                      • Polska

                      #11
                      Thank You.

                      Comment

                      • greg1985
                        Member
                        • Oct 2023
                        • 18
                        • Polska

                        #12
                        Update. Found missing resistor line 1.8v_gpu_aon.
                        Closed. Thanks for help.

                        Comment

                        Related Topics

                        Collapse

                        • Ryan.man
                          Macbook 2017 with touchbar (A1706) won't turn on after removing the screen
                          by Ryan.man
                          Hello everybody! Posting this in hopes somebody has some expertise that leads to a clear path of troubleshooting that saves me a lot of time!

                          My macbook has the flex cable problem, the one that prevents the screen turning on. Ive been dealing with this for the last 3 years. Last year it went dead and I managed to fix it following youtube tutorials. But my fix wasnt the best, the problem returned a month later. This week, it went dead again. I again tried to fix it.

                          This time the original cable broke too close to the screen, it can't be fixed without tearing the screen...
                          02-04-2025, 12:23 PM
                        • FallenOne008
                          Asus G712L No Screen Backlight
                          by FallenOne008
                          Hi everyone, hope all is well. I have run into a problem where my backlight screen is no longer working.

                          The original screen was beginning to show signs of faultiness. I believe it was part of the inverter board that was going bad. The backlight for the screen was still functional at this point. Well one night as I was tinkering with the laptop, my idiot self forgot to disconnect the battery from the motherboard. I attempted to reconnect the EDP cable onto the motherboard, and as you might guess, I saw a nice spark from the cable and the port. Don't worry, I'm still kicking myself...
                          03-31-2025, 08:27 PM
                        • kara
                          Asus GX501v keyboard not working - keyboard firmware - solved!
                          by kara
                          Hello, i had a problem with this laptop keyboard. not working even after replacing with new original palmrest.

                          Solution after hours of researching is using a small software found on asus forum !

                          https://rog-forum.asus.com/t5/rog-ga.../701169/page/6

                          Thank you Bogdan Ciulei
                          Finally some good news :
                          I have managed to fix the problem.
                          First,
                          I am not responsible for any damage you might do to your hardware !
                          YOU DO THIS AT YOUR OWN RISK ! I ONLY PROVIDE POINTERS , DO
                          ...
                          12-09-2025, 02:27 AM
                        • reformatt
                          Macbook Air M2 A2681 Kernel panics after screen replacement
                          by reformatt
                          Just had a customer bring in a M2 MBA A2681 that had had a screen replacement in April at another repairer. Since then, she has been getting intermittent kernel panics. It's an aftermarket screen, and of course it fails in diagnostics as the calibration hasn't been done. The error in the panic log is "No device added after powering on the rails".

                          It seems the original repairer has swapped the board and the screen to other MAC's, and said that it isn't a screen issue. From what I understand, by doing a quick search on Google, this is in fact a screen issue. The panic relates...
                          07-31-2025, 08:37 PM
                        • krige
                          asus g750js ms1130c (203) turns on nothing on the screen
                          by krige
                          hi all i was wondering if you could help me troubleshoot this laptop. i bought the motherboard off eBay. it is used. i fitted the motherboard into the housing of the gaming casing and turned it on. nothing shows up on the screen. i checked the connectors and no missing connectors. i also removed the graphics card and nothing on the screen. i even reflashed the bios but still nothing on the screen. can it be a corrupt bios? i even used the HDMI port but it also shows nothing on screen. could this be broken screen or a dead ec chip?...
                          03-22-2024, 04:59 AM
                        • Loading...
                        • No more items.
                        Working...