Acer Nitro5 (N20C2) doesn't charghe battery

Collapse
X
 
  • Time
  • Show
Clear All
new posts
  • shybear
    Senior Member
    • Jan 2010
    • 114

    #1

    Acer Nitro5 (N20C2) doesn't charghe battery

    hi,
    I don't figure out why this laptop doesn't charge battery. At first I thought it was the original battery that showed charged at 100% didnt' work at all. So I bought a new battery that is recognized from operating system and shows its charging. orange charge LED is on but keep it under charge dosen't charge! So I downloaded board schematic (Compal LA-L191P rev. 1C) and find out that D-S of PQ 201 give 1.7 ohm no matter if battery is connected or not but gate result insulated from drain and source. So i moved away mosfet and on board short disappear but testing mosfet looks working. Anyway I had here an other Compal board with same component and I replaced it with any success. Power adapter is orginal and using a lab power supply from laptop in shut down orange charge LED is on but current rise just to 0,03 A.
    Between + and GND there is just 1,5V and on pin 7-8 and GND just 3,2V. I'm sure that the new battery works properly because I tested it on an other same laptop. I attach the picture of schematic Really thanks in advance for some support.
    Attached Files

    if you find these attachements useful please consider making a small donation to the site

  • mon2
    Badcaps Legend
    • Dec 2019
    • 15297
    • Canada

    #2
    Attach the power adapter. Meter in DC volts mode (30v or higher is ok).

    Measure the voltage to ground on each pin on DCin mosfet PQB11.

    Interested in the voltage on

    1-2-3 (source);
    4 (gate)
    5-6-7-8 (drain)


    PUB1 (charger IC):

    pin 28 (Vcc)
    pin 24 (REGN)
    pin 6 (ACDET


    Comment

    • shybear
      Senior Member
      • Jan 2010
      • 114

      #3
      Thanks mon2 for reply.
      Laptop isnt' mine and the owner didn't sat me anything but on the internal side of back cover I noticed some trace of possibile liquid and there some little trace of liquid (maybe coffee or coke) on the right side of ram socket . (ref. Nitro5.jpg)
      I still didnt' dismount mainboard thing that I finished to make right now.
      There were also a great trace of oxide and PUB1 was really in bad condiction. (ref. PUB1.jpg)

      I cleaned carefully all and lucky pcb stil looks in good shpe and also PUB1 looks like (ref.PUB1_OK.jpg) ok and doesn't over heat if I power board.
      Cleaned it solved the weird short between drain and source of PQ 201.

      As asked here's valuse you asked me for:

      PQB11 (near DC power socket):

      1-2-3 (source): 19,7 V
      4 (gate): 25,5 V
      5-6-7-8 (drain): 19.7 V


      PUB1 (charger IC):

      pin 28 (Vcc): 19,37 V
      pin 24 (REGN): 6,0 V
      pin 6 (ACDET): 2,6 V


      Battery isn't still charching but as before is recognizd from Windows and looks like its charching, also orange LED is still on.
      Waiting for your opinion about voltage values.

      Thanks
      ​
      Attached Files

      if you find these attachements useful please consider making a small donation to the site

      Comment

      • mon2
        Badcaps Legend
        • Dec 2019
        • 15297
        • Canada

        #4
        The charger IC looks really bad but the cleaned up is improved. Be sure every part is clean of any corrosion. Use the TI datasheet to locate the battery charge mosfets. Then remove all power -> measure the resistance of each mosfet linked to the battery. It is possible that you have a leaky high side mosfet that is used to dial up the charge voltage for the battery unit.

        The posted voltages (above) all look correct.

        Comment

        • mcplslg123
          Badcaps Legend
          • Jun 2015
          • 7262
          • india

          #5
          Dont use such cheap quality flux. Use atleast a flux like AMTECH

          Comment

          • shybear
            Senior Member
            • Jan 2010
            • 114

            #6
            I think the PUB1 works properly. Also mosfet PQB1 - PQB2 and PQB13 looks good - no shorts. I've a doubt that something doesn't works as expected because +17.4V_BATT_CHG is just 4,9V even if on pin 5-6-7-8 of PQB13 there are correctly 19V

            Comment

            • mon2
              Badcaps Legend
              • Dec 2019
              • 15297
              • Canada

              #7
              Carefully, measure the voltage to ground on each pin on this charger IC.

              Also suggest to remove all power -> no battery -> meter in resistance mode -> measure the resistance between the battery charge current leg on the charger IC. Measure directly on the charger IC. The full path resistance must be very close to the resistance in the schematic. What is the resistance in ohms of this path?

              The battery is still a suspect unless you are testing this exact battery on the same logic board in another box.

              Comment

              • shybear
                Senior Member
                • Jan 2010
                • 114

                #8
                Originally posted by mon2
                Carefully, measure the voltage to ground on each pin on this charger IC.

                Also suggest to remove all power -> no battery -> meter in resistance mode -> measure the resistance between the battery charge current leg on the charger IC. Measure directly on the charger IC. The full path resistance must be very close to the resistance in the schematic. What is the resistance in ohms of this path?

                The battery is still a suspect unless you are testing this exact battery on the same logic board in another box.
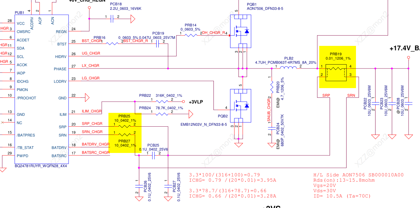
                If I understand well if I measure restitance between PIN 27 (PHASE LX_CHRG) and +17.4V_BATT (i.e. pin1 of PCB28) I get 30 ohm.

                Comment

                • mon2
                  Badcaps Legend
                  • Dec 2019
                  • 15297
                  • Canada

                  #9
                  No. Remove all power. Meter in resistance mode. One meter probe on pin # 19 of PUB1. Other meter probe on pin # 20 of PUB1. What is the resistance in ohms?

                  We are checking the full path resistance of the current sense loop circuit used by the battery.


                  Click image for larger version

Name:	current_loop.png
Views:	185
Size:	176.1 KB
ID:	3522889

                  Comment

                  • mcplslg123
                    Badcaps Legend
                    • Jun 2015
                    • 7262
                    • india

                    #10
                    PQ201 working properly? What is the voltage on battery connector pins
                    01.Only adapter
                    02.Adapter+battery

                    Comment

                    • shybear
                      Senior Member
                      • Jan 2010
                      • 114

                      #11
                      Originally posted by mon2
                      No. Remove all power. Meter in resistance mode. One meter probe on pin # 19 of PUB1. Other meter probe on pin # 20 of PUB1. What is the resistance in ohms?

                      We are checking the full path resistance of the current sense loop circuit used by the battery.


                      Click image for larger version

Name:	current_loop.png
Views:	185
Size:	176.1 KB
ID:	3522889
                      ah ok. I didn't understand exactly your first message so I detailed exactly where I made measurment. In the meanwhile following your suggestions I wanted to check better battery so I charghed it directily connecting to power supply. When I put on laptop again and started operating system battery LED was still orange but at the end of operating system turned to blue and battery level showd 100%. So I disconnevted power adapter and laptop didnt' shut off but battery level went down to 99% so I plugged again power adapter and battery LED went orange for like 1 minute and next turned blue again and battery went to 100%. I supposed that all worked fine! Next I wanted to make a double check leaving battery discharge at 91% and next I plugged again power adapter but even if system says battery charge level doesn't rise up staying at 91%.

                      Going to resistance values of PUB1 you asked me for are:

                      pin #19 - GND arounf 9 MB (rising to infinite)

                      pin #20 - GND 65K

                      Comment

                      • shybear
                        Senior Member
                        • Jan 2010
                        • 114

                        #12
                        Originally posted by mcplslg123
                        PQ201 working properly? What is the voltage on battery connector pins
                        01.Only adapter
                        02.Adapter+battery
                        Testing PQ 201 works fine.

                        On battery connector PJP201:

                        without connecting battery: 4,98 V

                        with (charghed) battery 16,1 V

                        Comment

                        • mon2
                          Badcaps Legend
                          • Dec 2019
                          • 15297
                          • Canada

                          #13
                          We still need to confirm the path resistance between pins # 19 & # 20 on the charger IC.

                          From post #9 - Remove all power. Meter in resistance mode. One meter probe on pin # 19 of PUB1. Other meter probe on pin # 20 of PUB1. What is the resistance in ohms?

                          We are checking the full path resistance of the current sense loop circuit used by the battery.​

                          Comment

                          • mcplslg123
                            Badcaps Legend
                            • Jun 2015
                            • 7262
                            • india

                            #14
                            You need to post voltage on all pins of battery connector and not the positive pinonly as asked in post#10

                            Comment

                            • shybear
                              Senior Member
                              • Jan 2010
                              • 114

                              #15
                              Originally posted by mon2
                              We still need to confirm the path resistance between pins # 19 & # 20 on the charger IC.

                              From post #9 - Remove all power. Meter in resistance mode. One meter probe on pin # 19 of PUB1. Other meter probe on pin # 20 of PUB1. What is the resistance in ohms?

                              We are checking the full path resistance of the current sense loop circuit used by the battery.​
                              Ouch forgive me! I was reading your message too quick.

                              On PUB1:

                              pin #19 - pin #20 resistance (with no power) is: 20 ohm

                              Comment

                              • shybear
                                Senior Member
                                • Jan 2010
                                • 114

                                #16
                                Originally posted by mcplslg123
                                You need to post voltage on all pins of battery connector and not the positive pinonly as asked in post#10
                                PJP201 battery connector voltage:

                                pin# ______no bat__ charghed bat (orange led ON)

                                1 - 2_____ GND____ GND

                                3________ 3,2 V____ 3,2 V

                                4 ________3,2 V____ 3,2 V

                                5________ 3.1 V______ 153 mV

                                6__________ 0 V_____ 0 V

                                7 - 8______ 4,9 V___ 16,2 V


                                Comment

                                • mon2
                                  Badcaps Legend
                                  • Dec 2019
                                  • 15297
                                  • Canada

                                  #17
                                  The current sense path for the battery leg is fine.

                                  Remove all power. Meter in diode mode. Test the dual diode @ PDB1. The diode should conduct in one direction (red on anode; black on common cathode) but should block in reverse. Test both diodes.

                                  Comment

                                  • shybear
                                    Senior Member
                                    • Jan 2010
                                    • 114

                                    #18
                                    Originally posted by mon2
                                    The current sense path for the battery leg is fine.

                                    Remove all power. Meter in diode mode. Test the dual diode @ PDB1. The diode should conduct in one direction (red on anode; black on common cathode) but should block in reverse. Test both diodes.
                                    Put black on PIN 1 and positive on PIN 2 or PIN 3 give 0,605V on reverse blocked

                                    Comment

                                    • mon2
                                      Badcaps Legend
                                      • Dec 2019
                                      • 15297
                                      • Canada

                                      #19
                                      Conducts in both directions? Flux and remove this part. Test again while it is off the board. Careful to not lose this tiny part. Been there.

                                      Comment

                                      • shybear
                                        Senior Member
                                        • Jan 2010
                                        • 114

                                        #20
                                        Originally posted by mon2
                                        Conducts in both directions? Flux and remove this part. Test again while it is off the board. Careful to not lose this tiny part. Been there.
                                        Yep before to remove I tested again. Now I removed PQB1 and it just give 0,6V if I put - on PIN1 and + on PIN3. Right now I put back this component and works fine., but battery still doesntì charge.

                                        Comment

                                        Related Topics

                                        Collapse

                                        • techfreak9356
                                          Vostro 3400 (LA-K033P) won't charge battery, everything else ok
                                          by techfreak9356
                                          I bought a Vostro 3400 motherboard (LA-K033P) to upgrade over my damaged Inspiron 5593 (LA-J091P) board. Everything else is ok except for the battery. This battery I am using now is already a replacement one since I disposed of the bloated original one. Back in the Inspiron 5593 motherboard, the battery charges fine and is identified just fine. However, with the upgraded motherboard, suddenly the replacement battery is labeled as "Not a dell battery". When I borrow a similar battery from my colleague (which did not have replacements yet), it is identified and charges just fine.
                                          ...
                                          09-14-2023, 11:10 PM
                                        • razenxd
                                          How can I charge that battery pack?
                                          by razenxd
                                          Hello,
                                          it's not a laptop/desktop related question but I figured that someone here will have the right knowledge.
                                          At work we use a few Aldebaran(now Softbank/United Robotics group) Nao Robots which they use some custom 6S li-on battery packs.
                                          Nao robots tends to draw from the battery even if they are shut down, and the BMS tends to be a little aggresive, if the pack stays on a turned off robot for 3 months it's gonna lock and will refuse to charge.

                                          Now, I have noticed a few things.
                                          The "dead" battery, while connected to charger and NOT Charging will...
                                          12-05-2024, 06:11 AM
                                        • ruletero
                                          Acer a515-43 low battery charge voltage
                                          by ruletero
                                          Hi

                                          Acer A515-43
                                          LA-H801P

                                          Fail: Does not charge battery, has low voltaje on connector.

                                          Laptop didn't want to turn on, only charge led blinked.

                                          I found PQB5 (mosfet high battery charger) in short, voltaje in +12.6V_BATT was 19 v ...

                                          I changed it, changed PQB6 too and now battery charger voltage is 4.4V but battery is 3 cell, 11.25v, then is very low to charging.

                                          Laptop turns on without battery and works fine, but with battery turns on and turns off inmediately, I suspect battery bad but I don't know...
                                          10-24-2022, 02:31 PM
                                        • Klevjetack
                                          Charge a L19D3PDA battery externally from the laptop
                                          by Klevjetack
                                          Is there a way to externally charge a L19D3PDA battery from the laptop. I have a broken charging port on my laptop and am trying to find a way to charge the battery for it. I have been doing some research and I have found that there is a module, TP4056, that can be used to charge Li-ion batteries. It says it is used to charge single cell Li-ion batteries. The L19D3PDA battery is a three cell battery. Is it possible to use the module to charge my battery and it would just be very slow? Or would that be a bad idea. Is there a different kind of module I can use to charge my Li-ion three cell battery?...
                                          03-05-2024, 07:26 AM
                                        • bizio98
                                          Galaxy Book replaced battery won't charge
                                          by bizio98
                                          The battery of my Samsung Galaxy Book NP750XDA-KDEIT doesn't hold a charge anymore so I wanted to replace it.

                                          Initially I ordered the first compatible battery I could find on Amazon, and I purchased one with model AA-PBSN4AF. When I installed it, the battery wouldn't charge, and later I found out on this website that this particular model was not compatible.

                                          So, I then purchased the correct model, AA-PBSN4AT on AliExpress (I couldn't find it available anywhere else that ships to Italy) and I can see on the back that the text is exactly the same as the original one, except...
                                          12-08-2025, 02:43 AM
                                        • Loading...
                                        • No more items.
                                        Working...