LG 27GL63T-B completely dead
Collapse
X
-
Hi all. I want to share my success story. I got a monitor with the same symptoms - totally dead. I ordered new parts for IC401 and IC402. When I tried to replace IC401, it was stuck on the board. Even 450 temperature did not help to remove it. So I used a polisher machine to remove it (be careful, you can easily break the board). Next, I soldered new parts. After I'd done, I checked the voltage and got 1,8v but no 1,2v. I opened the datasheet for IC401, and 1,2v should be on 3rd pin. I double-checked the microscope and discovered that the leg did not connect to the board. I soldered twice leg three unde microscopes and check. My monitor turned on!!! Thank you all who shared their story, and good luck!
Comment
-
Are you sure you're getting 5v on pin 6 (SW1), did you doublecheck the input at the coil L408? That is way to high! Should only be 1.8V. I your reading is correct you're sending 5v into the CPU DRAM/IO...Hello,
I have the same error, the monitor has just "died".
Symtomp: The monitor has stop working suddently, it does not show any light neither work any button, completely dead.
The power supply works fine.
Inspecting the PCB board with a thermal camera the IC401 shows a higher temperature than the rest of the board.
My readings for the IC401 are:Does those readings OK, or should i look for another component?Pin 1 Pin 2 Pin 3 Pin 4 Pin 5 Pin 6 Pin 7 Pin 8 0,7V 3,3V 1,2V 3,3V Ground 0V 5V 5V 1,6V
Edit -> The IC400 just burned, i will replace that, does anyone know the part number?
Thank you!
Comment
-
I guess we're in the same boat now. I injected 1.8v and it was only pulling a few mA. In a last attempt I reflowed 401 and now i have 1.8v back. So currently all voltages seem correct, as yours. Still no life. Firmware maybe? I did not replace or check the crystal yet.Pandor Resoldered AKX with stereomicroscope and now it measuresSo that seems good. Also replaced the crystal oscillator with a new 12.000 Hz one.PIN 1 2 3 4 5 6 7 8 Reference FB2 EN2 SW2 EN1 GND SW1 IN FB1 Voltage 0.6 3.3 1.17 3.3 0 1.8 5 0.6
AQT changed slightly toAGC is nowPIN 1 2 3 4 5 6 7 8 Reference AAM IN SW GND BST EN VCC FB Voltage 0.3 19 3.3 0 8.3 2.5 5.0 0.8 PIN 1 2 3 4 5 6 7 8 Reference AAM IN SW GND BST EN VCC FB Voltage 0 18 0 0 ~0 ~0 ~0 ~0 Comment
-
So the next thing on the flowchart is the flash memory. I have the ICs:The IC202 is called the flash memory, however the EEPROM seems like flash memory to me, too. If I remember correctly, I have a flash memory programmer/reader laying around somewhere. So I should be able to check whether those still work...or maybe rig up an Arduino to read them....IC201 FT24C32A 9eHBAC Two-Wire Serial EEPROM IC202 BE1941 25080CSIG (Tags rechecked with microscope.) 3.3V Uniform Sector
Dual and Quad Serial FlashIC500 98TG4 CISZ TPA6138 40-mW, stereo, analog input headphone amplifier with
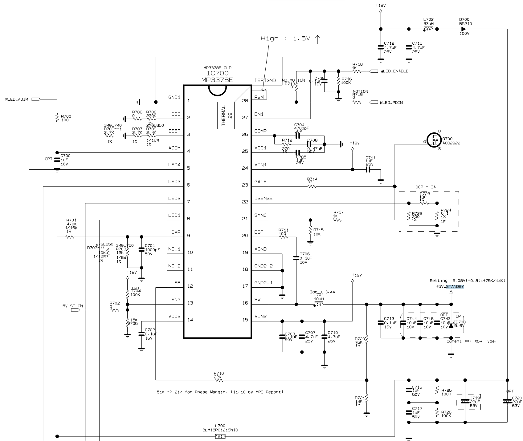
adjustable gainIC600 MPS1928 MP3378R K4871538X 24V, 4-Channel WLED Controller Plus High-Efficiency Buck Converter
As the LED's are out, it could also be the IC600. I remember that it used to get really hot. Which it doesn't do anymore, so either that's been helped with the replacement of the AKX and AGC buck converters or it's died on me, too.
Pandor Did you replace the AGC buck converter(, IC402 on my board&image from a few posts back)? I did a crappy job at it without the microscope, so I am wondering whether I shouldn't replace that one again.
I could give it 2.5V on EN and see what SW does. If it changes to 5V, I should expect it to work.
How could we check IC600, though?
All three IC's are not that expensive, though. Just hard to see which parts offered on AliExpress are actually the same and which aren't.
Looking at CapLeaker's post #4, we could also try the 4-pin header (P200) and see whether we can get a TTL-connection going. Google doesn't really help for now for a working approach. Up till now I only used 3-pins for a serial connection and this page suggests there could even be 5 pins. Well, I begin with looking at the voltages, so that I at least don't damage my interface-board.Comment
-
Testing MP2315 a.k.a. IC402.
I have 18V on pin 2 (IN).
I used a USB buck converter (See image) set to 2.0V and connected the negative to GRD (The metal of one of the connectors, JK102) and the postive to pin 6 (EN/SYNC).
I get 12.0V on pin 3 (SW).
So this one works. Pandor Do you get these test results, too?
Currently all three buck converters work as expected.
Next step is apparently flash memory.....Comment
-
I used a CH341A Mini Pro programmer and read the EEPROM IC201 (24C32A, 4KB) and the SPI Flash IC202 (GD25Q80C, 8MB). The data didn't appear totally random. (See attached IC201READ4KB_24C32 and IC202READ1MB_GD25Q80.rar.)
Comparison of the result of GS25Q80C reading 1MB with the binary file uploaded a few posts back shows differences but also a lot of identical data. So it rather looks like different firmwares/settings than a corrupted IC202.
No idea what the data on the EEPROM is meant to be.
Could anyone post a dump of their IC201 EEPROM for comparison?
Comment
-
i have not tested IC402, as that is only for the screen power, and i'm not even getting standby. But i could test it.....
Testing MP2315 a.k.a. IC402.
I have 18V on pin 2 (IN).
I used a USB buck converter (See image) set to 2.0V and connected the negative to GRD (The metal of one of the connectors, JK102) and the postive to pin 6 (EN/SYNC).
I get 12.0V on pin 3 (SW).
So this one works. Pandor Do you get these test results, too?
Currently all three buck converters work as expected.
Next step is apparently flash memory.....
i suspect it'll function as it should. I was more focussing on atleast getting the standby led to turn on, and have the board in a standby state. I just tried reading both the eeprom and flash in place with a clip, and for IC201 i get something, but for the IC 202 flash, i get FF. I guess i'll have to desolder.
Comment
-
I think there are to much devices on the 3.3 line, and my programmer can't handle that. I have a hot air station, so desoldering is not that big of a deal. Judging from other LG monitor model malfunctions and some research, it could be possible that the eeprom actually contains a bootloader/management for the cpu, so that could possibly be the culprit. But i'm speculating..Comment
-
-
its funny how we now have 3 'completely' different dumps of the firmware. The EEPROM content is also completely different.
But upon some investigation, and trying to understand how the CPU/Scalar works, I believe the EEPROM only contains the user settings for the screen (source: HP Compaq LA2205wg 22-inch Widescreen LCD Monitor)
I tried searching for the latest firmware, using these techniques: RFC 3514: How Smart Is My Monitor? (Part 1) (davidmanouchehri.com), Discovering a Revoked LG Monitor Firmware Update | by David Zech | Medium, [Monitor Firmware] LG DualUp/MST9U Firmware Hacking - Blur Busters Forums This do no longer work with the latest Win_OSC_8.26. though.. no visible strings in the exe. I'm not sure if the 27GL63T-B ever got any updates (the firmware in the GD25Q80C does mention the gl650f product name, so same firmware, just the secondary HDMI port and components not soldered?)
I can't find any version number related string in my or the posted firmware files in this thread, so there's also that... MStar seems to be verry secretive about their scalar chips, so that also doesn't help...
We're really going down a rabbit hole here.. Why, if all power stages are fine, would it not enter its standby state...
One thing is certain, i'll never buy any LG products ever... my bedroom LG 4K tv's also acting up... LG's now just creating disposable products it seems.Comment
-
Pandor Well, the IC600 is a buck converter and LED driver, so if that one is broken, we would also be seeing no response. But it does seem that we narrowed it down to IC600 and CPU.
If we could connect to header P200 with TTL we could see whether the CPU is responding.
Still have to reread the datasheet for the voltages and pins on the IC600 to see how I can test it. That one is cheap, though.Comment
-
markismus you're correct about the IC600 function, but it is creating the +5V_STANDBY (pin16, going to L601), so in my humble opinion, that would/should be enough for just standby. No leds should be driven when the screen is off/standby, so I'm not convinced. iI doesn't seem to have any other purpose. Just as IC402's 12v is only needed if the panel is powered on (driven by the "PANEL_ON" pin from the CPU). What is interesting, is that i have 3.3v on the joystick/led connector, and normally the CPU also drives the standby led through its "CONTROL_LED" pin (Q204 near the connector), yet, no standby led... so a CPU problem?
I tink i'll desolder the serial connector, hook up some wires, and see if I get anything on the 3.3v TTL UART output. Or I'll just flame torch this board..
Sidenote: hooking up a USB to serial always confuses me... What does the silkscreen on the adapter actually mean? "This is my RX" or "the other device's RX goes here"???
Comment
-
Hi,
I find the service manual for the 24GL600 quite helpful. The naming is not 100% correct but the voltages seem to match.
I swapped the IC401 and the 12 MHz quartz and getting the right voltages on that coils, but I get no high signal on the pin 2 of the LED driver IC.
Do you think it is possible to check the IC200 and reflash it?
Or is it alternatively possible to get a hole new board that just works with that panel?Attached FilesComment
-
The 27gl850 service manual posted on the first page is virtually identical, minus the USB and buzzer stuff. most of the schematic matches the 27GL650 board we have. I've been using it as a reference.Pandor How did you know how to wire it up? Couldn't find anything in the 29gl850 service manual. A logic analyzer is new to me. Nice! But at least I would understand how you got the pinout.
Here's the UART part:Comment
-
Приветствую.скажите с кой модели может подойти плата .точно подойдет LG 27GN750 .может еще есть
Greetings. Tell me is there any other model that has the same board? The LG 27GN750 will definitely fit. Maybe there's more?Comment
Related Topics
Collapse
-
by max-powerHi, I disassemble my laptop to replace the speakers, to access them, you have to remove everything including the heat sink and fan, unscrew the motherboard, lift it up a bit to access the speaker wire.
that was not the first time I dissasemble it, i did replace the same speaker a few year ago and I repaste it last year, so I had nothing to worry about. but when I put everything back together, its completely dead.
After a bit of investigating, i found one pin of the status led ribbon cable that was unglued from the cable and bend touching another pin, I bend it back at his place... -
by wangbreezeHello Gurus,
I got a ThinkPad T480s. It was running fine but suddenly started random shut down. When it turned off, I had to push the reset pin to bring it back to life. But it got aggressively worse and became completely dead. No charging light, no life.
I did some initial diagnostics with just the board (no battery, nothing attached, and no CMOS battery as well)
Initial testing of the coil resistance seems to indicate no dead short. The only low resistance I measured was at PL701. It reads 38 ohms.
charger gave - 20V - ok
U101B
... -
by pavskiTrying to troubleshoot MSI z490 tomahawk board and would appreciate your help. The board is completely dead and shows no activity when the power button is pressed.
I have tried to look at the Superio, the PSIN signal seems to be correct (goes from 3.3V to 0 on button press) but the voltage on PSOUT pin is quite low. I
t is only 0.8V which seems to be incorrect but goes to 0 when the button is pressed.
Can you please let me know if this is indeed incorrect and what else should I look at next?
Thanks! -
by AndreasbestHello.
I received a T14s Gen1 ( NM-C891 motherboard ) that is completely dead, no indication of life at all.
I tried hard reset without RTC battery and short both pins of it for 1 minute but no luck.
Since it's type C connector i have no idea what to measure or where to inject voltage, so any advice are welcomed
Thank you in advance!
Schematic & boardview -> https://www.badcaps.net/forum/troubl...cfc-nm-c891-sc... -
by arminiHi everyone!
Three years ago I got a ZD-915 desoldering station which failed just after a few months of light use. During a short desoldering session, the station simply shut down, and since then it has been completely dead and unresponsive. The failure was silent, without any pops.
Due to a lack of time, I set it aside and didn't look at it.
Yesterday, I took it apart and did some basic measurements. The 18v terminal shows 0v. In addition, there is no visible damage to the board itself.
According to replies in 18VDC PSU has dropped to... - Loading...
- No more items.
Comment