HP ZR2740w almost dead

Collapse
X
 
  • Time
  • Show
Clear All
new posts
  • Teeva
    Member
    • Oct 2014
    • 14
    • usa

    #61
    Re: HP ZR2740w almost dead

    Originally posted by gto47
    I just experienced this problem for the first time with my open box 2740w which I just bought. I'm still in the warranty period after only 1 week. My display has a 2013 mfg date i this is helpful.

    Based on your post i shook the display side to side on the stand and sure enough it came right on. What is your level of confidence that this is the issue?
    If your monitor is still under warranty, then you should contact the HP tech support, I guess.

    When I bought my 2740w of ebay, the seller said it would not turn on. So, when I received it I took it apart and tried to do the troubleshoot on the power supply board and I couldn't find anything wrong with it. Then I put it back together and looked under the board I saw the power board would touch the LCD metal when I shook or lightly tapped the metal bracket that hold power supply board. So I insulated the board and my monitor's been working fine since.
    Last edited by Teeva; 01-09-2015, 05:05 AM.

    Comment

    • Teeva
      Member
      • Oct 2014
      • 14
      • usa

      #62
      Re: HP ZR2740w almost dead

      Originally posted by Teeva
      If your monitor is still under warranty, then you should contact the HP tech support, I guess.

      When I bought my 2740w of ebay, the seller said it would not turn on. So, when I received it I took it apart and tried to do the troubleshoot on the power supply board and I couldn't find anything wrong with it. Then I put it back together and looked under the board I saw the power board would touch the LCD metal when I shook or lightly tapped the metal bracket that hold power supply board. So I insulated the board and my monitor's been working fine since.
      The link below is the instruction how to take the display apart.

      Comment

      • Hot_Dog
        New Member
        • Feb 2015
        • 4
        • Czech Republic

        #63
        Re: HP ZR2740w almost dead

        Hi. Are there any results out of this? I have ZR2740w with same behavior, it flash for a short time after power on and then goes black. Weird think is that i try to run in dissasembled to see, if there isn´t problem with short circuit between PSU and metal cover describbed by Teeva and it actually worked, but only once. after that, i unplugged cables, pluged again, and doesn´t work any more, only flash after power on again. I also try to measure voltages v01 - v06 after power on with these results:

        v01 after flash 30V and goes down
        v02 after flash 30V and goes down
        v03 after flash 30V and goes down
        v04 after flash 55-50V and goes down
        v05 after flash 55-50V and goes down
        v06 after flash 55-50V and goes down

        I also try to measure voltages with unplugg cable:

        v01 after flash 55-50V and goes down
        v02 after flash 55-50V and goes down
        v03 after flash 55-50V and goes down
        v04 after flash 55-50V and goes down
        v05 after flash 55-50V and goes down
        v06 after flash 55-50V and goes down

        Seems there is common problem for this monitor probably caused by single cause. Does anybody allready figured it out?

        Comment

        • Teeva
          Member
          • Oct 2014
          • 14
          • usa

          #64
          Re: HP ZR2740w almost dead

          Hot Dog,
          Please try put insulation under power supply board-make sure it covers the entire board. When you put the board and main bracket down, try tapping on it to see where it touches on back LCD metal.
          I attach the picture highlight below.


          disassembly instruction

          Attached Files

          Comment

          • darkdead
            New Member
            • Jan 2015
            • 8
            • spain

            #65
            Re: HP ZR2740w almost dead

            v04 after flash 55-50V and goes down
            v05 after flash 55-50V and goes down
            v06 after flash 55-50V and goes down
            Sonds like open circuit may be a cold joints on the leds o may be a dead open led on theses leds strips

            Comment

            • Hot_Dog
              New Member
              • Feb 2015
              • 4
              • Czech Republic

              #66
              Re: HP ZR2740w almost dead

              As i said Teeva, i test it in dissasembled state shown on picture bellow, so there was no possibillity of short circuit in my case. But finaly figured it out and repair LCD succesfully. Problem was badly soldered conector in LED string, which caused its fall. It actually pretty well correspond with voltages i measured on v01 - v06. So if it be helpfull for someone, problem can also be there. Actually, connector had to be pretty badly soldered considering monitor has never been opened before.





              Attached Files

              Comment

              • darkdead
                New Member
                • Jan 2015
                • 8
                • spain

                #67
                Re: HP ZR2740w almost dead

                Yes mines just arrived but my black light was fine all led strip voltages was 30v if 60v the led are whit the issues i say up ,your was bad conector.
                Mines the faulty is hard ones, was the stupid t-con board got a DC to Dc converter whit 12 v input but no output voltages for power the panel, the culpit was ici max17014a the problem was it cost 8e and no sense 20e shipping on the only web i find in europe.
                Diging on ebay i find a guy selling the t con boards
                http://www.ebay.es/itm/271758781230?...84.m1439.l2649
                My faut is panel turn on vga detect the screen black light turn on but no image only the panel light.
                The lvds power are 12v and 3,3v if anyones need the info.
                PD: Teeva power board is called t-con and yes tap it may be was the issue of mines killing the max17014a.
                Last edited by darkdead; 02-10-2015, 05:47 PM.

                Comment

                • darkdead
                  New Member
                  • Jan 2015
                  • 8
                  • spain

                  #68
                  Re: HP ZR2740w almost dead

                  Good news mines is back to life 120€+20€ the t-con board no bad deal for 27 inch screen.

                  Comment

                  • miroja
                    New Member
                    • Feb 2015
                    • 6
                    • Slovakia

                    #69
                    Re: HP ZR2740w almost dead

                    Hello. I have got also HP ZR2740W with no background light.

                    When i switch on mains, status LED goes to blue, after a few seconds to amber. It seems all OK, because i have no connection to PC. But i have no background light. I have got on P803 +5V on all 5V pins, 0V an +12V pins, 0V on pins 2,3 and 2,1V on pin 1.
                    According to hints above i pushed up pins 2 and 3 P803 (with 820 ohm resistors) to +5V and background light appears.
                    I found, that signal for pins 2 comes from IC U12 - Myson MTV416GMV, pin 26 and signal for pin 2 from pin 9 IC on T-CON and logic board (IC has supply 3,3V, quartz oscillator is running).
                    Can someone help me? Thanks a lot in advance.

                    Miro.

                    PS: Sorry for my English..

                    Comment

                    • fzabkar
                      Badcaps Veteran
                      • Mar 2009
                      • 772
                      • Australia

                      #70
                      Re: HP ZR2740w almost dead

                      This thread has some relatively clear photos of the PS PCB:

                      http://forum.iwenzo.de/hp-zr-2740w-s...e--t59434.html
                      http://forum.iwenzo.de/attachment_pr...d_file&id=9299
                      http://forum.iwenzo.de/attachment_pr...d_file&id=9301

                      The label says ...

                      TATUNG
                      Model: TPC-11536
                      Type: PWB-1421
                      Input: 100 - 240Vac
                      Output: +5V/4A
                      +12V/1.5A
                      -35.5V/2A

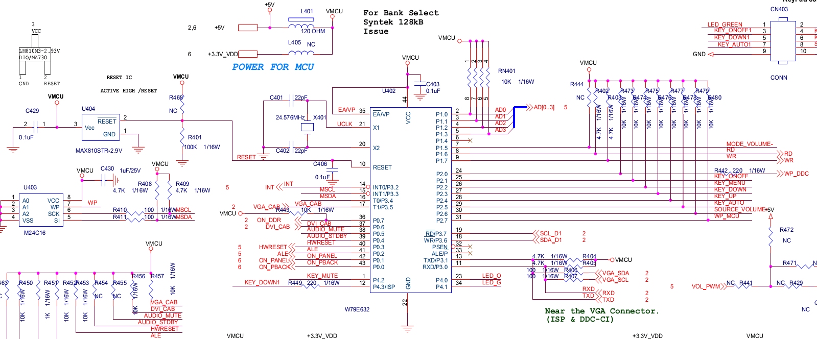
                      Attached is a section of a circuit diagram for a different monitor. It shows the pinout of the MTV416GMV microcontroller, albeit with different functions for each of the ports.
                      Attached Files
                      Last edited by fzabkar; 10-09-2015, 05:01 PM. Reason: extra info

                      Comment

                      • fzabkar
                        Badcaps Veteran
                        • Mar 2009
                        • 772
                        • Australia

                        #71
                        Re: HP ZR2740w almost dead

                        Originally posted by miroja
                        When i switch on mains, status LED goes to blue, after a few seconds to amber. It seems all OK, because i have no connection to PC. But i have no background light.
                        Should your monitor briefly display "no signal", and are you saying that this message is not being displayed? Otherwise the behaviour seems normal to me.

                        Comment

                        • miroja
                          New Member
                          • Feb 2015
                          • 6
                          • Slovakia

                          #72
                          Re: HP ZR2740w almost dead

                          Thanks for answer. I found similar circuit diagram with MTV416GMV IC also, (service manual from other brand of monitor), but as you wrote also, there are ports used to others functions.

                          When I switch-on mains without connection to NB, I have no info on screen (NO SIGNAL or NO CABLE CONNECTED or similar message on screen). Display is completely dark, without backlight also. After a few seconds blue status LED is changed to amber..that is all. According to my experiences, there should be any message on screen about missing signal on screen.
                          I tried to connect monitor to NB via Display port and amber LED status has been changed to blue.. and in next 1-2 seconds I had picture :-) .
                          But… after next 30-35 sec (I checked it more times), goes LED status blue to OFF ??? monitor was is still running. Strange is also, that I have no ON-SCREEN info on panel. When I press “+” or “–“ button, brightness is changing, but I have no info about it (brightness string bar is missing on panel). Also button “source” is probably changing the source of the signal. I have picture/no picture on screen – when I am pressing this button twice.
                          Yesterday was monitor running about 30 min, after that - again black screen. I tried to measure capacitors in feeding level +5V, +3,3V and 1,2V today and all seems to be ok (capacity and ESR also).
                          Today is running about 60 min (PCB are “fixed” only temporary and isolated by thick paper).
                          ON SCREEN is not so important, but why is status led switched off after 30 sec. when monitor is running. I think that there is still something wrong (missing communication between ICS responsible for identification of signal and steering processor??? ) and I expect next problems with this HP monitor.
                          Do you have any hint what can I check, measure ?
                          Thanks in advance.

                          Comment

                          • budm
                            Badcaps Legend
                            • Feb 2010
                            • 40746
                            • USA

                            #73
                            Re: HP ZR2740w almost dead

                            So when it LED goes to amber, do you still have running PC supplying the Video signal top the monitor?
                            The power supply section is always on unless the hard power switch in the back is turned off.
                            From user manual: Page 26, 27
                            Pressing the Power button, , puts the monitor in low power mode. (To turn power off completely,
                            use the switch on the rear of the panel.) The monitor also enters low-power mode when there is no
                            video signal input.
                            When the monitor is first powered on, the LED turns blue and remains blue for about half a minute. It
                            then turns off. If the monitor receives a signal outside its range (e.g., too high a frequency), the LED
                            flashes blue continuously.
                            This model does not use an OSD or on-screen messages.


                            If you can get the monitor to stay on, try turning down the brightness to see if the backlights will stay on longer.
                            Attached Files
                            Last edited by budm; 10-12-2015, 12:41 PM.
                            Never stop learning
                            Basic LCD TV and Monitor troubleshooting guides.
                            http://www.badcaps.net/forum/showthr...956#post305956

                            Voltage Regulator (LDO) testing:
                            http://www.badcaps.net/forum/showthr...999#post300999

                            Inverter testing using old CFL:
                            http://www.badcaps.net/forum/showthr...er+testing+cfl

                            Tear down pictures : Hit the ">" Show Albums and stories" on the left side
                            http://s807.photobucket.com/user/budm/library/

                            TV Factory reset codes listing:
                            http://www.badcaps.net/forum/showthread.php?t=24809

                            Comment

                            • cmg
                              Member
                              • Dec 2016
                              • 32
                              • United Kingdom

                              #74
                              Re: HP ZR2740w almost dead

                              Hi. I'd like to revive this thread as I have the same problem as Wash and Darkdead. From the information on this excellent forum I've managed to get to this point without trouble, but I would be grateful for further advice.

                              Specifically I would appreciate any advice on disassembling the LCD panel to get to the LED strips. I see at least Hot_Dog successfully managed this! I have the HP disassembly guide but I'm only at step 3 so far. It seems very delicate and also heavy - not a good combination!

                              I don't see how steps 4-9 work, and I'm not sure if i really need to completely disassemble the panel (i.e. to step 22) in order to remove one of the strips (VO6 was the failed one on mine).

                              Also, does anyone know where to source replacement SMD LEDs for this from and/or what parts they are exactly? I found a couple of ads for similar on eBay.

                              Thanks very much!

                              CMG

                              Here is what i did so far:
                              1. Observed that the behaviour of the monitor is the same as many others in that the monitor will not display an image and go into standby.
                              2. I noticed that the logic circuits have power. The front panel LEDs (blue/amber) lit and if i plugged in a device into the USB i could see it was powered up. Also the PC recognized the monitor model and resolution.
                              3. Next i checked the output of the PFC boost converter. This was 320V rising to 400V but then after a few seconds after power-up, dropping back to 320V. This matches BudM's explanation of the fault condition.
                              4. Then i checked the LED driver outputs. All of these were 30V when the boost converted was fired up, except one which went up to 60V.
                              5. I proved to myself that the problem was this output being O/C by soldering a 100R resistor from this LED driver output to ground, then the monitor worked! (note a 10W resistor is required otherwise the resistor will burn).


                              Note that to get to this stage I did not need to remove the PSU PCB from the chassis and would suggest others also do not, for safety. In fact, I could have checked the LED driver output first by poking the connector from the outside of the chassis. I'm scared by others' posts showing this 400V non-isolated circuit loose on the floor. You only need to trip or pull one of the cables and ZAP
                              Last edited by cmg; 12-26-2016, 06:51 PM.

                              Comment

                              • Hot_Dog
                                New Member
                                • Feb 2015
                                • 4
                                • Czech Republic

                                #75
                                Re: HP ZR2740w almost dead

                                Hi, you are lucky, i checked spam in my mail, which i dont do often, and there was notification on this forum, which i didnt visit since succesfull repair:-) Acording to disassembly, i did it year and half ago and dont remember much. Since then, monitor works like a charm... I dont know, what are your technical skills, with mine, that was definitely doable, not even hard i would say (time consuming ofcourse), but im hardware/firmware developer of medicine devices, so...

                                Are you using this manual?



                                As your are on step 4, you are probably trying to remove PCB, make sure you unscrew all possible screws, disconect both flex cables and probably use reasonable amount of force, i dont realy remember, but there may be both sided tape, which hold pcb on the metal cover, but realy dont remember, so be careful not to broke PCB...

                                One hint for future assembly, you probably dont have non-dust enviroment, so when you will assembly, every piece of dust will be visible between LCD layers, and there will be a lot of dust, i did this mistake also, so i had to disassembly again and use a lot of compressed air during assembly every layer to be sure no visible piece of dust remain between layers.

                                I will check this forum for a while, if you will need some further advice, but as i said, dont remember details and will not disassembly mine again while functional...

                                Comment

                                • cmg
                                  Member
                                  • Dec 2016
                                  • 32
                                  • United Kingdom

                                  #76
                                  Re: HP ZR2740w almost dead

                                  Hi Hot_Dog. Great to hear from you. Thanks for replying.

                                  Thanks very much for the advice about the dust. I am using the manual that you referred to. So now I have proceeded... I have avoided step 10-13, so kept all of the layers together. Hopefully this will avoid the dust problems.

                                  The trouble with the guide is that it is for recycling the parts so they don't care about damage or reassembly. I hinged the panel back open so that I could access the LED strip but I couldn't get it out after taking out the screws. Then i saw step 17-19 where they take out the "light guide". Unfortunately as I had already loosened the LED bar, when i pulled out the white plastic light guide it has damaged 4 of the LEDs Also the connector ripped off the PCB. See attached (ruler shown for scale).

                                  I have checked all the diodes with a DMM. All of them glow (even the damaged ones) apart from one which has a very low forward voltage and is not in the VO_6 section that had failed. So, i reckon the fault was exactly the same as yours - that stupid little connector had dry joints and is just too flimsy.

                                  So now... I need to replace 5 LEDs and reattach the connector. The first problem is I need to get replacement LEDs, or the whole LED bar. I can't find where... Second is that i think this all needs to be done with a hot air reflow station which I don't have.

                                  I think i'll start a separate thread on fixing LED strips as it's not specific to this monitor.

                                  If anyone has any advice on finding replacement LEDs would be well received! (this is an LG panel).

                                  Cheers
                                  Attached Files

                                  Comment

                                  • Hot_Dog
                                    New Member
                                    • Feb 2015
                                    • 4
                                    • Czech Republic

                                    #77
                                    Re: HP ZR2740w almost dead

                                    You can try desolder LEDs with heat gun if you posses one, temperature like 400°C or so, carefully, not to burn pcb, try it first on some piece of solder somewhere else, then apply same procedure to the LED stripe... You are aiming for something like 20 - 40 seconds of applying heat until solder melts, thats relatively safe technique. For soldering new LEDs, common soldering station, flux and skilful hand is all you need...

                                    You can try find similar diodes on farnell.com, even from your country:-)

                                    Good luck with further repair...
                                    Last edited by Hot_Dog; 12-28-2016, 06:20 PM.

                                    Comment

                                    • cmg
                                      Member
                                      • Dec 2016
                                      • 32
                                      • United Kingdom

                                      #78
                                      Re: HP ZR2740w almost dead

                                      Thanks for the soldering tips. I'm very experienced with through-hole but not much with SMD. I am fairly confident I'll work that out.

                                      However, I'm still drawing a blank trying to find a suitable LED. The dimension seems uncommon and also all the LEDs seem to be flat in profile rather than having the domed lens that these have. I don't know how much difference that will make. I will add to my other thread regarding finding the parts.

                                      I'm also wondering how it will work if i put a new LED which is undoubtedly higher efficiency in series with the old ones as it will be brighter. I suppose i may have to add a resistor in parallel with the new one(s)...

                                      What a pain!!

                                      cheers

                                      Comment

                                      • cmg
                                        Member
                                        • Dec 2016
                                        • 32
                                        • United Kingdom

                                        #79
                                        Re: HP ZR2740w almost dead

                                        OK well I now realize the LEDs may be unique to certain panels. These ones are also effectively on a heatsink with a 3rd pad which makes them difficult to get off the PCB as the heat is dissipated. Its not possible to hand solder - see the large pad underneath which is not reachable. It took me quite a long time to get this LED off with a rework station @ 350C. See the PCB is burnt now. Hopefully I can get better at this and solder replacements without damaging them.
                                        Attached Files

                                        Comment

                                        • cmg
                                          Member
                                          • Dec 2016
                                          • 32
                                          • United Kingdom

                                          #80
                                          Re: HP ZR2740w almost dead

                                          OK i got it done and am posting a little more info in case anyone else has the misfortune to try to fix one of these panels. I wouldn't bother unless you are already very experienced at fixing such devices to component level. This panel was not designed with servicing in mind!!

                                          Here are the important steps
                                          - to diagnose if the LED strips are faulty easily, insert a piece of solid core wire as an extension to your multimeter in order to check the voltages on the connector feeding the LED strip. This can be done without disassembling the chassis at all. If any one of these rises much above 30V then there is an open circuit. Mine went to about 60V. Proceed to repair the panel.
                                          - take note if the open circuit is on the left and/or right side LED strip
                                          - remove chassis taking care with plug to LCD panel
                                          - unplug the LED driver cable at the chassis end. DO NOT ATTEMPT TO UNPLUG THE OTHER ENDS.
                                          - lay panel face down
                                          - remove metal shield to TCON PCBs but do not remove PCBs
                                          - unclip the panel from the steel frame.
                                          - undo the 6 screws from the 2 part plastic frame
                                          - prise apart the plastic frame at the edge with the LEDs (bottom edge)
                                          - carefully hinge the panel open
                                          - remove the small screw on the white plastic 'light guide'. This is in the corner, inside the panel
                                          - with the panel closed again, remove the shiny black tape
                                          - push forward a couple of the white plastic clips found underneath this. Every one i did broke off...
                                          - unscrew the many tiny screws holding the LED strip, from inside the panel.
                                          - try to pull the white plastic light guide away from the edge of the panel and ease out the LEDs. There are 2 metal pins protruding from the case which also anchor the strip - you need to pull it about 1-2mm away to clear these. Try not to force it... each time i did it, i knocked the top off one or more LEDs creating more work...
                                          - fix the PCB. May well just be the connector.
                                          - test the strip using a constant current PSU before reassembling. Set to approx 100ma limit, 30V. The connector on the PCB is really poor and will need retouching. Test from the chassis plug to make sure this connector is checked.
                                          Last edited by cmg; 02-15-2017, 06:11 PM.

                                          Comment

                                          Related Topics

                                          Collapse

                                          • momaka
                                            HannStar Hanns-G HC194d LCD monitor repair
                                            by momaka
                                            Normally, I never post repairs this quick after I do them, because… I am usually very slow. But today, I’m making an exception here. Why? No idea. Perhaps only because the repair details are still “fresh” in my head… which is ironic, given this is a 16 year old monitor that hardly anyone will care about today. It is new to me, though. I picked it up last November from someone on my local Craigslist. It wasn’t very close to where I live, but was close to a family friend that I had to go visit anyways. So after watching the posting on Craigslist for a few weeks and seeing it getting...
                                            03-15-2023, 10:17 PM
                                          • ant3202
                                            HP 27es - LED monitor - Monitor Flashing On - Off
                                            by ant3202
                                            Hi Everyone

                                            Lately I am experiencing the deja-vu incident on one of the led monitor like this.
                                            https://www.badcaps.net/forum/troubl...lashing-on-off

                                            The monitor is HP 27es LED Monitor
                                            https://h30434.www3.hp.com/t5/Deskto...e/td-p/6804692

                                            The monitor will randomly blackout and display no signal and will recover again.
                                            Sometimes need to power and off again to restore the display but...
                                            03-20-2025, 07:30 PM
                                          • Rick_1234
                                            LG 23MP55HQ LED Monitor turns off after a few seconds or flickers.
                                            by Rick_1234
                                            Good evening, gentlemen.

                                            I have a problem with my monitor. It turns off after a few seconds or flickers. Shining a flashlight on the screen doesn't show any image, so I guess it's not the "2 seconds to dark" I read in the forum.

                                            To turn it back on, I have to press the power button twice. Then after a few seconds it turns off again or flickers. See video.
                                            https://drive.google.com/file/d/1L6S...ew?usp=sharing


                                            Things I tried

                                            - Bought a new AC adapter thinking that was the problem but the problem...
                                            06-22-2024, 04:44 PM
                                          • momaka
                                            Wise Wing F199 19'' LCD monitor - recapped
                                            by momaka
                                            Looking through my repair pictures and notes, it's been a long time since I posted anything in the LCD monitors section. So here goes that.

                                            I'm dedicating this thread to one of the very first LCD monitors I repaired (if not the first one), which was more than 10 years ago now. The monitor is a Wise Wing, model F199. It's a 19” CFL-backlit LCD. I got it for free off of Craigslist in 2009 from a guy, who said he bought it for cheap from Wallmart and the monitor worked only for a little less than 2 years before quitting.

                                            When I saw the Craigslist post, I wasn't...
                                            08-24-2020, 10:58 AM
                                          • sew333
                                            Pc shutdown, monitor flickered with no signal after 10 seconds
                                            by sew333
                                            My pc:
                                            10850K stock 4800mhz stock Kraken X73 good temps
                                            2x16 GB DDR4 GSKILL 3000mhz XMP
                                            Seasonic Tx-850 Ultra Titanium
                                            Gigabyte Rtx 3090 Gaming OC
                                            Aorus Z490 Pro Gaming
                                            1 TB SSD


                                            4 weeks ago i launched Metro Exodus Enhanced and during cinematic advertisement part ( 30 fps ), pc just shutdown.
                                            Also monitor flickered with NO SIGNAL 10 seconds after shutdown. So only monitor and pc was affected.

                                            Next i pressed only power button, rebooted again and its fine again. Happened once and i cant reproduce.


                                            Power...
                                            02-22-2022, 10:27 AM
                                          • Loading...
                                          • No more items.
                                          Working...