Fix for Benq FP737s 17" (Q7T3)

Collapse
X
 
  • Time
  • Show
Clear All
new posts
  • davmax
    Badcaps Veteran
    • Dec 2005
    • 899

    #21
    Re: Benq 17" Q7T3 fix

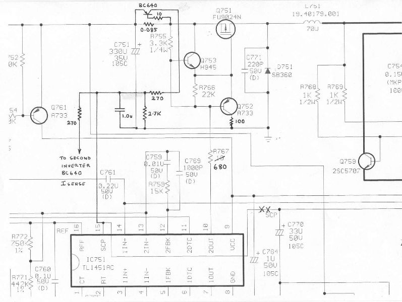
    I have been waiting for parts to complete the short circuit protection of this monitor by causing it to trip in 10uS or less.

    Whilst waiting I happened to notice another circuit flaw (see previous posts for first flaw). Again reinforcing the previous view that a student designed the electronics.

    Benq Q7T3 (FP737s) LCD monitor design flaw.



    MOSFET drive circuit.



    Refer to the attached diagram.



    Inspection of the circuit shows that there is no current control through transistors Q753 & Q752. They are directly connected between the +15 volt rail and ground there is nothing to limit the current between the supply rails (only the ill defined current gain of Q753). With Q752 saturated ON drive to Q753 is about 4 mA, a current gain of 50 makes about 200mA Ic (gain of 100 = 400mA) and the voltage across this transistor is about 13 volts (between 260 and 520mW x duty cycle).



    The same current flows through Q752 that has an absolute max current of 150mA.

    Additionally the absolute max current for the Ic drive is 21mA.



    Clearly these components have survived but it is a poor design without a current limiting resistor between supply rails.



    This problem has been seen before where there is a focus on switching speed more than other parameters. Not a good practice for reliable design.



    The design should guarantee absolute maximums are not exceeded.



    A 100 ohm resistor inserted at the emitter of Q752 will ensure that 150mA is not exceeded and likewise the 21mA IC load is not exceeded.



    How does this mod affect performance? Increasing the MOSFET gate source resistance will increase the turn ON time by about 150nS when switching 7.2amps (based on data sheet). However the circuit max operating current is 1 amp so the increase in turn on speed and switching loss is much less significant. The switch OFF speed will not be affected because the 100 ohm is not part of the switch off circuit.



    To conclude the insertion of 100 ohm will not impact performance significantly but will make sure current through devices and across the supply rail is controlled.

    Attached Files
    Gigabyte EP45-DS3L Ultra Reliable (Power saver)
    Intel E8400 (3000Mhz) Bios temps. 4096Mb 800Mhz DDR2 Corsair XMS2 4-4-4-12
    160Gb WD SATAII Server grade
    Nvidia 8500GT 256Mb
    160Gb WD eSATAII Server grade for backup.
    Samsung 18x DVD writer
    Pioneer 16x DVD writer + 6x Dual layer
    33 way card reader
    Windows XP Pro SP3
    Thermaltake Matrix case with 430W Silent Power
    17" Benq FP737s LCD monitor
    HP Officejet Pro K5300 with refillable tanks

    Comment

    • davmax
      Badcaps Veteran
      • Dec 2005
      • 899

      #22
      Re: Benq 17" Q7T3 fix

      The last post is not correct. The 100 ohm resistor is in the wrong place causing a prospect of emitter/base reverse voltage being exceeded on Q753. I am still concerned about uncontrolled current paths through Q752. I will come up with something better shortly.
      Gigabyte EP45-DS3L Ultra Reliable (Power saver)
      Intel E8400 (3000Mhz) Bios temps. 4096Mb 800Mhz DDR2 Corsair XMS2 4-4-4-12
      160Gb WD SATAII Server grade
      Nvidia 8500GT 256Mb
      160Gb WD eSATAII Server grade for backup.
      Samsung 18x DVD writer
      Pioneer 16x DVD writer + 6x Dual layer
      33 way card reader
      Windows XP Pro SP3
      Thermaltake Matrix case with 430W Silent Power
      17" Benq FP737s LCD monitor
      HP Officejet Pro K5300 with refillable tanks

      Comment

      • davmax
        Badcaps Veteran
        • Dec 2005
        • 899

        #23
        Re: Benq 17" Q7T3 fix

        Well I worked carefully through the MOSFET drive circuit, documenting as I went to make sure that I did not slip up. The result is that I have discovered some further interest things about this circuit. Not the least that the actual PCB has one important resistor value changed from that given on the schematic. I have implemented two simple changes added one resistor and changed the value of another. The changes bring certainty into the design performance.

        If any body is interested in the documented detail it is attached.
        Attached Files
        Gigabyte EP45-DS3L Ultra Reliable (Power saver)
        Intel E8400 (3000Mhz) Bios temps. 4096Mb 800Mhz DDR2 Corsair XMS2 4-4-4-12
        160Gb WD SATAII Server grade
        Nvidia 8500GT 256Mb
        160Gb WD eSATAII Server grade for backup.
        Samsung 18x DVD writer
        Pioneer 16x DVD writer + 6x Dual layer
        33 way card reader
        Windows XP Pro SP3
        Thermaltake Matrix case with 430W Silent Power
        17" Benq FP737s LCD monitor
        HP Officejet Pro K5300 with refillable tanks

        Comment

        • davmax
          Badcaps Veteran
          • Dec 2005
          • 899

          #24
          Re: Benq 17" Q7T3 fix

          I have now completed setting up and testing the current trip protection. Somewhat optimised now. Circuit components and values have been changed so that the trip time may be <10uS ie within one inverter half cycle, a recommended design timing.

          If anybody is interested the attached document covers the concept, the design example in steps and the modified schematic.
          Attached Files
          Last edited by davmax; 09-30-2007, 08:52 PM.
          Gigabyte EP45-DS3L Ultra Reliable (Power saver)
          Intel E8400 (3000Mhz) Bios temps. 4096Mb 800Mhz DDR2 Corsair XMS2 4-4-4-12
          160Gb WD SATAII Server grade
          Nvidia 8500GT 256Mb
          160Gb WD eSATAII Server grade for backup.
          Samsung 18x DVD writer
          Pioneer 16x DVD writer + 6x Dual layer
          33 way card reader
          Windows XP Pro SP3
          Thermaltake Matrix case with 430W Silent Power
          17" Benq FP737s LCD monitor
          HP Officejet Pro K5300 with refillable tanks

          Comment

          • davmax
            Badcaps Veteran
            • Dec 2005
            • 899

            #25
            Re: Benq 17" Q7T3 fix

            There was a fair bit of exploration and testing to reach final solutions. It seems helpful to now create a reference to the significant information in this thread.
            1. 09/11 Source for 2SC5707 transistos (eBay)
            2. 09/12 Warning against use of TIP41 transistors
            3. 09/16 An inverter transformer source.
            4. 09/19 Aussie transformer source and a transformer tester
            5. 09/28 Detail covering the fix of a MOSFET driver flaw
            6. 10/01 Final design detail of a fast over current protection to replace the original ineffective circuit.
            Gigabyte EP45-DS3L Ultra Reliable (Power saver)
            Intel E8400 (3000Mhz) Bios temps. 4096Mb 800Mhz DDR2 Corsair XMS2 4-4-4-12
            160Gb WD SATAII Server grade
            Nvidia 8500GT 256Mb
            160Gb WD eSATAII Server grade for backup.
            Samsung 18x DVD writer
            Pioneer 16x DVD writer + 6x Dual layer
            33 way card reader
            Windows XP Pro SP3
            Thermaltake Matrix case with 430W Silent Power
            17" Benq FP737s LCD monitor
            HP Officejet Pro K5300 with refillable tanks

            Comment

            • dan8139
              Senior Member
              • Jul 2004
              • 57

              #26
              Re: Benq 17" Q7T3 fix

              Good man, although I don't have one of these monitors and don't know anyone who does, you really do deserve credit for your analysis & thanks! Too much stuff these days is designed to be shite!

              Dan

              Comment

              • davmax
                Badcaps Veteran
                • Dec 2005
                • 899

                #27
                Re: Benq 17" Q7T3 fix

                Discovered I had left one component out of the modification diagram ie a 2.7K resistor. Revised diagram attached
                Attached Files
                Gigabyte EP45-DS3L Ultra Reliable (Power saver)
                Intel E8400 (3000Mhz) Bios temps. 4096Mb 800Mhz DDR2 Corsair XMS2 4-4-4-12
                160Gb WD SATAII Server grade
                Nvidia 8500GT 256Mb
                160Gb WD eSATAII Server grade for backup.
                Samsung 18x DVD writer
                Pioneer 16x DVD writer + 6x Dual layer
                33 way card reader
                Windows XP Pro SP3
                Thermaltake Matrix case with 430W Silent Power
                17" Benq FP737s LCD monitor
                HP Officejet Pro K5300 with refillable tanks

                Comment

                • davmax
                  Badcaps Veteran
                  • Dec 2005
                  • 899

                  #28
                  Re: Benq 17" Q7T3 fix

                  Some have asked for PCB photos. Well I have just fixed and modified another monitor and taken photos.

                  This monitor was received with a damaged ribbon connector. This is usually because the release mechanism is not understood. To release the ribbon cable lift /rotate the black locking bar outward from the centre of the top edge. Do not force.
                  Attached Files
                  Gigabyte EP45-DS3L Ultra Reliable (Power saver)
                  Intel E8400 (3000Mhz) Bios temps. 4096Mb 800Mhz DDR2 Corsair XMS2 4-4-4-12
                  160Gb WD SATAII Server grade
                  Nvidia 8500GT 256Mb
                  160Gb WD eSATAII Server grade for backup.
                  Samsung 18x DVD writer
                  Pioneer 16x DVD writer + 6x Dual layer
                  33 way card reader
                  Windows XP Pro SP3
                  Thermaltake Matrix case with 430W Silent Power
                  17" Benq FP737s LCD monitor
                  HP Officejet Pro K5300 with refillable tanks

                  Comment

                  • davmax
                    Badcaps Veteran
                    • Dec 2005
                    • 899

                    #29
                    Re: Benq 17" Q7T3 fix

                    Having now repaired and modified two Q7T3 monitors I can say with reasonable certainty that the failure of the 2SC5707 transistors is due to a weakness in the transistors. Testing of inverter transformers has found no shorted turns and no other cause of failure.
                    Gigabyte EP45-DS3L Ultra Reliable (Power saver)
                    Intel E8400 (3000Mhz) Bios temps. 4096Mb 800Mhz DDR2 Corsair XMS2 4-4-4-12
                    160Gb WD SATAII Server grade
                    Nvidia 8500GT 256Mb
                    160Gb WD eSATAII Server grade for backup.
                    Samsung 18x DVD writer
                    Pioneer 16x DVD writer + 6x Dual layer
                    33 way card reader
                    Windows XP Pro SP3
                    Thermaltake Matrix case with 430W Silent Power
                    17" Benq FP737s LCD monitor
                    HP Officejet Pro K5300 with refillable tanks

                    Comment

                    • davmax
                      Badcaps Veteran
                      • Dec 2005
                      • 899

                      #30
                      Re: Benq 17" Q7T3 fix

                      An interesting observation. Under certain boot conditions the monitor is caused to pull excess current in the inverter circuits and my new protection shutsdown the backlighting. I found that by waiting for initial boot to complete then switching the monitor off and then on again all will reset to normal. Great proof that the new current sense trip is protecting tightly.
                      Gigabyte EP45-DS3L Ultra Reliable (Power saver)
                      Intel E8400 (3000Mhz) Bios temps. 4096Mb 800Mhz DDR2 Corsair XMS2 4-4-4-12
                      160Gb WD SATAII Server grade
                      Nvidia 8500GT 256Mb
                      160Gb WD eSATAII Server grade for backup.
                      Samsung 18x DVD writer
                      Pioneer 16x DVD writer + 6x Dual layer
                      33 way card reader
                      Windows XP Pro SP3
                      Thermaltake Matrix case with 430W Silent Power
                      17" Benq FP737s LCD monitor
                      HP Officejet Pro K5300 with refillable tanks

                      Comment

                      • davmax
                        Badcaps Veteran
                        • Dec 2005
                        • 899

                        #31
                        Re: Benq 17" Q7T3 fix

                        To clarify my last post. The only time the monitor draws the excess current is when I restart the system and just before re-boot I switch on the power to my external SATAII drive. This seems to throw the bios into some momentary confusion that affects the monitor. I can only assume that the timings are such as to mess up the slow start of the backlight converters and excessive currents occur. This may be a clue as to how the transistors have previously become stressed and eventually fail. Hopefully they will not fail now due to the very fast protection.

                        This problem does not occur if the system is shutdown,the drive power switch set to ON and then the system started. Only in the restart procedure.
                        Gigabyte EP45-DS3L Ultra Reliable (Power saver)
                        Intel E8400 (3000Mhz) Bios temps. 4096Mb 800Mhz DDR2 Corsair XMS2 4-4-4-12
                        160Gb WD SATAII Server grade
                        Nvidia 8500GT 256Mb
                        160Gb WD eSATAII Server grade for backup.
                        Samsung 18x DVD writer
                        Pioneer 16x DVD writer + 6x Dual layer
                        33 way card reader
                        Windows XP Pro SP3
                        Thermaltake Matrix case with 430W Silent Power
                        17" Benq FP737s LCD monitor
                        HP Officejet Pro K5300 with refillable tanks

                        Comment

                        • gonzo0815
                          Badcaps Legend
                          • Feb 2006
                          • 1600

                          #32
                          Re: Benq 17" Q7T3 fix

                          Very interesting find, may be there are other scenarios, where this could happen.
                          May be another design fault in this circuit, or the OCP was altered to fix the original fault (assuming that a customer would RMA a new TFT who would go into protection mode from time to time).
                          Last edited by gonzo0815; 11-07-2007, 08:04 PM.

                          Comment

                          • davmax
                            Badcaps Veteran
                            • Dec 2005
                            • 899

                            #33
                            Re: Benq 17" Q7T3 fix

                            Yes Gonzo.

                            The backlight inverters are switched ON & OFF by the BLT_ON signal that is ON when video is present. The BLT inverters have a soft start that is simply controlled by a charging cap. Now if the video turns OFF and then comes back very quickly the soft start capacitor has not reset and therefore soft start is corrupted. I suspect this corruption causes a transformer saturation and therefore excess current. This I believe is what is happening when the bios gets upset as previously described. There could be other possibilities.

                            I suspect that other monitors have the same problem and that is why the 2SC5707 transistors pop off without previous explanation.

                            I am going to insert a circuit with a one second blocking action that ensures the BLT inverters cannot be restarted in that time. If the problem goes away it will prove my assessment. Tomorrow I will install it.

                            I am very thankful that my high speed overcurrent trip circuit allows me to protect the transistors and additionally enable detection of a problem that may explain the transistor failure mystery.
                            Gigabyte EP45-DS3L Ultra Reliable (Power saver)
                            Intel E8400 (3000Mhz) Bios temps. 4096Mb 800Mhz DDR2 Corsair XMS2 4-4-4-12
                            160Gb WD SATAII Server grade
                            Nvidia 8500GT 256Mb
                            160Gb WD eSATAII Server grade for backup.
                            Samsung 18x DVD writer
                            Pioneer 16x DVD writer + 6x Dual layer
                            33 way card reader
                            Windows XP Pro SP3
                            Thermaltake Matrix case with 430W Silent Power
                            17" Benq FP737s LCD monitor
                            HP Officejet Pro K5300 with refillable tanks

                            Comment

                            • gonzo0815
                              Badcaps Legend
                              • Feb 2006
                              • 1600

                              #34
                              Re: Benq 17" Q7T3 fix

                              I think the simplest fix would be to put a bleeding resistor parallel with the soft start cap, if the circuit design allows a steady leakage current by a pull down resistor. An simple transistor which discharges the cap at PS_on =low should do the same.

                              An yes, i think this kind of root cause analysis you are performing is not seen very often and i appreciate this kind of information, even if i haven´t got one of this LCD`s on my desk.
                              Last edited by gonzo0815; 11-08-2007, 07:28 AM.

                              Comment

                              • davmax
                                Badcaps Veteran
                                • Dec 2005
                                • 899

                                #35
                                Re: Benq 17" Q7T3 fix

                                Thanks for your inputs Gonzo. I really appreciate your many inputs and comments.
                                Yes I have considered resistor and transistor at the soft start point. However there are two soft start circuits, one for each inverter. It is much better to block the BKL_ON signal at one point for one second. This is also much more precise, operating in nS thus ensuring no possible weak point. Also it is very simple to adjust the time independently of the soft start.

                                I bench tested the delay circuit at 5 volts it worked fine. I put it into the monitor (15V supply) and the 4047 chip fused. Investigation found that I had been supplied with a HEF4047 that works up to 6 volts when I expected to get a CD4047 up to 18 volts. The supplier is stocking the wrong version. So will try again. Another trap!!!!

                                The 4047 chip drives a transistor that clamps down the BKL_ON signal. There is no changing components on the Benq board. I use a very small vero board with four leads. +15V, ground, input taken from a board transistor output and output that clamps the signal. As the board transistor turns OFF the input to the same transistor is clamped to ground for 1 sec, this achieves the required result.
                                Gigabyte EP45-DS3L Ultra Reliable (Power saver)
                                Intel E8400 (3000Mhz) Bios temps. 4096Mb 800Mhz DDR2 Corsair XMS2 4-4-4-12
                                160Gb WD SATAII Server grade
                                Nvidia 8500GT 256Mb
                                160Gb WD eSATAII Server grade for backup.
                                Samsung 18x DVD writer
                                Pioneer 16x DVD writer + 6x Dual layer
                                33 way card reader
                                Windows XP Pro SP3
                                Thermaltake Matrix case with 430W Silent Power
                                17" Benq FP737s LCD monitor
                                HP Officejet Pro K5300 with refillable tanks

                                Comment

                                • Krankshaft
                                  Badcaps Legend
                                  • Jan 2007
                                  • 2328
                                  • USA

                                  #36
                                  Re: Benq 17" Q7T3 fix

                                  Clearly these components have survived but it is a poor design without a current limiting resistor between supply rails.
                                  It could also be that the bean counters removed the limiting resistor to cut costs.

                                  The way manufacurers see it if the circuit runs without it eliminate it.

                                  Just look at the cheap china-mart power supplies without EMI supressors the supplies run fine without them so scrap em. They may emit high frequency noise but who cares.

                                  If it bites the dust in a few years good time for another monitor.
                                  Last edited by Krankshaft; 11-09-2007, 11:02 AM.
                                  Elements of the past and the future combining to make something not quite as good as either.

                                  Comment

                                  • Krankshaft
                                    Badcaps Legend
                                    • Jan 2007
                                    • 2328
                                    • USA

                                    #37
                                    Re: Benq 17" Q7T3 fix

                                    Davmax:

                                    Ironically enough shortly after reading your post I recieved an HP 19" monitor manufacured by Benq.

                                    It had the exact same problem you did it powered up with a green light and shining a flashlight revealed backlight failure.

                                    So once I open it up and see Benq on all the boards I immediately check out the transistors near the inverter transformers (C5707).

                                    And low and behold one of them was shorted no voltage drop with the diode testing function of my DMM 0.00 volts. Ironically enough the other 3 of the 4 transistors tested just fine.

                                    I will replace them all but you say that the cause of their failure is due to an internal flaw. In that case would you be able to recommend another transistor to substitute it?

                                    Also another thing one of the pico fuses was cracked it still had continuity but it was cracked. Its 5 amps buy what voltage should I get?
                                    Attached Files
                                    Last edited by Krankshaft; 11-09-2007, 10:02 PM.
                                    Elements of the past and the future combining to make something not quite as good as either.

                                    Comment

                                    • davmax
                                      Badcaps Veteran
                                      • Dec 2005
                                      • 899

                                      #38
                                      Re: Benq 17" Q7T3 fix

                                      From my experience the failure is only the 2SC5707 transistor. See my most recent posts in this thread ie I have not found any other component problem , only two design problems.
                                      1. The transistors are not protected from excessive current.
                                      2. Excessive current can occur or rare occasions. See my posts from 6th Nov. There is a time window that can allow corruption of the soft start circuits.

                                      Re fuse. In 17" monitor the fuse is a 3A fast PCB fuse. I use a TE5 fuse (125V) available from RS Components.

                                      Fixing problem No.1 will protect the transistor circuits. It requires some skill. Details including diagram and board photos are posted in this thread. It will protect against problem 2 which I believe is the hidden cause of these transistor failures.

                                      Originally posted by Krankshaft
                                      Davmax:

                                      Ironically enough shortly after reading your post I recieved an HP 19" monitor manufacured by Benq.

                                      It had the exact same problem you did it powered up with a green light and shining a flashlight revealed backlight failure.

                                      So once I open it up and see Benq on all the boards I immediately check out the transistors near the inverter transformers (C5707).

                                      And low and behold one of them was shorted no voltage drop with the diode testing function of my DMM 0.00 volts. Ironically enough the other 3 of the 4 transistors tested just fine.

                                      I will replace them all but you say that the cause of their failure is due to an internal flaw. In that case would you be able to recommend another transistor to substitute it?

                                      Also another thing one of the pico fuses was cracked it still had continuity but it was cracked. Its 5 amps buy what voltage should I get?
                                      Gigabyte EP45-DS3L Ultra Reliable (Power saver)
                                      Intel E8400 (3000Mhz) Bios temps. 4096Mb 800Mhz DDR2 Corsair XMS2 4-4-4-12
                                      160Gb WD SATAII Server grade
                                      Nvidia 8500GT 256Mb
                                      160Gb WD eSATAII Server grade for backup.
                                      Samsung 18x DVD writer
                                      Pioneer 16x DVD writer + 6x Dual layer
                                      33 way card reader
                                      Windows XP Pro SP3
                                      Thermaltake Matrix case with 430W Silent Power
                                      17" Benq FP737s LCD monitor
                                      HP Officejet Pro K5300 with refillable tanks

                                      Comment

                                      • davmax
                                        Badcaps Veteran
                                        • Dec 2005
                                        • 899

                                        #39
                                        Re: Benq 17" Q7T3 fix

                                        Krankshaft

                                        See my reply to your other post re transistor and fuse.
                                        Actual the design specifies 30+ components for a current protection that does not work. It is replaced with one that does work having only 9 components. So no bean counter saving just bad design.

                                        I do not know if your 19" monitor has the same circuitry. If you can download a service manual and compare the circuitry with the 17" that I have posted. That may help if you can understand these things.
                                        Gigabyte EP45-DS3L Ultra Reliable (Power saver)
                                        Intel E8400 (3000Mhz) Bios temps. 4096Mb 800Mhz DDR2 Corsair XMS2 4-4-4-12
                                        160Gb WD SATAII Server grade
                                        Nvidia 8500GT 256Mb
                                        160Gb WD eSATAII Server grade for backup.
                                        Samsung 18x DVD writer
                                        Pioneer 16x DVD writer + 6x Dual layer
                                        33 way card reader
                                        Windows XP Pro SP3
                                        Thermaltake Matrix case with 430W Silent Power
                                        17" Benq FP737s LCD monitor
                                        HP Officejet Pro K5300 with refillable tanks

                                        Comment

                                        • davmax
                                          Badcaps Veteran
                                          • Dec 2005
                                          • 899

                                          #40
                                          Re: Benq 17" Q7T3 fix

                                          Well I have completed the modification that overcomes the likely hidden cause of the transistor failures.

                                          It works a treat. There is no evidence of slowstart corruption causing excessive transistor current.

                                          To summarise the monitor problem of blowing transistors.
                                          1. Only transistor failure has been found, no shorted turn transformers. Why?
                                          2. It has been discovered that if the video signal to the monitor switches OFF and then rapidly ON again the two softstart circuits are corrupted and excessive transistor current occurs. This can typically occur at post time (computer start) in fact I can recall my monitor failing right at that point of time.

                                          The best fix is to protect the transistors from excessive current with a 10uS current trip. See design detail in this thread. This protects against all fault conditions and it was this protection that enabled the detection of the cause described in 2. above.

                                          For my better understanding a 1 sec clamping circuit was introduced to stop the video signal returning rapidly and disrupting the softstart circuits ie allowing them time to reset.
                                          Gigabyte EP45-DS3L Ultra Reliable (Power saver)
                                          Intel E8400 (3000Mhz) Bios temps. 4096Mb 800Mhz DDR2 Corsair XMS2 4-4-4-12
                                          160Gb WD SATAII Server grade
                                          Nvidia 8500GT 256Mb
                                          160Gb WD eSATAII Server grade for backup.
                                          Samsung 18x DVD writer
                                          Pioneer 16x DVD writer + 6x Dual layer
                                          33 way card reader
                                          Windows XP Pro SP3
                                          Thermaltake Matrix case with 430W Silent Power
                                          17" Benq FP737s LCD monitor
                                          HP Officejet Pro K5300 with refillable tanks

                                          Comment

                                          Related Topics

                                          Collapse

                                          • x_orange90_x
                                            Vizio E55-E1 bad backlights or bad inverter?
                                            by x_orange90_x
                                            I just got this tv today and it appeared to have no backlight on. After taking off the rear cover and checking again in the dark I can see that MAYBE one quadrant is lit.. But still it's quite dim. I was going to check the LEDs with my tester, and I found LED 1 and LED 2 + pins on the wire from the inverter, but I couldn't identify a ground. Nonetheless I tried using a mounting screw on the inverter board and also the chassis as ground but regardless my tester reads 300 which is what it reads when there is no voltage draw.

                                            I don't know how exactly to test the inverter itself. Is it...
                                            01-29-2025, 09:24 PM
                                          • Gentian
                                            APSINT3636VR 3600W APS INT Series 36V DC 230V AC Inverter/Charger schematic
                                            by Gentian
                                            I have a tripp-lite aspint 3636vr inverter charger which blow some of mosfet transistors. I replaced them repaired also the driver circuit and tested but the mosfets burn again.

                                            It work very well as inverter and also as charger if I let the rear switch in auto mode (inverter) and charger only(charging) but in auto when I connect the feed line 220V AC first time it pass ok to line and start charging the batteries but when I remove the feed line it pass to inverter mode and if I do it again the second time when passing from charging to inverter the Main transformer start making a...
                                            03-06-2023, 07:07 AM
                                          • valvashon
                                            Insignia NS-LCD19-09 (PS OK, Inverter problem?)
                                            by valvashon
                                            For some reason I'm just not going to let this 19" TV defeat me. I guess because I have a schematic to work from I feel like I'm oh so close.

                                            History- while adding a turn-on circuit I let a small screw roll under the power board. Worked through all of that circuitry, probably replacing a MOSFET and PWM controller that were not bad but I was following the service manual. Finally figured out that the power supply is in working order when the inverter section (for the backlights) is disconnected. When the +12 supply to the inverter is disconnected the +12 and +5 will come up...
                                            01-04-2024, 01:44 PM
                                          • eccerr0r
                                            A modified sine wave inverter + a grid tie inverter?
                                            by eccerr0r
                                            If I had a solar fed grid tie inverter (GTI), a modified sine wave inverter, and a power outage occurred, what would happen if you disconnected mains, backfed the modified sinewave inverter (MSI) into house power, and hooked up the GTI to the output of the MSI, would it work?

                                            Next thing is trying to charge the batteries using solar power, but that's another issue ...
                                            08-31-2023, 09:14 PM
                                          • caseyjay_48
                                            Sony KDL-46BX450 Inverter Troubleshoot Logic
                                            by caseyjay_48
                                            I am currently on a troubleshoot of 46” Sony KDL-46BX450 tv. I came back from Washington to Texas on medical emergency and had to leave all my tools up there. All I have is a couple of screwdrivers and a dvm. I wish to ask the community a troubleshooting question. Please forgive stupid questions as meds I am taking produce brain fog.
                                            I have well maintained Sony KDL-46BX450. It went black one day. After turn-on, I get solid green light and Sony logo in screen center for about 1-2 seconds, then black. No blinking LEDs, no hissing. Flashlight test shows screen characters dimly viewable,...
                                            09-23-2022, 08:08 PM
                                          • Loading...
                                          • No more items.
                                          Working...