Harman Kardon AVR1700 not powering up

Collapse
X
 
  • Time
  • Show
Clear All
new posts
  • tibimakai
    Badcaps Legend
    • Jan 2012
    • 3680
    • USA

    #61
    Re: Harman Kardon AVR1700 not powering up

    I don't have another IC91. I had placed an order, for more ICs.
    We will have to wait a couple of weeks, with this receiver.
    Until than, I will check the rest of the components.

    Comment

    • Agent24
      I see dead caps
      • Oct 2007
      • 5076
      • New Zealand

      #62
      Re: Harman Kardon AVR1700 not powering up

      Since you've done a bunch of work on this, another thing maybe to check is that you haven't left a solder whisker or ball somewhere that's shorting something out?

      I did that once on a TV, shorted out the oscillator pins on the control IC and almost went crazy when it suddenly wouldn't turn on.

      I only found the bridge by shining a bright light through the board. It was a very fine solder spike.
      "Tantalum for the brave, Solid Aluminium for the wise, Wet Electrolytic for the adventurous"
      -David VanHorn

      Comment

      • tibimakai
        Badcaps Legend
        • Jan 2012
        • 3680
        • USA

        #63
        Re: Harman Kardon AVR1700 not powering up

        Good point, I will check that.

        Comment

        • tibimakai
          Badcaps Legend
          • Jan 2012
          • 3680
          • USA

          #64
          Re: Harman Kardon AVR1700 not powering up

          I have checked the PCB and did not find anything wrong.
          I'm measuring the IC91 and I don't see any short, or low resistance at any of the pins.
          I'm keep questioning myself, if the power at the pin #1 and #2 at IC91 is correct, to fluctuate that mutch. Why would it fluctuate?
          In another recent thread, I'm looking at the IC91 measurements and that person measures 20V, respectively 20.4V at those pins.
          https://www.badcaps.net/forum/showth...t=28915&page=8

          Comment

          • R_J
            Badcaps Legend
            • Jun 2012
            • 9607
            • Canada

            #65
            Re: Harman Kardon AVR1700 not powering up

            If your voltage is fluctuating on pin 1-2 my guess is the ic is pulsing (turning on and off) and cant maintain a steady oscilation.
            when the ic operates it produces a pulse in the primary of the transformer pins 1 and 2
            which produces a voltage on winding 3 - 4, rectified by d911 and charging c918. but something is causing the ic to shut down, that could be a short somewhere in the secodary of TF91

            are you getting any voltage at all accross C943? and C944?
            Also do you measure any voltage on C921? It should charge to +16 volts
            Last edited by R_J; 02-28-2017, 11:31 PM.

            Comment

            • Agent24
              I see dead caps
              • Oct 2007
              • 5076
              • New Zealand

              #66
              Re: Harman Kardon AVR1700 not powering up

              Of course, fluctuation is not normal. Something is still faulty.


              To see why it fluctuates, look at the circuit operation (when in working condition)

              When AC line power is applied to the power supply, C918 is trickle-charged through the start-up resistors, R926 and R927. The voltage on C918 will rise, and when it reaches a voltage sufficient for IC91 to start up, IC91 will begin to operate, and start switching the primary winding of TF91.

              Because the voltage on C918 would eventually reach line voltage if given enough time, D914 is there to clamp the voltage to around 18v. This ensures that the supply to IC91's Pins 1&2 does not exceed the IC's maximum voltage rating.

              When IC91 starts running, it will draw power from C918. The voltage across C918 will drop slightly, but provided C918 is in good condition, it will supply enough power for IC91 to get up and running.

              Once IC91 is running, the secondary run winding of TF91 supplies power to C918 through R932 and D911. This keeps C918 charged, and keeps IC91 supplied with enough power to keep operating.

              Note also, that the winding of TF91 which supplies power to C918 and in turn, IC91, also supplies power to IC92 via Q903, which is controlled via PC91\Q915 through the AMP_VCC_ON control signal from the main microprocessor.


              So. The possible causes of IC91's Vcc supply fluctuating must be one of the following:

              1) C918 is bad. If C918 is bad (ie: reduced capacitance) then C918 won't store enough power as it should. Then when IC91 will try to start, it will use up all the power stored in C918 and the voltage there will drop too low before IC91 can start running properly. It will keep trying to start and fail.

              2) D911 or R932 is bad. If either of them are faulty, then even if IC91 starts correctly, the winding from TF91 will be unable to supply enough power to C918. Thus IC91 will start, run for a little bit, then run out of power until C918 is trickle-charged via the start-up resistors again.

              3) D914 is bad. If D914 is bad (leaky\shorted etc), then it will cause C918 to discharge too fast and there will not be enough power left for IC91 to start correctly.

              4) The power supply to IC92. If one or more of the parts associated with IC92's VCC supply is faulty, it could drag down the voltage of C918 and again, prevent IC91 from starting properly.
              This could be a short-circuit\leaky component in Q903, D917, D918, C915, C921, or IC92 itself. PC91 or associated drive circuitry could also be bad, causing IC92 to try to start immediately, before the control signal AMP_VCC_ON is present.
              That is why I suggest removing J914\J906 for now to take IC92 out of the equation.

              5) C902 is bad. If C902 is bad, it may not store enough power for TF91 to transfer enough energy to the secondary windings and charge C918 through D911\R932

              7) IC91 is faulty. Since everything else is turning up OK, there is a high chance that once again, IC91 is bad. It could have leaky\shorted parts internally. This means, when it gets power to start running, it shorts out C918 causing the voltage there to fluctuate each time it tries to run. The fact you have already replaced it twice is suspicious.
              It has maybe failed again, and if so, I would suspect the cause most likely to be either a bad D914 causing VCC to go too high and damage IC91, or faulty snubber circuitry (D910\C911\R979-R982)

              6) There is a short-circuit on the main secondary output. This could be in any one of the components on the output rails. It may even be a component that is only breaking down under load. and thus does not show up as bad on your multimeter. The fact that you get no voltage at D921 would fit with this theory.
              When the output of one winding is shorted, it will affect the operation of the other windings. This means there may not be enough power supplied to C918, thus the voltage fluctuates.

              The removal of J931 to isolate the entire VKK rail would let you test the supply with just the S5V parts. If the supply runs, then something on the VKK rail side powered by D943 is bad.

              7) There is a fault in TF91. If IC91 has not failed again, then TF91 may be the problem. An open-circuit winding or shorted turn would explain this. This is quite unlikely, but at this stage, worth checking.

              If TF91 is bad, it may not be supplying any power to D911 and C918. Thus C918 runs out of power and IC91 goes into a restart loop.

              Test for continuity on each winding and inspect the transformer legs for breakage where the windings connect to the pins. This is the most common area for damage, excluding an internal fault from a manufacturing defect.

              If you have a "ring" tester, you can also check for the possibility of shorted turns in the transformer.



              Barring solder blobs\broken PCB traces, or some internal carbonisation of the PCB and a resultant short-circuit, the above scenarios are pretty much the only possibility as to why this IC91 circuit is not working.

              Since I think you have checked most of these parts listed already, I think we are pretty much down to IC91 having failed again, or TF91 having a fault.
              Last edited by Agent24; 03-01-2017, 12:27 AM.
              "Tantalum for the brave, Solid Aluminium for the wise, Wet Electrolytic for the adventurous"
              -David VanHorn

              Comment

              • tibimakai
                Badcaps Legend
                • Jan 2012
                • 3680
                • USA

                #67
                Re: Harman Kardon AVR1700 not powering up

                Found broken wire, at TF91 pin #1. Now I have 323V, at the the drain pins of IC91. Most likely, I did that when I have tried cleaning that white glue.
                C918 it was already replaced by me, at the beginning.
                D911 and R932 are good. Though I don't understand why there is no voltage present at D918.
                At D921, now I have 0.157V.
                I haven't had time, to check out everything, that you guys have pointed out. Hopefully tomorrow, I will have more time.

                Comment

                • R_J
                  Badcaps Legend
                  • Jun 2012
                  • 9607
                  • Canada

                  #68
                  Re: Harman Kardon AVR1700 not powering up

                  IC91 is not operating (switching) thats why there is no voltage being induced in the secondary windings, at d921 (K) you should have +5 volts.
                  Since there is no voltage being produced by the transformer there is nothing for D920 to rectify to produce the 16 volts at D918

                  Comment

                  • tibimakai
                    Badcaps Legend
                    • Jan 2012
                    • 3680
                    • USA

                    #69
                    Re: Harman Kardon AVR1700 not powering up

                    Make sense.
                    I need to wait, until the part comes in.

                    Comment

                    • tibimakai
                      Badcaps Legend
                      • Jan 2012
                      • 3680
                      • USA

                      #70
                      Re: Harman Kardon AVR1700 not powering up

                      IC91 is in and it is replaced.
                      I'm still not getting the desired voltages, at the secondary.
                      Here are the voltages, that I'm getting at/around the transformer.
                      Primary:
                      Pin #1= 330V(slightly oscillates)
                      Pin #2= 330V(slightly oscillates)
                      Pin #3= 0V
                      Pin #4= 0V(GND)

                      Secondary:
                      D943= 0.33V
                      D921= 0.07V

                      After D920, I'm getting only 0.0100V slightly oscillating. So IC92, is not powered up because of this.
                      What is weird, that if I measure this diode in circuitry, is shows both ways. If I remove it, it is OK. One way is 1.9V and the other way is 0.4V.
                      Last edited by tibimakai; 04-10-2017, 07:23 PM.

                      Comment

                      • Agent24
                        I see dead caps
                        • Oct 2007
                        • 5076
                        • New Zealand

                        #71
                        Re: Harman Kardon AVR1700 not powering up

                        You get the 1.9v and 0.4v when you measured it in circuit?
                        "Tantalum for the brave, Solid Aluminium for the wise, Wet Electrolytic for the adventurous"
                        -David VanHorn

                        Comment

                        • tibimakai
                          Badcaps Legend
                          • Jan 2012
                          • 3680
                          • USA

                          #72
                          Re: Harman Kardon AVR1700 not powering up

                          Yes, that is correct. While testing the diode.

                          Comment

                          • Agent24
                            I see dead caps
                            • Oct 2007
                            • 5076
                            • New Zealand

                            #73
                            Re: Harman Kardon AVR1700 not powering up

                            I am not sure right now what might be causing that, but IC91 is the priority anyway. So, leave D920 out and forget about IC92 for now.

                            That you have 0v at Pin #3 of TF91 is not good. Are you checking there for DC or AC? You will likely not get DC.

                            Measuring for AC voltage there across Pins 3&4 if you didn't already. If there is really nothing, you may have a broken wire on Pin 3 or 4 as well? I think you said Pin 1 was damaged before.

                            Have you tried to see if IC91 circuit runs normally now if D920 is out of circuit?
                            Last edited by Agent24; 04-14-2017, 02:27 AM.
                            "Tantalum for the brave, Solid Aluminium for the wise, Wet Electrolytic for the adventurous"
                            -David VanHorn

                            Comment

                            • tibimakai
                              Badcaps Legend
                              • Jan 2012
                              • 3680
                              • USA

                              #74
                              Re: Harman Kardon AVR1700 not powering up

                              I will measure the voltage, at those pins and double check the wiring, at the transformer(the transformer is my main suspect).
                              How would I know, if the IC91 works as it should?

                              Comment

                              • tibimakai
                                Badcaps Legend
                                • Jan 2012
                                • 3680
                                • USA

                                #75
                                Re: Harman Kardon AVR1700 not powering up

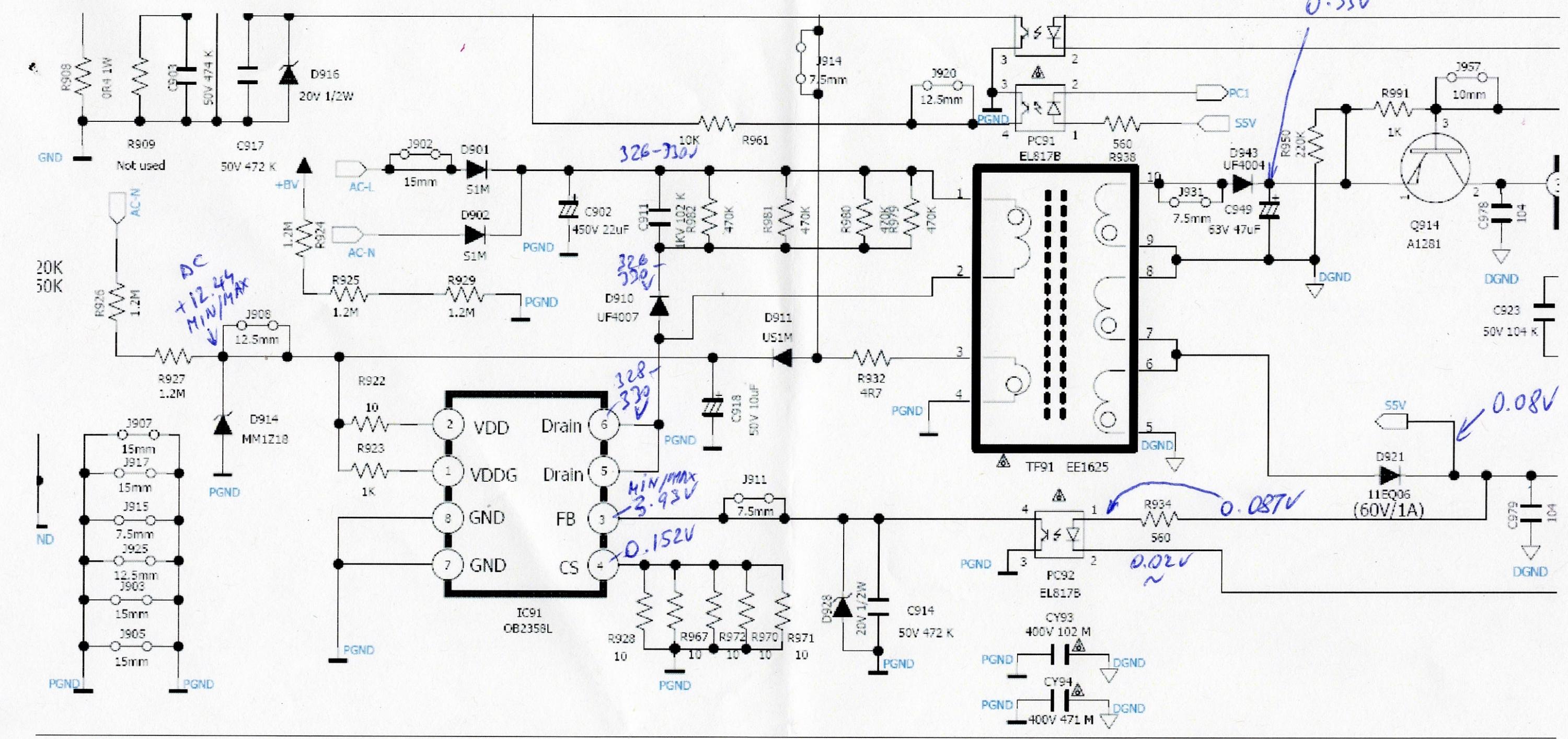
                                I have removed the transformer and I'm measuring 0.23 Ohm, between pin #1-2 and .61 Ohm at pin #3-4.
                                On the other side, I measure 0.08 Ohm at pin #5-6 and 1.10 Ohm between pin #10-9.
                                To me, it seems like it is OK, no interruption in it.
                                I have took some measurements, in that transformer area. Please see the scanned document.
                                Attached Files
                                Last edited by tibimakai; 04-15-2017, 04:21 PM.

                                Comment

                                • redwire
                                  Badcaps Legend
                                  • Dec 2010
                                  • 3912
                                  • Canada

                                  #76
                                  Re: Harman Kardon AVR1700 not powering up

                                  This is a nice receiver.
                                  just a quick look, it seems U91 is trying to make it past start-up.
                                  U91 likes around 16V for power, and UVLO is about 10V and you are getting around 12.4V
                                  Your readings around D920 would make me check D918, C921, Q903 etc. for shorts. C921 should get some voltage on it if the transformer is outputting anything.

                                  Note the schematic seems wrong, shows DGND between pins 8,9 and pin 5 on the xmer, which would short it out?

                                  Only other thing is if the transformer ferrite core is cracked or loose.
                                  Last edited by redwire; 04-15-2017, 06:25 PM.

                                  Comment

                                  • Agent24
                                    I see dead caps
                                    • Oct 2007
                                    • 5076
                                    • New Zealand

                                    #77
                                    Re: Harman Kardon AVR1700 not powering up

                                    Transformer has no open winding, that's good. But it may have shorted turns. You'd need a ring tester to check that.

                                    Do you have an oscilloscope? You can hold the probe over the transformer core (no electrical connection) and see the waveform. If you can do that, upload a capture or photo of the waveform.

                                    I still think you need to try a known good, brand new opto-isolator too. I still don't trust the ones from a PSU which already blew up.
                                    "Tantalum for the brave, Solid Aluminium for the wise, Wet Electrolytic for the adventurous"
                                    -David VanHorn

                                    Comment

                                    • tibimakai
                                      Badcaps Legend
                                      • Jan 2012
                                      • 3680
                                      • USA

                                      #78
                                      Re: Harman Kardon AVR1700 not powering up

                                      I have placed an order for some optos, but it will take awhile to get them.
                                      I have a scope, but I don't know how to use it. I can give it a try, though.
                                      Some pointer would help, like settings, what should I be looking for.

                                      Comment

                                      • tibimakai
                                        Badcaps Legend
                                        • Jan 2012
                                        • 3680
                                        • USA

                                        #79
                                        Re: Harman Kardon AVR1700 not powering up

                                        The negative alligator, has to be grounded?
                                        What kind of voltages should I measure at the transformer? There should be AC right?
                                        If I measure between pins, I'm getting some milivolts, that is starts dropping.
                                        On the left side of the D911 I'm getting an oscillating voltage and on the right side, I'm not getting anything, that is normal?

                                        Comment

                                        • Agent24
                                          I see dead caps
                                          • Oct 2007
                                          • 5076
                                          • New Zealand

                                          #80
                                          Re: Harman Kardon AVR1700 not powering up

                                          Be careful with SMPS and oscilloscopes. You can blow things up if you're not careful and don't have an isolation transformer. Especially, don't probe in the primary side around high voltages unless you know your probe and scope input can handle the voltage. You would typically need a 100:1 probe to look there.
                                          Remember the probe GND clip is wired to mains ground through the oscilloscope. Don't connect it to anything which isn't also grounded in the circuit unless you have an isolation transformer.

                                          For my test you don't even need the probe connected to the circuit. Just hold the probe body over the transformer core. You should see a waveform which increases the closer you hold the probe to the transformer.

                                          When you say the left side of D911 you mean the cathode\side connected to the IC91? And the right side\anode the side which connects to R932?

                                          You should definitely see an AC waveform of some kind at the anode of D911 and on R932.

                                          Disconnect J914 \ J906 to be sure the circuitry from IC92 is not causing a problem, it may be faulty and shorting out the voltage supply from that transformer winding.
                                          "Tantalum for the brave, Solid Aluminium for the wise, Wet Electrolytic for the adventurous"
                                          -David VanHorn

                                          Comment

                                          Related Topics

                                          Collapse

                                          Working...