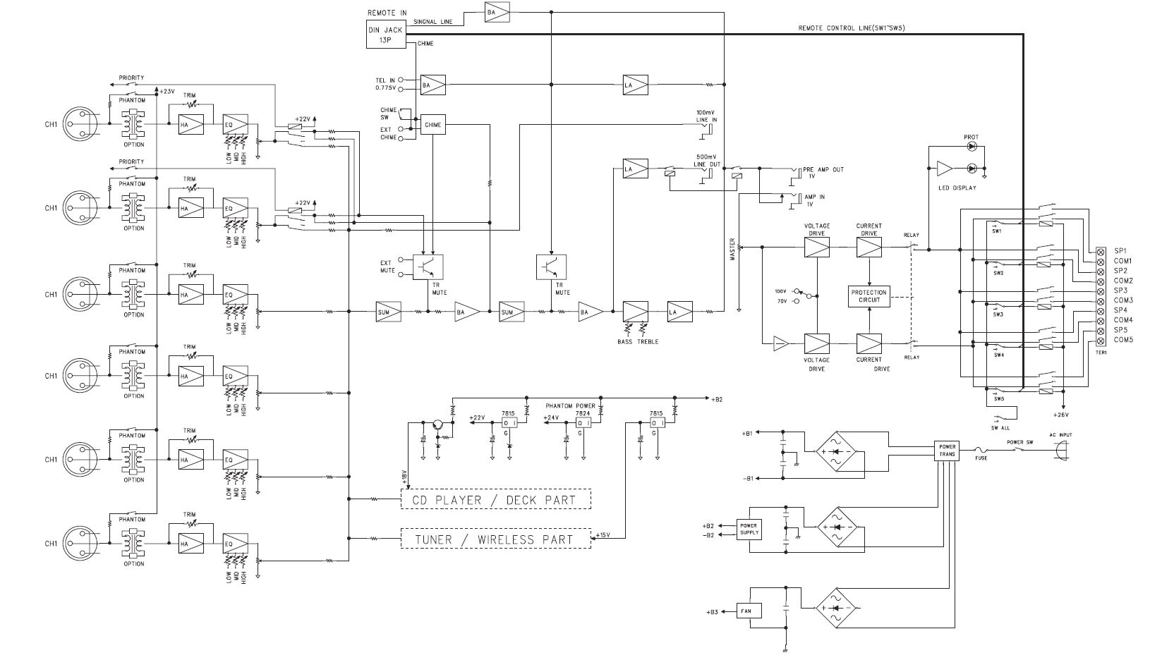
As stated, i have this PA system amplifier that im trying to fix for sometime. It is having a clip and protection light on. When i disassemble the entire unit, i manage to find that a lot of components thats burned on the amp pcb. Power amplifier transistors, resistors, normal transistors etc. I manage to check all the components and replace all the faulty ones. Now the clip light no longer lit but the protection light is still on after turning on. I even replaced the protection IC. But im still having the protection light on. Any guru's may kindly help me with this? I have attached the necessary SM and amp SD. I have replaced all the faulty components already. I just dont know where else to look at. Any help will be highly appreciated. Hoping to fix this a.s.a.p

Comment