Ok will do that today. Also I read on another post on this forum about this same that one guy fixed (Im talking about the original issue, once I replace the fried mosfet) 3 boards like this just by replacing C8. Will check that too
LINK
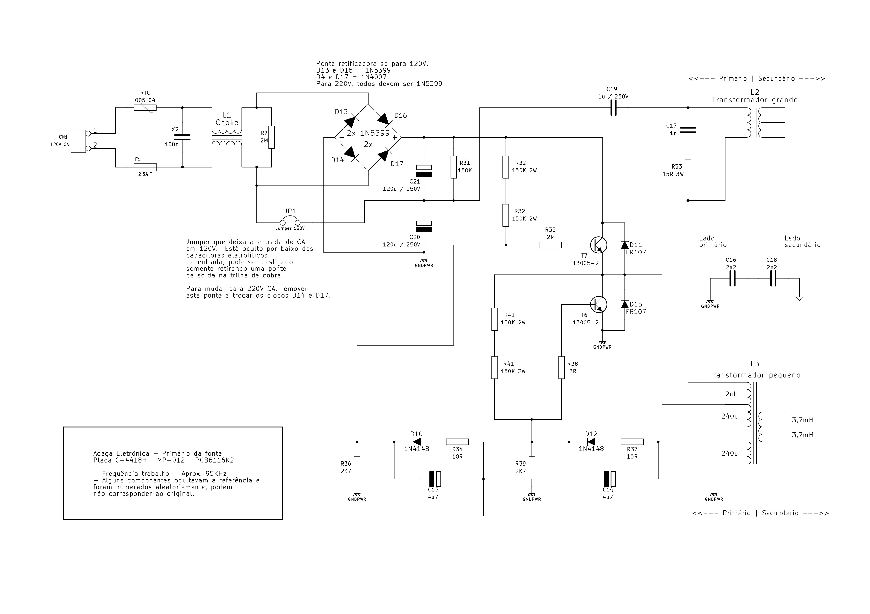
Also, trying to analyze the function of this board...As I don't have a valid schematic of it yet..I believe there should be a fixed output PS, probably driven by the small transformer. This contantly powers the digital electronics that show the temp onscreen, deal with buttons and temp selection, and generates the PWM signal, and there should be another PS that has a variable output, probably the one at the larger transformer, that's driven by a PWM signal to vary from 0-12V depending on the difference between set and measured temperature and applies to Peltier&fans. Does this make sense? In such a case I don't see how the PWM signal gets back to the primary side of the PS to drive it, there's nothing joining LOW and HIGH side of the PS other than a set of 2 ceramic caps but those only connect GND... This is something I don't get yet
Thanks
LINK
Also, trying to analyze the function of this board...As I don't have a valid schematic of it yet..I believe there should be a fixed output PS, probably driven by the small transformer. This contantly powers the digital electronics that show the temp onscreen, deal with buttons and temp selection, and generates the PWM signal, and there should be another PS that has a variable output, probably the one at the larger transformer, that's driven by a PWM signal to vary from 0-12V depending on the difference between set and measured temperature and applies to Peltier&fans. Does this make sense? In such a case I don't see how the PWM signal gets back to the primary side of the PS to drive it, there's nothing joining LOW and HIGH side of the PS other than a set of 2 ceramic caps but those only connect GND... This is something I don't get yet
Thanks


Comment