Wine Chiller - SMPS issue - fluctuating voltages

Collapse
X
 
  • Time
  • Show
Clear All
new posts
  • beetle1303
    Badcaps Veteran
    • Jul 2019
    • 279
    • Singapore

    #1

    Wine Chiller - SMPS issue - fluctuating voltages

    My wine chiller, TECNO SW-126LCD, is semi-functional - it powers up, can set temperature, and chilled to the set temperature, and cuts off compressor, etc. It however runs very hot.

    Upon taken out the PSU and did some basic check - 5V output to LCD panel buttons and display is stable, but there is no 12V output to LED lights, and fans.

    Further checks found the secondary side voltage is fluctuating around 8-15V range, but the 7805 regulator seems ok and producing the stable 5V output.

    Checking further on the primary side: Incoming line input to bridge rectifier to filter capacitor all ok and stable at ~330Vdc. However, the circuitry around the PWM IC is showing same fluctuating voltage around 8-15V range also.

    I have pretty much taken out all the through-hole components - capacitor, transistors, diodes, resistors, photo-coupler, etc on both side. One component at a time, tested good and re-installed back.

    Still same outcome - fluctuating voltages. All except when I pulled out and re-installed back this particular transistor, SBD20C150F, at the secondary output terminal of the transformer.

    Since then there is no more voltage output at the secondary side, including the previously stable 5V. There is no power at the PWM circuitry also.

    Seems like the PWM IC, AP8269, has stopped switching...

    Any pointer on what to check further is greatly appreciated.
    Attached Files
  • redwire
    Badcaps Legend
    • Dec 2010
    • 3912
    • Canada

    #2
    Re: Wine Chiller - SMPS issue - fluctuating voltages

    How did you test the capacitors, value and ESR?

    I'm suspicious of the big plastic film caps in sleeves. The one on the far left (primary side) looks like like an egg- it melted and spit out some goop on the top?

    There are three small electrolytic capacitors.
    CD7 is critical for the SMPS IC and I would outright replace it. There are two other small electrolytic caps.

    Comment

    • Th3_uN1Qu3
      Believe in
      • Jul 2010
      • 6031
      • Romania

      #3
      Re: Wine Chiller - SMPS issue - fluctuating voltages

      Seconded. Caps look bad, replace them. Caps look good, replace them anyway. It's not like it's got too many of them.
      Originally posted by PeteS in CA
      Remember that by the time consequences of a short-sighted decision are experienced, the idiot who made the bad decision may have already been promoted or moved on to a better job at another company.
      A working TV? How boring!

      Comment

      • beetle1303
        Badcaps Veteran
        • Jul 2019
        • 279
        • Singapore

        #4
        Re: Wine Chiller - SMPS issue - fluctuating voltages

        Originally posted by redwire
        How did you test the capacitors, value and ESR?

        I'm suspicious of the big plastic film caps in sleeves. The one on the far left (primary side) looks like like an egg- it melted and spit out some goop on the top?

        There are three small electrolytic capacitors.
        CD7 is critical for the SMPS IC and I would outright replace it. There are two other small electrolytic caps.
        All the capacitors were test in- and off-circuit with a DMM and ESR meter - capacitance within the rated spec, and ESR well within the chart values.

        The PSU is mounted inside the chiller control compartment, so those those capacitors are shielded heat resistant fabric with yellowed silicon on top.
        * see top side without those shield.

        I replace the CD7 (with another old but good capacitance and ESR), but same outcome..
        I now noticed 1 of the 2 big capacitors at primary side has slight bulging top. Will replace those and all the rest of capacitors to try again.
        Attached Files

        Comment

        • redwire
          Badcaps Legend
          • Dec 2010
          • 3912
          • Canada

          #5
          Re: Wine Chiller - SMPS issue - fluctuating voltages

          Why do the board pics now have different capacitors?
          I'm confused the primary caps are now electrolytic, one has a bulged top but tests OK?
          I have not used a MESR-100 but its test voltage is given as only 40mVRMS which is called a flea fart. It's very little signal.
          Anyone else used one?

          Comment

          • beetle1303
            Badcaps Veteran
            • Jul 2019
            • 279
            • Singapore

            #6
            Re: Wine Chiller - SMPS issue - fluctuating voltages

            Originally posted by redwire
            Why do the board pics now have different capacitors?
            I'm confused the primary caps are now electrolytic, one has a bulged top but tests OK?
            I have not used a MESR-100 but its test voltage is given as only 40mVRMS which is called a flea fart. It's very little signal.
            Anyone else used one?
            The board with capacitor shield/jacket removed. Yes, the top bulged one also tested good capacitance and ESR - both measured ESR 0.84ohm (33uF 400V).

            Anyway - I will replace them all later and report back.
            Attached Files

            Comment

            • CapLeaker
              Leaking Member
              • Dec 2014
              • 8340
              • Canada

              #7
              Re: Wine Chiller - SMPS issue - fluctuating voltages

              While an ESR meter is great for low voltage caps, it’s next to useless measuring high voltage caps with it. One of them looks bulged anyway, so it’s time to replace them all in your case, since this appliance ran many hours.
              The not starting situation could have been that the ESR went up when the PSU cooled down. You could have tried to heat the PSU up with wifeys hair dryer and then plug it in. I guess fix what you know is bad and go from there.

              Comment

              • redwire
                Badcaps Legend
                • Dec 2010
                • 3912
                • Canada

                #8
                Re: Wine Chiller - SMPS issue - fluctuating voltages

                It's best if a defective component can be found. That's why I started to suspect the MESR-100 is not doing its job.

                Kinda scary to put electrolytic capacitors glued inside a thermal sleeve - they're anticipating a fire or something. But the glue burns.
                The primary fuse is huge at 8A and I can't see inrush PTC. RV2 seems to be a MOV.

                These wine cooler power supplies run 24/7 and commonly eat their cheap capacitors.
                OP check the PSU is OK with light load, it might just be unstable unless it has more load?

                Comment

                • beetle1303
                  Badcaps Veteran
                  • Jul 2019
                  • 279
                  • Singapore

                  #9
                  Re: Wine Chiller - SMPS issue - fluctuating voltages

                  I have purchased the set of 7 capacitors and replaced all of them. Outcome is still the same - no voltage output on the secondary side, while the primary side filter capacitors has 335Vdc to the transformer. The CD7 capacitor to the PWM IC is still no voltage.

                  Seems like PWM IC is not powered up, and therefore not switching?

                  Comment

                  • beetle1303
                    Badcaps Veteran
                    • Jul 2019
                    • 279
                    • Singapore

                    #10
                    Re: Wine Chiller - SMPS issue - fluctuating voltages

                    Originally posted by redwire
                    It's best if a defective component can be found. That's why I started to suspect the MESR-100 is not doing its job.

                    Kinda scary to put electrolytic capacitors glued inside a thermal sleeve - they're anticipating a fire or something. But the glue burns.
                    The primary fuse is huge at 8A and I can't see inrush PTC. RV2 seems to be a MOV.

                    These wine cooler power supplies run 24/7 and commonly eat their cheap capacitors.
                    OP check the PSU is OK with light load, it might just be unstable unless it has more load?
                    Wine chiller actually working, and cut in and out the compressor when reaches set temperature. The 2 sides the the exterior walls were very hot, and I suspected fans are not running since the light also cannot be turn on..

                    I think the capacitors are all shielded from condensation/moisture probably, because this control board is mount upside-down inside the chiller compartment, with a non-airtight cover.

                    Comment

                    • Th3_uN1Qu3
                      Believe in
                      • Jul 2010
                      • 6031
                      • Romania

                      #11
                      Re: Wine Chiller - SMPS issue - fluctuating voltages

                      So I take it the SMPS is just for the fans and light? I would replace the primary controller IC at this point, it is very possible that the bad primary side capacitor has taken it out.
                      Originally posted by PeteS in CA
                      Remember that by the time consequences of a short-sighted decision are experienced, the idiot who made the bad decision may have already been promoted or moved on to a better job at another company.
                      A working TV? How boring!

                      Comment

                      • beetle1303
                        Badcaps Veteran
                        • Jul 2019
                        • 279
                        • Singapore

                        #12
                        Re: Wine Chiller - SMPS issue - fluctuating voltages

                        Originally posted by Th3_uN1Qu3
                        So I take it the SMPS is just for the fans and light? I would replace the primary controller IC at this point, it is very possible that the bad primary side capacitor has taken it out.
                        No.. this SMPS for everything - it has stable 2x 5V to each of the zone control panel for power-on, temperature setting, display, compressor relay, etc. And a bunch of 12V connectors for fans and lighting which with fluctuating voltages.

                        I was pulling out one component at a time to see which one could be the cause if the fluctuation and all seems the be ok as the fluctuation continues. Until I pulled out and in-inserted the SBD20C 150F Schottky Rectifier at the secondary winding side , then no output voltages completely.

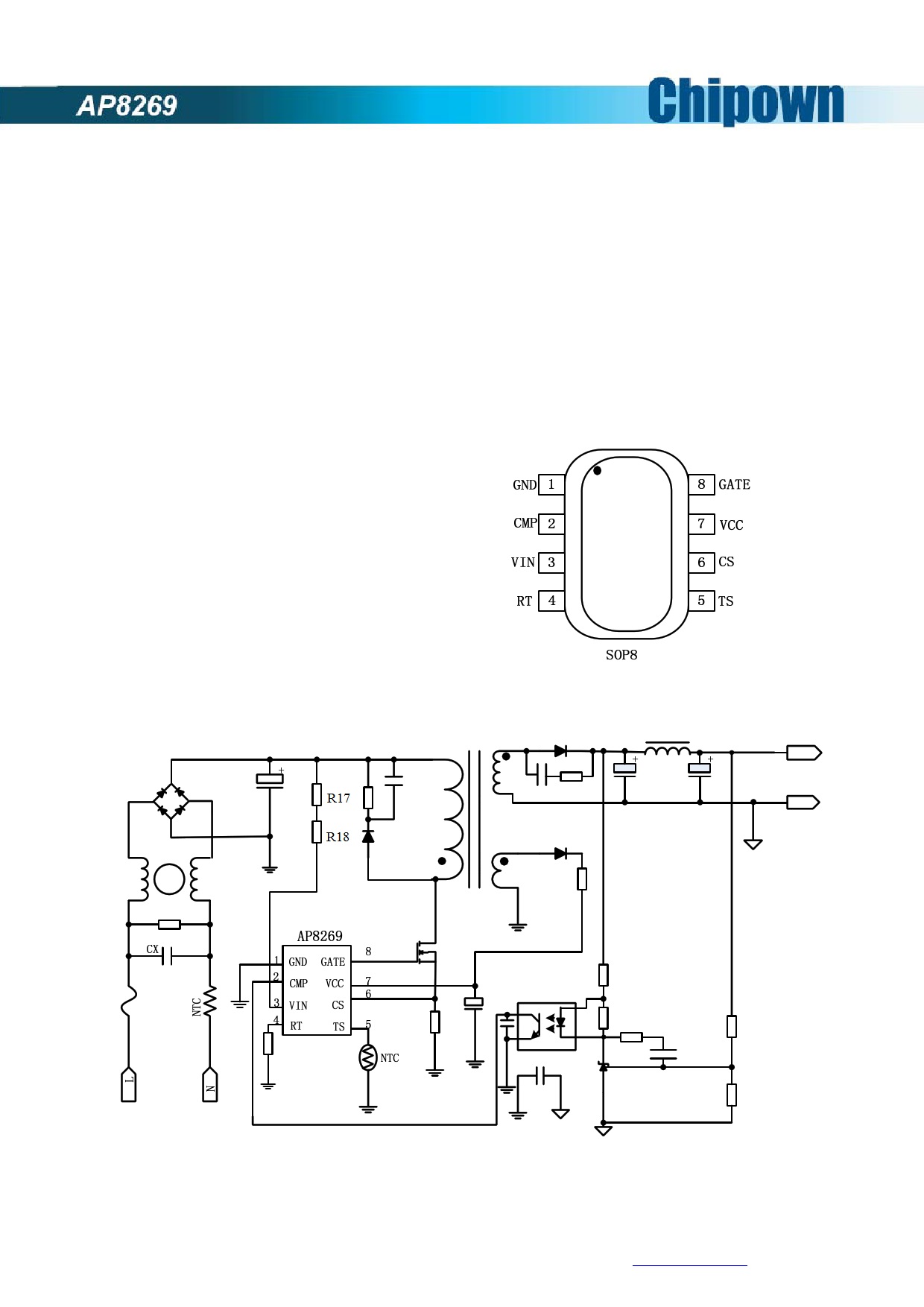
                        The PWM IC is 8269, and I presumed AP8269 attached is the correct pinout.
                        What can I do to tests/checks to see if this IC is dead? Reason is this IC probably need time to order from online store, and pretty challenging for me to replace.
                        Thank you in advanced.
                        Attached Files
                        Last edited by beetle1303; 09-06-2023, 08:01 AM.

                        Comment

                        • R_J
                          Badcaps Legend
                          • Jun 2012
                          • 9607
                          • Canada

                          #13
                          Re: Wine Chiller - SMPS issue - fluctuating voltages

                          What is the Vin voltage and the VCC voltage? The vcc needs to be about 16v to start and cant drop below 10v

                          Comment

                          • beetle1303
                            Badcaps Veteran
                            • Jul 2019
                            • 279
                            • Singapore

                            #14
                            Re: Wine Chiller - SMPS issue - fluctuating voltages

                            Originally posted by R_J
                            What is the Vin voltage and the VCC voltage? The vcc needs to be about 16v to start and cant drop below 10v
                            Pin3 Vin: 3.5V
                            Pin7 Vcc: 0v - the diode and resistor in series to the capacitor feeding Pin also tested ok.

                            Also,
                            Pin2 CMP: 0V - there is no voltages on either side of the opto-coupler either. They were fluctuating voltages before, but now 0v since the re-insertion of the Schottky Rectifier in previous post.
                            * that rectifier test working in- and off-circuit though..

                            Also, power mosfet Drain-Source reads 335Vdc, same voltage as bridge rectifier output, indicating pwm ic not switching?
                            Last edited by beetle1303; 09-06-2023, 10:28 AM.

                            Comment

                            • beetle1303
                              Badcaps Veteran
                              • Jul 2019
                              • 279
                              • Singapore

                              #15
                              Re: Wine Chiller - SMPS issue - fluctuating voltages

                              I was reading up further on a few causes on SMPS no output voltage on secondary side:
                              1) Faulty PWM IC
                              2) Fault power mosfet
                              3) short-circuit somewhere Son secondary side
                              4) Faulty opto-coupler
                              5) Faulty capacitors (which I have replaced all)
                              etc.

                              I pulled out the power mosfet, SVF12N65F, and did all permutation with DMM reading, and not sure if it help anyone to help me further:

                              Basically, measure all combinations of the 3 pins, in- and off-circuit. The results are somewhat different and I do not know if they are normal and expected.
                              Kindly enlighten me, thank you.
                              Attached Files

                              Comment

                              • stj
                                Great Sage 齊天大聖
                                • Dec 2009
                                • 31256
                                • Albion

                                #16
                                Re: Wine Chiller - SMPS issue - fluctuating voltages

                                take the transformer out and check the windings and the soldering on the windings.
                                then check the resistors and diodes related to the chip while the transformer is off the board.

                                Comment

                                • R_J
                                  Badcaps Legend
                                  • Jun 2012
                                  • 9607
                                  • Canada

                                  #17
                                  Re: Wine Chiller - SMPS issue - fluctuating voltages

                                  Originally posted by beetle1303
                                  Pin3 Vin: 3.5V
                                  Pin7 Vcc: 0v - the diode and resistor in series to the capacitor feeding Pin also tested ok.

                                  Also,
                                  Pin2 CMP: 0V - there is no voltages on either side of the opto-coupler either. They were fluctuating voltages before, but now 0v since the re-insertion of the Schottky Rectifier in previous post.
                                  * that rectifier test working in- and off-circuit though..

                                  Also, power mosfet Drain-Source reads 335Vdc, same voltage as bridge rectifier output, indicating pwm ic not switching?
                                  The Vin should be supplied from the main B+ 335vdc through one ore more resistors, likely R17 and R18, either the resistor/s are open or the ic is bad. The vcc is developed internally from the Vin
                                  Attached Files
                                  Last edited by R_J; 09-07-2023, 11:54 AM.

                                  Comment

                                  • beetle1303
                                    Badcaps Veteran
                                    • Jul 2019
                                    • 279
                                    • Singapore

                                    #18
                                    Re: Wine Chiller - SMPS issue - fluctuating voltages

                                    Originally posted by stj
                                    take the transformer out and check the windings and the soldering on the windings.
                                    then check the resistors and diodes related to the chip while the transformer is off the board.
                                    Arha!!
                                    After taken off the transformer, traced the diode and resistor and capacitor circuit to Vcc, found the culprit - R13 resistor is OPENED!!

                                    *I don't have a SMD 220 resistor, plan to salvage a through hole 22ohm resistor from some power board on hand later.

                                    Thank you very much @STJ
                                    Attached Files

                                    Comment

                                    • beetle1303
                                      Badcaps Veteran
                                      • Jul 2019
                                      • 279
                                      • Singapore

                                      #19
                                      Re: Wine Chiller - SMPS issue - fluctuating voltages

                                      Originally posted by R_J
                                      The Vin should be supplied from the main B+ 335vdc through one ore more resistors, likely R17 and R18, either the resistor/s are open or the ic is bad. The vcc is developed internally from the Vin
                                      R17 and R18 are good at ~2.2Mohm and 0.6Mohm. As stated in previous post, R13 is open and thus capacitor not changed up to feed Vcc externally.

                                      Comment

                                      • beetle1303
                                        Badcaps Veteran
                                        • Jul 2019
                                        • 279
                                        • Singapore

                                        #20
                                        Re: Wine Chiller - SMPS issue - fluctuating voltages

                                        Originally posted by beetle1303
                                        Arha!!
                                        After taken off the transformer, traced the diode and resistor and capacitor circuit to Vcc, found the culprit - R13 resistor is OPENED!!

                                        *I don't have a SMD 220 resistor, plan to salvage a through hole 22ohm resistor from some power board on hand later.

                                        Thank you very much @STJ
                                        My joy was short-lived unfortunately...
                                        After soldered in a 22ohm resister, powered up - still exactly the same status: there is still 3.6v input to Pin #3 Vin, but still no voltage output at Pin#7 Vcc, and the CD7 capacitor still 0v...

                                        Looks like PWM IC still not switching, probably dead..., and I've just placed online order the this replacement IC.

                                        If anyone has any clue to possibility of secondary side shorted somewhere, I would be pleased to investigate fully.

                                        Comment

                                        Related Topics

                                        Collapse

                                        • Francesc V.
                                          Computer SMPS has voltages from a moment and then disapear
                                          by Francesc V.
                                          Hi:

                                          I am trying to repair a 1000W cheap power supply, but so far, with no much success.

                                          The ATX has stable 5V STBY.
                                          When shortening PsuON to ground, it triggers all voltages for a fraction of a second and then disapear (I see the leds flashing for a moment from the ATX tester)


                                          - I removed and tested the capacitors. They are OK.
                                          - Removed and tested the Output rectifiers from the secondary.
                                          - Removed and tested the Mosfets from the primary.
                                          - Outputs are not shorted.
                                          - Overakk review of the solder joins.

                                          ...
                                          04-15-2025, 01:54 PM
                                        • beetle1303
                                          Vintec V160SGB wine chiller - thermostat replacement
                                          by beetle1303
                                          My vintage wine chiller, Vintec model# S160SGB, mechanical thermostat failed (not cutting off compressor at set temperature anymore).
                                          After some initial research, this is a Dasfoss 25T65 EN 60730-2 part number.
                                          While this part is generally still available in some online portal, it is fairly expensive. There are many digital thermostat available with some simple rewiring, but I am hoping to preserve it with a with a less expensive mechanical equivalent part.

                                          Anyone familiar can recommend some less expensive equivalent?...
                                          11-06-2023, 06:57 AM
                                        • Capacitorial
                                          Powersupply has all the voltages - Monitor still no power
                                          by Capacitorial
                                          Hello guys,

                                          I have a Philips 240B7QPJEB. The monitor seems completely dead.
                                          I opened it and measured the voltages of the powersupply. I found that a mosfet was dead and replaced it.
                                          On the connector, that goes to the TCON board, all voltages 15-19V and 5V are present.
                                          The small connector on the left of the PSU has two cables with 18V and all the other have 0.2V. It connects on this small connector on the left ontop of the panel. I guess the backlight? Seens fine I guess.
                                          The weird thing is, that the Power LED is powered over the TCON board.
                                          On The TCON...
                                          12-28-2024, 02:12 PM
                                        • Cemal Odabasioglu
                                          MacBook Pro A1707 Motherboard Diagnostic Help – CD3215 heating and Fluctuating Rails
                                          by Cemal Odabasioglu
                                          Hello everyone,

                                          I'm currently diagnosing a MacBook Pro A1707 motherboard that does not power on. I've gathered some data but am stuck and need expert advice.
                                          Note that i'm a beginner in electronics and i'm trying to learn while trying to repair this macbook that my work gave me. I'm really curious and love understanding how thing works and i already learned so much.

                                          Only one usb c port is taking 20v and have 12.5v on PPBUS_G3H. when trying other ports, 2 are not going to 20v and one is going to 20v but the CD3215 is getting really hot.

                                          Observations...
                                          01-14-2025, 03:54 PM
                                        • dkneyle
                                          Onkyo DX-V500 Laser Disc Player - weird SMPS fault
                                          by dkneyle
                                          This relic from a technology path that came to a dead end (but still has historical interest) was brought in with a dead SMPS, which is based around a MK1210 device. I got it going after a battle. It seems to have a strange design - if it's not getting feedback that the secondary is OK it cause the big FET to go into full conduction and overloads resulting in a blown fuse at best or something worse! I'm using a Dim Bulb Tester (70W/230V) which thankfully has saved the day a number of times whilst repairing.

                                          Now, it loads a CD OK. The motor voltage output (which is built onto the SMPS...
                                          02-01-2022, 02:08 AM
                                        • Loading...
                                        • No more items.
                                        Working...