Re: Another Kenwood CS-4035 question
Have you checked the input and output voltages of U4? they should be 0v with no input signal. Also check the -1.2v (9) and (10)
The +37.5 v is changing because something is biasing the circuit to change. The circuit is DC coupled so anything can cause it.
Q221 is likely for blanking and may or may not have a pulse on it.
The sweep circuit may be working but it is sweeping off the crt face due to the vertical deflection not being 37.5v on both plates.
The +37 and the +68 are not rails, they are for the crt's deflection. when both -Y and +Y are at 37.5 volts the crt trace will be in the middle (top to bottom) Changing the front panel's Vertical position control will cause the 37.5 volts to change.
When the DX+ and DX- are each at 68v the beam would be in the center (left to right) this voltage will change as the crt beam is swept across the crt face.
Another Kenwood CS-4035 question
Collapse
X
-
Re: Another Kenwood CS-4035 question
Curiouser and curiouser...
To recap:- There are two boards on this scope. The PSU and the main board.
The PSU supplies a selection of rails, +5, +8. -8, +80 and +140 volts.
All these voltages are present and stable on both boards. There is no trace on the CRT.
The first checkpoint adjustable voltages on the main board are, +37.5v x 2 (from the +80v rail) and +68v x 2 (from the 140v rail).
The situation yesterday was that the 37.5v was present but the 68v was reading 133v on one and 4.5v or so on the other. At other times, on other days, there has been a mixture between either one, or neither one of the +37.5v and +68v present.
Looking through the schematic leads to the Sweep section which when following the 'Troubleshooting' section leads to Q221 which is (supposed to be) turned on by U201 - a Kenwood Hybrid chip, KMD 02.
Yesterday, I was tired and got lost, however the Great Electronics Repairman in the Sky visited me in my dreams and told me to check out why Q221 wasn't switching.
That led to my pulling U201 this morning, looking for dry joints or corrosion, which weren't there.
After reinstalling the KMD 02, the problem switched from the 37.5v being present to the +68v suddenly being present, only with the 37.5v back up to 77v. !?!??
As I had work to do today, I thought, "fuck this for a game of soldiers!" and switched the scope off and went and did something better instead.
.. So... many hours later, I switch the scope on to see why the +37.5v is now being a c*nt, only to find it has returned. What's more, is that the +68v is also present. WTF!!!???
That has NEVER happened before!






Being a budding repair tech, I did the standard search within the casing for any Gremlins who were fucking with me, but surprisingly, none were there...
So the scope was just left running to see if it did anything new, like hopefully catch fire and put me out of my misery. Alas, no!
What did happen, is that after maybe an hour, the +37.5v had risen to ~ +45v whilst the +68v had remained stable,
Having a finger-feel around revealed a few hot components, especially U4, one of the two Kenwood Hybrids (KMC-01), that was scorching hot. On the PSU there is also a 2SD 1666 which controls the +80v rail which was super hot. This is where the board had been damaged and traces burnt away, before I got the scope, and where I had to do a repair to get the PSU to work again. So something is drawing too much current.
Which component fault might cause the 37.5v to keep slowly rising?
Is it wrong to imagine that the scorchio KMC01 is damaged? It is not 'normal' for chips to run so hot, the question would be, is it possible for the hybrid to now NOT be damaged?
Anyway, I'm gonna turn it back on and see if it doesn't do us all a favour and catch fire...Attached FilesLast edited by Crystaleyes; 05-30-2022, 05:13 PM.Leave a comment:
-
Re: Another Kenwood CS-4035 question
Life's funny at times...
Last night I was so tired that I couldn't see the wood for the trees, but then in my sleep I went over the problem and realised exactly what is needed to be done, at least to
verify where the circuit is failing...
For whatever reason, Q221 is not being switched on by U201, so U201 shall be pulled and inspected for bad joints etc.
So now I am back on it.
Gotta laugh!Last edited by Crystaleyes; 05-30-2022, 05:55 AM.Leave a comment:
-
Re: Another Kenwood CS-4035 question
Blimey, there is something seriously screwey with this scope and I am getting nowhere.
Following the 'Troubleshooting' guide, it leads to the Sweep section, which following the failed waveform shapes at TP 29 and 30 leads to a couple more tests before leading to Section 1..
The first test fails by Q221C reading 1.12v instead of >2.7v yet following the chart asks to check Q221, which checks fine 'in-circuit'. The next test asks to check pin 5 of U205 for either High or Low, yet just to confuse things, it reads 3.1v.
I am thinking that the only option for me is to remove and test all the transistors and diodes and simply replace all the chips in the Sweep section, as I am at a loss as to how to test.
The 37.5 rail is also playing up again, this time by not remaining stable.
It doesn't help not having a scope I can rely on but it is what it is.
The only waveform which was close was the triangle on TP 31 but that has now disappearedLast edited by Crystaleyes; 05-29-2022, 05:45 PM.Leave a comment:
-
Re: Another Kenwood CS-4035 question
There is also a Gnd wire from the PSU board which goes to a mounting screw. That is, as well as the gnd wire which is on the main connector with all the rails.
I'll get on it soon and get backLeave a comment:
-
Re: Another Kenwood CS-4035 question
probably a bad connection - does it earth the boards through the mounting screws?Leave a comment:
-
Re: Another Kenwood CS-4035 question
It is a bit strange, not least because it only occurs on Channel 1.
Looking closer, only the front section is connected to the chassis and it seems there is no continuity through to the rear although the rear is grounded.
The photo shows the X and Y channel selectors just to help visualise the setup.
Been having a break from this scope as had an old Tek scope to fix, but am now free and getting back to this one.
Whilst the 2nd Kenwood scope was still here, I measured and compared the voltages at every component from the +80v which feeds the 37.5v, up until the potentiometer VR103 which regulates that line.
Using the chassis as Gnd, all the voltages measured correct, whereas when I placed the -ve test lead onto the Gnd trace, the voltages went skewed. I had planned to investigate this further, only the next time the scope was switched on, the 37.5v became stable.
Now the issue is with the +68v pin (measuring +138v) which is fed from the +140v rail, and to be honest I haven't even looked at this section of the circuit yet, but today is a new day, and I want this scope fixed and sold on.
I'll get back if I get stuck...Leave a comment:
-
Re: Another Kenwood CS-4035 question
thats strange, you would expect the switch frame to be bolted to the chassis!Leave a comment:
-
Re: Another Kenwood CS-4035 question
To be honest, I had been reluctant to spray into the switches as sometimes they have conductive grease and that can get washed away, but I'll give that a test on one of them when I get back on it.
Haven't actually had time to to do any re-soldering, but was having a poke and tap around, whilst testing the 37.5v (trying to locate the bad connection). Sods law that even with a thump, I cannot now lose the 37.5v but what might be causing the following?
With the scope on, the 68v is way too high (138v) yet goes down to 114v if I physically touch the Channel 1 switch metalwork. It doesn't happen if I touch the chassis or Gnd connection of the scope.
I'll take a picture and show which points reduce the voltage.Leave a comment:
-
Re: Another Kenwood CS-4035 question
on my old scopes, they all needed the contact cleaner in the rotary range-switchesLeave a comment:
-
Re: Another Kenwood CS-4035 question
Yeah. Cheers for that.
Kinda the conclusion I came to last night.
This fault-finding game is all still a bit new to me, but I need sneaky situations like this if I'm to get a good grip on things.
I must say, I was getting baffled. I'd tested all the usual suspects, caps and semi-conductors, yet just couldn't see any faulty component.
Now I know why.
Every day's a school day, eh?Leave a comment:
-
Re: Another Kenwood CS-4035 question
dirty connectors or bad soldering.
time for a close look and a can of contact cleaner
CPC sells own-brand contact cleaner at a reasonable priceLeave a comment:
-
Re: Another Kenwood CS-4035 question
Just went back to the scope to take some more readings and both the voltages were high (i.e. 77v and 138v)
So I wacked the scope frame and the 77v went back to 37.5v
That helps confirm the loose connection side of things. At least I now know 'where' to start looking... Which is essentially why I started the thread.Leave a comment:
-
Re: Another Kenwood CS-4035 question
So,
just as I was about to post all the voltages from the section which controlled the +37.5v, it seemed like a good idea to disconnect the four multi-pin connectors which connect the vertical and horizontal channel controls to the main board, to confirm that the problem was actually 'on' the main board.
To my surprise, doing that allowed VR103 to once again regulate and set the 37.5v!
However, the adjacent +68v pin, suddenly shot up to +138v (there is a +140v rail on the scope).
Obviously, I reconnected each connector 'in turn' in order to see which one reverted the situation, i.e. 37.5v @ 77v and the 68v @ 68v.
Sods law, that after reconnecting all the sockets, the 37.5 remained at 37.5 and the 68v remained at 138v!
Whilst then trying to regulate the +68v pin, something 'flipped' and it actually went back to 68v, whilst the 37.5 went back up to 77v..
Bollocks!
So, forget the section of the schematic I mentioned earlier, the problem appears to be some intermittent fault at a point, possibly where (and if) the +68v and 37.5 rails cross over.
Gonna see if I can't figure this out but if anyone is bored, the manual is attached (pages 32 and 34 show the circuits in question), along with photos of the front panel and it's four connectors...Last edited by Crystaleyes; 05-22-2022, 06:56 PM.Leave a comment:
-
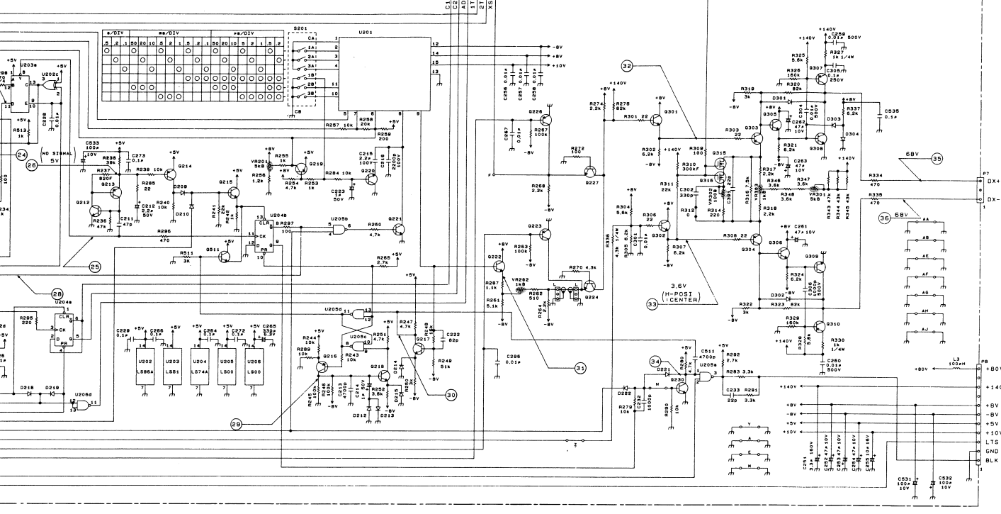
Another Kenwood CS-4035 question
Need a hand understanding how to read a part of the schematic.
So, as reported in the earlier thread, after repairing the KMA-01 hybrid IC on the PSU, the scope came to life without any issues other than calibration.
There were two of these scopes in the job-lot however, and the 2nd one also had the same bad IC on the PSU which was repaired in the same manner. This 2nd scope also had some missing transistors on the main board, which only arrived yesterday, and unfortunately, installing these components hasn't helped to resolve the lack of trace on the CRT. I know the CRT is working as it was tested on the other 'good' scope.
All of the LV rails are also present and correct at the input connector to the main board, so the PSU is sound.
The area on the main board in question, is part of the CRT control and via VR104, regulates two +37.5v lines which are taken from the +80v rail. At the moment the Collectors are reading 77v on one rail (Q's 14+15), and 5v on the other (Q's 12+13). Not 37.5v.
What I am not yet understanding, is the sequence of control signals (or where they ultimately come from) to the bases of the transistors which regulate the +37.5v lines.
There is the +80v input as well as both +8v and -8v connections further down the circuit.
For comparison, I've taken voltage measurements from both scopes and it is clear that the 2nd scope is at least a couple of sandwiches short of a picnic.
The section in question is attached if anyone fancies a challenge?
I'll post photos and all the voltages if it will helpLast edited by Crystaleyes; 05-22-2022, 08:01 AM.Tags: None
Related Topics
Collapse
-
by DrDosHello all. I'll try to keep this short. I have no knowledge of electronics. I can use a multimeter and am familiar with caps to some extent. I bought a Kenwood KR-6030 vintage stereo. It need work and so I thought I would recap the thing since I get power to the on switch but nothing else is working. No lights, no sound and so forth. I went to Mouser to order caps and I find I am way over my head. I not only do not know the type of capacitors I need but Mouser and digikey do not accept Kenwood part numbers. I have the info such as 220uF 63v and such but no place to put it. I could buy a recap...
-
Channel: Troubleshooting Audio Equipment
-
-
by repair-itI am attempting to test a samsung power supply board to verify the pfc ic is working. I am powering up the board with my isolation transformer. The board turns on fine but when I attempt to connect the ground for the scope probe, it trips out the isolator. I was taught not to 'float my scope' so I am wondering if I should test without connecting the ground lead or would that be asking for trouble? Not sure how else to test, I don't have a portable scope. I could plug direct to mains power but that would bypass the safety factor.
-
by Mark RI am Repairing this unit. It had many problems. One major one was the power transformer being about 4-5 volts low on the main B+ line which called for 66.5 Vols after the Main Filter caps but only showing about 62 Volts. Caps and the 5 amp Diode bridge were replaced which helped slightly.
The other strange problem was the small secondary winding from the PT which supplies 18 Volts AC to the "FM FLUORESCENT DISPLAY" circuit, and the small winding that supplies 8 Volts AC to the push button grain of wheat lamps. Those voltages were down from 18 Volts to 16 volts. Which was...-
Channel: Troubleshooting Audio Equipment
-
-
by DrDosHello everyone, I have decided to try and replace the mosfets in my power amp (the one with relay and left and right sides) on my kenwood kr-6030. I'm trying to get the A side of my speakers working. I have replaced all the caps in the power board and I thought why not change the mosfets. They seem to be working since I have great music coming out of the B side speakers and since I am not an electronic guru (but I am learning) I don't want to make any mistakes. The mosfets I have are listed A913 so I guess 2sa913 and 2sc1913. Can't really find those in mouser or digikey at least with the info...
-
Channel: Troubleshooting Audio Equipment
-
-
by CrystaleyesHola all,
I recently picked up two dead scopes in a job lot. One had missing and blown components as well as a toasted trace on the PSU, whereas the other was complete and not burnt.
Anyway, managed to get both PSU's working enough to switch the scopes on, with the LV rails all more less where they should be, and that is;
+140v
+8v
+5v
-8v
Minus 8v is the adjustable reference voltage, which actually doesn't seem to adjust on either PSU. There is a KMA 01 hybrid IC with a couple of op-amps in it which the voltages pass through.... - Loading...
- No more items.
Leave a comment: