Center tapped transformer rectifier question
Collapse
X
-
Re: Center tapped transformer rectifier question
What do you think of the one I posted then ? Would that work ?
It's like starting off by rectifying just one of the windings (with respect to the center tap) and then adding an additional bridge for the other one too so in theory nothing should go boom.
Wattevah...Comment
-
Never stop learning
Basic LCD TV and Monitor troubleshooting guides.
http://www.badcaps.net/forum/showthr...956#post305956
Voltage Regulator (LDO) testing:
http://www.badcaps.net/forum/showthr...999#post300999
Inverter testing using old CFL:
http://www.badcaps.net/forum/showthr...er+testing+cfl
Tear down pictures : Hit the ">" Show Albums and stories" on the left side
http://s807.photobucket.com/user/budm/library/
TV Factory reset codes listing:
http://www.badcaps.net/forum/showthread.php?t=24809Comment
-
Re: Center tapped transformer rectifier question
Go with mariushm's solution if you want a common 0V point.
None of the other ones will work trying to have a common ground point, at best. The halfwave version will work with a common ground point but has awful PF, awful regulation, and will require double sized transformer; and the double bridge solution requires that you keep the two circuits isolated from each other - they must never touch.Comment
-
Comment
-
Things I've fixed: anything from semis to crappy Chinese $2 radios, and now an IoT Dildo....
"Dude, this is Wyoming, i hopped on and sent 'er. No fucking around." -- Me
Excuse me while i do something dangerous
You must have a sad, sad boring life if you hate on people harmlessly enjoying life with an animal costume.
Sometimes you need to break shit to fix it.... Thats why my lawnmower doesn't have a deadman switch or engine brake anymore
Follow the white rabbit.Comment
-
Comment
-
Re: Center tapped transformer rectifier question
Nobody will tinker with the insides of this power supply and I'll label them Fan GND and supply GND
Wattevah...Comment
-
Re: Center tapped transformer rectifier question
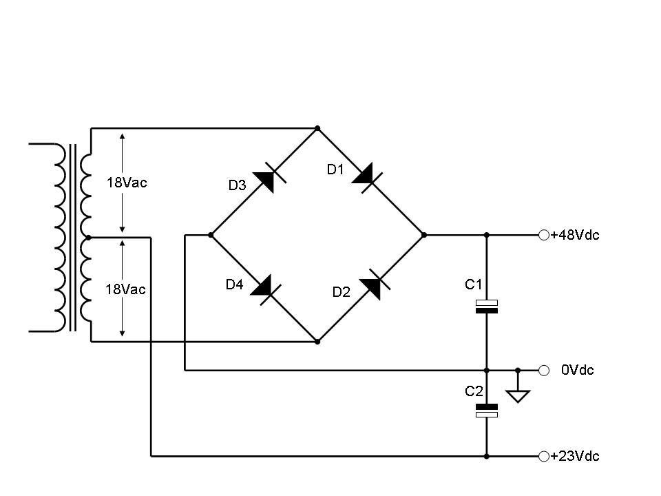
There's no need for a bridge for both supplies. You can full wave rectify both outputs with just 4 diodes, and still have a common earth. The attached diagram is similar to the one mariushm posted, except my one has the smothing cap -ve for the higher voltage connected to earth rather than the half-voltage output. (either configuration will work).
The 48Vdc output uses the 4 diodes as a bridge. The 23Vdc output uses D3 & D4 with reference to the centre tap to full wave rectify the output.
D3 & D4 will therefore be passing the combined current taken from both supplies, so will need to be rated accordingly.________________________________________________
Invisible airwaves crackle with lifeBright antennae bristle with the energy________________________________________________Comment
-
Re: Center tapped transformer rectifier question
In my case D3 and D4 are built into the bridge rectifier itself, though it's a 50a bridge, so I doubt it will complain.There's no need for a bridge for both supplies. You can full wave rectify both outputs with just 4 diodes, and still have a common earth. The attached diagram is similar to the one mariushm posted, except my one has the smothing cap -ve for the higher voltage connected to earth rather than the half-voltage output. (either configuration will work).
The 48Vdc output uses the 4 diodes as a bridge. The 23Vdc output uses D3 & D4 with reference to the centre tap to full wave rectify the output.
D3 & D4 will therefore be passing the combined current taken from both supplies, so will need to be rated accordingly.Wattevah...Comment
Related Topics
Collapse
-
by bauto601Back in 2020 i bought a (2nd hand) compact ATX psu to replace my current one. My PC case only fits very short ATX power supplies so i didn't really have the choice of buying a decent 80Plus unit. The current unit is a modded YoungYear unit that i made a thread about a while ago:
A "nice" YoungYear unit? - Badcaps
The "new" unit is a KDM-M6480 480W psu, the 480W number is a typical KDM bullshit claim of course, but the 24A rating on the 12V rail seemed reasonable and the "Active PFC" claim gave me a bit of hope that this was going to be decent-ish.... -
by mikey5791Hi all,
Got this local made DC power supply (12/14V) given free as the transformer has melted. There is no marking or indication to identify what type or rating of transformer used.
Fyi,. I had a busted autogate mainboard with transformer with marking 13-0-13 . Is this the 13v dc type transformer?
My questions are
1. How do i test to see if the transformer is in good working condition?
2. Can this transformer (marking 13-0-13) be used to replace the melted transformer on the DC power supply?
Hope you guys understand what i was asking. My intention is... -
by acedogblastFirst off I would like to thank this community as it has provided me with great information that has helped me greatly on my repair for this Marantz SR5012 AV receiver. I am creating this new thread as the other 2 that I have created here has had their original question/problem solved and I plan that this is the final thread on my repair. Please note that this is my first time repairing audio amplifiers so I may not be aware of common issues and things to know.
Lets start at what I have done so far. Random speaker popping on all channels is fixed by replacing the 2 large filter...-
Channel: Troubleshooting Audio Equipment
-
-
This specification for the ASUS Transformer T101HA - X5DHD Hybrid (2-in-1) can be useful for upgrading or repairing a laptop that is not working. As a community we are working through our specifications to add valuable data like the T101HA - X5DHD boardview and T101HA - X5DHD schematic. Our users have donated over 1 million documents which are being added to the site. This page will be updated soon with additional information. Alternatively you can request additional help from our users directly on the relevant badcaps forum. Please note that we offer no warranties that any specification, datasheet,...09-06-2024, 04:40 PM
-
This specification for the ASUS Transformer T304UA-P71SP-CA Hybrid (2-in-1) can be useful for upgrading or repairing a laptop that is not working. As a community we are working through our specifications to add valuable data like the T304UA-P71SP-CA boardview and T304UA-P71SP-CA schematic. Our users have donated over 1 million documents which are being added to the site. This page will be updated soon with additional information. Alternatively you can request additional help from our users directly on the relevant badcaps forum. Please note that we offer no warranties that any specification, datasheet,...09-06-2024, 12:00 PM
- Loading...
- No more items.
Comment